User Tag List

Страница 127 из 136 ПерваяПервая ... 123124125126127128129130131 ... ПоследняяПоследняя
Показано с 1,261 по 1,270 из 1355

Тема: Тестер мелкой логики на Мега8515

  1. #1261

    Регистрация
    20.02.2008
    Адрес
    Siauliai, Lithuania
    Сообщений
    367
    Спасибо Благодарностей отдано 
    42
    Спасибо Благодарностей получено 
    3
    Поблагодарили
    3 сообщений
    Mentioned
    0 Post(s)
    Tagged
    0 Thread(s)

    По умолчанию

    Цитата Сообщение от nimdasys_inbox_ru Посмотреть сообщение
    Транзистор был установлен изначально прежним владельцем (АлександрПП)... в принципе я его не проверял на живость, сегодня проверю!



    Прошивка v.1.30 ... пробовал обе отсюда - http://www.8bit.lt/ru/ic-tester

    Могу снять видео... как прошивка ICtester055.rar определяет импортные 257-ые и советские КП11

    Если стоит транзистор, тогда прошивка от Ewgeny7 не работает.

    меняй панельку на зиф, нет там контакта
    Альтернативная прошивка для тестера мелкой логики на Мега8515: http://www.8bit.lt/ru/ic-tester

  2. #1261
    С любовью к вам, Yandex.Direct
    Размещение рекламы на форуме способствует его дальнейшему развитию

  3. #1262

    Регистрация
    23.04.2020
    Адрес
    г. Черкесск
    Сообщений
    381
    Спасибо Благодарностей отдано 
    373
    Спасибо Благодарностей получено 
    22
    Поблагодарили
    18 сообщений
    Mentioned
    0 Post(s)
    Tagged
    0 Thread(s)

    По умолчанию

    Цитата Сообщение от Protom Посмотреть сообщение
    Если стоит транзистор, тогда прошивка от Ewgeny7 не работает.

    меняй панельку на зиф, нет там контакта
    Изначально была именно ZIF - КП11 как не определялась, так и не определяется... но при смене прошивки на версию Ewgeny7 определяет в этой старой советской панельке!

    В общем демонтировал BS250P - труп... перепрошил версией для без mosfet - результат не изменился: КП11 (257) как не определялась, так и не определяется!
    Последний раз редактировалось nimdasys_inbox_ru; 24.08.2020 в 13:28.

  4. #1263

    Регистрация
    20.01.2016
    Адрес
    п. Власиха, Московская обл.
    Сообщений
    594
    Спасибо Благодарностей отдано 
    6
    Спасибо Благодарностей получено 
    41
    Поблагодарили
    22 сообщений
    Mentioned
    1 Post(s)
    Tagged
    0 Thread(s)

    По умолчанию

    Цитата Сообщение от nimdasys_inbox_ru Посмотреть сообщение
    ... перепрошил версией для без mosfet - результат не изменился: КП11 (257) как не определялась, так и не определяется!
    А этой прошивкой не пробовали?
    https://zx-pk.ru/threads/16638-teste...=1#post1041123

  5. #1264

    Регистрация
    23.04.2020
    Адрес
    г. Черкесск
    Сообщений
    381
    Спасибо Благодарностей отдано 
    373
    Спасибо Благодарностей получено 
    22
    Поблагодарили
    18 сообщений
    Mentioned
    0 Post(s)
    Tagged
    0 Thread(s)

    По умолчанию

    Цитата Сообщение от EvgenRU Посмотреть сообщение
    А этой прошивкой не пробовали?
    https://zx-pk.ru/threads/16638-teste...=1#post1041123
    Только что - тестер вообще не включается... прошил версию 1.30 без мосфета (так как он уже демонтирован и не установлен обратно, потому что он трупик) - включается.
    Последний раз редактировалось nimdasys_inbox_ru; 01.09.2020 в 14:12.

  6. #1265

    Регистрация
    06.02.2009
    Адрес
    Кемерово
    Сообщений
    1,409
    Спасибо Благодарностей отдано 
    72
    Спасибо Благодарностей получено 
    227
    Поблагодарили
    161 сообщений
    Mentioned
    3 Post(s)
    Tagged
    0 Thread(s)

    По умолчанию

    Зашил 130 прошивку.

    155ЛП10 определяется как ЛП11.
    74hct4316 как CD4066.
    74HC573 74HCT573 74HC574 74HCT574 - после нажатия кнопки автотест тестер то-ли зависет, то-ли перегужается - гаснет иникация, после изъятия микросхемы стартует с индикацией номера прошивки. Других серий нет
    74ACT244 в некоторых случаях приводят к аналогичному результату. На других сериях поведение нормальное.
    ПК8010 "Корвет"+ExtRom+AY, Atari 65XE+SDrive, Дельта-С(52ИС)+AY, Scorpion ZS 1024+SMUC

  7. #1266

    Регистрация
    02.07.2016
    Адрес
    г. Сороки, Молдова
    Сообщений
    346
    Спасибо Благодарностей отдано 
    0
    Спасибо Благодарностей получено 
    129
    Поблагодарили
    101 сообщений
    Mentioned
    0 Post(s)
    Tagged
    0 Thread(s)

    По умолчанию

    marinovsoft, Если речь идёт о прошивке версии 1.30 по схеме Protom-а, то микросхемы 155ЛП10 и 74hct4316 отсутствуют в списке проверяемых микросхем (см. выше #1261 по ссылке - список). 74HCT573 и 74HC574 определяются без проблем, в автоматическом режиме. Переключатель 20-24 д.б. в положении "20".
    Нажмите на изображение для увеличения. 

Название:	573.jpg 
Просмотров:	440 
Размер:	57.8 Кб 
ID:	73426 Нажмите на изображение для увеличения. 

Название:	574.jpg 
Просмотров:	428 
Размер:	58.7 Кб 
ID:	73427

    Этот пользователь поблагодарил andreysur за это полезное сообщение:

    Protom(07.09.2020)

  8. #1267

    Регистрация
    11.06.2014
    Адрес
    г. Санкт-Петербург
    Сообщений
    75
    Спасибо Благодарностей отдано 
    2
    Спасибо Благодарностей получено 
    2
    Поблагодарили
    2 сообщений
    Mentioned
    0 Post(s)
    Tagged
    0 Thread(s)

    По умолчанию

    Цитата Сообщение от marinovsoft Посмотреть сообщение
    Зашил 130 прошивку.

    155ЛП10 определяется как ЛП11.
    74hct4316 как CD4066.
    74HC573 74HCT573 74HC574 74HCT574 - после нажатия кнопки автотест тестер то-ли зависет, то-ли перегужается - гаснет иникация, после изъятия микросхемы стартует с индикацией номера прошивки. Других серий нет
    74ACT244 в некоторых случаях приводят к аналогичному результату. На других сериях поведение нормальное.
    У меня в своё время примерно такая же фигня была из-за проблем с питанием. Исправил питание - всё стало работать как надо.

    Этот пользователь поблагодарил Bradberry за это полезное сообщение:

    Protom(07.09.2020)

  9. #1268

    Регистрация
    06.02.2009
    Адрес
    Кемерово
    Сообщений
    1,409
    Спасибо Благодарностей отдано 
    72
    Спасибо Благодарностей получено 
    227
    Поблагодарили
    161 сообщений
    Mentioned
    3 Post(s)
    Tagged
    0 Thread(s)

    По умолчанию

    Цитата Сообщение от andreysur Посмотреть сообщение
    микросхемы 155ЛП10 и 74hct4316 отсутствуют в списке проверяемых микросхем
    Это повод для того, чтобы называть их другими именами?
    ПК8010 "Корвет"+ExtRom+AY, Atari 65XE+SDrive, Дельта-С(52ИС)+AY, Scorpion ZS 1024+SMUC

  10. #1269

    Регистрация
    02.07.2016
    Адрес
    г. Сороки, Молдова
    Сообщений
    346
    Спасибо Благодарностей отдано 
    0
    Спасибо Благодарностей получено 
    129
    Поблагодарили
    101 сообщений
    Mentioned
    0 Post(s)
    Tagged
    0 Thread(s)

    По умолчанию

    Цитата Сообщение от marinovsoft Посмотреть сообщение
    Это повод для того, чтобы называть их другими именами?
    Я имел ввиду, что в прошивке указанные микросхемы не зашиты, поэтому иногда бывает ложное "определение" микросхем, не включённых в список.

    Этот пользователь поблагодарил andreysur за это полезное сообщение:

    Protom(07.09.2020)

  11. #1270

    Регистрация
    02.02.2010
    Адрес
    Степное
    Сообщений
    601
    Спасибо Благодарностей отдано 
    75
    Спасибо Благодарностей получено 
    18
    Поблагодарили
    14 сообщений
    Mentioned
    0 Post(s)
    Tagged
    0 Thread(s)

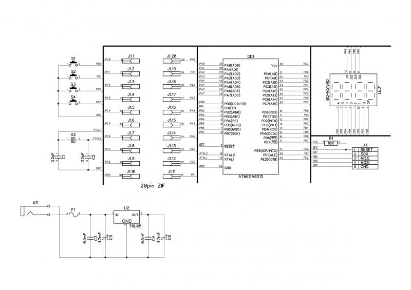
    По умолчанию Конструктор "тестер микросхем"

    Добрый вечер!
    Прошу помощи и консультации, купил конструктор так называемый "тестер микросхем" собрал при включении высвечивается то что фото, что это обозначает... объясните для начала...Нажмите на изображение для увеличения. 

Название:	PB080118.jpg 
Просмотров:	513 
Размер:	40.2 Кб 
ID:	73878Нажмите на изображение для увеличения. 

Название:	ICTester_схема.jpg 
Просмотров:	422 
Размер:	46.0 Кб 
ID:	73879 Как я понимаю должна высвечиваться версия ПО..
    Последний раз редактировалось sergey_sitnik; 09.11.2020 в 22:35.

Страница 127 из 136 ПерваяПервая ... 123124125126127128129130131 ... ПоследняяПоследняя

Информация о теме

Пользователи, просматривающие эту тему

Эту тему просматривают: 1 (пользователей: 0 , гостей: 1)

Похожие темы

  1. Набор логики для сборки Ленинград-1
    от moxjemi в разделе Барахолка (архив)
    Ответов: 49
    Последнее: 10.01.2012, 16:43
  2. Вопрос к знатокам - Универсальный тестер логики???
    от CodeMaster в разделе Оборудование
    Ответов: 14
    Последнее: 05.04.2010, 09:56
  3. Использование PIC в качестве логики
    от ILoveSpeccy в разделе Несортированное железо
    Ответов: 56
    Последнее: 03.04.2007, 16:20
  4. ТЕСТЕР микросхем логики
    от Mikka_A в разделе Оборудование
    Ответов: 29
    Последнее: 19.03.2007, 22:46

Ваши права

  • Вы не можете создавать новые темы
  • Вы не можете отвечать в темах
  • Вы не можете прикреплять вложения
  • Вы не можете редактировать свои сообщения
  •