Важная информация

User Tag List

Страница 7 из 24 ПерваяПервая ... 34567891011 ... ПоследняяПоследняя
Показано с 61 по 70 из 232

Тема: Enterprise 64/128/256 есть владельцы:)?

  1. #61

    Регистрация
    18.02.2011
    Адрес
    г. Томск
    Сообщений
    294
    Спасибо Благодарностей отдано 
    75
    Спасибо Благодарностей получено 
    15
    Поблагодарили
    12 сообщений
    Mentioned
    0 Post(s)
    Tagged
    0 Thread(s)

    По умолчанию

    Маленько демонстрации Megademo. Выглядит у меня так.

  2. #61
    С любовью к вам, Yandex.Direct
    Размещение рекламы на форуме способствует его дальнейшему развитию

  3. #62

    Регистрация
    16.08.2008
    Адрес
    Львов (Украина)
    Сообщений
    466
    Спасибо Благодарностей отдано 
    146
    Спасибо Благодарностей получено 
    69
    Поблагодарили
    53 сообщений
    Mentioned
    0 Post(s)
    Tagged
    0 Thread(s)

    По умолчанию

    Сеговский джой только у разъёма переделывал или дорожки пилить пришлось?
    Звук лучше выставлять на такую громкость чтоб квадрат (справа от надписи SEARCH) моргал зелёно-красным.

    Насчёт демки.... Я на реале не все демки проверял. Надо будет глянуть.
    Это оно так по-настоящему дико моргает или последствия видео?

  4. #63

    Регистрация
    18.02.2011
    Адрес
    г. Томск
    Сообщений
    294
    Спасибо Благодарностей отдано 
    75
    Спасибо Благодарностей получено 
    15
    Поблагодарили
    12 сообщений
    Mentioned
    0 Post(s)
    Tagged
    0 Thread(s)

    По умолчанию

    Сеговский джой только у разъёма переделывал или дорожки пилить пришлось?
    Пилил дороги, вместо резинок кнопки поставил и автофаер туда заделал еще (где-то схемку в сети видел).
    Это оно так по-настоящему дико моргает или последствия видео?
    Скорее видео, в реале терпимо (демка неудачная, мне Soundtracker Demo 1-3 понравились).

    ---------- Post added at 17:04 ---------- Previous post was at 15:40 ----------

    Цитата Сообщение от Gektor_rus Посмотреть сообщение
    6. Измерил температуру радиатора ч/з 30 минут (70 гр.) после включения и 1ч. 30мин. (76 гр. фото не делал) думаю решетку радиатора снять для лучшей вентиляции.
    Без решетки температура держится в районе 74 градусов
    Последний раз редактировалось Gektor_rus; 12.03.2014 в 14:21.

  5. #64

    Регистрация
    16.08.2008
    Адрес
    Львов (Украина)
    Сообщений
    466
    Спасибо Благодарностей отдано 
    146
    Спасибо Благодарностей получено 
    69
    Поблагодарили
    53 сообщений
    Mentioned
    0 Post(s)
    Tagged
    0 Thread(s)

    По умолчанию

    Можно фотку разобранного джоя? + схемку.

    Хочу свой джойстик "оживить" (только шнур прилепить) + приделать автофайр (благо есть дополнительные кнопки)
    https://www.dropbox.com/s/hea48hmclg...9_DSCN0919.jpg
    https://www.dropbox.com/s/0bxulxd043...9_SP_A1797.jpg (крестовина когда-то чинилась после Renegade )

    А потом и Сеговский присобачить, но в нём только распиновку подобрать.

    Кстати, встроенный джой лучше игрушками не напрягать. Раз мембрана старая и местами уже была потрескана, то были случаи что и она под кнопками может потрескаться - от старости мембрана становится хрупкой (были случаи).
    Это слабое место всех Энтерпрайзов. У меня шлейф клавиатурный был конкретно урезан, что я просто боялся в комп лезть - боялся, что обратно не соберу.

    А за температуру не переживай - это у всех так.

  6. #65

    Регистрация
    18.02.2011
    Адрес
    г. Томск
    Сообщений
    294
    Спасибо Благодарностей отдано 
    75
    Спасибо Благодарностей получено 
    15
    Поблагодарили
    12 сообщений
    Mentioned
    0 Post(s)
    Tagged
    0 Thread(s)

    По умолчанию

    Можно фотку разобранного джоя? + схемку.
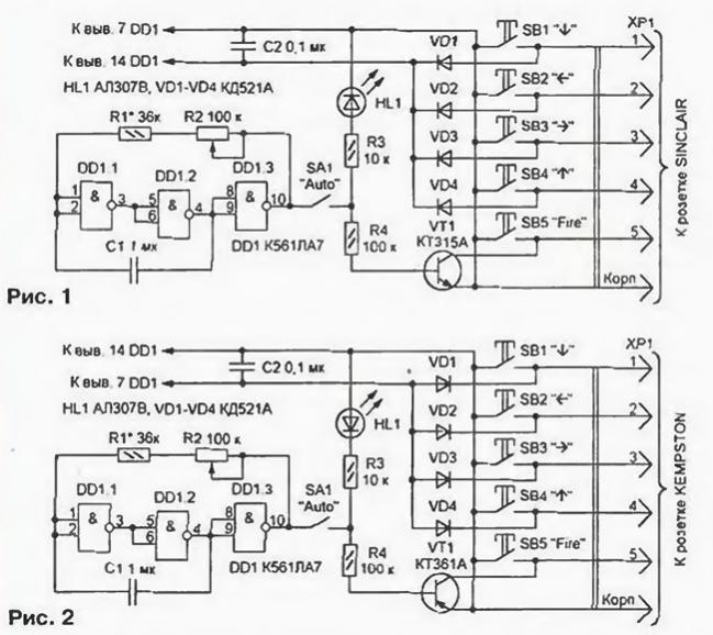
    Вот, сходу нашел схемку и пояснение, остальное - завтра. Джой сегодня уже разбирать не охота (снимки делал, где-то валяются искать надо).
    Миниатюры Миниатюры Нажмите на изображение для увеличения. 

Название:	2000-3-33.jpg 
Просмотров:	179 
Размер:	61.8 Кб 
ID:	46525  
    Вложения Вложения
    Последний раз редактировалось Gektor_rus; 12.03.2014 в 15:53. Причина: Формат в архиве ODT, заменил на PDF

  7. #66

    Регистрация
    18.02.2011
    Адрес
    г. Томск
    Сообщений
    294
    Спасибо Благодарностей отдано 
    75
    Спасибо Благодарностей получено 
    15
    Поблагодарили
    12 сообщений
    Mentioned
    0 Post(s)
    Tagged
    0 Thread(s)

    По умолчанию

    крестовина когда-то чинилась после Renegade
    А я так на "палках" и не наловчился играть. Обычно QAOP+M, потом уже джои нес-сега.
    Кстати, встроенный джой лучше игрушками не напрягать. Раз мембрана старая и местами уже была потрескана, то были случаи что и она под кнопками может потрескаться - от старости мембрана становится хрупкой (были случаи).
    В трещинах на сгибе у платы было - подсохло (все-таки температура от стабилизаторов не есть гуд), остальная часть довольно сносная. Клей, который соединяет пленки эластичный и клеющих свойств еще не потерял (когда подрезал расслаивалось с трудом и контакты скатыванием клея зачищал, ацетон-спирт побоялся применить). Сам комп с полгода юзался всего (кроме кассеты, что с ним шла ничего не было, бейсик не в счет) остальное время в пакете с доками лежал. Если бы Автофаер не начал бы делать, то и Ентерпрайз бы не достал
    Последний раз редактировалось Gektor_rus; 12.03.2014 в 18:38.

  8. #67

    Регистрация
    16.08.2008
    Адрес
    Львов (Украина)
    Сообщений
    466
    Спасибо Благодарностей отдано 
    146
    Спасибо Благодарностей получено 
    69
    Поблагодарили
    53 сообщений
    Mentioned
    0 Post(s)
    Tagged
    0 Thread(s)

    По умолчанию

    Показать что-ли свою старую (оригинальную) мембрану....
    После этой фотки я ещё пытался вырезать дорожки из жестяной банки из под колы. Работало через раз, но зато хоть как-то работало. Потом меня всё это задолбало (лет 17 как перестало нормально работать) и я таки заказал для себя любимого на ДР новодел.
    https://dl.dropboxusercontent.com/u/...9_DSCN0921.jpg

  9. #68

    Регистрация
    18.02.2011
    Адрес
    г. Томск
    Сообщений
    294
    Спасибо Благодарностей отдано 
    75
    Спасибо Благодарностей получено 
    15
    Поблагодарили
    12 сообщений
    Mentioned
    0 Post(s)
    Tagged
    0 Thread(s)

    По умолчанию

    Цитата Сообщение от Gektor_rus Посмотреть сообщение
    остальное - завтра
    Разбирать не пришлось . Нашел результаты своего "творчества" (сильно не ржать, занимался этим впервые). Лежит тут
    ... Да, это разводка под "Kempston", а в Ентерпрайзе еще не смотрел, внешние вроде Sinclair должны быть

    ---------- Post added at 08:53 ---------- Previous post was at 08:23 ----------

    До кучи отсканировал мануал, который пришел вместе с Enterprise 128, выписанный в 1996 году по талону, указанному в журнале "Техника-молодежи" 1996-01 стр.29.
    На втором листе кусочек оторван
    Последний раз редактировалось Gektor_rus; 13.03.2014 в 05:27.

  10. #69

    Регистрация
    29.08.2012
    Адрес
    Анапа
    Сообщений
    610
    Спасибо Благодарностей отдано 
    0
    Спасибо Благодарностей получено 
    0
    Поблагодарили
    0 сообщений
    Mentioned
    6 Post(s)
    Tagged
    0 Thread(s)

    Unhappy

    У... Я уже губу раскатал, на русское описание IS-Барсика.

    Вот лентяи, за столько лет не перевели фирменное руководство...
    Для Commodore 64 перевод был полный мануала, еще году в 92м.
    «Земля - слишком маленькая и хрупкая корзина, для того чтобы человечество держало в ней все свои яйца…» - Роберт Энсон Хайнлайн.
    Электроника МК-61, Psion series 5mx.

    Всем умеющим читать советую http://www.skeptik.net/conspir/moonhoax.htm http://lurkmore.to/Лунный_заговор

  11. #70

    Регистрация
    18.02.2011
    Адрес
    г. Томск
    Сообщений
    294
    Спасибо Благодарностей отдано 
    75
    Спасибо Благодарностей получено 
    15
    Поблагодарили
    12 сообщений
    Mentioned
    0 Post(s)
    Tagged
    0 Thread(s)

    По умолчанию

    У... Я уже губу раскатал, на русское описание IS-Барсика

    ЗЫ... пилю SCART разъем, краснодеревщиком мне не быть
    Совесть заела - переделал разъемчик, вроде половчее получился...

    ЗЫ... Корпус от планки разъема COM-порта.
    ЗЗЫ... Еще на джои сделал. До кучи...
    Миниатюры Миниатюры Нажмите на изображение для увеличения. 

Название:	monitor_connector_1.jpg 
Просмотров:	263 
Размер:	37.8 Кб 
ID:	46554   Нажмите на изображение для увеличения. 

Название:	monitor_connector_2.jpg 
Просмотров:	264 
Размер:	39.3 Кб 
ID:	46555   Нажмите на изображение для увеличения. 

Название:	monitor_connector_3.jpg 
Просмотров:	243 
Размер:	37.5 Кб 
ID:	46557   Нажмите на изображение для увеличения. 

Название:	monitor_connector_4.jpg 
Просмотров:	230 
Размер:	41.7 Кб 
ID:	46558  
    Последний раз редактировалось Gektor_rus; 13.03.2014 в 13:38.

Страница 7 из 24 ПерваяПервая ... 34567891011 ... ПоследняяПоследняя

Информация о теме

Пользователи, просматривающие эту тему

Эту тему просматривают: 1 (пользователей: 0 , гостей: 1)

Похожие темы

  1. Ответов: 31
    Последнее: 04.02.2011, 23:09
  2. Enterprise 128
    от KillaOR в разделе Барахолка (архив)
    Ответов: 5
    Последнее: 06.08.2010, 12:21
  3. Ответов: 11
    Последнее: 16.03.2010, 19:00
  4. Ответов: 0
    Последнее: 16.02.2009, 00:21
  5. владельцы 1200ки, отзовитесь
    от F0lken в разделе Amiga
    Ответов: 32
    Последнее: 12.05.2008, 17:13

Ваши права

  • Вы не можете создавать новые темы
  • Вы не можете отвечать в темах
  • Вы не можете прикреплять вложения
  • Вы не можете редактировать свои сообщения
  •