User Tag List

Страница 6 из 20 ПерваяПервая ... 2345678910 ... ПоследняяПоследняя
Показано с 51 по 60 из 198

Тема: Сборка Микро-80

  1. #51

    Регистрация
    26.02.2010
    Адрес
    Запорожье
    Сообщений
    2,171
    Спасибо Благодарностей отдано 
    0
    Спасибо Благодарностей получено 
    0
    Поблагодарили
    0 сообщений
    Mentioned
    0 Post(s)
    Tagged
    0 Thread(s)
    .

  2. #52

    Регистрация
    01.12.2010
    Адрес
    г. Санкт-Петербург
    Сообщений
    1,657
    Записей в дневнике
    21
    Спасибо Благодарностей отдано 
    0
    Спасибо Благодарностей получено 
    3
    Поблагодарили
    2 сообщений
    Mentioned
    0 Post(s)
    Tagged
    0 Thread(s)

    По умолчанию

    Я не собираюсь его в стойку ставить. Он будет на полке стоять.

  3. #53

    Регистрация
    01.12.2010
    Адрес
    г. Санкт-Петербург
    Сообщений
    1,657
    Записей в дневнике
    21
    Спасибо Благодарностей отдано 
    0
    Спасибо Благодарностей получено 
    3
    Поблагодарили
    2 сообщений
    Mentioned
    0 Post(s)
    Tagged
    0 Thread(s)

    По умолчанию

    Список микросхем и светодиодов используемых в Микро-80. Тут еще нет деталей для модуля загрузки с SD-карты.
    Вложения Вложения

  4. #54

    Регистрация
    01.12.2010
    Адрес
    г. Санкт-Петербург
    Сообщений
    1,657
    Записей в дневнике
    21
    Спасибо Благодарностей отдано 
    0
    Спасибо Благодарностей получено 
    3
    Поблагодарили
    2 сообщений
    Mentioned
    0 Post(s)
    Tagged
    0 Thread(s)

    По умолчанию

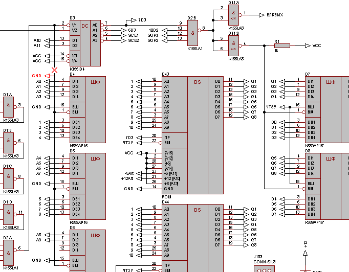
    В журнале Радио приведена неработоспособная схема модуля ПЗУ. Что бы она заработала, надо подать на 1 ноги микросхем D3-D6 землю.

    После перезагрузки процессора, все адресное пространство занимает первая ПЗУ, которая обычно находится по адресу 0xF800-0xFBFF. Этим занимается "схема начального запуска микроЭВМ". Без указанной доработки, при обращении к адресам отличным от 0xF000-0xFFFF, шинные формирователи (буферы) D3-D6 оказываются выключены и получается полная ерунда.

    Мне стало интересно, а как же другие собирали и я открыл схему Прусака. Он сделал так же.
    Миниатюры Миниатюры Нажмите на изображение для увеличения. 

Название:	micro80_rom4.jpg 
Просмотров:	687 
Размер:	69.7 Кб 
ID:	30718   Нажмите на изображение для увеличения. 

Название:	micro80_rom_cir1.png 
Просмотров:	602 
Размер:	10.6 Кб 
ID:	30721  
    Последний раз редактировалось vinxru; 11.11.2011 в 09:34.

  5. #55

    Регистрация
    01.12.2010
    Адрес
    г. Санкт-Петербург
    Сообщений
    1,657
    Записей в дневнике
    21
    Спасибо Благодарностей отдано 
    0
    Спасибо Благодарностей получено 
    3
    Поблагодарили
    2 сообщений
    Mentioned
    0 Post(s)
    Tagged
    0 Thread(s)

    По умолчанию

    К589АП16 и К589АП26 даже без нагрузки греются до 40-50 ' C и пахнут. Чувствую, что компьютер получится "теплый и ламповый".

    В схеме есть еще один маленький косяк. После перезагрузки процессора, все адресное пространство занимает первая ПЗУ, которая обычно находится по адресу 0xF800-0xFBFF. Этим занимается "схема начального запуска микроЭВМ". Триггер, который активируется сбросом, а деактивируется обращением в диапазону адресов 0xF800-0xFBFF. Это триггер отключает динамическую память и (без условий) включает первую ПЗУ.

    После перезагрузки процессор читает из памяти команду по адресу 0x0000. И это оказывается ПЗУ, а там находится команда JP 0xF81B (команда перехода на адрес 0xF81B). Поэтому вторую после перезагрузки команду процессор читает уже по адресу 0xF81B, а обращение по этому адресу вызывает отключение ПЗУ от остального адресного пространства.

    И еще есть замечания:

    Статическая память и вторая ПЗУ не отключаются триггером. Если после перезагрузки процессор обратится к адресам 0xF000-0xF7FF, 0xFC00-0xFFFF раньше чем к 0xF800-0xFBFF, то одновременно включатся две ПЗУ (или ПЗУ и СОЗУ). То есть выходы микросхем ПЗУ/СОЗУ замкнутся друг на друга.

    А еще, переходные процессы на шине адреса могут отключить схему начального запуска микроЭВМ. Надо было помимо адреса, еще и наличие сигналов ЧТЗУ/ЗПЗУ проверять.

    Но все это маловероятно.
    Последний раз редактировалось vinxru; 11.11.2011 в 09:35.

  6. #56

    Регистрация
    01.12.2010
    Адрес
    г. Санкт-Петербург
    Сообщений
    1,657
    Записей в дневнике
    21
    Спасибо Благодарностей отдано 
    0
    Спасибо Благодарностей получено 
    3
    Поблагодарили
    2 сообщений
    Mentioned
    0 Post(s)
    Tagged
    0 Thread(s)

    По умолчанию

    Схема памяти стабильно не работает на частоте 8 Мгц. Цепочка ЛА3-ИД4-ЛА1-ЛА8-АП16 не успевает отключится от шины данных за это время. И при последовательном чтении адресного пространства появлятся значение по адресу 0xEFFF или 0x0000. Это не удивительно. Немного удивили напряжения на выходах микросхем (в статическом режиме, на частотах меньше 1 Гц). Там далеко не 0 и 5 Вольт, а иногда и 3.3 Вольта.
    Последний раз редактировалось vinxru; 11.11.2011 в 10:19.

  7. #57

    Регистрация
    01.12.2010
    Адрес
    г. Санкт-Петербург
    Сообщений
    1,657
    Записей в дневнике
    21
    Спасибо Благодарностей отдано 
    0
    Спасибо Благодарностей получено 
    3
    Поблагодарили
    2 сообщений
    Mentioned
    0 Post(s)
    Tagged
    0 Thread(s)

    По умолчанию

    Перезагрузка процессора после включения не срабатывает.

    Я таки запустил компьютер, но без клавиатуры или модуля отладки работать с ним невозможно. Я вставлял микросхемы задом на перед, у меня отваливался провод +12 Вольт, я нечаянно впаял конденсатор между адресными линиями памяти, у меня замкнуло -5 Вольт на выход микросхемы, но ничего не сгорело. Ура. Теперь буду делать модуль клавиатуры+магнитофона+PS/2 адаптера.
    Миниатюры Миниатюры Нажмите на изображение для увеличения. 

Название:	micro80_cpurunned1.jpg 
Просмотров:	624 
Размер:	53.3 Кб 
ID:	30732   Нажмите на изображение для увеличения. 

Название:	micro80_cpurunned2.jpg 
Просмотров:	658 
Размер:	80.0 Кб 
ID:	30733   Нажмите на изображение для увеличения. 

Название:	micro80_cpurunned3.jpg 
Просмотров:	691 
Размер:	63.0 Кб 
ID:	30734  
    Последний раз редактировалось vinxru; 12.11.2011 в 01:55.

  8. #58
    HardWareMan
    Гость

    По умолчанию

    Зачетно! Жду продолжения банкета!

  9. #59

    Регистрация
    01.12.2010
    Адрес
    г. Санкт-Петербург
    Сообщений
    1,657
    Записей в дневнике
    21
    Спасибо Благодарностей отдано 
    0
    Спасибо Благодарностей получено 
    3
    Поблагодарили
    2 сообщений
    Mentioned
    0 Post(s)
    Tagged
    0 Thread(s)

    По умолчанию

    У меня есть только две платы из десяти. Видеоплаты надо переделывать. А еще делать корпус, переднюю панель и блок питания. И переносить софт.

    Так что работы еще много.

    Уже посмотрел на Тетрис от ЮТ-88. Именно на него, потому что он самый маленький. Тетрис использует для ввода-вывода Монитор. Проблема в том, что он использует ESC-последовательности не поддерживаемые Микро-80. Надо заменить вызов монитора на вызов собственной функции, которая будет обрабатывать ESC-последовательности.

    Вот Тетрис ЮТ-88 перенесенный на ZX описанным выше способом (подменой вызова монитора, вызовом собственной функции). Разрешения у ZX не хватает.
    Миниатюры Миниатюры Нажмите на изображение для увеличения. 

Название:	3.jpg 
Просмотров:	583 
Размер:	70.0 Кб 
ID:	30755  
    Последний раз редактировалось vinxru; 12.11.2011 в 20:10.

  10. #60

    Регистрация
    01.12.2010
    Адрес
    г. Санкт-Петербург
    Сообщений
    1,657
    Записей в дневнике
    21
    Спасибо Благодарностей отдано 
    0
    Спасибо Благодарностей получено 
    3
    Поблагодарили
    2 сообщений
    Mentioned
    0 Post(s)
    Tagged
    0 Thread(s)

    По умолчанию

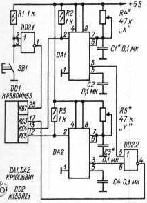
    Для Микро-80 разработано простое устройство ввода данных, функционально аналогичное манипулятору "мышь". Его принципиальная схема изображена на рис.1, возможный вариант внешнего оформления - на рис.2. Устройство состоит из двух одновибраторов (DA1, DA2), в частотозадающие цепи которых включены переменные резисторы R4 и R5. Длительность выходных импульсов пропорциональна углу поворота движка соответствующего резистора. При вводе данных резистором R4 (ось X) управляют большим пальцем правой руки. резистором R5 (ось X) - средним, а кнопкой SBI - указательным.

    Для подключения к микро-ЭВМ используют свободные порты ППА КР580ИК55, предназначенного для обслуживания клавиатуры.

    -----------------

    Так что модуль "Клавиатуры и Магнитофона", так же будет модулем "Мыши". Обязательно соберу такую мышь.

    Плата модуля уже протравлена и просверлена, осталось запаять детали.
    Миниатюры Миниатюры Нажмите на изображение для увеличения. 

Название:	M80PrgBasp1.jpg 
Просмотров:	424 
Размер:	23.8 Кб 
ID:	30813   Нажмите на изображение для увеличения. 

Название:	M80PrgBasp2.jpg 
Просмотров:	407 
Размер:	14.2 Кб 
ID:	30814  

Страница 6 из 20 ПерваяПервая ... 2345678910 ... ПоследняяПоследняя

Информация о теме

Пользователи, просматривающие эту тему

Эту тему просматривают: 1 (пользователей: 0 , гостей: 1)

Похожие темы

  1. Продается микро-ЭВМ Электроника МК-90
    от SysCat в разделе Барахолка (архив)
    Ответов: 2
    Последнее: 12.02.2012, 17:51
  2. Альтернативный Микро 80
    от _Andrey в разделе Разное
    Ответов: 78
    Последнее: 15.11.2011, 14:31
  3. микро-демка
    от ALKO в разделе Демо
    Ответов: 0
    Последнее: 08.10.2011, 11:34
  4. Микро-80. Обмен
    от 3IPL в разделе Барахолка (архив)
    Ответов: 17
    Последнее: 16.07.2011, 12:04
  5. Схема Микро-80
    от Prusak в разделе Разное
    Ответов: 22
    Последнее: 30.03.2011, 12:45

Ваши права

  • Вы не можете создавать новые темы
  • Вы не можете отвечать в темах
  • Вы не можете прикреплять вложения
  • Вы не можете редактировать свои сообщения
  •