Важная информация

User Tag List

Страница 12 из 54 ПерваяПервая ... 8910111213141516 ... ПоследняяПоследняя
Показано с 111 по 120 из 531

Тема: Контроллер клавиатуры для "Пентагон-128" на ATMega8/48/88/168/328

  1. #111

    Регистрация
    02.01.2007
    Адрес
    Волгоград, Россия
    Сообщений
    1,454
    Спасибо Благодарностей отдано 
    196
    Спасибо Благодарностей получено 
    161
    Поблагодарили
    99 сообщений
    Mentioned
    5 Post(s)
    Tagged
    0 Thread(s)

    По умолчанию

    Цитата Сообщение от roma Посмотреть сообщение
    Кто нибудь пробовал подключать данный контроллер или другой контроллер Keyb&Sync к зелёному Scorpion 256? У кого нибудь он заработал?
    Вполне возможно, что мне придётся делать это. Опишись, пожалуйста, по результату.

  2. #112

    Регистрация
    15.07.2009
    Адрес
    Череповец
    Сообщений
    1,803
    Спасибо Благодарностей отдано 
    178
    Спасибо Благодарностей получено 
    65
    Поблагодарили
    50 сообщений
    Mentioned
    0 Post(s)
    Tagged
    0 Thread(s)

    По умолчанию

    Про A0 не забыл? Между жёлтым и зелёным нет разницы в опросе клавиатуры. Я к жёлтому подключил без проблем (проблемы были, но по причине ошибок монтажа, и после исправления всё сразу заработало). Ну и кварц может надо поменять на 20Мгц.

    "для подключения к скорпиону, нужно сделать доработку на плате контроллера клавиатуры.
    Cигнал A0 нужно брать с 1 - й ноги ЛЛ1(LS32) на плате контроллера клавиатуры. Только сначала нужно на 1-й ноге ЛЛ1 сделать разрез дорожки, освободить от GND"

    http://zx.pk.ru/showpost.php?p=612385&postcount=81
    Последний раз редактировалось Gutten; 26.04.2014 в 15:58.

  3. #113

    Регистрация
    10.12.2012
    Адрес
    г. Петрозаводск
    Сообщений
    610
    Спасибо Благодарностей отдано 
    47
    Спасибо Благодарностей получено 
    1
    Поблагодарили
    1 сообщение
    Mentioned
    0 Post(s)
    Tagged
    0 Thread(s)

    По умолчанию

    Стал собирать этот контроллер и не могу понять, обозначения на схеме не соответствуют обозначениям монтажной схемы. Но это ладно, может я чего не то смотрю. Меня больше всего смущают 3 конденсатора.
    Если смотреть по схеме, то это три параллельно включенных С24, С25 и С28, а если смотреть по монтажке, то это С4, С5 и С6, причем С4 и С5 вообще явно рядом запараллелены. Зачем ?
    Scorpion ZS-256, ZX Spectrum +3, ZX-Evolution & NeoGS, Поиск-1, Scorpion ZS 1024 Turbo+

  4. #114

    Регистрация
    17.09.2010
    Адрес
    г. Днепропетровск
    Сообщений
    3,222
    Спасибо Благодарностей отдано 
    24
    Спасибо Благодарностей получено 
    20
    Поблагодарили
    11 сообщений
    Mentioned
    3 Post(s)
    Tagged
    0 Thread(s)

    По умолчанию

    Цитата Сообщение от Quest Посмотреть сообщение
    Стал собирать этот контроллер и не могу понять, обозначения на схеме не соответствуют обозначениям монтажной схемы. Но это ладно, может я чего не то смотрю. Меня больше всего смущают 3 конденсатора.
    Если смотреть по схеме, то это три параллельно включенных С24, С25 и С28, а если смотреть по монтажке, то это С4, С5 и С6, причем С4 и С5 вообще явно рядом запараллелены. Зачем ?
    Перерисованная схема затерялась, добавил ту с которой перерисовывал, оригинал схема Кай 2010. Обозначение деталей в начале топика есть в списке деталей. Там все детали соответствуют деталям на шелкографии. С4 и С5 расстояние между конденсаторами больше чем между диодов, так что припаять можно без проблем. Керамика и танталовый конденсаторы, запаралеленные, что-бы убрать высокочастотный и низкочастотный шум.
    Если в личке не отвечаю, есть связь через почту zoreldnepr(собака)gmail(точка)com
    ATM-turbo 2+ v7.10+General Sound+FloppyEmul+HDD(Tasis/Xcomander CP/M)
    Неофициальный сайт об Орель БК-08 и не только.

  5. #115

    Регистрация
    06.06.2013
    Адрес
    г. Москва
    Сообщений
    285
    Спасибо Благодарностей отдано 
    3
    Спасибо Благодарностей получено 
    10
    Поблагодарили
    4 сообщений
    Mentioned
    0 Post(s)
    Tagged
    0 Thread(s)

    По умолчанию

    Народ, пытаюсь подключить данную схему к классическому 128 пентану
    никакого эффекта, при запуске на секунду экран показывает полосы, потом проходит ресет ( с платы контроллера), появляется меню , но на клавиши не реагирует.
    на плате контролере на 2 секунды загореться светодиод, потом гаснет.
    на клавиатуре как и положено при включении питания загораются светодиоды и гаснут
    в чем может быть затык? куда копать?

    p.s. atmega 48 прошивка KBD13_48

  6. #116

    Регистрация
    14.04.2015
    Адрес
    г. Воткинск
    Сообщений
    500
    Спасибо Благодарностей отдано 
    97
    Спасибо Благодарностей получено 
    36
    Поблагодарили
    27 сообщений
    Mentioned
    0 Post(s)
    Tagged
    0 Thread(s)

    По умолчанию

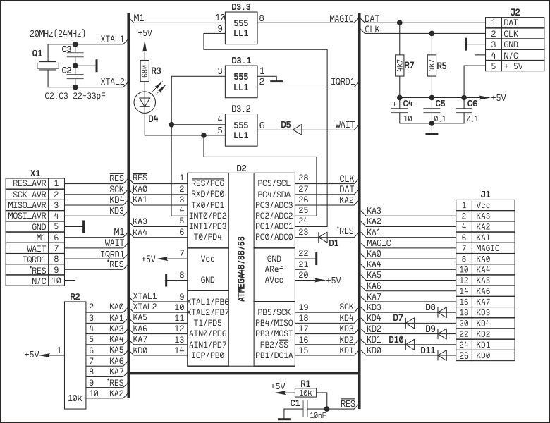
    Буду собирать. Отрисовал схему по плате ZOREL-а. Может кому пригодится.
    Нажмите на изображение для увеличения. 

Название:	scheme_zorel.jpg 
Просмотров:	2034 
Размер:	89.9 Кб 
ID:	52878
    Последний раз редактировалось Mor-Da; 17.07.2015 в 13:24.
    Karabas Pro Rev.E / MiST 1.31 / ZX-Evolution (Rev.C4 + VDAC2 + ZiFi) / ZX Spectrum 128K +2B / DivGMX / ReVerSE-U16 (EP4CE22+16M16+TS-Conf) / Пентагон-128К (2014) PS/2, NemoIDE / Компаньон-2 (1994)

  7. #117

    Регистрация
    03.07.2005
    Адрес
    Санкт-Петербург
    Сообщений
    10,168
    Спасибо Благодарностей отдано 
    147
    Спасибо Благодарностей получено 
    84
    Поблагодарили
    55 сообщений
    Mentioned
    1 Post(s)
    Tagged
    0 Thread(s)

    По умолчанию

    Дык в первом посте не то же разве?
    ScorpEvo ZS 1024 turbo+ CF-HDD/FDD/Mouse/SMUC 3.1/ProfROMse/NeoGS/ZC
    Speccy-2007 128/AY/TR-DOS

    Сайт с документацией к "Scorpion ZS 256"

  8. #118

    Регистрация
    14.04.2015
    Адрес
    г. Воткинск
    Сообщений
    500
    Спасибо Благодарностей отдано 
    97
    Спасибо Благодарностей получено 
    36
    Поблагодарили
    27 сообщений
    Mentioned
    0 Post(s)
    Tagged
    0 Thread(s)

    По умолчанию

    Дык в первом посте не то же разве?
    Там "огрызок" от общей схемы KAY, с несоответствием фактически на плате от ZOREL.
    Последний раз редактировалось Mor-Da; 17.07.2015 в 13:20.
    Karabas Pro Rev.E / MiST 1.31 / ZX-Evolution (Rev.C4 + VDAC2 + ZiFi) / ZX Spectrum 128K +2B / DivGMX / ReVerSE-U16 (EP4CE22+16M16+TS-Conf) / Пентагон-128К (2014) PS/2, NemoIDE / Компаньон-2 (1994)

  9. #119

    Регистрация
    17.09.2010
    Адрес
    г. Днепропетровск
    Сообщений
    3,222
    Спасибо Благодарностей отдано 
    24
    Спасибо Благодарностей получено 
    20
    Поблагодарили
    11 сообщений
    Mentioned
    3 Post(s)
    Tagged
    0 Thread(s)

    По умолчанию

    Цитата Сообщение от Mor-Da Посмотреть сообщение
    Буду собирать. Отрисовал схему по плате ZOREL-а. Может кому пригодится.
    Вложение 52877
    Спасибо за схему, добавил ссылку на Ваш пост в первом сообщении.
    Если в личке не отвечаю, есть связь через почту zoreldnepr(собака)gmail(точка)com
    ATM-turbo 2+ v7.10+General Sound+FloppyEmul+HDD(Tasis/Xcomander CP/M)
    Неофициальный сайт об Орель БК-08 и не только.

  10. #120

    Регистрация
    06.06.2013
    Адрес
    г. Москва
    Сообщений
    285
    Спасибо Благодарностей отдано 
    3
    Спасибо Благодарностей получено 
    10
    Поблагодарили
    4 сообщений
    Mentioned
    0 Post(s)
    Tagged
    0 Thread(s)

    По умолчанию

    а у меня так и не заработало

Страница 12 из 54 ПерваяПервая ... 8910111213141516 ... ПоследняяПоследняя

Информация о теме

Пользователи, просматривающие эту тему

Эту тему просматривают: 1 (пользователей: 0 , гостей: 1)

Похожие темы

  1. Ответов: 112
    Последнее: 03.08.2020, 16:24
  2. Ответов: 3
    Последнее: 16.10.2010, 14:04
  3. Продам плату "Пентагон-128K" + примочки
    от Atari в разделе Барахолка (архив)
    Ответов: 3
    Последнее: 20.03.2010, 13:30
  4. Продам печатные платы: от "Львов-48" и клавиатуры
    от Tim0xA в разделе Барахолка (архив)
    Ответов: 9
    Последнее: 27.12.2008, 16:41
  5. Ответов: 3
    Последнее: 23.07.2007, 19:10

Ваши права

  • Вы не можете создавать новые темы
  • Вы не можете отвечать в темах
  • Вы не можете прикреплять вложения
  • Вы не можете редактировать свои сообщения
  •