User Tag List

Страница 49 из 54 ПерваяПервая ... 454647484950515253 ... ПоследняяПоследняя
Показано с 481 по 490 из 531

Тема: Контроллер клавиатуры для "Пентагон-128" на ATMega8/48/88/168/328

  1. #481

    Регистрация
    14.05.2015
    Адрес
    г. Харьков, Украина
    Сообщений
    2,940
    Спасибо Благодарностей отдано 
    150
    Спасибо Благодарностей получено 
    302
    Поблагодарили
    171 сообщений
    Mentioned
    4 Post(s)
    Tagged
    1 Thread(s)

    По умолчанию

    serg_svd, вот не помню ник товарища ,он только его собрал и к пентагону прицепил ,и у него все ок вроде , попробую постучать ему ,может ,что подскажет тебе.
    Увы общий формат форума вышел из рамок моего любимого места , более тут не бываю.

  2. #481
    С любовью к вам, Yandex.Direct
    Размещение рекламы на форуме способствует его дальнейшему развитию

  3. #482

    Регистрация
    14.05.2020
    Адрес
    г. Пятигорск
    Сообщений
    77
    Спасибо Благодарностей отдано 
    7
    Спасибо Благодарностей получено 
    2
    Поблагодарили
    2 сообщений
    Mentioned
    0 Post(s)
    Tagged
    0 Thread(s)

    По умолчанию

    JV-Soft, у Пентагона схема немного иная. В частности, формирование сигнала /RDFE я смотрел вообще по схеме Ленинграда. А так здесь проскочило упоминание о подключении данного контроллера к такой же плате, как у меня. Я написал в личку romancha, может он еще что подскажет.

  4. #483

    Регистрация
    30.10.2018
    Адрес
    г. Алматы, Казахстан
    Сообщений
    297
    Спасибо Благодарностей отдано 
    1
    Спасибо Благодарностей получено 
    11
    Поблагодарили
    10 сообщений
    Mentioned
    0 Post(s)
    Tagged
    0 Thread(s)

    По умолчанию

    Добрый день.
    Странная штука но у меня эта железка заработала почти сразу. Проблема была в том, что изначально присланный "pic" не был прошит.
    Купил другой, прошил и все заработало.

  5. #484

    Регистрация
    06.02.2009
    Адрес
    Кемерово
    Сообщений
    1,410
    Спасибо Благодарностей отдано 
    73
    Спасибо Благодарностей получено 
    227
    Поблагодарили
    161 сообщений
    Mentioned
    3 Post(s)
    Tagged
    0 Thread(s)

    По умолчанию

    AndyP, вы не путаете с этим?
    https://zx-pk.ru/threads/24088-zx-hi...er/page13.html
    ПК8010 "Корвет"+ExtRom+AY, Atari 65XE+SDrive, Дельта-С(52ИС)+AY, Scorpion ZS 1024+SMUC

  6. #485

    Регистрация
    30.10.2018
    Адрес
    г. Алматы, Казахстан
    Сообщений
    297
    Спасибо Благодарностей отдано 
    1
    Спасибо Благодарностей получено 
    11
    Поблагодарили
    10 сообщений
    Mentioned
    0 Post(s)
    Tagged
    0 Thread(s)

    По умолчанию Контроллер клавиатуры для "Пентагон-128" на ATMega8/48/88/168/328

    Нет. Не путаю. Там была проблема в самой клавиатуре.
    А этот контроллер вот.


  7. #486

    Регистрация
    06.02.2009
    Адрес
    Кемерово
    Сообщений
    1,410
    Спасибо Благодарностей отдано 
    73
    Спасибо Благодарностей получено 
    227
    Поблагодарили
    161 сообщений
    Mentioned
    3 Post(s)
    Tagged
    0 Thread(s)

    По умолчанию

    В этом контроллере нет PICов.
    ПК8010 "Корвет"+ExtRom+AY, Atari 65XE+SDrive, Дельта-С(52ИС)+AY, Scorpion ZS 1024+SMUC

  8. #487

    Регистрация
    14.05.2020
    Адрес
    г. Пятигорск
    Сообщений
    77
    Спасибо Благодарностей отдано 
    7
    Спасибо Благодарностей получено 
    2
    Поблагодарили
    2 сообщений
    Mentioned
    0 Post(s)
    Tagged
    0 Thread(s)

    По умолчанию

    Цитата Сообщение от AndyP Посмотреть сообщение
    А этот контроллер вот.
    По фото не совсем видно, но там микросхема логики? Это скорее всего первоначальный вариант. Не уверен...
    Тут и диоды присутствуют, и резисторы подтяжки...

    PS. кажется понял, что это за схема. Там используется сигнал WAIT.
    AndyP, Вы же его подключали к своему ZX?
    Последний раз редактировалось serg_svd; 25.05.2020 в 10:49.

  9. #488

    Регистрация
    30.10.2018
    Адрес
    г. Алматы, Казахстан
    Сообщений
    297
    Спасибо Благодарностей отдано 
    1
    Спасибо Благодарностей получено 
    11
    Поблагодарили
    10 сообщений
    Mentioned
    0 Post(s)
    Tagged
    0 Thread(s)

    По умолчанию

    Цитата Сообщение от marinovsoft Посмотреть сообщение
    В этом контроллере нет PICов.
    Да вы правы, там ATMEGA. Описался.

    - - - Добавлено - - -

    Цитата Сообщение от serg_svd Посмотреть сообщение
    По фото не совсем видно, но там микросхема логики? Это скорее всего первоначальный вариант. Не уверен...
    Тут и диоды присутствуют, и резисторы подтяжки...

    PS. кажется понял, что это за схема. Там используется сигнал WAIT.
    AndyP, Вы же его подключали к своему ZX?
    Я пробовал ставить ATMEGA8 и ATMEGA48. WAIT возможно и используется (он есть на схеме) но я его не подключал.
    Насчет логики посмотрю, если интересует. Подключал к Pentagon 128 - 2014
    Последний раз редактировалось AndyP; 25.05.2020 в 11:11.

  10. #489

    Регистрация
    14.05.2020
    Адрес
    г. Пятигорск
    Сообщений
    77
    Спасибо Благодарностей отдано 
    7
    Спасибо Благодарностей получено 
    2
    Поблагодарили
    2 сообщений
    Mentioned
    0 Post(s)
    Tagged
    0 Thread(s)

    По умолчанию

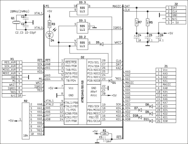
    Я об этой схеме говорю.
    Нажмите на изображение для увеличения. 

Название:	scheme_zorel.jpg 
Просмотров:	398 
Размер:	89.9 Кб 
ID:	72705

  11. #490

    Регистрация
    30.10.2018
    Адрес
    г. Алматы, Казахстан
    Сообщений
    297
    Спасибо Благодарностей отдано 
    1
    Спасибо Благодарностей получено 
    11
    Поблагодарили
    10 сообщений
    Mentioned
    0 Post(s)
    Tagged
    0 Thread(s)

    По умолчанию

    Я по ней и собирал. Подключил только KD-KA, +5V, GND и IQRD
    Все.

    - - - Добавлено - - -

    Логика SN74LS32N - 555ЛЛ1 - как на схеме.

Страница 49 из 54 ПерваяПервая ... 454647484950515253 ... ПоследняяПоследняя

Информация о теме

Пользователи, просматривающие эту тему

Эту тему просматривают: 1 (пользователей: 0 , гостей: 1)

Похожие темы

  1. Ответов: 112
    Последнее: 03.08.2020, 16:24
  2. Ответов: 3
    Последнее: 16.10.2010, 14:04
  3. Продам плату "Пентагон-128K" + примочки
    от Atari в разделе Барахолка (архив)
    Ответов: 3
    Последнее: 20.03.2010, 13:30
  4. Продам печатные платы: от "Львов-48" и клавиатуры
    от Tim0xA в разделе Барахолка (архив)
    Ответов: 9
    Последнее: 27.12.2008, 16:41
  5. Ответов: 3
    Последнее: 23.07.2007, 19:10

Ваши права

  • Вы не можете создавать новые темы
  • Вы не можете отвечать в темах
  • Вы не можете прикреплять вложения
  • Вы не можете редактировать свои сообщения
  •