Важная информация

User Tag List

Страница 2 из 43 ПерваяПервая 123456 ... ПоследняяПоследняя
Показано с 11 по 20 из 429

Тема: Апогей-БК01 и Апогей-БК01Ц: Внешний ROM диск

  1. #11

    Регистрация
    24.01.2008
    Адрес
    Уфа
    Сообщений
    3,930
    Спасибо Благодарностей отдано 
    107
    Спасибо Благодарностей получено 
    291
    Поблагодарили
    217 сообщений
    Mentioned
    10 Post(s)
    Tagged
    0 Thread(s)

    По умолчанию

    Цитата Сообщение от vinxru Посмотреть сообщение
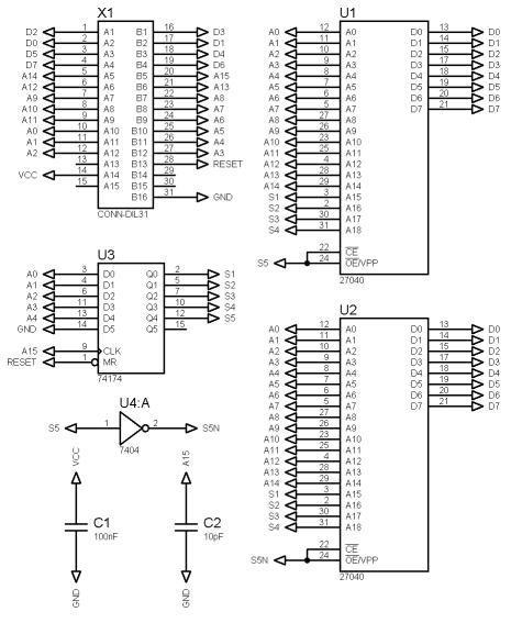
    будет использоваться две микросхемы ПЗУ по 512 Кб. И еще две микросхемы мэппера 555ТМ9 и 555ЛН1
    Зачем две ТМ9? Хватит и одной. Там же 6 флип-флопов. А тебе нужно только 5 (1Мб -> 20 линий адреса минус 15, которые берутся напрямую с ВВ55). И один инвертор, чтобы OE разрулить старшим битом адреса.

  2. #12

    Регистрация
    01.12.2010
    Адрес
    г. Санкт-Петербург
    Сообщений
    1,657
    Записей в дневнике
    21
    Спасибо Благодарностей отдано 
    0
    Спасибо Благодарностей получено 
    3
    Поблагодарили
    2 сообщений
    Mentioned
    0 Post(s)
    Tagged
    0 Thread(s)

    По умолчанию

    Да, именно так. Две микросхемы - это всего.

    Я бы уже сделал картридж, но хлорное железо внезапно испортилось и плата травилась аж 7 часов.
    Миниатюры Миниатюры Нажмите на изображение для увеличения. 

Название:	apogey_cart.jpg 
Просмотров:	511 
Размер:	48.8 Кб 
ID:	30847   Нажмите на изображение для увеличения. 

Название:	apogey_cart_sh.jpg 
Просмотров:	368 
Размер:	47.0 Кб 
ID:	30848  

  3. #13

    Регистрация
    01.12.2010
    Адрес
    г. Санкт-Петербург
    Сообщений
    1,657
    Записей в дневнике
    21
    Спасибо Благодарностей отдано 
    0
    Спасибо Благодарностей получено 
    3
    Поблагодарили
    2 сообщений
    Mentioned
    0 Post(s)
    Tagged
    0 Thread(s)

    По умолчанию

    Тут еще не игровые программы для Апогея.
    http://emu80.org/files/s_3.zip

  4. #14

    Регистрация
    01.12.2010
    Адрес
    г. Санкт-Петербург
    Сообщений
    1,657
    Записей в дневнике
    21
    Спасибо Благодарностей отдано 
    0
    Спасибо Благодарностей получено 
    3
    Поблагодарили
    2 сообщений
    Mentioned
    0 Post(s)
    Tagged
    0 Thread(s)

    По умолчанию

    3 версия загрузчика.

    Принимаются предложения по доработке и расширению загрузчика
    Вложения Вложения
    Последний раз редактировалось vinxru; 17.11.2011 в 15:55.

  5. #15

    Регистрация
    01.12.2010
    Адрес
    г. Санкт-Петербург
    Сообщений
    1,657
    Записей в дневнике
    21
    Спасибо Благодарностей отдано 
    0
    Спасибо Благодарностей получено 
    3
    Поблагодарили
    2 сообщений
    Mentioned
    0 Post(s)
    Tagged
    0 Thread(s)

    По умолчанию

    Написал программу, которая разместила программы по страницам так, что бы меньше было неиспользуемого пространства. Я решил не размещать программу на двух страницах сразу. Т.е. на пересечении страниц. Весь перечисленный выше софт объемом 670 Кб поместился в 672 Кб ПЗУ. То есть используется 21 страница из 24-х при использовании двух ПЗУ на 512 Кб и 256 Кб . Дома посмотрю, откуда я взял еще 80 Кб программ.

    Основной загрузчик находится в начале нулевой страницы. В остальных страницах находится простенький загрузчик (29 байт) загрузчика из нулевой страницы.

    ld a, 90h
    ld hl, 0EE03h
    ld (hl), a

    ; Выбор нулевого банка ПЗУ
    dec hl
    dec hl ; hl = 0EE01h
    xor a
    ld (hl), a
    inc hl ; hl = 0EE02h
    ld (hl), a
    ld a, 80h
    ld (hl), a
    xor a
    ld (hl), a

    ; Загрузка из ПЗУ
    ld hl, 0 ; Старт ПЗУ = 0
    ld de, 0FFFh ; Стоп ПЗУ
    ld bc, hl ; Старт ОЗУ = 0
    push bc ; Адрес возврата 0. Запуск загруженной программы.
    jp 0FA68h ; Функция загрузки из ПЗУ

    Я знаю, что тут есть авторы эмуляторов РК86 компьютеров и вопрос к ним. Как прикрутить к эмулятору мою прошивку ПЗУ, что бы проверить загрузчик? Там алгоритм простой. Порты 0EE00h = это шина данных ПЗУ, порты 0EE01h, 0EE02h = это 15 бит шины адреса ПЗУ. При записи 1 в старший бит порта 0EE02h, из порта 0EE01h в регистр верхних адресов копируется 5 бит, которые используются для адресов ПЗУ A15-A19.
    Последний раз редактировалось vinxru; 17.11.2011 в 15:29.

  6. #16

    Регистрация
    24.01.2008
    Адрес
    Уфа
    Сообщений
    3,930
    Спасибо Благодарностей отдано 
    107
    Спасибо Благодарностей получено 
    291
    Поблагодарили
    217 сообщений
    Mentioned
    10 Post(s)
    Tagged
    0 Thread(s)

    По умолчанию

    Цитата Сообщение от vinxru Посмотреть сообщение
    Написал программу, которая разместила программы по страницам так, что бы меньше было неиспользуемого пространства.
    Полным перебором делал или соптимизировал как? Мы в институте тоже делали на лабах разные проги оптимальной упаковки


    Цитата Сообщение от vinxru Посмотреть сообщение
    Основной загрузчик находится в начале нулевой страницы. В остальных страницах находится простенький загрузчик (35 байт) загрузчика из нулевой страницы.
    У меня была мысль, что неплохо бы перед таблицами программ сделать JMP на начало загрузчика, тогда догружать можно будет только таблицы, и делать это будет сам загрузчик. Т.е. дополнительного не потребуется.

    Цитата Сообщение от vinxru Посмотреть сообщение
    Я знаю, что тут есть авторы эмуляторов РК86 компьютеров и вопрос к ним. Как прикрутить к эмулятору мою прошивку ПЗУ, что бы проверить загрузчик?
    Это ты про меня, что-ли?
    Я подумаю, можно ли сделать простым изменением конфига.
    Для аналогичного rom-диска Специалист-МХ2 потребовалось вводить дополнительные фичи.

  7. #16
    С любовью к вам, Yandex.Direct
    Размещение рекламы на форуме способствует его дальнейшему развитию

  8. #17

    Регистрация
    01.12.2010
    Адрес
    г. Санкт-Петербург
    Сообщений
    1,657
    Записей в дневнике
    21
    Спасибо Благодарностей отдано 
    0
    Спасибо Благодарностей получено 
    3
    Поблагодарили
    2 сообщений
    Mentioned
    0 Post(s)
    Tagged
    0 Thread(s)

    По умолчанию

    Цитата Сообщение от b2m Посмотреть сообщение
    У меня была мысль, что неплохо бы перед таблицами программ сделать JMP на начало загрузчика, тогда догружать можно будет только таблицы, и делать это будет сам загрузчик. Т.е. дополнительного не потребуется.
    Не понял. У меня ничего не догружается. Единственный загрузчик предлагает список всех программ и загружает выбранную программу из любой страницы.

    Этот загрузчик находится в банке/странице 0. Может быть ситуация, когда пользователь хочет запустить загрузчик командами (R0,1000 G), а выбрана не нулевая страница. Тогда загрузится микро-загрузчик, который и переключит страницу и загрузит основной загрузчик. Но это маловероятно, так как нулевая страница устанавливается при перезагрузке компьютера.

    ---------- Post added at 12:37 ---------- Previous post was at 12:30 ----------

    Цитата Сообщение от b2m Посмотреть сообщение
    Полным перебором делал или соптимизировал как?
    Каждую программу мы сначала пытаемся записать в банк 0, потом в банк 1 и т.д. Такого алгоритма оказалось достаточно.
    Вложения Вложения
    Последний раз редактировалось vinxru; 17.11.2011 в 13:32.

  9. #18

    Регистрация
    24.01.2008
    Адрес
    Уфа
    Сообщений
    3,930
    Спасибо Благодарностей отдано 
    107
    Спасибо Благодарностей получено 
    291
    Поблагодарили
    217 сообщений
    Mentioned
    10 Post(s)
    Tagged
    0 Thread(s)

    По умолчанию

    Цитата Сообщение от vinxru Посмотреть сообщение
    Не понял. У меня ничего не догружается.
    А я думал, ты подкаталоги будешь делать.

    С подключением твоей версии rom-диска не получилось. Надо новую фичу делать. Будет в следующей версии эмулятора (возможно даже сегодня).

  10. #19

    Регистрация
    01.12.2010
    Адрес
    г. Санкт-Петербург
    Сообщений
    1,657
    Записей в дневнике
    21
    Спасибо Благодарностей отдано 
    0
    Спасибо Благодарностей получено 
    3
    Поблагодарили
    2 сообщений
    Mentioned
    0 Post(s)
    Tagged
    0 Thread(s)

    По умолчанию

    А почему в твоем эмуляторе кнопка вверх совсем не кнопка вверх? Это которая в центральной части клавиатуры. Я понимаю, что на цифровой клавиатуре это имеет смысл, но на стрелках это как то не удобно.

    Добавил в свою программу, что код 0 - это тоже стрелка вверх.
    Последний раз редактировалось vinxru; 17.11.2011 в 15:05.

  11. #20

    Регистрация
    01.12.2010
    Адрес
    г. Санкт-Петербург
    Сообщений
    1,657
    Записей в дневнике
    21
    Спасибо Благодарностей отдано 
    0
    Спасибо Благодарностей получено 
    3
    Поблагодарили
    2 сообщений
    Mentioned
    0 Post(s)
    Tagged
    0 Thread(s)

    По умолчанию

    И теперь в цвете.
    Миниатюры Миниатюры Нажмите на изображение для увеличения. 

Название:	apogey_loaderc.jpg 
Просмотров:	519 
Размер:	40.0 Кб 
ID:	30861  

Страница 2 из 43 ПерваяПервая 123456 ... ПоследняяПоследняя

Информация о теме

Пользователи, просматривающие эту тему

Эту тему просматривают: 1 (пользователей: 0 , гостей: 1)

Похожие темы

  1. Апогей-БК01 и Апогей-БК01Ц: Обсуждение
    от Mick в разделе Радио-86РК
    Ответов: 370
    Последнее: 24.03.2025, 11:20
  2. Апогей-БК01 и Апогей-БК01Ц: Ремонт
    от ROMка в разделе Радио-86РК
    Ответов: 193
    Последнее: 15.11.2023, 15:09
  3. Продам Апогей БК 01
    от PicNov76 в разделе Барахолка (архив)
    Ответов: 27
    Последнее: 15.07.2010, 07:20
  4. Кому Апогей БК-01 в СПб?
    от spoonlite в разделе Барахолка (архив)
    Ответов: 9
    Последнее: 06.10.2009, 22:57
  5. Корпус от Апогей БК01Ц
    от Mick в разделе Барахолка (архив)
    Ответов: 26
    Последнее: 13.12.2007, 12:16

Ваши права

  • Вы не можете создавать новые темы
  • Вы не можете отвечать в темах
  • Вы не можете прикреплять вложения
  • Вы не можете редактировать свои сообщения
  •