Важная информация

User Tag List

Страница 4 из 32 ПерваяПервая 12345678 ... ПоследняяПоследняя
Показано с 31 по 40 из 311

Тема: Тех. раздел Орион-128 ревизия 512

  1. #31

    Регистрация
    17.09.2010
    Адрес
    г. Днепропетровск
    Сообщений
    3,222
    Спасибо Благодарностей отдано 
    24
    Спасибо Благодарностей получено 
    20
    Поблагодарили
    11 сообщений
    Mentioned
    3 Post(s)
    Tagged
    0 Thread(s)

    По умолчанию

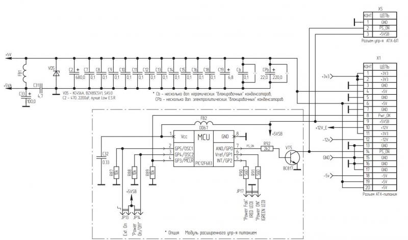
    Если убрать преобразователь на платке орион, можна добавить разъем питания АТХ, кусок схемы KAY2010, функция включения и выключения сделана на pic12F683.
    Миниатюры Миниатюры Нажмите на изображение для увеличения. 

Название:	питание.jpg 
Просмотров:	2749 
Размер:	46.1 Кб 
ID:	31032  
    Последний раз редактировалось zorel; 22.11.2011 в 17:33.

  2. #31
    С любовью к вам, Yandex.Direct
    Размещение рекламы на форуме способствует его дальнейшему развитию

  3. #32

    Регистрация
    14.08.2006
    Адрес
    Владимир
    Сообщений
    4,581
    Спасибо Благодарностей отдано 
    64
    Спасибо Благодарностей получено 
    112
    Поблагодарили
    97 сообщений
    Mentioned
    0 Post(s)
    Tagged
    0 Thread(s)

    По умолчанию

    Цитата Сообщение от zorel Посмотреть сообщение
    Error404, Есть идея интегрировать ром диск и P/S2 клавиатуру в QFP/PLCC корпусе на платку ориона, могу взять на себя эту часть работы.
    А использоваться будет та же схема на ATMegа? Они разве бывают в корпусе, отличном от DIP? В принципе, даже DIP поместится на основной плате - DIP всего на 2,5 мм шире 3-рядного разъема (которого, понятно, в этом случае не будет). Там надо то - контроллер да пяток резисторов/конденсаторов.

    А про ROM-disk я уже и сам засомневался. От клавиатуры никуда не денешься - ее ВВ55 (порт 0F400) по-любому занята. А вот порт 0F500 (ROM-disk) в зависимости от ПО (например, в CP/M) еще может быть и универсальным портом в дополнение к "порту принтера" 0F600 (типа, отсоединили ROM-disk, подключили вместо него программатор или контроллер "умного дома", или IDE или еще чего). А когда оно уже разведено, то эта возможность пропадает. Обсудим?

    ---------- Post added at 17:57 ---------- Previous post was at 17:47 ----------

    Цитата Сообщение от zorel Посмотреть сообщение
    Если убрать преобразователь на платке орион, можна добавить разъем питания АТХ, кусок схемы KAY2010, функция включения и выключения сделана на pic12F683.
    А может, попробовать "вписать" все это прямо "поверх" преобразователя? Там масса места, залитого полигонами, хватит на все дополнительные элементы. Ну, возможно штатные элементы преобразователя придется чуть-чуть переместить. Соответственно, у человека будет выбор - либо паять преобразователь и заводить питание как в предыдущей ревизии через "дисководный" разъем 3,5 или 5,25, либо паять разъем ATX и пускатель на пике. Либо только разъем ATX и запускать БП второй кнопкой включения, замыкающей сигнал PowerON разъема ATX.

    ---------- Post added at 18:03 ---------- Previous post was at 17:57 ----------

    Случайно макросов ATX-разъема для SprintLayout-а ни у кого нету?
    Последний раз редактировалось Error404; 22.11.2011 в 18:00.
    Лучше сделать и жалеть, чем не сделать и жалеть.

    Некоторые из моих поделок тут: https://github.com/serge-404

  4. #33

    Регистрация
    17.09.2010
    Адрес
    г. Днепропетровск
    Сообщений
    3,222
    Спасибо Благодарностей отдано 
    24
    Спасибо Благодарностей получено 
    20
    Поблагодарили
    11 сообщений
    Mentioned
    3 Post(s)
    Tagged
    0 Thread(s)

    По умолчанию

    Error404, использоваться та же схема на ATMega, только корпус в TQFP-32, на 4 вывода больше, но я думаю, что это не проблема. Или по старой схеме в DIP. Разъемы для программирования ATMega вывести на основной плате.
    Насчет выбрасывания разъемов я погорячился, можна оставить пустые места под родной разъем Ориона.
    Ром диск в PCLL-32 корпусе на панельке, если не нужен можно просто его не устанавливать.
    Если плату немного увеличить в размере, то можно оставить преобразователь, кстати, если увеличивать плату Ориона, то на платку влезет контроллер дисковода, пустое место можна заполнить отверстиями, сделать в виде макетного поля. Для примера могу нарисовать как это будет выглядить. Кстати платку можна подогнать под AT форм-фактор. примерный размер 305х330 мм, что-бы без проблем в готовый корпус можна было установить

    ATX-разъем я могу нарисовать.

    Все обсудаемо, это пока только предложение...
    Последний раз редактировалось zorel; 22.11.2011 в 18:23.

  5. #34

    Регистрация
    14.08.2006
    Адрес
    Владимир
    Сообщений
    4,581
    Спасибо Благодарностей отдано 
    64
    Спасибо Благодарностей получено 
    112
    Поблагодарили
    97 сообщений
    Mentioned
    0 Post(s)
    Tagged
    0 Thread(s)

    По умолчанию

    Цитата Сообщение от zorel Посмотреть сообщение
    Насчет выбрасывания разъемов я погорячился, можна оставить пустые места под родной разъем Ориона.
    Ром диск в PCLL-32 корпусе на панельке, если не нужен можно просто его не устанавливать.
    Согласен. Если разъем порта ROM-диска оставить, то вынимая из панели ПЗУ ROM-диска (а можно и не вынимать, а просто развести джампер, переключающий /CE на +5, т.е. переводящий выходы ПЗУ в высокий импеданс), порт всегда можно будет по-прежнему использовать как универсальный порт. Это получается весьма полезная опция. И тогда можно будет на разъем вешать в том числе и ROM-диск старого образца (в проекте его можно не делать, но он легко делается ЛУТ-ом или даже на макетке). Т.е. это также может пригодиться например тем, у кого нет ПЗУ в корпусе PLCC, и нет переходника DIP-PLCC, а старый ROM-диск - есть.

    ROM-диск надо разводить в 32-ногой PLCC. Чтобы можно было поставить до 27040 включительно (512кб). Если у нас будет такой ROM-disk, то можно будет разработать версию CP/M, стартующую из такой ПЗУ. Например, первые 64к - это ROM-диск ORDOS (которая запускается при включении питания), а все что после него - диск CP/M, с которого тоже можно будет загрузиться - уже загрузчиком из Ордос, или удержав какую-нибудь кнопку при включении питания/Reset-e.



    ---------- Post added at 18:33 ---------- Previous post was at 18:21 ----------

    Цитата Сообщение от zorel Посмотреть сообщение
    Если плату немного увеличить в размере, то можно оставить преобразователь,
    Да, по-хорошему, плату и надо бы увеличить на примерно +10 мм в верхней части (чуть раздвинуть системные разъемы - сейчас они близковато, освободить место под ATX-совместимое отверстие крепления)
    Эти +10мм соответственно прибавятся и в районе преобразователя что облегчит размещение ATX-разъема.

    Цитата Сообщение от zorel Посмотреть сообщение
    кстати, если увеличивать плату Ориона, то на платку влезет контроллер дисковода, пустое место можна заполнить отверстиями, сделать в виде макетного поля. Для примера могу нарисовать как это будет выглядить.
    Я бы хотел, чтобы контроллер дисковода все же был опцией. Но и для удобства остальных, чтобы можно было использовать его на общей плате. А для этого его надо просто переместить в проекте из области "ниже материнки" в область "выше материнки" - чтобы системный разъем платы дисковода был непосредственно напротив крайнего системного разъема.
    Разделительную контурную сверловку оставить.
    .
    Тогда те кому не нужен КНГМД (типа меня, у меня будет SD и IDE), этот фрагмент отрежут до лучших времен. А кому он нужен - будут использовать просто запаяв короткий шлейфик (его можно припаять просто с обратной стороны платы - если впаиваем оба системных слота, или вместо одного из слотов со стороны деталей), или тоже отрежут и как принято поставят перпендикулярно в один из слотов. В-общем, получается масса вариантов.

    Цитата Сообщение от zorel Посмотреть сообщение
    Кстати платку можна подогнать под AT форм-фактор. примерный размер 305х330 мм, что-бы без проблем в готовый корпус можна было установить
    Да-да-да. Я тоже этого хотел, но как же медленно у меня идет дело.

    Цитата Сообщение от zorel Посмотреть сообщение
    ATX-разъем я могу нарисовать.
    Это было бы здорово.
    Последний раз редактировалось Error404; 22.11.2011 в 18:47.
    Лучше сделать и жалеть, чем не сделать и жалеть.

    Некоторые из моих поделок тут: https://github.com/serge-404

  6. #35

    Регистрация
    17.09.2010
    Адрес
    г. Днепропетровск
    Сообщений
    3,222
    Спасибо Благодарностей отдано 
    24
    Спасибо Благодарностей получено 
    20
    Поблагодарили
    11 сообщений
    Mentioned
    3 Post(s)
    Tagged
    0 Thread(s)

    По умолчанию

    Error404, Контроллер дисковода не получится добавить, если его добавить, то микросхемы будут с обратной стороны а перерисовывать ошибок наделать, контроллер дисковода оставим так как есть.

  7. #36

    Регистрация
    14.08.2006
    Адрес
    Владимир
    Сообщений
    4,581
    Спасибо Благодарностей отдано 
    64
    Спасибо Благодарностей получено 
    112
    Поблагодарили
    97 сообщений
    Mentioned
    0 Post(s)
    Tagged
    0 Thread(s)

    По умолчанию

    Цитата Сообщение от zorel Посмотреть сообщение
    Error404, Контроллер дисковода не получится добавить, если его добавить, то микросхемы будут с обратной стороны а перерисовывать ошибок наделать, контроллер дисковода оставим так как есть.
    Да, что-то про этот ньюанс я совсем позабыл.
    С обратной стороны - это было бы забавно.
    Лучше сделать и жалеть, чем не сделать и жалеть.

    Некоторые из моих поделок тут: https://github.com/serge-404

  8. #37

    Регистрация
    17.09.2010
    Адрес
    г. Днепропетровск
    Сообщений
    3,222
    Спасибо Благодарностей отдано 
    24
    Спасибо Благодарностей получено 
    20
    Поблагодарили
    11 сообщений
    Mentioned
    3 Post(s)
    Tagged
    0 Thread(s)

    По умолчанию

    в общем примерно сделал (еще не закончил, нужно немного подредактировать) с minifit 20 pin + pic12F683, по схеме kay2010
    Миниатюры Миниатюры Нажмите на изображение для увеличения. 

Название:	Безымянный.jpg 
Просмотров:	2400 
Размер:	68.1 Кб 
ID:	31041  
    Вложения Вложения
    Последний раз редактировалось zorel; 22.11.2011 в 21:52.

  9. #38

    Регистрация
    14.06.2005
    Адрес
    г. Калуга
    Сообщений
    10,162
    Спасибо Благодарностей отдано 
    221
    Спасибо Благодарностей получено 
    779
    Поблагодарили
    423 сообщений
    Mentioned
    24 Post(s)
    Tagged
    0 Thread(s)

    По умолчанию

    Цитата Сообщение от zorel Посмотреть сообщение
    в общем примерно сделал (еще не закончил, нужно немного подредактировать) с minifit 20 pin + pic12F683, по схеме kay2010
    Не слишком близко у тебя детали к разъему питания расположены?
    Сайт поддержки моих изделий - http://micklab.ru/
    Группа ВКонтакте - https://vk.com/micklab

  10. #39

    Регистрация
    17.09.2010
    Адрес
    г. Днепропетровск
    Сообщений
    3,222
    Спасибо Благодарностей отдано 
    24
    Спасибо Благодарностей получено 
    20
    Поблагодарили
    11 сообщений
    Mentioned
    3 Post(s)
    Tagged
    0 Thread(s)

    По умолчанию

    Mick, разъем под джампер немного сдвинул, остальные детали (кроме разъема minifit, pic и разъема под джампер) с обратной стороны платы запаиваться будут.
    Последний раз редактировалось zorel; 23.11.2011 в 02:56.

  11. #40

    Регистрация
    20.06.2005
    Адрес
    Светлогорск
    Сообщений
    885
    Спасибо Благодарностей отдано 
    9
    Спасибо Благодарностей получено 
    23
    Поблагодарили
    20 сообщений
    Mentioned
    0 Post(s)
    Tagged
    0 Thread(s)

    По умолчанию

    Лично я за подгонку размера основной платы под ATX - не надо сильно беспокоиться с поисками корпуса. А контроллер PS/2 клавиатуры и ROM-диск стоит развести на плате (последний отключаемым, ест.), поскольку использоваться они будут достаточно часто (а скорее всего вообще постоянно).

    ---------- Post added at 20:37 ---------- Previous post was at 20:34 ----------

    zorel, записался, благодарствую.
    "Байт-48"

Страница 4 из 32 ПерваяПервая 12345678 ... ПоследняяПоследняя

Информация о теме

Пользователи, просматривающие эту тему

Эту тему просматривают: 1 (пользователей: 0 , гостей: 1)

Похожие темы

  1. Ответов: 506
    Последнее: 15.09.2023, 02:34
  2. Тех. раздел Орион-128
    от zorel в разделе Орион
    Ответов: 517
    Последнее: 31.05.2021, 01:57
  3. Тех раздел ATM turbo 7.10.
    от zorel в разделе ATM
    Ответов: 91
    Последнее: 12.12.2014, 00:23
  4. Железный раздел
    от Ewgeny7 в разделе Форум
    Ответов: 106
    Последнее: 10.02.2012, 19:14

Ваши права

  • Вы не можете создавать новые темы
  • Вы не можете отвечать в темах
  • Вы не можете прикреплять вложения
  • Вы не можете редактировать свои сообщения
  •