User Tag List

Страница 2 из 92 ПерваяПервая 123456 ... ПоследняяПоследняя
Показано с 11 по 20 из 913

Тема: ATM Turbo 2+ ver 7.10 - сборка и наладка

  1. #11

    Регистрация
    02.06.2009
    Адрес
    Искитим
    Сообщений
    1,275
    Спасибо Благодарностей отдано 
    16
    Спасибо Благодарностей получено 
    5
    Поблагодарили
    5 сообщений
    Mentioned
    0 Post(s)
    Tagged
    0 Thread(s)

    По умолчанию

    в старой АТМ-ке которая была у меня в 90х стояли микрухи разных серий (555/1533).
    в основном правда 555.
    глюков не наблюдалось.

  2. #12

    Регистрация
    25.07.2011
    Адрес
    Тюмень
    Сообщений
    111
    Спасибо Благодарностей отдано 
    0
    Спасибо Благодарностей получено 
    0
    Поблагодарили
    0 сообщений
    Mentioned
    0 Post(s)
    Tagged
    0 Thread(s)

    По умолчанию

    Вот такую доработку видеовыхода стоит делать?
    Как думаете?

    http://atmturbo.nedopc.com/download/shems/bright1.zip

  3. #13

    Регистрация
    04.08.2010
    Адрес
    г. Сергиев Посад
    Сообщений
    257
    Спасибо Благодарностей отдано 
    8
    Спасибо Благодарностей получено 
    0
    Поблагодарили
    0 сообщений
    Mentioned
    0 Post(s)
    Tagged
    0 Thread(s)

    По умолчанию

    У меня возникают соинения по целесообразности применения в данной схеме R49-R54.
    Последний раз редактировалось vladimir53; 24.11.2011 в 19:07.

  4. #14

    Регистрация
    03.05.2011
    Адрес
    Москва
    Сообщений
    107
    Спасибо Благодарностей отдано 
    0
    Спасибо Благодарностей получено 
    0
    Поблагодарили
    0 сообщений
    Mentioned
    0 Post(s)
    Tagged
    0 Thread(s)

    По умолчанию

    Цитата Сообщение от homer Посмотреть сообщение
    Вот такую доработку видеовыхода стоит делать?
    Как думаете?

    http://atmturbo.nedopc.com/download/shems/bright1.zip
    На телевизоре и без этой доработки будут 16 цветов.
    Собирал я эту схему, мне не помогло.

  5. #15

    Регистрация
    23.11.2005
    Адрес
    Новосибирск
    Сообщений
    799
    Спасибо Благодарностей отдано 
    1
    Спасибо Благодарностей получено 
    1
    Поблагодарили
    1 сообщение
    Mentioned
    0 Post(s)
    Tagged
    0 Thread(s)

    По умолчанию

    А какие из мелких микрух (которые логика) есть смысл ставить в панельки?
    "Любое околокомпьютерное творчество одинаково сильно сопряжено с покупкой и воровством" dk_spb

  6. #16

    Регистрация
    02.06.2009
    Адрес
    Искитим
    Сообщений
    1,275
    Спасибо Благодарностей отдано 
    16
    Спасибо Благодарностей получено 
    5
    Поблагодарили
    5 сообщений
    Mentioned
    0 Post(s)
    Tagged
    0 Thread(s)

    По умолчанию

    Zhizh, а нафига?

  7. #16
    С любовью к вам, Yandex.Direct
    Размещение рекламы на форуме способствует его дальнейшему развитию

  8. #17

    Регистрация
    23.11.2005
    Адрес
    Новосибирск
    Сообщений
    799
    Спасибо Благодарностей отдано 
    1
    Спасибо Благодарностей получено 
    1
    Поблагодарили
    1 сообщение
    Mentioned
    0 Post(s)
    Tagged
    0 Thread(s)

    По умолчанию

    Цитата Сообщение от AHTuXPuCT Посмотреть сообщение
    Zhizh, а нафига?
    В основном из соображения "у нас всегда так было" Ну и мало ли, вдруг в панельках есть какой-то скрытый от меня Великий Смысл?
    "Любое околокомпьютерное творчество одинаково сильно сопряжено с покупкой и воровством" dk_spb

  9. #18

    Регистрация
    03.05.2011
    Адрес
    Москва
    Сообщений
    107
    Спасибо Благодарностей отдано 
    0
    Спасибо Благодарностей получено 
    0
    Поблагодарили
    0 сообщений
    Mentioned
    0 Post(s)
    Tagged
    0 Thread(s)

    По умолчанию

    4. На некоторых компьютерах в экранах высокого разрешения появляются статические «черточки» в одних и тех же местах. Это происходит из-за очень медленных микросхем D7, D8 - 561ИЕ10. Рекомендуем эти микросхемы в данном случае ставить на панельки и подбирать среди них наиболее быстрые. Или необходимо чуть повысить питание платы, т.к. при повышенном питании быстродействие таких счетчиков возрастает.

    Действительно были чёрточки но они самоликвидировались
    Поставил 1561ие10 вместо 561.
    D31 стоит на панельке (1533ИД7), при импортной не определялся HDD. Возможно и при новых где значёк завода буква И тоже не заведётся.
    Если учесть что ATM изобретался на советских микрухах то по возможности их и надо ставить, старых но заведомо исправных (Всю мелкую логику ставмл Интеграл 1533 89-91 годов в основном). Кто их знает чего там нахимичили когда микрухи сдирали с импорта.
    Последний раз редактировалось stakh; 26.11.2011 в 10:31.

  10. #19

    Регистрация
    11.03.2011
    Адрес
    г. Челябинск
    Сообщений
    558
    Спасибо Благодарностей отдано 
    0
    Спасибо Благодарностей получено 
    0
    Поблагодарили
    0 сообщений
    Mentioned
    0 Post(s)
    Tagged
    0 Thread(s)

    По умолчанию

    Больше половины платы уже спаял.
    Возникло пара вопросов по комплектующим.
    1. Не нашел 521са3, нашел только LM311 в DIP8.
    Она ставится 1 к 1 или надо чтото переделывать/перерезать ?

    2. Нашел 1-ну 572ПА1 в керамике/золоте и две КР572ПА1 с одной точкой.
    Что лучше поставить две КР572ПА1 или одну 572ПА1, а вторую КР572ПА1.
    Если второй вариант, то на какое место лучше поставить 572ПА1, а на какое КР572ПА1 ?

  11. #20

    Регистрация
    17.09.2010
    Адрес
    г. Днепропетровск
    Сообщений
    3,222
    Спасибо Благодарностей отдано 
    24
    Спасибо Благодарностей получено 
    20
    Поблагодарили
    11 сообщений
    Mentioned
    3 Post(s)
    Tagged
    0 Thread(s)

    По умолчанию

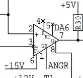
    _Ratibor_, 1. Не нашел 521са3, нашел только LM311 в DIP8.

    по схеме, перепутана цоколевка, 4-я в воздухе, 6 посажена на -15 в.
    Нужно установить наоборот, что-бы 6-я была в воздухе, а 4-я посчажена на -15 в..
    Миниатюры Миниатюры Нажмите на изображение для увеличения. 

Название:	цоколевка.jpg 
Просмотров:	376 
Размер:	6.2 Кб 
ID:	31156  
    Последний раз редактировалось zorel; 26.11.2011 в 15:35.

Страница 2 из 92 ПерваяПервая 123456 ... ПоследняяПоследняя

Информация о теме

Пользователи, просматривающие эту тему

Эту тему просматривают: 2 (пользователей: 0 , гостей: 2)

Похожие темы

  1. Гамма-2 - сборка и наладка
    от CodeMaster в разделе Несортированное железо
    Ответов: 72
    Последнее: 16.10.2023, 23:26
  2. Pentagon 1024SL 1.4 - сборка и наладка.
    от Larzuk в разделе Pentagon
    Ответов: 380
    Последнее: 22.07.2019, 14:49
  3. Speccy2007 - сборка и наладка
    от zx-kit в разделе Speccy-2007/2010
    Ответов: 178
    Последнее: 18.10.2017, 02:32
  4. Гамма 2А - сборка и наладка
    от CodeMaster в разделе Несортированное железо
    Ответов: 12
    Последнее: 27.08.2010, 10:20
  5. Sprinter. Сборка и наладка
    от Ewgeny7 в разделе Sprinter
    Ответов: 10
    Последнее: 18.02.2010, 07:49

Ваши права

  • Вы не можете создавать новые темы
  • Вы не можете отвечать в темах
  • Вы не можете прикреплять вложения
  • Вы не можете редактировать свои сообщения
  •