Важная информация

User Tag List

Страница 36 из 92 ПерваяПервая ... 323334353637383940 ... ПоследняяПоследняя
Показано с 351 по 360 из 913

Тема: ATM Turbo 2+ ver 7.10 - сборка и наладка

  1. #351

    Регистрация
    16.01.2005
    Адрес
    Москва
    Сообщений
    1,992
    Спасибо Благодарностей отдано 
    227
    Спасибо Благодарностей получено 
    310
    Поблагодарили
    115 сообщений
    Mentioned
    3 Post(s)
    Tagged
    0 Thread(s)

    По умолчанию

    Цитата Сообщение от АлександрПП Посмотреть сообщение
    Прошил БИОС 1.36.
    Миниатюры
    Нажмите на изображение для увеличения Название: DSC02582.jpg Просмотров: 46 Размер: 31.7 Кб ID: 48631
    Где-то перемкнуло на счетчиках адресов, раз строчка повторяется 4 раза. Ищи, где сопля висит! ))
    Максагор, NedoPC group
    ПК ATM-turbo 2+ 1024Kb RAM, 1,7Gb HDD, CD-ROM, Turbo FM, GS-512
    [ZX rulezzz 4reva!!!]
    http://atmturbo.nedopc.com
    http://vk.com/atmturbo
    http://maksagor.livejournal.com
    http://moskprf.ru
    [СССР][Коммунизм][КПРФ] ну [ZX], естественно...

  2. #352

    Регистрация
    14.01.2010
    Адрес
    г. Шумерля, Чувашия
    Сообщений
    1,358
    Спасибо Благодарностей отдано 
    27
    Спасибо Благодарностей получено 
    42
    Поблагодарили
    37 сообщений
    Mentioned
    0 Post(s)
    Tagged
    0 Thread(s)

    По умолчанию

    Уже все глаза проглядел. Вероятнее всего искать в районе КП12? D18-21, 92?

  3. #353

    Регистрация
    17.09.2010
    Адрес
    г. Днепропетровск
    Сообщений
    3,222
    Спасибо Благодарностей отдано 
    24
    Спасибо Благодарностей получено 
    20
    Поблагодарили
    11 сообщений
    Mentioned
    3 Post(s)
    Tagged
    0 Thread(s)

    По умолчанию

    Цитата Сообщение от doc_fbi Посмотреть сообщение
    каике фьюзы у контроллера клавиатуры на атмеге?
    с какого адреса писать знакогенератор? прошивка под 2716 а ставиться по схеме 27512

    ---------- Post added at 10:55 ---------- Previous post was at 09:17 ----------

    после установки пзу со знакогенератором (пршил с о адреса) на тесте бордюр стал менять быстро при этом в рабочей облости прыгают разные матрасы. но концовка осталась неизменная , либо просто показывает четную книжную треть экрана все либо по верхней части хаотично начинаю загораться черные квадратики.
    Как должен выглядеть тест памяти на АТМ? также как у педагогична или по другому?. ските скриншот
    doc_fbi, попробуй вот этот знакогенератор для 27с512
    Вложения Вложения
    Если в личке не отвечаю, есть связь через почту zoreldnepr(собака)gmail(точка)com
    ATM-turbo 2+ v7.10+General Sound+FloppyEmul+HDD(Tasis/Xcomander CP/M)
    Неофициальный сайт об Орель БК-08 и не только.

  4. #354

    Регистрация
    17.09.2010
    Адрес
    г. Днепропетровск
    Сообщений
    3,222
    Спасибо Благодарностей отдано 
    24
    Спасибо Благодарностей получено 
    20
    Поблагодарили
    11 сообщений
    Mentioned
    3 Post(s)
    Tagged
    0 Thread(s)

    По умолчанию

    Цитата Сообщение от doc_fbi Посмотреть сообщение
    нет сигнала на r10, но не могу найти где он форсируется
    R10 садится через резистор 50 Ом - 1 кОм на землю, сигнала на нем не должно быть.
    Если в личке не отвечаю, есть связь через почту zoreldnepr(собака)gmail(точка)com
    ATM-turbo 2+ v7.10+General Sound+FloppyEmul+HDD(Tasis/Xcomander CP/M)
    Неофициальный сайт об Орель БК-08 и не только.

  5. #355

    Регистрация
    14.01.2010
    Адрес
    г. Шумерля, Чувашия
    Сообщений
    1,358
    Спасибо Благодарностей отдано 
    27
    Спасибо Благодарностей получено 
    42
    Поблагодарили
    37 сообщений
    Mentioned
    0 Post(s)
    Tagged
    0 Thread(s)

    По умолчанию

    Тест работает без "сдваивания и счетверения". Причиной была D13. Какие-то "не качественные" сигналы на выходах. Поменял и тест пошел почти нормально. (Кстати, замененная микросхема тестом определялась как исправная. Видимо не работает под нагрузкой).
    Тест почти нормально заработал потому, что не все нормально.
    При старте меняется бордюр, но меняется и paper. Далее выведенная картинка соответствует норме. При запуске теста памяти папер становится белым, результата теста не видно, при старте проверки на мгновение мелькает верхняя строчка теста и исчезает. При следующем этапе проверки памяти папер окрашивается произвольным цветом Результат проверки памяти выводится тоже произвольным цветом.
    Результат проверки - ОЗУ исправно.
    В чем может быть причина?

  6. #356

    Регистрация
    06.06.2013
    Адрес
    г. Москва
    Сообщений
    285
    Спасибо Благодарностей отдано 
    3
    Спасибо Благодарностей получено 
    10
    Поблагодарили
    4 сообщений
    Mentioned
    0 Post(s)
    Tagged
    0 Thread(s)

    По умолчанию

    Цитата Сообщение от zorel Посмотреть сообщение
    doc_fbi, попробуй вот этот знакогенератор для 27с512
    прошил Вашу прошивку , получил такую картинку

    вот ролик как что тест отображает. https://www.dropbox.com/s/1fppusv3k0...2016.02.13.3gp
    Миниатюры Миниатюры Нажмите на изображение для увеличения. 

Название:	2014-07-12 16.01.53.jpg 
Просмотров:	321 
Размер:	77.6 Кб 
ID:	48706  

  7. #357

    Регистрация
    06.06.2013
    Адрес
    г. Москва
    Сообщений
    285
    Спасибо Благодарностей отдано 
    3
    Спасибо Благодарностей получено 
    10
    Поблагодарили
    4 сообщений
    Mentioned
    0 Post(s)
    Tagged
    0 Thread(s)

    По умолчанию

    мой АТМ запустился помаленьку
    появился бивес выходит трдос
    Миниатюры Миниатюры Нажмите на изображение для увеличения. 

Название:	2014-07-13 16.05.03.jpg 
Просмотров:	346 
Размер:	41.6 Кб 
ID:	48713   Нажмите на изображение для увеличения. 

Название:	2014-07-13 16.05.11.jpg 
Просмотров:	337 
Размер:	35.3 Кб 
ID:	48714  

  8. #358

    Регистрация
    06.06.2013
    Адрес
    г. Москва
    Сообщений
    285
    Спасибо Благодарностей отдано 
    3
    Спасибо Благодарностей получено 
    10
    Поблагодарили
    4 сообщений
    Mentioned
    0 Post(s)
    Tagged
    0 Thread(s)

    По умолчанию

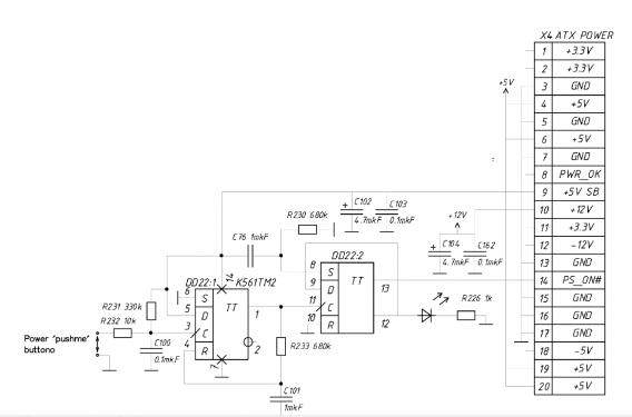
    позволю себе приложить ещё две доработки
    1) сделать контактные отверстия для подключения "ZXKit1 - плата VGA & PAL" , а то есть только под питание и синхро импульсы, а под rgb приходиться брать с ножек ТМ8
    2) раз все по взрослому, и внедрили ATX БП тогда думаю стоит внедрить и правильное включение.
    Миниатюры Миниатюры Нажмите на изображение для увеличения. 

Название:	atx.jpg 
Просмотров:	332 
Размер:	23.5 Кб 
ID:	48722  

  9. #359

    Регистрация
    06.06.2013
    Адрес
    г. Москва
    Сообщений
    285
    Спасибо Благодарностей отдано 
    3
    Спасибо Благодарностей получено 
    10
    Поблагодарили
    4 сообщений
    Mentioned
    0 Post(s)
    Tagged
    0 Thread(s)

    По умолчанию

    никак не могу запустить флоп
    выбор происходит (шлейф прямой дисковод висит на В)
    но чтение не происходит и форматирование тоже
    при чтении пишет битый сектор
    при форматировании появляется строка цилиндре и дорожка , висит очень долго, потом переходит на следующий цилиндр , потом на следующую дорожку , наждака смена дорожки порядка трех минут (ВГ менял , эффект одинаковый)

  10. #360

    Регистрация
    12.12.2011
    Адрес
    г. Иркутск
    Сообщений
    2,509
    Спасибо Благодарностей отдано 
    10
    Спасибо Благодарностей получено 
    22
    Поблагодарили
    20 сообщений
    Mentioned
    0 Post(s)
    Tagged
    0 Thread(s)

    По умолчанию

    zorel, версия 7.18 отличается только ОЗУ? И ОЗУшки какие? Где можно глянуть?

Страница 36 из 92 ПерваяПервая ... 323334353637383940 ... ПоследняяПоследняя

Информация о теме

Пользователи, просматривающие эту тему

Эту тему просматривают: 1 (пользователей: 0 , гостей: 1)

Похожие темы

  1. Гамма-2 - сборка и наладка
    от CodeMaster в разделе Несортированное железо
    Ответов: 72
    Последнее: 16.10.2023, 23:26
  2. Pentagon 1024SL 1.4 - сборка и наладка.
    от Larzuk в разделе Pentagon
    Ответов: 380
    Последнее: 22.07.2019, 14:49
  3. Speccy2007 - сборка и наладка
    от zx-kit в разделе Speccy-2007/2010
    Ответов: 178
    Последнее: 18.10.2017, 02:32
  4. Гамма 2А - сборка и наладка
    от CodeMaster в разделе Несортированное железо
    Ответов: 12
    Последнее: 27.08.2010, 10:20
  5. Sprinter. Сборка и наладка
    от Ewgeny7 в разделе Sprinter
    Ответов: 10
    Последнее: 18.02.2010, 07:49

Ваши права

  • Вы не можете создавать новые темы
  • Вы не можете отвечать в темах
  • Вы не можете прикреплять вложения
  • Вы не можете редактировать свои сообщения
  •