User Tag List

Страница 5 из 9 ПерваяПервая 123456789 ПоследняяПоследняя
Показано с 41 по 50 из 87

Тема: Карта расширения "ZXM-ProfCard"

  1. #41

    Регистрация
    17.02.2006
    Адрес
    Светлогорск на Березине
    Сообщений
    1,093
    Спасибо Благодарностей отдано 
    0
    Спасибо Благодарностей получено 
    2
    Поблагодарили
    2 сообщений
    Mentioned
    0 Post(s)
    Tagged
    0 Thread(s)

    По умолчанию

    Цитата Сообщение от Mick Посмотреть сообщение
    Ну вот сначала придумай, а потом будем решать.
    Ну первое что приходит в голову это TurboSound... Кстати zorel подобное продает, входит в состав "набора платок для апгрейда".
    Или была еще где-то схема Azure Soundrive.
    Последний раз редактировалось AlexFantasy; 19.01.2012 в 08:26.
    ZXM-Phoenix-1024(rev.02)
    KAY-1024turbo(rev.2010)/FDC/NemoIDE/SMUC2.0/GS(512)
    БАЙТ(БЭМЗ)/FDC
    ZX-Evolution(rev.C)
    Sega Dreamcast(PAL)/2xJoypad/Keyboard
    A500Plus

    ___________________________
    Идея, брошенная в массы - девка, брошенная в полк

  2. #42

    Регистрация
    14.06.2005
    Адрес
    г. Калуга
    Сообщений
    10,141
    Спасибо Благодарностей отдано 
    216
    Спасибо Благодарностей получено 
    769
    Поблагодарили
    417 сообщений
    Mentioned
    23 Post(s)
    Tagged
    0 Thread(s)

    По умолчанию

    Цитата Сообщение от AAA Посмотреть сообщение
    Программа копировщик будет прилагаться или как в Пентеве ?
    Сейчас уже естьПЗУ с встроенным Fatall 0.23

    ---------- Post added at 07:07 ---------- Previous post was at 07:05 ----------

    Цитата Сообщение от AlexFantasy Посмотреть сообщение
    Ну первое что приходит в голову это TurboSound... Кстати zorel такое продает, входит в состав "набора платок для апгрейда".
    Ту уже ответил на свой вопрос. Зачем делать то, что уже сделано и выпускается.

    Цитата Сообщение от AlexFantasy Посмотреть сообщение
    Или была еще где-то схема Azure Soundrive.
    Зачем иметь то, для чего софта нету (или есть но очень мало). Или ты предлагаешь опять мне программы писать.
    Сайт поддержки моих изделий - http://micklab.ru/
    Группа ВКонтакте - https://vk.com/micklab

  3. #43

    Регистрация
    17.02.2006
    Адрес
    Светлогорск на Березине
    Сообщений
    1,093
    Спасибо Благодарностей отдано 
    0
    Спасибо Благодарностей получено 
    2
    Поблагодарили
    2 сообщений
    Mentioned
    0 Post(s)
    Tagged
    0 Thread(s)

    По умолчанию

    Цитата Сообщение от Mick Посмотреть сообщение
    Ту уже ответил на свой вопрос. Зачем делать то, что уже сделано и выпускается.
    Ну не "такое" (извиняюсь - невнимательно посмотрел фото), поправил пост выше! zorel`oвский turbosound FM не ввиде переходника для AY. Даже если и другими производится то все равно можно было-бы приложить к карте расширения.

    1. Кстати на сколько слотов ты думаешь делать карту расширения?

    2. Случаем не планируешь ли замутить программатор что-то типа "MickProg" ,угадай сам для какого компутера, который мог-бы прошивать всяческие ПЗУ-шки, АтМеги и прочую чушь типа плисок?! Там гляди и PC-шники начнут в сторону Пфениксов оглядываться...

    3. Раз уже будешь LPT на расширялке делать, то может делай не один, а два порта! Вернее не порта, а разъёма. Я это в том смысле, что например частенько приходистя к LPT подключать разные устройства (по крайней мере на РС) принтер, ковокс, программатор и т.п. И сделать это дело так что-бы можно было перемычкой на расширителе переключаться на нужный выходной разьем со светодиодной индикацией выбранного!
    Типа что-то вроде этого:
    Миниатюры Миниатюры Нажмите на изображение для увеличения. 

Название:	2hard to 1lpt.jpg 
Просмотров:	192 
Размер:	22.4 Кб 
ID:	32345  
    Последний раз редактировалось AlexFantasy; 19.01.2012 в 13:01.
    ZXM-Phoenix-1024(rev.02)
    KAY-1024turbo(rev.2010)/FDC/NemoIDE/SMUC2.0/GS(512)
    БАЙТ(БЭМЗ)/FDC
    ZX-Evolution(rev.C)
    Sega Dreamcast(PAL)/2xJoypad/Keyboard
    A500Plus

    ___________________________
    Идея, брошенная в массы - девка, брошенная в полк

  4. #44

    Регистрация
    14.06.2005
    Адрес
    г. Калуга
    Сообщений
    10,141
    Спасибо Благодарностей отдано 
    216
    Спасибо Благодарностей получено 
    769
    Поблагодарили
    417 сообщений
    Mentioned
    23 Post(s)
    Tagged
    0 Thread(s)

    По умолчанию

    Цитата Сообщение от AlexFantasy Посмотреть сообщение
    [I]Ну не "такое" (извиняюсь - невнимательно посмотрел фото), поправил пост выше! zorel`oвский turbosound FM не ввиде переходника для AY. Даже если и другими производится то все равно можно было-бы приложить к карте расширения.

    1. Кстати на сколько слотов ты думаешь делать карту расширения?

    2. Случаем не планируешь ли замутить программатор что-то типа "MickProg" ,угадай сам для какого компутера, который мог-бы прошивать всяческие ПЗУ-шки, АтМеги и прочую чушь типа плисок?! Там гляди и PC-шники начнут в сторону Пфениксов оглядываться...

    3. Раз уже будешь LPT на расширялке делать, то может делай не один, а два порта! Вернее не порта, а разъёма. Я это в том смысле, что например частенько приходистя к LPT подключать разные устройства (по крайней мере на РС) принтер, ковокс, программатор и т.п. И сделать это дело так что-бы можно было перемычкой на расширителе переключаться на нужный выходной разьем со светодиодной индикацией выбранного!
    Типа что-то вроде этого:
    Ну ты пряма писатель-фантаст. Сказу прямо, освойте хотя бы что уже сделано. На счет платы, будет один LPT, а то придется полноформатную плату делать и будем этажерку из фенисков и расширителей городить - купим 19 дюймовую стойку и запихнев все это туда.

    Кстати, а SD интерфейс на дискретах кто нибудь рисовал?
    Сайт поддержки моих изделий - http://micklab.ru/
    Группа ВКонтакте - https://vk.com/micklab

  5. #45

    Регистрация
    07.03.2011
    Адрес
    Павловский-Посад
    Сообщений
    64
    Спасибо Благодарностей отдано 
    0
    Спасибо Благодарностей получено 
    0
    Поблагодарили
    0 сообщений
    Mentioned
    0 Post(s)
    Tagged
    0 Thread(s)

    По умолчанию

    Цитата Сообщение от AlexFantasy Посмотреть сообщение

    А не приспособить ли со Специалиста? :
    а где поподробней про эту схему можно поглядеть?

  6. #46

    Регистрация
    03.07.2005
    Адрес
    Санкт-Петербург
    Сообщений
    10,168
    Спасибо Благодарностей отдано 
    147
    Спасибо Благодарностей получено 
    84
    Поблагодарили
    55 сообщений
    Mentioned
    1 Post(s)
    Tagged
    0 Thread(s)

    По умолчанию

    Самая простая схема SD-интерфейса (N8M) использовалась на ОРИОН-2010, на одной мелкосхеме. Только там существующий драйвер в Фаталле нужно рихтовать. Заменить OTIR и INIR на цепочки команд в грубом приближении.
    ScorpEvo ZS 1024 turbo+ CF-HDD/FDD/Mouse/SMUC 3.1/ProfROMse/NeoGS/ZC
    Speccy-2007 128/AY/TR-DOS

    Сайт с документацией к "Scorpion ZS 256"

  7. #46
    С любовью к вам, Yandex.Direct
    Размещение рекламы на форуме способствует его дальнейшему развитию

  8. #47

    Регистрация
    14.06.2005
    Адрес
    г. Калуга
    Сообщений
    10,141
    Спасибо Благодарностей отдано 
    216
    Спасибо Благодарностей получено 
    769
    Поблагодарили
    417 сообщений
    Mentioned
    23 Post(s)
    Tagged
    0 Thread(s)

    По умолчанию

    Цитата Сообщение от Ewgeny7 Посмотреть сообщение
    Самая простая схема SD-интерфейса (N8M) использовалась на ОРИОН-2010, на одной мелкосхеме. Только там существующий драйвер в Фаталле нужно рихтовать. Заменить OTIR и INIR на цепочки команд в грубом приближении.
    Нет уж, нет уж рихтоватиь ничего не надо. Я имел ввиду аналог имеющегося в Фениксе, который в ПЛИСе зашит. Вобщем попробую начрисовать, только надо будет потом его тщательно проверить на предмет работоспосбоности в принципе.
    Сайт поддержки моих изделий - http://micklab.ru/
    Группа ВКонтакте - https://vk.com/micklab

  9. #48

    Регистрация
    14.06.2005
    Адрес
    г. Калуга
    Сообщений
    10,141
    Спасибо Благодарностей отдано 
    216
    Спасибо Благодарностей получено 
    769
    Поблагодарили
    417 сообщений
    Mentioned
    23 Post(s)
    Tagged
    0 Thread(s)

    По умолчанию

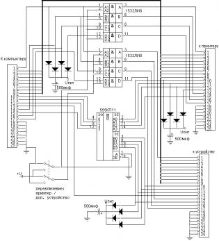
    Обновил вложение в первом посте. Проверьте правильность разложения SD интерфейса на дискреты и потом буду окультуривать. И в разводку.
    Сайт поддержки моих изделий - http://micklab.ru/
    Группа ВКонтакте - https://vk.com/micklab

  10. #49

    Регистрация
    04.04.2007
    Адрес
    Praha
    Сообщений
    753
    Спасибо Благодарностей отдано 
    2
    Спасибо Благодарностей получено 
    34
    Поблагодарили
    15 сообщений
    Mentioned
    1 Post(s)
    Tagged
    0 Thread(s)

    По умолчанию

    Цитата Сообщение от Mick Посмотреть сообщение
    Обновил вложение в первом посте. Проверьте правильность разложения SD интерфейса на дискреты и потом буду окультуривать. И в разводку.
    And this SD interface (ports) is compatible with any existing software ?

  11. #50

    Регистрация
    14.06.2005
    Адрес
    г. Калуга
    Сообщений
    10,141
    Спасибо Благодарностей отдано 
    216
    Спасибо Благодарностей получено 
    769
    Поблагодарили
    417 сообщений
    Mentioned
    23 Post(s)
    Tagged
    0 Thread(s)

    По умолчанию

    Цитата Сообщение от VELESOFT Посмотреть сообщение
    And this SD interface (ports) is compatible with any existing software ?
    Ports SD interface - xx57h and xx77h now used as a PentEvo, and in ZXM-Phoenix. Software supports these ports - copier Fatall

    Порты SD интерфейса xx57h и xx77h сейчас используются как в PentEvo, так и в ZXM-Phoenix. Софт поддерживающий эти порты - копировщик Fatall
    Сайт поддержки моих изделий - http://micklab.ru/
    Группа ВКонтакте - https://vk.com/micklab

Страница 5 из 9 ПерваяПервая 123456789 ПоследняяПоследняя

Информация о теме

Пользователи, просматривающие эту тему

Эту тему просматривают: 1 (пользователей: 0 , гостей: 1)

Похожие темы

  1. Звуковая карта "ZXM-SoundCard"
    от Mick в разделе Звук
    Ответов: 1333
    Последнее: 30.03.2024, 14:52
  2. Ответов: 0
    Последнее: 15.08.2010, 14:38
  3. Ответов: 18
    Последнее: 27.08.2008, 20:27
  4. "Модуль расширения" и его ТЗ.
    от falanger в разделе Nintendo
    Ответов: 7
    Последнее: 05.06.2008, 16:44
  5. Ответов: 6
    Последнее: 20.11.2007, 11:29

Ваши права

  • Вы не можете создавать новые темы
  • Вы не можете отвечать в темах
  • Вы не можете прикреплять вложения
  • Вы не можете редактировать свои сообщения
  •