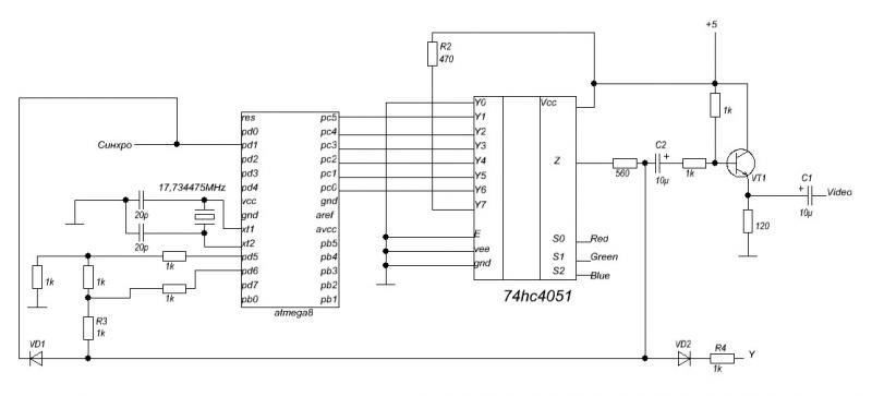
Решил собрать ПАЛ кодер для Pentagon128 без использования спец микросхем типа mc1377......
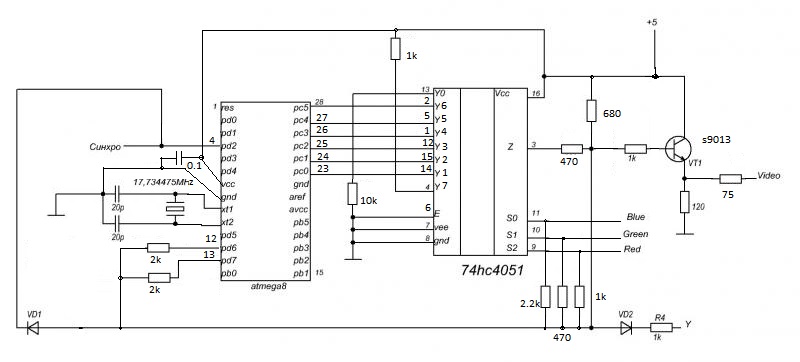
Последнее обновление 05.03.2022
-Изменен принцип работы и принципиальная схема, работает неплохо. Сигналы берутся непосредственно с микросхем D72 (red - 6й вывод, green - 8, blue -3, Sync - 11й вывод) и D47 Y - 9й вывод.




Ответить с цитированием
Размещение рекламы на форуме способствует его дальнейшему развитию 




