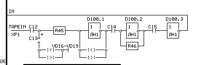
Вот входная схема пентагона с магнитофона:
Т.е. 3 элемента НЕ. Не могу понять что она делает. Я бы понял парочку НЕ как буфер сигнала, что подтянуть его до уровня TTL, но тут их 3, т.е. сигнал инвертированый приходит, а еще в параллель диоды двунаправленно стоят и резюк. Для чего весь этот огород?


Ответить с цитированием
Размещение рекламы на форуме способствует его дальнейшему развитию 

