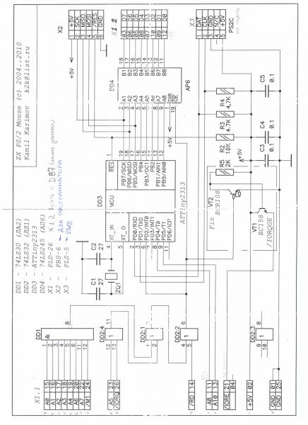
Достался мне в наследство разработанный Камилем Каримовым девайс для подключения PS/2 мышки и клавиатуры к ZX-спектрум. Контроллер реализован на AT90S2313 и + еще 3 микросхемки.
На плате написано ZXMSMD.
Есть даже схема девайса.
Необходимо подключить его к АТМ-Турбо 2+ v.7.10
Использовать планируется только PS/2 мышь.
Поскольку в этом компьютере подключена PC-клавиатура через свой контроллер. Работает без нареканий.
Как я понял подключается сей девайс к шинам адреса и данных плюс еще
несколько сигналов к процессору.
Мой вопрос в следующем: Как правильно его подключить к плате АТМ Турбо 2+ v7.10?
Подключать следует к реализованному на плате разъему RS232 или Internal I/O ???
Или вообще к АТМки его можно подключить только с паяльником
подключившись к необходимым сигналам?
![]()




Ответить с цитированием
Размещение рекламы на форуме способствует его дальнейшему развитию 

