Здравствуйте,
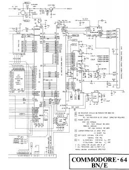
недавно получил себе данный аппарат и столкнулся с проблемой отсутствия звука. И продавец с Ибея и добрый человек с Авито подсказали по поводу стеклянного фьюза по линии 9VAC, которого не было установлено совсем, а без 9V звука не будет. В надежде что всё же SID еще жив (хотя и откладываю кровные на ArmSID) я вынул чип и занялся замерами напряжений по схеме (см.вложение), по подсказке и по результатам замеров были приговорены транзистор Q5 и стабилитрон CR7, между стабилитроном и базой транзистора меньше 2V, которые приходят на кроватку для SIDа на 28 ногу, чего явно недостаточно для его работы. Сразу скажу, что в таком виде у меня SID не включался, так что есть шанс что он жив, но так как сам комп так сказать "refurbished", то что там с ним в реальности сказать сложно. Собственно смотрите на скрине где и какие у меня напряжения, транзистор кстати стоял D789D, а по схеме должен стоять 2SR1384, которых я прикупил 4 штуки для замены. И вопрос в том какой же стабилитрон купить? Я пока остановился на "1N4739A, [DO-41] Стабилитрон 9.1В 1Вт" и завтра его прикуплю. Хотел бы услышать советы или подсказки по решению проблемы с питанием. Спасибо.
![]()


Ответить с цитированием
Размещение рекламы на форуме способствует его дальнейшему развитию 

