User Tag List

Страница 23 из 38 ПерваяПервая ... 192021222324252627 ... ПоследняяПоследняя
Показано с 221 по 230 из 371

Тема: Радио-86РК на новый лад

  1. #221

    Регистрация
    10.02.2012
    Адрес
    г. Челябинск
    Сообщений
    118
    Спасибо Благодарностей отдано 
    13
    Спасибо Благодарностей получено 
    0
    Поблагодарили
    0 сообщений
    Mentioned
    0 Post(s)
    Tagged
    0 Thread(s)

    По умолчанию

    Цитата Сообщение от AHTuXPuCT Посмотреть сообщение
    dmluk, Тогда уже и дроссель SMD надо ставить

    В базе элементов нет, а рисовать не охота.
    Лучше бы конечно живьем найти и по готовому изобразить.
    К тому же, на работе не особенно много времени есть, рисованием заниматься.

  2. #222

    Регистрация
    02.06.2009
    Адрес
    Искитим
    Сообщений
    1,275
    Спасибо Благодарностей отдано 
    16
    Спасибо Благодарностей получено 
    5
    Поблагодарили
    5 сообщений
    Mentioned
    0 Post(s)
    Tagged
    0 Thread(s)

    По умолчанию

    а сколько ВМ80 потребляет по -5 и +12?

  3. #223

    Регистрация
    10.02.2012
    Адрес
    г. Челябинск
    Сообщений
    118
    Спасибо Благодарностей отдано 
    13
    Спасибо Благодарностей получено 
    0
    Поблагодарили
    0 сообщений
    Mentioned
    0 Post(s)
    Tagged
    0 Thread(s)

    По умолчанию

    Цитата Сообщение от AHTuXPuCT Посмотреть сообщение
    а сколько ВМ80 потребляет по -5 и +12?
    Ну всяко не по 100мА.
    -5 у него на подложку, если мне память на изменяет, а вот куда там 12 шло, хоть убей не помню.
    Мдаааа! И-Нет - велика помойка!
    Вот что нашел.

    Ток потребления от Ucc1, мА, не более 75
    Ток потребления от Ucc2, мА, не более 85
    Ток потребления от Uис, мА, не более 1,0

    А какие 5, 12, и -5 ХЗ!
    http://gete.ru/post_1193116834.html

  4. #224

    Регистрация
    02.06.2009
    Адрес
    Искитим
    Сообщений
    1,275
    Спасибо Благодарностей отдано 
    16
    Спасибо Благодарностей получено 
    5
    Поблагодарили
    5 сообщений
    Mentioned
    0 Post(s)
    Tagged
    0 Thread(s)

    По умолчанию

    по -5 мало потребляет, а по +12 надо 100мА (ну или по больше с запасом)

  5. #225

    Регистрация
    10.02.2012
    Адрес
    г. Челябинск
    Сообщений
    118
    Спасибо Благодарностей отдано 
    13
    Спасибо Благодарностей получено 
    0
    Поблагодарили
    0 сообщений
    Mentioned
    0 Post(s)
    Tagged
    0 Thread(s)

    По умолчанию

    Цитата Сообщение от AHTuXPuCT Посмотреть сообщение
    по -5 мало потребляет, а по +12 надо 100мА (ну или по больше с запасом)
    НАШЕЛ!

    http://rln.nnov.ru/index.php?ind=rev...y_view&iden=77

    в кратце

    12 - 50мА
    5 - 70мА
    -5 - 1мА

    Разные источники - разная информация. Сходятся в одном - не более 100мА.

  6. #226

    Регистрация
    28.05.2010
    Адрес
    г. Москва
    Сообщений
    510
    Спасибо Благодарностей отдано 
    5
    Спасибо Благодарностей получено 
    17
    Поблагодарили
    16 сообщений
    Mentioned
    0 Post(s)
    Tagged
    0 Thread(s)

    По умолчанию

    Цитата Сообщение от dmluk Посмотреть сообщение
    Ток потребления от Ucc1, мА, не более 75
    Ток потребления от Ucc2, мА, не более 85
    Ток потребления от Uис, мА, не более 1,0

    А какие 5, 12, и -5 ХЗ!
    По справочнику:
    Ucc1, не более 75ма +5в
    Ucc2, не более 85ма +12в
    Ucc3, не более 1ма -5в

  7. #226
    С любовью к вам, Yandex.Direct
    Размещение рекламы на форуме способствует его дальнейшему развитию

  8. #227

    Регистрация
    11.10.2010
    Адрес
    Запорожье
    Сообщений
    166
    Спасибо Благодарностей отдано 
    2
    Спасибо Благодарностей получено 
    24
    Поблагодарили
    13 сообщений
    Mentioned
    0 Post(s)
    Tagged
    0 Thread(s)

    По умолчанию

    Народ, расчет потребления микросхем я делал еще в прошлом году. Смотрите в первом посте, вот здесь. Мне это уже не интересно, потому, что передо мной лежит работающий девайс и ничто не мешает мне измерить на нем токи потребления.

    И так...

    Код:
      Источник питания           Расчетный ток            Реальный ток
            +5В                    1205мА                    510мА
           +12В                      82мА                     38мА
            -5В                       1мА                      7мА
    Есть еще хорошие новости:
    Я распаял цепи обмена с магнитофоном и загрузил парочку игрушек с МР3 плейера. Это Boulder Dash и "Звездный поход" (смотри скриншоты внизу). С первой игрой все понятно, а по второй скажу, что это стратегия, написанная на Бейсике (аналог Star Trek). В эту игру мне нравилось рубиться в далекие 90-е.

    И вообще, я вспомнил ту атмосферу, жужжание фонограммы, загрузка в несколько минут, сбои загрузки, некачественная кассета (загружал то я с обычной оцифрованной фонограммы). Все это терпимо, кроме двух последних. Обидно, сидишь минуту или две, а в результате получаешь "?->". Вот с этим я и призван бороться. Нужно все переводить в цифру с минимальным количеством помех.

    Дальше буду двигаться в двух направлениях:
    1. Извлечение ВВ55 и установка вместо нее ATMega32, подключение PS/2 клавиатуры.
    2. Разработка и установка стабилизаторов питающих напряжений, надоело с АТХ блоком таскаться.
    Миниатюры Миниатюры Нажмите на изображение для увеличения. 

Название:	19085522.jpg 
Просмотров:	357 
Размер:	36.8 Кб 
ID:	39982   Нажмите на изображение для увеличения. 

Название:	19092029.JPG 
Просмотров:	348 
Размер:	9.5 Кб 
ID:	39983   Нажмите на изображение для увеличения. 

Название:	19093756.JPG 
Просмотров:	1140 
Размер:	50.9 Кб 
ID:	39984   Нажмите на изображение для увеличения. 

Название:	19094344.JPG 
Просмотров:	356 
Размер:	60.8 Кб 
ID:	39985   Нажмите на изображение для увеличения. 

Название:	19095610.JPG 
Просмотров:	365 
Размер:	63.2 Кб 
ID:	39986  

    Последний раз редактировалось kovdry; 20.02.2013 в 16:22.

  9. #228
    HardWareMan
    Гость

    По умолчанию

    Не забывайте, что -5В у ВМ80 используется как статическое смещение (токи до 10мА в реале), а +12В не только для работы самого ВМ80, но и для выходного буфера тактового генератора (в случае со Специалистом, там ток поболее 38мА, измеренный предыдущим оратором).

  10. #229

    Регистрация
    01.12.2010
    Адрес
    г. Санкт-Петербург
    Сообщений
    1,657
    Записей в дневнике
    21
    Спасибо Благодарностей отдано 
    0
    Спасибо Благодарностей получено 
    3
    Поблагодарили
    2 сообщений
    Mentioned
    0 Post(s)
    Tagged
    0 Thread(s)

    По умолчанию

    Оба Специалиста 25 мА по 12 Вольтам.

    Я тут попробовал собрать преобразовать 5 -> 12 на одной 155ЛА7. Ну плюс еще дросель, диод, кондер, стабилитрон. Получилось 12 В 55 мА.
    Последний раз редактировалось vinxru; 20.02.2013 в 19:14.

  11. #230

    Регистрация
    11.10.2010
    Адрес
    Запорожье
    Сообщений
    166
    Спасибо Благодарностей отдано 
    2
    Спасибо Благодарностей получено 
    24
    Поблагодарили
    13 сообщений
    Mentioned
    0 Post(s)
    Tagged
    0 Thread(s)

    По умолчанию

    По поводу блока питания для РК:
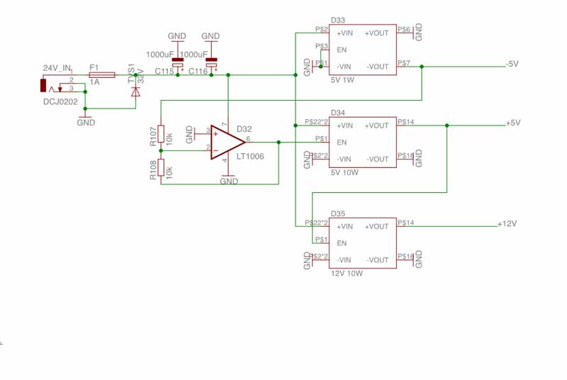
    Мне больше всего нравится решение, используемое здесь. Картинку из этого pdf представлена внизу поста. Это было бы идеальным решением, если бы автор не поставил туда какие то мутные модули, которые не возможно нигде достатьт. А вообще решение продуманное. Каждое напряжение питания стабилизируется отдельно из 24В. Поскольку процессор критичен к пропаданию напряжения -5В, более того, без него он вообще сдыхает , здесь грамотно продумано управление стабилизаторами, они включаются последовательно: сначала -5В, потом +5В и наконец +12В. Отключение происходит при пропадании критичных напряжений -5В и +5В.

    О том, насколько практично такое решение с раздельной стабилизацией и контролем критичных напряжений я убедился на практике.

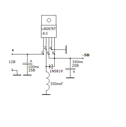
    Не смотря на то, что описанная схема мне понравилась, реализовать на практике сразу я ее не мог. По этому решил поставить промежуточную. У меня есть импульсный блок питания на 5 и 12 В по 0.75А на каждый. Это стандартный блок фирмы Autec Power System UPS12-2002. Это не рекламма, как раз мне такое подключение не совсем мне нравится. Блок построен по схеме аналогичной блоку АТХ, только он попроще и послабее. Контроль выходного напряжения проводится по +5В. Стабилизатор -5В я выполнил на отдельной LM2575T-5.0 (см. фото внизу) запитав его от +12В.

    Перед подключением блока питания к РК, я решил проверить выходные напряжения, блок Б/У, мало ли что. И хорошо что сразу не подключил, по 12В он выдавал аж 17В, а по 5В - 4.1В. Если бы подключил, то сдох бы процессор и ГФ24. Думаю, может это он по холостому ходу так выдает. Подключил к 12В моторчик, моторчик крутится, а напряжение упало только до 16В. Пришлось заняться ремонтом блочка. По логике работы, я отределил, что что то садит напряжение в низковольтной части +5В, блочек пытается поднять напряжение, добавляет мощности и поднимает напряжение на 12В аж в полтора раза! Эта то особенность и не нравится мне в таких блочках. Проверил я выпрямительный диод и конденсаторы по +5В. Один из конденсаторов поменял, и все стало на место: 5В поднялось до нормы и на 12В опустилось до 12.4В. Конденсатор, скорее всего не садил +5В, а просто потерял емкость и засчет пульсаций напряжение просаживалось.
    Ну скажите, разве это не засада!? А через сколько впаяный мною конденсатор высохнет?
    По этому никаких сдвоеных или строеных стабилизаторов ставить я не предусматриваю.

    Стабилизаторы буду делать на специализированных микросхемах импульсных стабилизаторов. Скорее всего это будум ИМС LM2574, LM2575,LM2576 с фиксированными выходами на 5 и 12В.

    Микросхема MC34063 имеет два недостатка:
    - у нее нет входа включения/выключения
    - у нее нет внутреннего делителя на 5В или 12В, а резисторы для внешнего делителя нужно подбирать

    Микросхемы LM2575 достаточно доступны и не дороги
    Миниатюры Миниатюры Нажмите на изображение для увеличения. 

Название:	Img1.jpg 
Просмотров:	964 
Размер:	34.1 Кб 
ID:	40083   Нажмите на изображение для увеличения. 

Название:	P2260008.JPG 
Просмотров:	373 
Размер:	71.2 Кб 
ID:	40084   Нажмите на изображение для увеличения. 

Название:	Img2.jpg 
Просмотров:	2100 
Размер:	16.6 Кб 
ID:	40085   Нажмите на изображение для увеличения. 

Название:	P2260007.jpg 
Просмотров:	347 
Размер:	40.4 Кб 
ID:	40086  
    Последний раз редактировалось kovdry; 26.02.2013 в 13:42.

Страница 23 из 38 ПерваяПервая ... 192021222324252627 ... ПоследняяПоследняя

Информация о теме

Пользователи, просматривающие эту тему

Эту тему просматривают: 1 (пользователей: 0 , гостей: 1)

Похожие темы

  1. Радио-86РК: Дампы ПЗУ
    от Павел Рябцов в разделе Радио-86РК
    Ответов: 19
    Последнее: 21.05.2018, 18:17
  2. Радио-86РК: Видеовыход
    от m.d. в разделе Радио-86РК
    Ответов: 13
    Последнее: 21.05.2015, 08:19
  3. Радио-86РК: По страницам журнала "Радио"
    от Viktor2312 в разделе Радио-86РК
    Ответов: 79
    Последнее: 13.02.2014, 08:34
  4. Радио 86РК
    от Shnurkov в разделе Барахолка (архив)
    Ответов: 1
    Последнее: 02.01.2009, 12:52

Ваши права

  • Вы не можете создавать новые темы
  • Вы не можете отвечать в темах
  • Вы не можете прикреплять вложения
  • Вы не можете редактировать свои сообщения
  •