User Tag List

Страница 3 из 4 ПерваяПервая 1234 ПоследняяПоследняя
Показано с 21 по 30 из 35

Тема: Кворум 128 & FDD 3.5

  1. #21

    Регистрация
    03.08.2008
    Адрес
    г. Самара
    Сообщений
    299
    Спасибо Благодарностей отдано 
    0
    Спасибо Благодарностей получено 
    0
    Поблагодарили
    0 сообщений
    Mentioned
    0 Post(s)
    Tagged
    0 Thread(s)

    По умолчанию

    Да у меня не телевизор, а ТВ тюнер и пал кодер. Короче нашел я сигналы R,G,B Синхру напрямую с видеоконтроллера, а не после встроенного в Кворум кодера, изображение есть, но синхра после включения не ловится, а вот если взять проводок и руками на вывод микрухи (я цеплял на 3 выв DD15 так как рядом) посадить то она ловится. И как её зафиксить? Я и не сомневаюсь, что на скарте будет всё ОК, сигналы все доходят, но его у меня нет.

  2. #22

    Регистрация
    14.01.2005
    Адрес
    Ekaterinburg
    Сообщений
    2,726
    Спасибо Благодарностей отдано 
    19
    Спасибо Благодарностей получено 
    148
    Поблагодарили
    91 сообщений
    Mentioned
    0 Post(s)
    Tagged
    0 Thread(s)

    По умолчанию

    Цитата Сообщение от Petr0v
    ткни носом в схему подключения, а то очень хочется сопр в Кворум запихать
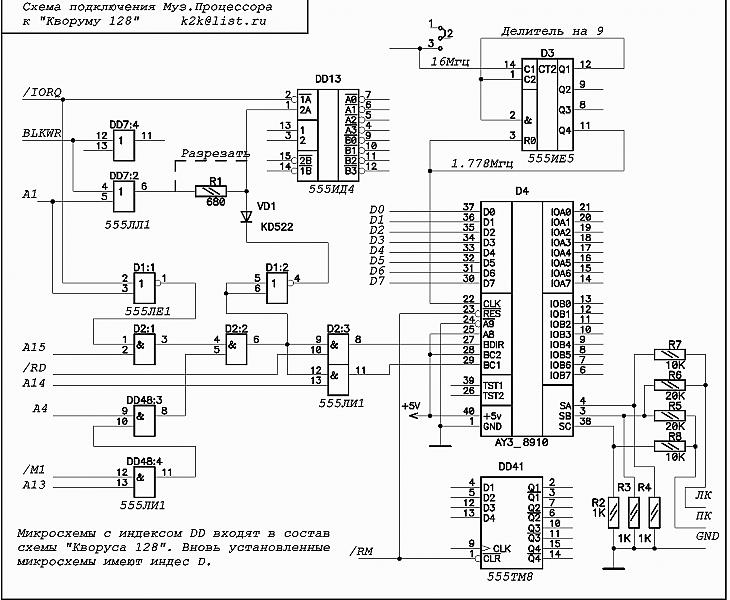
    Схема подключения муз.процессора к Кворуму 128:
    Миниатюры Миниатюры Нажмите на изображение для увеличения. 

Название:	qu128mp.jpg 
Просмотров:	524 
Размер:	83.6 Кб 
ID:	10917  

  3. #23

    Регистрация
    14.01.2005
    Адрес
    Ekaterinburg
    Сообщений
    2,726
    Спасибо Благодарностей отдано 
    19
    Спасибо Благодарностей получено 
    148
    Поблагодарили
    91 сообщений
    Mentioned
    0 Post(s)
    Tagged
    0 Thread(s)

    По умолчанию

    Цитата Сообщение от Zhizh Посмотреть сообщение
    Есть у меня Кворум-128, один из тех, что раздавал jerrs. Он без контроллера дисковода, и я хочу его сделать. Вопрос: можно любой контроллер подключать,или у Кворума есть какие-то особенности и контроллер дисковода тоже надо особенный?
    К системному разьему можно цеплять любой TRDOS-контроллер.
    Последний раз редактировалось caro; 02.03.2009 в 20:12.

  4. #24

    Регистрация
    03.08.2008
    Адрес
    г. Самара
    Сообщений
    299
    Спасибо Благодарностей отдано 
    0
    Спасибо Благодарностей получено 
    0
    Поблагодарили
    0 сообщений
    Mentioned
    0 Post(s)
    Tagged
    0 Thread(s)

    По умолчанию

    Камиль, а подскажи как с ПАЛ кодером подружить?
    И еще был бы очень признателен за монтажную схему.
    Последний раз редактировалось Petr0v; 02.03.2009 в 20:35.

  5. #25

    Регистрация
    03.08.2008
    Адрес
    г. Самара
    Сообщений
    299
    Спасибо Благодарностей отдано 
    0
    Спасибо Благодарностей получено 
    0
    Поблагодарили
    0 сообщений
    Mentioned
    0 Post(s)
    Tagged
    0 Thread(s)

    Angry Кворум накрылся

    Распаял музыкальный сопроцессор, все по схеме никаких ляпов, включаю и.... шахматное поле , на ресет реагирует и все.
    С перепугу все вернул на место, AY убрал, результат не изменился
    Кворум на БМК и если накрылась эта микруха, то всё, туши свет?
    Я вроде подумал, что ПЗУ отвалилась (на Пентагоне с таким на днях сталкивался) панелька там стоит хреновая, но контакт есть
    Без ПЗУ матрас из вертикальных черных линий разной толщины, то есть через одну, тонкая, толстая и т.д.
    Короче сорри за панику, панелька под ПЗУ г-но полное, немного доработал её и все поехало, зря тока сопр скинул....
    Последний раз редактировалось Petr0v; 04.03.2009 в 22:30.

  6. #26

    Регистрация
    03.08.2008
    Адрес
    г. Самара
    Сообщений
    299
    Спасибо Благодарностей отдано 
    0
    Спасибо Благодарностей получено 
    0
    Поблагодарили
    0 сообщений
    Mentioned
    0 Post(s)
    Tagged
    0 Thread(s)

    Question

    Вопросы, наверно, больше к Caro
    1. На схеме подключения муз-сопра, что ты дал есть елемент DD48, но на схеме что у меня и на плате нет вообще микросхем ЛИ1.... За исключением какой то дароботки и ЛИ1 висит рядом с ПЗУ, которая у меня одна... Может у тебя какая то схема другая? Или у меня порезы где есть, я только 2 нашёл блин
    2. Подключил музыкалку, не работает... просто мигает бордюр и папер в инверсе...
    Оторвал доработку, комп работает, но не совсем... половина ПЗУ тока включается... На схеме возле каждо ПЗУ-шки типа перемычек, куда какие сигналы завести, если пзу 27512 ?


    И что то у меня какие то несовпадения схемы и реала....

  7. #27

    Регистрация
    14.01.2005
    Адрес
    Ekaterinburg
    Сообщений
    2,726
    Спасибо Благодарностей отдано 
    19
    Спасибо Благодарностей получено 
    148
    Поблагодарили
    91 сообщений
    Mentioned
    0 Post(s)
    Tagged
    0 Thread(s)

    По умолчанию

    Цитата Сообщение от Petr0v
    1. На схеме подключения муз-сопра, что ты дал есть елемент DD48, но на схеме что у меня и на плате нет вообще микросхем ЛИ1.... За исключением какой то дароботки и ЛИ1 висит рядом с ПЗУ, которая у меня одна...
    Рядом с ПЗУ на плате кверху ножками приклеен корпус именно ЛИ1 - это и есть DD48.
    Два элемента в нем задействованы, а два свободны, их и надо использовать.

    Цитата Сообщение от Petr0v
    2. Подключил музыкалку, не работает... просто мигает бордюр и папер в инверсе...
    Оторвал доработку, комп работает, но не совсем... половина ПЗУ тока включается... На схеме возле каждо ПЗУ-шки типа перемычек, куда какие сигналы завести, если пзу 27512 ?
    Если ты ничего случайно не оторвал, то менять ничего и не надо.

    Цитата Сообщение от Petr0v
    И что то у меня какие то несовпадения схемы и реала...
    Постараюсь выложить схему и соответствующую ей монтажку.

  8. #28

    Регистрация
    03.08.2008
    Адрес
    г. Самара
    Сообщений
    299
    Спасибо Благодарностей отдано 
    0
    Спасибо Благодарностей получено 
    0
    Поблагодарили
    0 сообщений
    Mentioned
    0 Post(s)
    Tagged
    0 Thread(s)

    Smile

    Цитата Сообщение от caro Посмотреть сообщение
    Рядом с ПЗУ на плате кверху ножками приклеен корпус именно ЛИ1 - это и есть DD48.
    Два элемента в нем задействованы, а два свободны, их и надо использовать.
    Ну вот, ты ещё и видел эту машинку...
    Что это за DD48? Схема включения есть ? И зачем оно надо вообще?

    Если ты ничего случайно не оторвал, то менять ничего и не надо.

    Постараюсь выложить схему и соответствующую ей монтажку.
    Да ничего не отрывал...
    Кворум работает.
    В общем, очень нужна хорошая схема с монтажкой.
    Буду очччень признателен.

  9. #29

    Регистрация
    01.02.2007
    Адрес
    Орёл
    Сообщений
    680
    Спасибо Благодарностей отдано 
    0
    Спасибо Благодарностей получено 
    2
    Поблагодарили
    1 сообщение
    Mentioned
    0 Post(s)
    Tagged
    0 Thread(s)

    По умолчанию

    Сегодня подцепил муз сопроцессор к своему Кворум 128, все отлично работает. Единственное, что DD48 у меня на плате не было, так что пришлось добавить еще одну 555ли1. Огромное спасибо caro за предоставленную схему и Petr0vу, за разведенную печатную плату.

  10. #30

    Регистрация
    03.08.2008
    Адрес
    г. Самара
    Сообщений
    299
    Спасибо Благодарностей отдано 
    0
    Спасибо Благодарностей получено 
    0
    Поблагодарили
    0 сообщений
    Mentioned
    0 Post(s)
    Tagged
    0 Thread(s)

    По умолчанию

    Цитата Сообщение от Shnurkov Посмотреть сообщение
    Сегодня подцепил муз сопроцессор
    Ну вот спустя месяц и я все собрал, все работает

    Теперь еще вопро с caro : малой кровью до 256 кб расширить можно?

Страница 3 из 4 ПерваяПервая 1234 ПоследняяПоследняя

Информация о теме

Пользователи, просматривающие эту тему

Эту тему просматривают: 1 (пользователей: 0 , гостей: 1)

Похожие темы

  1. Нужна схема Кворум-128
    от johnny в разделе Кворум
    Ответов: 19
    Последнее: 07.10.2022, 19:06

Ваши права

  • Вы не можете создавать новые темы
  • Вы не можете отвечать в темах
  • Вы не можете прикреплять вложения
  • Вы не можете редактировать свои сообщения
  •