User Tag List

Страница 2 из 11 ПерваяПервая 123456 ... ПоследняяПоследняя
Показано с 11 по 20 из 118

Тема: Вопрос по поводу подключения мыши (Amiga 1200)

Комбинированный просмотр

Предыдущее сообщение Предыдущее сообщение   Следующее сообщение Следующее сообщение
  1. #1

    Регистрация
    04.07.2009
    Адрес
    Запорожье
    Сообщений
    185
    Спасибо Благодарностей отдано 
    0
    Спасибо Благодарностей получено 
    0
    Поблагодарили
    0 сообщений
    Mentioned
    0 Post(s)
    Tagged
    0 Thread(s)

    По умолчанию

    подробнее про два транзистора и резистор можно? в идеале было бы хорошо схему увидеть

    Скрытый текст

    286
    386
    486
    P1/166MMX/SOYO TX/3.5/5.25/4Gb/CD-ROM/64Mb/3DFX Voodoo 4Mb/Matrox Mistique/AWE32/GUSPnP/SW60XG/Lan
    P3
    Amiga1200/Wi-Fi/HDD 60Gb/DVD CD-RW/FastATA MK-IV/Indivision AGA/Blizzard 1260 50@77+64Mb/E-Matrix 1230-50+32Mb
    AmigaCD32
    Atari65XE/SIO2PC
    AtariSTe/Ultrasatan+2Gb+8Gb
    Commodore64/
    DualSID/1531/FDD 1541 II/Ultimate II+16Gb
    Dreamcast NTSC-U/PAL-E
    Macintosh LC475/XC68LC040RC25B@33/HDD 2Gb/Lan/256Kb/68Mb/Yamaha CD-RW
    SchneiderCPC6128/HxC Floppy Emulator+16Gb
    Speccy2010r2
    [свернуть]

  2. #1
    С любовью к вам, Yandex.Direct
    Размещение рекламы на форуме способствует его дальнейшему развитию

  3. #2

    Регистрация
    15.10.2010
    Адрес
    Витебск, Беларусь
    Сообщений
    228
    Спасибо Благодарностей отдано 
    6
    Спасибо Благодарностей получено 
    17
    Поблагодарили
    11 сообщений
    Mentioned
    0 Post(s)
    Tagged
    0 Thread(s)

    По умолчанию

    Цитата Сообщение от 31pka Посмотреть сообщение
    подробнее про два транзистора и резистор можно? в идеале было бы хорошо схему увидеть
    у меня схема получилась с 1 транзистором, но я подправлял прошивку, ближе к выходным выложу
    Лишь ум потерянный бесповоротно мною наполнить может сердце мне тоскою...
    Atari XE 65, Commodore 64c, Atari 520ST + UltraSatan, Amiga A1200 + Apolo 040@40mhz 16mb, Macintosh SE/30, Pentagon 1024SL 1.4, Mac mini G4

  4. #3

    Регистрация
    04.07.2009
    Адрес
    Запорожье
    Сообщений
    185
    Спасибо Благодарностей отдано 
    0
    Спасибо Благодарностей получено 
    0
    Поблагодарили
    0 сообщений
    Mentioned
    0 Post(s)
    Tagged
    0 Thread(s)

    По умолчанию

    Rico, все еще ждем

    Скрытый текст

    286
    386
    486
    P1/166MMX/SOYO TX/3.5/5.25/4Gb/CD-ROM/64Mb/3DFX Voodoo 4Mb/Matrox Mistique/AWE32/GUSPnP/SW60XG/Lan
    P3
    Amiga1200/Wi-Fi/HDD 60Gb/DVD CD-RW/FastATA MK-IV/Indivision AGA/Blizzard 1260 50@77+64Mb/E-Matrix 1230-50+32Mb
    AmigaCD32
    Atari65XE/SIO2PC
    AtariSTe/Ultrasatan+2Gb+8Gb
    Commodore64/
    DualSID/1531/FDD 1541 II/Ultimate II+16Gb
    Dreamcast NTSC-U/PAL-E
    Macintosh LC475/XC68LC040RC25B@33/HDD 2Gb/Lan/256Kb/68Mb/Yamaha CD-RW
    SchneiderCPC6128/HxC Floppy Emulator+16Gb
    Speccy2010r2
    [свернуть]

  5. #4

    Регистрация
    15.10.2010
    Адрес
    Витебск, Беларусь
    Сообщений
    228
    Спасибо Благодарностей отдано 
    6
    Спасибо Благодарностей получено 
    17
    Поблагодарили
    11 сообщений
    Mentioned
    0 Post(s)
    Tagged
    0 Thread(s)

    По умолчанию

    прошу прощения, никак не освобожусь, постараюсь на этой неделе
    Лишь ум потерянный бесповоротно мною наполнить может сердце мне тоскою...
    Atari XE 65, Commodore 64c, Atari 520ST + UltraSatan, Amiga A1200 + Apolo 040@40mhz 16mb, Macintosh SE/30, Pentagon 1024SL 1.4, Mac mini G4

  6. #5

    Регистрация
    15.10.2010
    Адрес
    Витебск, Беларусь
    Сообщений
    228
    Спасибо Благодарностей отдано 
    6
    Спасибо Благодарностей получено 
    17
    Поблагодарили
    11 сообщений
    Mentioned
    0 Post(s)
    Tagged
    0 Thread(s)

    По умолчанию

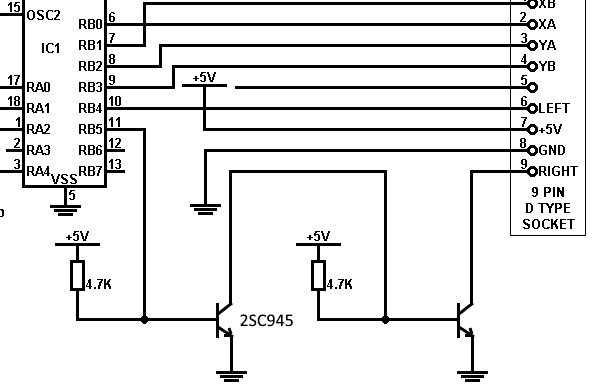
    вот такая у меня получилась схема


    эта доработка будет работать только с модифицированной прошивкой, которую и прилагаю

    если вы хотите использовать оригинальную прошивку или использовать другую схему то необходимо будет добавить еще один каскад на выходе, резистор и транзистор, примерно так

    Миниатюры Миниатюры Нажмите на изображение для увеличения. 

Название:	circuit1.png 
Просмотров:	737 
Размер:	9.6 Кб 
ID:	38630   Нажмите на изображение для увеличения. 

Название:	circuit2.png 
Просмотров:	714 
Размер:	5.5 Кб 
ID:	38633  
    Вложения Вложения
    Последний раз редактировалось Rico; 05.12.2012 в 19:11.
    Лишь ум потерянный бесповоротно мною наполнить может сердце мне тоскою...
    Atari XE 65, Commodore 64c, Atari 520ST + UltraSatan, Amiga A1200 + Apolo 040@40mhz 16mb, Macintosh SE/30, Pentagon 1024SL 1.4, Mac mini G4

  7. #6

    Регистрация
    03.02.2006
    Адрес
    reepablik O0f Pilarus
    Сообщений
    731
    Спасибо Благодарностей отдано 
    4
    Спасибо Благодарностей получено 
    29
    Поблагодарили
    22 сообщений
    Mentioned
    0 Post(s)
    Tagged
    0 Thread(s)

    По умолчанию

    интересно... почему остановка только на этом транзисторе? да,аналог его - КТ3102Д. в чем заключалась смена прошивки? почему не сработает один каскада на другом типе транзистора без изменений прошивки?
    ps поправь,но я не увидел чего то феноменального во второй схеме с двумя транзисторами... простейший усилитель
    Последний раз редактировалось volton; 12.12.2012 в 11:41.
    -+ aMiGa +-

  8. #7

    Регистрация
    15.10.2010
    Адрес
    Витебск, Беларусь
    Сообщений
    228
    Спасибо Благодарностей отдано 
    6
    Спасибо Благодарностей получено 
    17
    Поблагодарили
    11 сообщений
    Mentioned
    0 Post(s)
    Tagged
    0 Thread(s)

    По умолчанию

    Цитата Сообщение от volton Посмотреть сообщение
    интересно... почему остановка только на этом транзисторе? да,аналог его - КТ3102Д. в чем заключалась смена прошивки? почему не сработает один каскада на другом типе транзистора без изменений прошивки?
    ps поправь,но я не увидел чего то феноменального во второй схеме с двумя транзисторами... простейший усилитель
    остановка на этом типе транзистора связана с тем что у меня их много, КТ3102Д вполне подойдет впрочем как и КТ315, один каскад на родной прошивке не сработает так как на выходе будет инверсия

    один каскад на транзисторе обратной проводимости? чтож можно попробовать но думаю ничего не выйдет... как это ты себе представляешь?

    зы поправлять не стану, абсолютно ничего феноменального, все опубликовано по просьбе 31pka, а так бы даже не заморачивался...

    ---------- Post added at 11:53 ---------- Previous post was at 11:49 ----------

    Цитата Сообщение от goodboy Посмотреть сообщение
    а почему забыл про среднюю кнопку мыши ?
    есть-же программы сеё поддержкой/опросом.
    в данной версии поддержки средней кнопки нет, клик на среднюю кнопку просто выполняет имитацию постоянного нажатия на левую кнопку в режиме триггера
    Последний раз редактировалось Rico; 12.12.2012 в 13:00.
    Лишь ум потерянный бесповоротно мною наполнить может сердце мне тоскою...
    Atari XE 65, Commodore 64c, Atari 520ST + UltraSatan, Amiga A1200 + Apolo 040@40mhz 16mb, Macintosh SE/30, Pentagon 1024SL 1.4, Mac mini G4

  9. #8

    Регистрация
    03.02.2006
    Адрес
    reepablik O0f Pilarus
    Сообщений
    731
    Спасибо Благодарностей отдано 
    4
    Спасибо Благодарностей получено 
    29
    Поблагодарили
    22 сообщений
    Mentioned
    0 Post(s)
    Tagged
    0 Thread(s)

    По умолчанию

    тут бы эту траблу копнуть глубже...
    подтяжкой к земле выхода пика второй кнопы резистором решается проблема,но не до конца . еще один момент... почему у кого то все нормально работает , а у кого то нет ??? на что это наталкивает? то ли на очень , очень большую просадку на самой матери (кондеры,резисторы) так мы имеем не первого сорта (из за старости пассивных компонентов) выпуск 93 года о чем то говорит?.
    да еще один момент по поводу ревизии матери,у тебя какая ревизия?
    заметил такую траблу,даже без подтяжки резистором,что... через какой то промежуток времени,начинает работать кнопка это ни на что не наталкивает?
    также заметил что с порта мыши,ну или джойстика несколько занижено.выходной ток по 5в с портов слишком мал о чем это говорит
    также вполне мы можем иметь партию брикнутых пиков,что опять же не исключение
    ну и впринципе... вполне от самой мыши
    ах... да... суть умо заключений можно сократить... тк я пробовал и на а600,и та же херь
    -+ aMiGa +-

  10. #9

    Регистрация
    27.02.2005
    Адрес
    москва
    Сообщений
    14,338
    Записей в дневнике
    1
    Спасибо Благодарностей отдано 
    205
    Спасибо Благодарностей получено 
    1,497
    Поблагодарили
    974 сообщений
    Mentioned
    18 Post(s)
    Tagged
    0 Thread(s)

    По умолчанию

    Цитата Сообщение от Rico Посмотреть сообщение
    вот такая у меня получилась схема
    а почему забыл про среднюю кнопку мыши ?
    есть-же программы сеё поддержкой/опросом.
    Цитата Сообщение от volton Посмотреть сообщение
    почему не сработает один каскада на другом типе транзистора без изменений прошивки?
    скорее всего выход проинвертирован

  11. #10

    Регистрация
    15.10.2010
    Адрес
    Витебск, Беларусь
    Сообщений
    228
    Спасибо Благодарностей отдано 
    6
    Спасибо Благодарностей получено 
    17
    Поблагодарили
    11 сообщений
    Mentioned
    0 Post(s)
    Tagged
    0 Thread(s)

    По умолчанию

    в оригинальной мыше стоит механическая кнопка и с ней все в порядке работает, те просадка нужна в нуль
    по схеме левая и правая кнопки мыши идут на разные микросхемы и в цепь уже включен резистор 68ом и кондер 470пф на землю, возможно что то с резистором, хотя в моей практике выход из строя "не нагруженного" резистора мне не встречался, мне не верится что производитель экономил на резисторах, скорее всего так была рассчитана схема...
    Лишь ум потерянный бесповоротно мною наполнить может сердце мне тоскою...
    Atari XE 65, Commodore 64c, Atari 520ST + UltraSatan, Amiga A1200 + Apolo 040@40mhz 16mb, Macintosh SE/30, Pentagon 1024SL 1.4, Mac mini G4

Страница 2 из 11 ПерваяПервая 123456 ... ПоследняяПоследняя

Информация о теме

Пользователи, просматривающие эту тему

Эту тему просматривают: 1 (пользователей: 0 , гостей: 1)

Похожие темы

  1. Ответов: 9
    Последнее: 28.07.2013, 23:54
  2. Ответов: 55
    Последнее: 04.09.2011, 15:31
  3. Апгрейд Amiga 1200
    от easy_john в разделе Amiga
    Ответов: 3
    Последнее: 21.12.2009, 01:02
  4. Amiga 1200
    от AlexFantasy в разделе Барахолка (архив)
    Ответов: 5
    Последнее: 23.10.2009, 10:55
  5. Куплю Amiga 1200 или Amiga 600 (Питер)
    от ongemah в разделе Барахолка (архив)
    Ответов: 16
    Последнее: 25.04.2008, 17:54

Ваши права

  • Вы не можете создавать новые темы
  • Вы не можете отвечать в темах
  • Вы не можете прикреплять вложения
  • Вы не можете редактировать свои сообщения
  •