User Tag List

Показано с 1 по 6 из 6

Тема: схема контроллера bdi

Древовидный режим

Предыдущее сообщение Предыдущее сообщение   Следующее сообщение Следующее сообщение
  1. #1

    Регистрация
    18.04.2009
    Адрес
    Москва
    Сообщений
    1,656
    Спасибо Благодарностей отдано 
    208
    Спасибо Благодарностей получено 
    17
    Поблагодарили
    16 сообщений
    Mentioned
    1 Post(s)
    Tagged
    0 Thread(s)

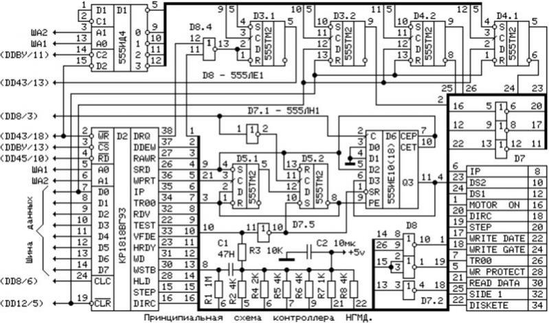
    По умолчанию схема контроллера bdi

    подскажите пожалуйста это схема контролера fdd для zx или какая то другая
    если для zx где можно посмотреть описание
    Миниатюры Миниатюры Нажмите на изображение для увеличения. 

Название:	fdc.jpg 
Просмотров:	611 
Размер:	91.9 Кб 
ID:	38376  

  2. #1
    С любовью к вам, Yandex.Direct
    Размещение рекламы на форуме способствует его дальнейшему развитию

Информация о теме

Пользователи, просматривающие эту тему

Эту тему просматривают: 1 (пользователей: 0 , гостей: 1)

Похожие темы

  1. Ответов: 36
    Последнее: 13.01.2022, 08:42
  2. схема контроллера дисковода Радуга 636-2
    от sevol в разделе Внешние накопители
    Ответов: 6
    Последнее: 10.11.2021, 15:19
  3. Ответов: 181
    Последнее: 09.06.2011, 23:19
  4. Ответов: 1
    Последнее: 19.09.2010, 18:15
  5. схема контроллера HDD....
    от aniSKY в разделе Внешние накопители
    Ответов: 4
    Последнее: 28.07.2007, 08:53

Ваши права

  • Вы не можете создавать новые темы
  • Вы не можете отвечать в темах
  • Вы не можете прикреплять вложения
  • Вы не можете редактировать свои сообщения
  •