Важная информация

User Tag List

Показано с 1 по 10 из 10

Тема: Проблемы с изображением Scorpion 256

  1. #1

    Регистрация
    10.12.2012
    Адрес
    г. Петрозаводск
    Сообщений
    610
    Спасибо Благодарностей отдано 
    47
    Спасибо Благодарностей получено 
    1
    Поблагодарили
    1 сообщение
    Mentioned
    0 Post(s)
    Tagged
    0 Thread(s)

    По умолчанию Проблемы с изображением Scorpion 256

    Помогите пожалуйста наладить, изображение на телевизоре нормальное, но постоянно медленно ползет вверх. Что можно сделать в этом случае ? Куда копать ?
    Подключаю просто по видеосигналу к телевизору с ЭЛТ.
    Последний раз редактировалось Quest; 08.01.2013 в 00:32.

  2. #1
    С любовью к вам, Yandex.Direct
    Размещение рекламы на форуме способствует его дальнейшему развитию

  3. #2
    HardWareMan
    Гость

    По умолчанию

    Кадровая не держит.

  4. #3

    Регистрация
    10.12.2012
    Адрес
    г. Петрозаводск
    Сообщений
    610
    Спасибо Благодарностей отдано 
    47
    Спасибо Благодарностей получено 
    1
    Поблагодарили
    1 сообщение
    Mentioned
    0 Post(s)
    Tagged
    0 Thread(s)

    По умолчанию

    Но подключенный видеомагнитофон или dvd показывает нормально, стало быть дело в Спектруме... Что можно сделать в этом случае ?

  5. #4

    Регистрация
    10.12.2012
    Адрес
    г. Петрозаводск
    Сообщений
    610
    Спасибо Благодарностей отдано 
    47
    Спасибо Благодарностей получено 
    1
    Поблагодарили
    1 сообщение
    Mentioned
    0 Post(s)
    Tagged
    0 Thread(s)

    По умолчанию

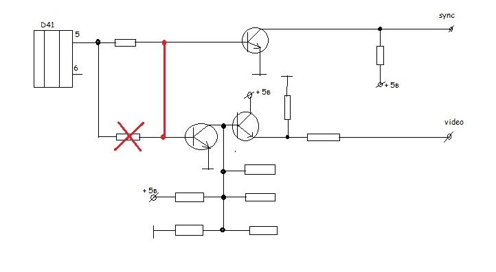
    Полазил по дорожкам платы и заметил такое расхождение платы с имеющейся у меня схемой. Фактически отсутствует один резистор, а вместо этого, на печатной плате соединены базы транзисторов. Приложил схематичное изображение. Хочу заметить, что это не чья-то доработка, а это такая заводская разводка дорожек. Может у меня схема не совсем соответствует плате, но в остальном все совпадает.
    Миниатюры Миниатюры Нажмите на изображение для увеличения. 

Название:	схема.jpg 
Просмотров:	325 
Размер:	27.1 Кб 
ID:	39197  
    Последний раз редактировалось Quest; 08.01.2013 в 02:13.

  6. #5

    Регистрация
    03.10.2011
    Адрес
    Москва
    Сообщений
    257
    Спасибо Благодарностей отдано 
    0
    Спасибо Благодарностей получено 
    0
    Поблагодарили
    0 сообщений
    Mentioned
    0 Post(s)
    Tagged
    0 Thread(s)

    По умолчанию

    а скорп желтый или зеленый?

    Скрытый текст

    ZXEvo 4096 rev.C, Scorpion ZS-256
    Дельта-Секам-Диск
    [свернуть]

  7. #6

    Регистрация
    10.12.2012
    Адрес
    г. Петрозаводск
    Сообщений
    610
    Спасибо Благодарностей отдано 
    47
    Спасибо Благодарностей получено 
    1
    Поблагодарили
    1 сообщение
    Mentioned
    0 Post(s)
    Tagged
    0 Thread(s)

    По умолчанию

    Желтый.

  8. #7
    HardWareMan
    Гость

    По умолчанию

    Бывает, достаточно чуть-чуть подкрутить кадровую телика, чтобы она отличалась в другую сторону и все становиться пучком.

  9. #8

    Регистрация
    03.05.2007
    Адрес
    Череповец,Вологодская обл.
    Сообщений
    714
    Спасибо Благодарностей отдано 
    0
    Спасибо Благодарностей получено 
    0
    Поблагодарили
    0 сообщений
    Mentioned
    0 Post(s)
    Tagged
    0 Thread(s)

    По умолчанию

    Поднимаю старую тему. Столкнулься с подобной проблемой как у ТС,телек не синхронизируется покадрам от желтого скорпа. Телек LG ЭЛТ ,но крутить в нем нечего. Что можно покрутить в Скопе? Спасибо.

    Скрытый текст

    AMIGA 500 +512к memory card with RTC
    Ленинград-1 48к украшает стену в комнате.
    Compact 256 Turbo fdd 3.5' +Turbo ВГ +PAL кодер (NedoPC).
    Profi 3.2 почти воcстал из Ада. Ждет новые платы.
    Dendy Junior (Famicom клон).
    Видеоспорт5 (на К145ИК17) пылится в шкафу
    [свернуть]

  10. #9

    Регистрация
    27.02.2005
    Адрес
    москва
    Сообщений
    14,338
    Записей в дневнике
    1
    Спасибо Благодарностей отдано 
    205
    Спасибо Благодарностей получено 
    1,497
    Поблагодарили
    974 сообщений
    Mentioned
    18 Post(s)
    Tagged
    0 Thread(s)

    По умолчанию

    на ТМ2 надо подавать другой сигнал со счётчика ИЕ7.
    точнее не-помню, ищите на форуме

    ...............

    во, нашёл http://zx-pk.ru/showpost.php?p=201783&postcount=9
    Последний раз редактировалось goodboy; 19.02.2015 в 23:54.

  11. #10

    Регистрация
    03.05.2007
    Адрес
    Череповец,Вологодская обл.
    Сообщений
    714
    Спасибо Благодарностей отдано 
    0
    Спасибо Благодарностей получено 
    0
    Поблагодарили
    0 сообщений
    Mentioned
    0 Post(s)
    Tagged
    0 Thread(s)

    По умолчанию

    Не слишком информативно,но и на этом спасибо

    Скрытый текст

    AMIGA 500 +512к memory card with RTC
    Ленинград-1 48к украшает стену в комнате.
    Compact 256 Turbo fdd 3.5' +Turbo ВГ +PAL кодер (NedoPC).
    Profi 3.2 почти воcстал из Ада. Ждет новые платы.
    Dendy Junior (Famicom клон).
    Видеоспорт5 (на К145ИК17) пылится в шкафу
    [свернуть]

Информация о теме

Пользователи, просматривающие эту тему

Эту тему просматривают: 1 (пользователей: 0 , гостей: 1)

Похожие темы

  1. Проблема с изображением
    от Asd1995sse в разделе Изображение
    Ответов: 52
    Последнее: 01.10.2013, 00:52
  2. Что-то не так с изображением
    от Syntal в разделе Вектор
    Ответов: 24
    Последнее: 10.10.2012, 16:11
  3. Проблемы с изображением Zx Spectrum +2a issue3
    от nikor4 в разделе Зарубежные модели
    Ответов: 15
    Последнее: 19.02.2011, 02:26
  4. Что у меня с изображением?
    от Damein Alpha в разделе Изображение
    Ответов: 3
    Последнее: 10.04.2010, 18:54
  5. Проблема с изображением
    от Den в разделе Изображение
    Ответов: 7
    Последнее: 23.06.2005, 08:59

Ваши права

  • Вы не можете создавать новые темы
  • Вы не можете отвечать в темах
  • Вы не можете прикреплять вложения
  • Вы не можете редактировать свои сообщения
  •