User Tag List

Страница 100 из 105 ПерваяПервая ... 96979899100101102103104 ... ПоследняяПоследняя
Показано с 991 по 1,000 из 1043

Тема: ЮТ-88: Процессорный модуль, платы, документация

  1. #991

    Регистрация
    30.07.2013
    Адрес
    г. Запорожье, Украина
    Сообщений
    965
    Спасибо Благодарностей отдано 
    85
    Спасибо Благодарностей получено 
    140
    Поблагодарили
    75 сообщений
    Mentioned
    0 Post(s)
    Tagged
    0 Thread(s)

    По умолчанию

    Цитата Сообщение от Shumadan Посмотреть сообщение
    И вдруг осенило, что нужно было их проинвертировать, аноды индикаторов зажигаются «нулем» на выходе ПЗУ
    Я делал прошивку сразу на два вида индикаторов, переключается старшим битов адреса РЕ3.

    Подробности по подключению ИВ можно? Лежат ИВ-3, хочу их тоже прикрутить к ЮТ, но все руки не доходят...

  2. #991
    С любовью к вам, Yandex.Direct
    Размещение рекламы на форуме способствует его дальнейшему развитию

  3. #992

    Регистрация
    04.04.2017
    Адрес
    г. Казань
    Сообщений
    570
    Спасибо Благодарностей отдано 
    113
    Спасибо Благодарностей получено 
    103
    Поблагодарили
    62 сообщений
    Mentioned
    0 Post(s)
    Tagged
    0 Thread(s)

    По умолчанию

    Цитата Сообщение от Alex_LG Посмотреть сообщение
    Я делал прошивку сразу на два вида индикаторов, переключается старшим битов адреса РЕ3.

    Подробности по подключению ИВ можно? Лежат ИВ-3, хочу их тоже прикрутить к ЮТ, но все руки не доходят...
    Насколько я помню у ИВ-3 для накала нужно около 1 вольта. Остальное все можно использовать.
    Схему приложил
    Миниатюры Миниатюры Нажмите на изображение для увеличения. 

Название:	схема ИВ-18.jpg 
Просмотров:	225 
Размер:	18.5 Кб 
ID:	69262  
    Последний раз редактировалось Shumadan; 10.06.2019 в 15:29.
    Юниор ФВ-6506, Балтик-48

  4. #993

    Регистрация
    30.07.2013
    Адрес
    г. Запорожье, Украина
    Сообщений
    965
    Спасибо Благодарностей отдано 
    85
    Спасибо Благодарностей получено 
    140
    Поблагодарили
    75 сообщений
    Mentioned
    0 Post(s)
    Tagged
    0 Thread(s)

    По умолчанию

    Преобразователь по какой схеме?

  5. #994

    Регистрация
    04.04.2017
    Адрес
    г. Казань
    Сообщений
    570
    Спасибо Благодарностей отдано 
    113
    Спасибо Благодарностей получено 
    103
    Поблагодарили
    62 сообщений
    Mentioned
    0 Post(s)
    Tagged
    0 Thread(s)

    По умолчанию

    Цитата Сообщение от Alex_LG Посмотреть сообщение
    Преобразователь по какой схеме?
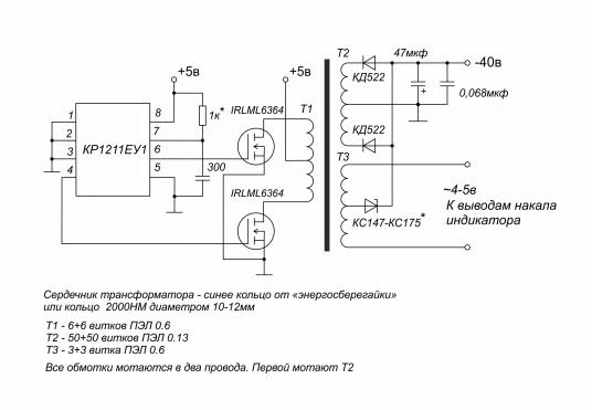
    Я собирал несколько схем преобразователей, но все они имели недостатки. Просаживалось напряжение, сильно грелись, имели низкий КПД. В итоге остановился на этой схеме. Несложная, некритична к деталям, транс мотается за час. Единственный ее недостаток - достаточно редкая микрсхема КР1211ЕУ1, но она у меня была в наличии.
    Можно попробовать еще сделать по второй схеме, на двух транзисторах. Я ее собирал для накальных индикаторов, отлично работает. Единственное - нужно пересчитать вторичную обмотку на анодное напряжение и добавить накальную обмотку.

    - - - Добавлено - - -

    В общем сам сказал - сам сделал) Был у меня уже собран на макетке преобразователь на двух транзисторах. Подпаял транс от первой схемы. Высокое напряжение выдает 50в под нагрузкой. Накал около 3 вольт на нагрузке 300 ом.
    Транзисторы греются но терпимо, транс едва теплый.
    Миниатюры Миниатюры Нажмите на изображение для увеличения. 

Название:	преобразователь на -40.jpg 
Просмотров:	263 
Размер:	23.7 Кб 
ID:	69290   Нажмите на изображение для увеличения. 

Название:	на двух транзисторах.jpg 
Просмотров:	240 
Размер:	22.3 Кб 
ID:	69291  
    Юниор ФВ-6506, Балтик-48

  6. #995

    Регистрация
    04.04.2017
    Адрес
    г. Казань
    Сообщений
    570
    Спасибо Благодарностей отдано 
    113
    Спасибо Благодарностей получено 
    103
    Поблагодарили
    62 сообщений
    Mentioned
    0 Post(s)
    Tagged
    0 Thread(s)

    По умолчанию

    нашел время и собрал все в корпус. Наверное это самое хлопотное занятие. До сих пор собранные платы ждут своего часа.
    Удивительно, но жрет это чудо почти 1.5 ампера. Китайский лабораторный БП начинал вонять после 15 мин. работы. Пока подцепил от Микроши.

    Юниор ФВ-6506, Балтик-48

    Эти 9 пользователя(ей) поблагодарили Shumadan за это полезное сообщение:

    alx32(29.08.2019), Daniil Chislov 86(31.08.2019), perestoronin(30.08.2019), Pluto(30.08.2019), rw6hrm(12.07.2020), san010101(16.07.2020), SeaBirdDK(07.09.2019), sergey_sitnik(15.09.2019), slammy(30.08.2019)

  7. #996

    Регистрация
    04.04.2017
    Адрес
    г. Казань
    Сообщений
    570
    Спасибо Благодарностей отдано 
    113
    Спасибо Благодарностей получено 
    103
    Поблагодарили
    62 сообщений
    Mentioned
    0 Post(s)
    Tagged
    0 Thread(s)

    По умолчанию

    Блин, тут посмотрел свои схемы подключения транзисторных ключей к ИВ-18 - там же ошибка! Сетки и аноды подключаются к коллекторам.
    Привожу исправленный вариант.
    Миниатюры Миниатюры Нажмите на изображение для увеличения. 

Название:	схема ИВ18.jpg 
Просмотров:	152 
Размер:	14.7 Кб 
ID:	69913  
    Юниор ФВ-6506, Балтик-48

    Этот пользователь поблагодарил Shumadan за это полезное сообщение:

    Xorder(30.08.2019)

  8. #997

    Регистрация
    31.01.2017
    Адрес
    г. Санкт-Петербург
    Сообщений
    673
    Спасибо Благодарностей отдано 
    102
    Спасибо Благодарностей получено 
    42
    Поблагодарили
    28 сообщений
    Mentioned
    0 Post(s)
    Tagged
    0 Thread(s)

    По умолчанию

    Я тут хочу очередную реплику сделать на коленке и в моем списке значится ЮТ-88. Плата что отсканирована существует у кого нибудь в САПР или мне через тернистый путь первому придется проходить ?

  9. #998

    Регистрация
    13.10.2017
    Адрес
    г. Днепр, Украина
    Сообщений
    770
    Спасибо Благодарностей отдано 
    152
    Спасибо Благодарностей получено 
    131
    Поблагодарили
    111 сообщений
    Mentioned
    1 Post(s)
    Tagged
    0 Thread(s)

    По умолчанию

    Плата гражданина Кекс-а есть в свободном доступе например. Найти можно ее тут но я впервые увидел ее тут
    http://v-50m.narod.ru/index/kak_ja_sobiral_jut_88/0-32

  10. #999

    Регистрация
    31.01.2017
    Адрес
    г. Санкт-Петербург
    Сообщений
    673
    Спасибо Благодарностей отдано 
    102
    Спасибо Благодарностей получено 
    42
    Поблагодарили
    28 сообщений
    Mentioned
    0 Post(s)
    Tagged
    0 Thread(s)

    По умолчанию

    siemensC35, да я не про неё, видел уже. Я вот про эту плату, ссылки на сканы из первого сообщения в данной теме протухли.
    Ссылка :
    http://mk90.org/wiki/index.php/UT-88PCB
    Последний раз редактировалось Daniil Chislov 86; 01.09.2019 в 01:02.

  11. #1000

    Регистрация
    12.05.2015
    Адрес
    г. Мюнстер, Германия
    Сообщений
    72
    Спасибо Благодарностей отдано 
    6
    Спасибо Благодарностей получено 
    0
    Поблагодарили
    0 сообщений
    Mentioned
    0 Post(s)
    Tagged
    0 Thread(s)

    По умолчанию

    Я тут ради интереса решил заменить ру10 на две ру2 как в оригинальной схеме. И вдруг заметил что в журнальном ЮТ "А0" и "А2" у 541ру2 - это седьмой и пятый вывод соответственно, а по даташиту наоборот.
    Это опечатка? Или я чего то не понимаю?
    https://eandc.ru/pdf/mikroskhema/k541ru2.pdf

Страница 100 из 105 ПерваяПервая ... 96979899100101102103104 ... ПоследняяПоследняя

Информация о теме

Пользователи, просматривающие эту тему

Эту тему просматривают: 1 (пользователей: 0 , гостей: 1)

Похожие темы

  1. Документация на ПК 11/16
    от лю в разделе ДВК, УКНЦ
    Ответов: 810
    Последнее: 28.12.2022, 16:35
  2. Микроша: Модуль ПЗУ
    от Mifody в разделе Радио-86РК
    Ответов: 21
    Последнее: 26.09.2021, 17:25
  3. Модуль процессора (МП)
    от Viktor2312 в разделе Ириша
    Ответов: 57
    Последнее: 28.12.2016, 10:02
  4. Продам чистые платы, старые платы и немного РУ5Г
    от Electrolooser в разделе Барахолка (архив)
    Ответов: 19
    Последнее: 10.04.2012, 10:44
  5. Что за модуль для УКНЦ
    от dk_spb в разделе ДВК, УКНЦ
    Ответов: 10
    Последнее: 17.05.2011, 21:30

Ваши права

  • Вы не можете создавать новые темы
  • Вы не можете отвечать в темах
  • Вы не можете прикреплять вложения
  • Вы не можете редактировать свои сообщения
  •