Важная информация

User Tag List

Страница 15 из 32 ПерваяПервая ... 111213141516171819 ... ПоследняяПоследняя
Показано с 141 по 150 из 311

Тема: РАДИО-86РК на Z80

  1. #141

    Регистрация
    12.12.2011
    Адрес
    г. Иркутск
    Сообщений
    2,509
    Спасибо Благодарностей отдано 
    10
    Спасибо Благодарностей получено 
    22
    Поблагодарили
    20 сообщений
    Mentioned
    0 Post(s)
    Tagged
    0 Thread(s)

    По умолчанию

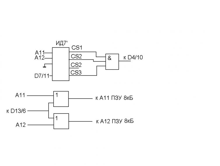
    А ПЗУ я вот так подключил
    Миниатюры Миниатюры Нажмите на изображение для увеличения. 

Название:	Схема подключения ПЗУ 8кБ.jpg 
Просмотров:	324 
Размер:	19.9 Кб 
ID:	41329  

  2. #142
    HardWareMan
    Гость

    По умолчанию

    Цитата Сообщение от Vladimir_S Посмотреть сообщение
    VovanRK86, MREQ используется не для того, что бы обращаться именно к памяти, Z80 активным уровнем MREQ показывает, что уровни на ША выставлены и можно читать/писать.
    .. в память. С портами такое не прокатит.

  3. #143

    Регистрация
    12.12.2011
    Адрес
    г. Иркутск
    Сообщений
    2,509
    Спасибо Благодарностей отдано 
    10
    Спасибо Благодарностей получено 
    22
    Поблагодарили
    20 сообщений
    Mentioned
    0 Post(s)
    Tagged
    0 Thread(s)

    По умолчанию

    Цитата Сообщение от HardWareMan Посмотреть сообщение
    С портами такое не прокатит.
    Объясни.

  4. #144
    HardWareMan
    Гость

    По умолчанию

    Сигнал MREQ не выработается, при обращении к портам специальными командами (IN/OUT). Стало быть ему нельзя использовать MREQ как сигнал строба адреса. Если только объеденить по И MREQ и IORQ, тогда да. а для совместимости с ВМ80 поставить мультиплексор (который он уже поставил). С другой стороны, зачем вообще этот геморрой и в рамках данного компьютера можно тупо игнорировать оба сигнала и будет вам счастье. За исключением мультиплексора адресов, перекидываемого ногой IORQ, конечно.

  5. #145

    Регистрация
    12.12.2011
    Адрес
    г. Иркутск
    Сообщений
    2,509
    Спасибо Благодарностей отдано 
    10
    Спасибо Благодарностей получено 
    22
    Поблагодарили
    20 сообщений
    Mentioned
    0 Post(s)
    Tagged
    0 Thread(s)

    По умолчанию

    Цитата Сообщение от HardWareMan Посмотреть сообщение
    Сигнал MREQ не выработается, при обращении к портам специальными командами (IN/OUT).
    Понятно.Потому я и хочу заменить IN/OUT на LDA/STA. Для совместимости ВМ80/Z80.

  6. #146

    Регистрация
    08.04.2013
    Адрес
    г. Ульяновск
    Сообщений
    293
    Спасибо Благодарностей отдано 
    0
    Спасибо Благодарностей получено 
    2
    Поблагодарили
    2 сообщений
    Mentioned
    0 Post(s)
    Tagged
    0 Thread(s)

    По умолчанию

    Цитата Сообщение от Vladimir_S Посмотреть сообщение
    С другой стороны, зачем вообще этот геморрой и в рамках данного компьютера можно тупо игнорировать оба сигнала и будет вам счастье. За исключением мультиплексора адресов, перекидываемого ногой IORQ, конечно.
    Так так я сделал, т.е. использую только WR и RD, MREQ не использую совсем (может зря? может в этом косяк?), а IORQ использую вместе с WR для записи в регистр с №0FFh. Но FDD не работает. Запись точно проходит, а вот с чтением мне кажется проблемы, но где искать не пойму

    ---------- Post added at 21:25 ---------- Previous post was at 21:18 ----------

    в схеме не отраженно про WR и RD, я вместо сигнала MREQ подал +5вольт

    ---------- Post added at 21:30 ---------- Previous post was at 21:25 ----------

    Цитата Сообщение от Vladimir_S Посмотреть сообщение
    А ПЗУ я вот так подключил
    Я это понял идея мне понравилась, но у меня выбор ПЗУ подключен к первой ИД7, а сигнал cs3 от второй ИД7 блокирует выбор ПЗУ и не надо трёх входовый логический элемент использовать.

    ---------- Post added at 21:35 ---------- Previous post was at 21:30 ----------

    и можно от второй ид7 отказаться, а адрес 0F000h вылавливать логикой.
    РК86 ещё жив!!! а теперь и ЮТ-88!!!

  7. #147

    Регистрация
    18.04.2009
    Адрес
    Москва
    Сообщений
    1,662
    Спасибо Благодарностей отдано 
    213
    Спасибо Благодарностей получено 
    17
    Поблагодарили
    16 сообщений
    Mentioned
    1 Post(s)
    Tagged
    0 Thread(s)

    По умолчанию

    объясните пожалуйста как заданный адрес вылавливаеться логикой
    там же придеться 16 адрессных шин контролировать

  8. #148

    Регистрация
    08.04.2013
    Адрес
    г. Ульяновск
    Сообщений
    293
    Спасибо Благодарностей отдано 
    0
    Спасибо Благодарностей получено 
    2
    Поблагодарили
    2 сообщений
    Mentioned
    0 Post(s)
    Tagged
    0 Thread(s)

    По умолчанию

    sergey2b,
    Цитата Сообщение от b2m Посмотреть сообщение
    Для портов можно чуть больше оставить, например F000-F03F, на будущее, зато отслеживать нужно будет только A6-A10, экономия логики на лицо. Да и 60 байт в ПЗУ погоды не сделают.
    пост №63 из этой темы

    или вариант берем с первой ид7 сигнал выборки адресов 0E000h-0FFFFh и контролируем только А12 если он единица то наш адрес 0F000h, т.е. выбор контролера FDD и запрет выбора ПЗУ (которая 8кб и подключена по схеме Vladimir_S пост №141), придумал только что, может ошибся, но если прав то вместо второй ид7 нужна ЛЛ1 её ещё используем для выбора А11 и А12 ПЗУ (по схеме Vladimir_S) ну и пара инверторов.

    ---------- Post added at 23:01 ---------- Previous post was at 23:00 ----------

    но вроде ошибся нужно ещё и А11 отслеживать на адрес монитора 0f800h, но всё же три сигнала

    ---------- Post added 03.05.2013 at 00:20 ---------- Previous post was 02.05.2013 at 23:01 ----------

    Vladimir_S, звук победил, заработал гораздо лучше по схеме из поста №30, как то я её проглядел, посторонний фон тоже есть, но гораздо тише, часть логики заменил на ла2 по схеме из поста №31, принцип отличия в работе обоих схем пока понять не пытался, главное заработало.
    РК86 ещё жив!!! а теперь и ЮТ-88!!!

  9. #149

    Регистрация
    12.12.2011
    Адрес
    г. Иркутск
    Сообщений
    2,509
    Спасибо Благодарностей отдано 
    10
    Спасибо Благодарностей получено 
    22
    Поблагодарили
    20 сообщений
    Mentioned
    0 Post(s)
    Tagged
    0 Thread(s)

    По умолчанию

    Цитата Сообщение от VovanRK86 Посмотреть сообщение
    и можно от второй ид7 отказаться, а адрес 0F000h вылавливать логикой.
    Я это сделал временно, когда перетащу ВВ55 в адреса A00C - A00F второй дешифратор вообще уберу.

  10. #150

    Регистрация
    12.12.2011
    Адрес
    г. Иркутск
    Сообщений
    2,509
    Спасибо Благодарностей отдано 
    10
    Спасибо Благодарностей получено 
    22
    Поблагодарили
    20 сообщений
    Mentioned
    0 Post(s)
    Tagged
    0 Thread(s)

    По умолчанию

    VovanRK86, кстати, забыл написать, я все эксперименты буду производить с ВМ80. Дабы избежать всяких непоняток с переделкой.

Страница 15 из 32 ПерваяПервая ... 111213141516171819 ... ПоследняяПоследняя

Информация о теме

Пользователи, просматривающие эту тему

Эту тему просматривают: 1 (пользователей: 0 , гостей: 1)

Похожие темы

  1. Радио-86РК: Видеовыход
    от m.d. в разделе Радио-86РК
    Ответов: 13
    Последнее: 21.05.2015, 08:19
  2. Радио-86РК: По страницам журнала "Радио"
    от Viktor2312 в разделе Радио-86РК
    Ответов: 79
    Последнее: 13.02.2014, 08:34
  3. эмулятор радио-86рк
    от sergey2b в разделе Эмуляторы отечественных компьютеров
    Ответов: 4
    Последнее: 09.06.2011, 15:59
  4. Радио 86РК
    от Shnurkov в разделе Барахолка (архив)
    Ответов: 1
    Последнее: 02.01.2009, 12:52

Ваши права

  • Вы не можете создавать новые темы
  • Вы не можете отвечать в темах
  • Вы не можете прикреплять вложения
  • Вы не можете редактировать свои сообщения
  •