User Tag List

Страница 2 из 26 ПерваяПервая 123456 ... ПоследняяПоследняя
Показано с 11 по 20 из 311

Тема: РАДИО-86РК на Z80

Комбинированный просмотр

Предыдущее сообщение Предыдущее сообщение   Следующее сообщение Следующее сообщение
  1. #1

    Регистрация
    16.01.2005
    Адрес
    Ekaterinburg
    Сообщений
    2,082
    Записей в дневнике
    11
    Спасибо Благодарностей отдано 
    176
    Спасибо Благодарностей получено 
    493
    Поблагодарили
    343 сообщений
    Mentioned
    4 Post(s)
    Tagged
    0 Thread(s)

    По умолчанию

    Цитата Сообщение от Splinter Посмотреть сообщение
    хм. а как же система команд ? у них идентичные коды ?
    ВМ80 - это клон i8080, расширенным клоном которого является и z80
    Граф Дракула наш кумир, патамушта он вомпир!
    VKINK 9 : BORDER NOT PI YTINK 9 Channel

  2. #1
    С любовью к вам, Yandex.Direct
    Размещение рекламы на форуме способствует его дальнейшему развитию

  3. #2

    Регистрация
    12.12.2011
    Адрес
    г. Иркутск
    Сообщений
    2,509
    Спасибо Благодарностей отдано 
    10
    Спасибо Благодарностей получено 
    22
    Поблагодарили
    20 сообщений
    Mentioned
    0 Post(s)
    Tagged
    0 Thread(s)

    По умолчанию

    Цитата Сообщение от Splinter Посмотреть сообщение
    хм. а как же система команд ? у них идентичные коды ?
    Сверху вниз, да.

  4. #3

    Регистрация
    04.07.2005
    Адрес
    Нижний Тагил
    Сообщений
    842
    Записей в дневнике
    1
    Спасибо Благодарностей отдано 
    0
    Спасибо Благодарностей получено 
    0
    Поблагодарили
    0 сообщений
    Mentioned
    0 Post(s)
    Tagged
    0 Thread(s)

    По умолчанию

    Так вот почему много портов игр со спека на специалист...

  5. #4

    Регистрация
    02.06.2009
    Адрес
    Искитим
    Сообщений
    1,275
    Спасибо Благодарностей отдано 
    16
    Спасибо Благодарностей получено 
    5
    Поблагодарили
    5 сообщений
    Mentioned
    0 Post(s)
    Tagged
    0 Thread(s)

    По умолчанию

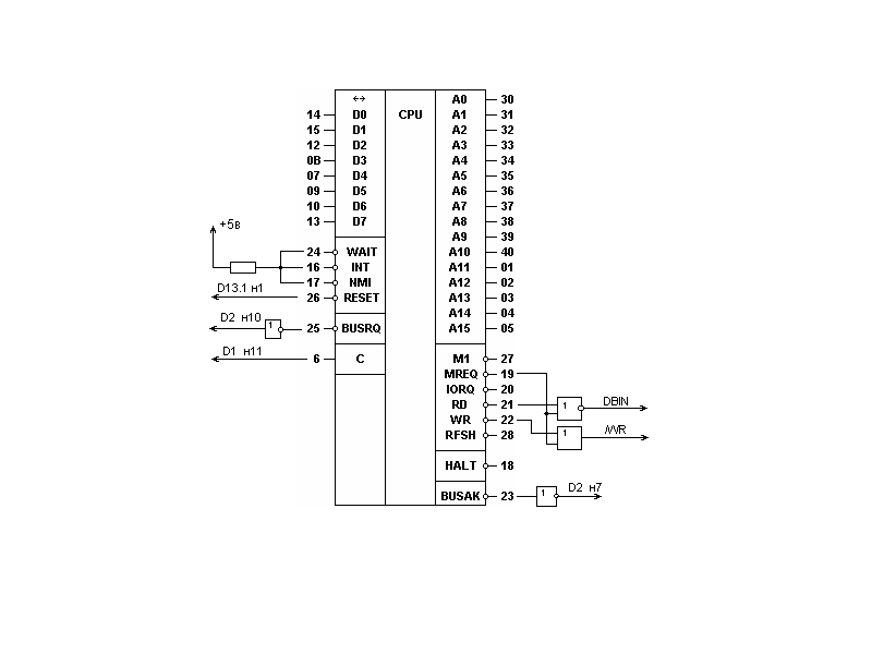
    а схемку можно посмотреть?

  6. #5

    Регистрация
    12.12.2011
    Адрес
    г. Иркутск
    Сообщений
    2,509
    Спасибо Благодарностей отдано 
    10
    Спасибо Благодарностей получено 
    22
    Поблагодарили
    20 сообщений
    Mentioned
    0 Post(s)
    Tagged
    0 Thread(s)

    По умолчанию

    Цитата Сообщение от AHTuXPuCT Посмотреть сообщение
    а схемку можно посмотреть?
    Из меня художник...
    http://rusfolder.com/35255463

    ---------- Post added at 13:08 ---------- Previous post was at 13:05 ----------

    Забыл - на 9 ногу ГФ24 подать 5 вольт.

    ---------- Post added at 13:12 ---------- Previous post was at 13:08 ----------

    Цитата Сообщение от Blade Посмотреть сообщение
    У 8080 это всегда флаг четности, у Z80 это флаг четности/переполнения. После DEC A он работает как флаг переполнения.
    Я так плотно еще не разбирался, но после сегодняшней переделки пол дня проработал без проблем.

    ---------- Post added at 15:02 ---------- Previous post was at 13:12 ----------

    Цитата Сообщение от Blade Посмотреть сообщение
    У 8080 это всегда флаг четности, у Z80 это флаг четности/переполнения. После DEC A он работает как флаг переполнения.
    Blade, какие будут предложения?

  7. #6

    Регистрация
    26.02.2010
    Адрес
    Запорожье
    Сообщений
    2,171
    Спасибо Благодарностей отдано 
    0
    Спасибо Благодарностей получено 
    0
    Поблагодарили
    0 сообщений
    Mentioned
    0 Post(s)
    Tagged
    0 Thread(s)

    По умолчанию

    зачем там это уЁ - гф24 ?
    Последний раз редактировалось Atari; 01.03.2013 в 20:54.
    .

  8. #7

    Регистрация
    02.06.2009
    Адрес
    Искитим
    Сообщений
    1,275
    Спасибо Благодарностей отдано 
    16
    Спасибо Благодарностей получено 
    5
    Поблагодарили
    5 сообщений
    Mentioned
    0 Post(s)
    Tagged
    0 Thread(s)

    По умолчанию

    Vladimir_S, а что за микруха рядом с ПЗУ монитора?
    статика на 32кб с батарейкой?

  9. #8

    Регистрация
    12.12.2011
    Адрес
    г. Иркутск
    Сообщений
    2,509
    Спасибо Благодарностей отдано 
    10
    Спасибо Благодарностей получено 
    22
    Поблагодарили
    20 сообщений
    Mentioned
    0 Post(s)
    Tagged
    0 Thread(s)

    По умолчанию

    Цитата Сообщение от AHTuXPuCT Посмотреть сообщение
    статика на 32кб с батарейкой?
    Да, а еще с часами реального времени.

    ---------- Post added at 16:25 ---------- Previous post was at 16:05 ----------

    Цитата Сообщение от Atari Посмотреть сообщение
    и зачем там это уЁ - гф24 ?
    Я ведь собрал на 8080, а когда заработало поменял проц. А ГФ24 с одним питанием совсем неплохо - в одном корпусе и генератор и счетчик и узел сброса.

  10. #9

    Регистрация
    18.04.2009
    Адрес
    Москва
    Сообщений
    1,656
    Спасибо Благодарностей отдано 
    208
    Спасибо Благодарностей получено 
    17
    Поблагодарили
    16 сообщений
    Mentioned
    1 Post(s)
    Tagged
    0 Thread(s)

    По умолчанию

    Vladimir_S если возможно выложите пожалуйста схему на народ или если возможно
    пошлите пожалуйста на email мой ник @ yandex.ru
    rusfolder из загранице нескачать

  11. #10

    Регистрация
    02.06.2009
    Адрес
    Искитим
    Сообщений
    1,275
    Спасибо Благодарностей отдано 
    16
    Спасибо Благодарностей получено 
    5
    Поблагодарили
    5 сообщений
    Mentioned
    0 Post(s)
    Tagged
    0 Thread(s)

    По умолчанию

    вот
    Миниатюры Миниатюры Нажмите на изображение для увеличения. 

Название:	РК86 на Z80.png 
Просмотров:	1094 
Размер:	10.7 Кб 
ID:	40147  

Страница 2 из 26 ПерваяПервая 123456 ... ПоследняяПоследняя

Информация о теме

Пользователи, просматривающие эту тему

Эту тему просматривают: 1 (пользователей: 0 , гостей: 1)

Похожие темы

  1. Радио-86РК: Видеовыход
    от m.d. в разделе Радио-86РК
    Ответов: 13
    Последнее: 21.05.2015, 08:19
  2. Радио-86РК: По страницам журнала "Радио"
    от Viktor2312 в разделе Радио-86РК
    Ответов: 79
    Последнее: 13.02.2014, 08:34
  3. эмулятор радио-86рк
    от sergey2b в разделе Эмуляторы отечественных компьютеров
    Ответов: 4
    Последнее: 09.06.2011, 15:59
  4. Радио 86РК
    от Shnurkov в разделе Барахолка (архив)
    Ответов: 1
    Последнее: 02.01.2009, 12:52

Ваши права

  • Вы не можете создавать новые темы
  • Вы не можете отвечать в темах
  • Вы не можете прикреплять вложения
  • Вы не можете редактировать свои сообщения
  •