Важная информация

User Tag List

Страница 1 из 3 123 ПоследняяПоследняя
Показано с 1 по 10 из 30

Тема: ВМ2 в БК

  1. #1

    Регистрация
    29.01.2013
    Адрес
    Москва
    Сообщений
    50
    Спасибо Благодарностей отдано 
    0
    Спасибо Благодарностей получено 
    0
    Поблагодарили
    0 сообщений
    Mentioned
    0 Post(s)
    Tagged
    0 Thread(s)

    По умолчанию ВМ2 в БК

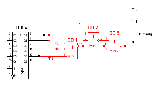
    Давным-давно уважаемый ММ сделал подключение ВМ2 к БК. Наконец я забрал у него этот блок.
    Штука хитрая. Хотя бы из-за схемы (прилагается)

    Смысл работы - отключает по DMR/SACK ВМ1 и работает сама. Для работы необходимо вывести RPLY с ВМ1 (39 нога) на МПИ - для использования встроенного в ВМ1 селектора 177716/14 и таймера.
    ВМ2 работает на 12 МГц. И самое интересное, что, несмотря на то что реально БК визуально грузится быстрее, программа 012700 000100 012701 000000 077101 077004 000000 по времени исполняется одинаково что на ВМ1 что на ВМ2. ОЗУ БК слишком медленное (но над этим устранением этого недостатка ведется работа).
    И главная проблема - устройство не совместимо с СМК, т.к. использует область его адресов для векторного поля. Во всяком случае с наскоку не получилось подружить. А так хотелось демы на повышенной частоте погонять.
    Вложения Вложения
    Последний раз редактировалось kisser81; 04.03.2013 в 15:57.

  2. #1
    С любовью к вам, Yandex.Direct
    Размещение рекламы на форуме способствует его дальнейшему развитию

  3. #2

    Регистрация
    08.10.2005
    Адрес
    Москва
    Сообщений
    14,403
    Спасибо Благодарностей отдано 
    1,703
    Спасибо Благодарностей получено 
    2,223
    Поблагодарили
    875 сообщений
    Mentioned
    69 Post(s)
    Tagged
    1 Thread(s)

    По умолчанию

    Вау... какие четкие и крупные схемы! Мне кажется, что на одной из них что-то нарисовано...

  4. #3

    Регистрация
    08.05.2011
    Адрес
    г. Измаил, Украина
    Сообщений
    3,216
    Спасибо Благодарностей отдано 
    3
    Спасибо Благодарностей получено 
    2
    Поблагодарили
    2 сообщений
    Mentioned
    0 Post(s)
    Tagged
    0 Thread(s)

    По умолчанию

    Titus, на форуме бк есть тема о вм2 в бк0011 и там намного больше информации
    как раз о этом модуле.

    А картинки жесть
    Радио-Губитель Канал на YouTube

  5. #4

    Регистрация
    29.01.2013
    Адрес
    Москва
    Сообщений
    50
    Спасибо Благодарностей отдано 
    0
    Спасибо Благодарностей получено 
    0
    Поблагодарили
    0 сообщений
    Mentioned
    0 Post(s)
    Tagged
    0 Thread(s)

    По умолчанию

    Цитата Сообщение от Titus Посмотреть сообщение
    Вау... какие четкие и крупные схемы! Мне кажется, что на одной из них что-то нарисовано...
    потому что кто-то гиф в жпг преобразовывает без согласия. Поправил - пришлось заархивировать.
    Но схема будет меняться, чтобы подружить с СМК.
    Также, если есть идеи как тестировать - прошу. Лучше если можно будет набрать программу из монитора, пока дисковод не подключен.

  6. #5

    Регистрация
    01.01.2009
    Адрес
    Leningrad, USSR
    Сообщений
    1,954
    Записей в дневнике
    33
    Спасибо Благодарностей отдано 
    0
    Спасибо Благодарностей получено 
    18
    Поблагодарили
    16 сообщений
    Mentioned
    4 Post(s)
    Tagged
    0 Thread(s)

    По умолчанию

    Цитата Сообщение от kisser81 Посмотреть сообщение
    Давным-давно уважаемый ММ сделал подключение ВМ2 к БК. Наконец я забрал у него этот блок.
    Штука хитрая. Хотя бы из-за схемы (прилагается)

    И главная проблема - устройство не совместимо с СМК, т.к. использует область его адресов для векторного поля. Во всяком случае с наскоку не получилось подружить. А так хотелось демы на повышенной частоте погонять.
    Штука бредовая. Подключение ВМ2 ради подключения ВМ2...

    Ибо:
    1. Оно опоздало лет на 15-17.
    2. Никто под этот корч писать или переписывать софт не будет по причине п.1 , т.к. АльтПРО уже тогда стало стандартом.
    3. Демы и так работают нормально.
    4. Если кто-нибудь таки напишет софт под этот блок, то работать
    он будет только у тех, у кого есть этот блок, т.е. у 1 человека.
    5. Для подключения надо вскрывать БК-шку. Нынче сохранность пломбы важнее, чем подключить это.

  7. #6

    Регистрация
    07.03.2011
    Адрес
    Павловский-Посад
    Сообщений
    64
    Спасибо Благодарностей отдано 
    0
    Спасибо Благодарностей получено 
    0
    Поблагодарили
    0 сообщений
    Mentioned
    0 Post(s)
    Tagged
    0 Thread(s)

    По умолчанию

    Если проблема только в загрузке, и в блоке ВМ2 используются адреса выше 177000, то можно изолировать реж.0 в СМК, как нарисовал в схеме.
    Плюс к этому В6 в СМК используется для отключения ПЗУ 11.
    Миниатюры Миниатюры Нажмите на изображение для увеличения. 

Название:	cmkvm2.png 
Просмотров:	383 
Размер:	6.6 Кб 
ID:	40212  

  8. #7

    Регистрация
    12.07.2006
    Адрес
    г. Киев, Украина
    Сообщений
    2,147
    Спасибо Благодарностей отдано 
    25
    Спасибо Благодарностей получено 
    95
    Поблагодарили
    82 сообщений
    Mentioned
    2 Post(s)
    Tagged
    0 Thread(s)

    По умолчанию

    Цитата Сообщение от SKcorp. Посмотреть сообщение
    Штука бредовая. Подключение ВМ2 ради подключения ВМ2...
    Я так понимаю что вм1 примерно такой же самый как и вм2? (т.е. примерно pdp-11/03, если рассматривать их совместимость с OS-ами от DEC-а) Так что с точки зрения upgrade-a БК-шки в сторону "иконы pdp-11/70" это ничего особенного не даст. Для самой же БК-шки как домашнего компа в "стиле спектрума" (сам я этот путь развития считаю тупиковым) это может дать токо режим турбо (который ДАЛЕКО не всем нужен).

    НО! значимость самой схемы тоже важна, так как она многим поможет вникнуть в то как правильно подключать зеленоградские чипы.
    Последний раз редактировалось bigral; 04.03.2013 в 12:48.

  9. #8

    Регистрация
    29.01.2013
    Адрес
    Москва
    Сообщений
    50
    Спасибо Благодарностей отдано 
    0
    Спасибо Благодарностей получено 
    0
    Поблагодарили
    0 сообщений
    Mentioned
    0 Post(s)
    Tagged
    0 Thread(s)

    По умолчанию

    Выложил немного поправленную схему. Адреса "ПЗУ" ВМ2 теперь скрыты от основного адресного пр-ва.
    Программа на бейсике
    10 FOR I=0 to 100
    20 BEEP
    30 NEXT I
    На ВМ1 6 Мгц выполняется за 28,5 сек, на ВМ2 12 МГц - за 18,8 сек. Прирост есть.
    По поводу скепсиса.
    1. Опоздало.
    2. Софт переписывать не нужно, тут 99% соместимость программно, а затык с СМК в железе. Над чем ведется работа
    3. Да вообще все хорошо работает, особенно если пломба целая.
    4. См. п.2
    5. См. п.3
    Основная мысль - ВМ2 это _единственный_ путь увеличения быстродействия БК с существующим ПО (пока нет ПЛИС вариантов 1801ВМХ с частотами от 30 МГц). Тот же ВМ3 при подключении уже не даст 99% совместимости.
    Проблемы с железом решатся со временем. Работа ведется )))
    Также, в перспективе, если будет интерес, возможно сделать блок без необходимости вскрытия БК. Также, эту схему можно будет убрать в ПЛИС (или ПЗУ - как пойдет).

  10. #9

    Регистрация
    26.10.2011
    Адрес
    Москва
    Сообщений
    554
    Спасибо Благодарностей отдано 
    11
    Спасибо Благодарностей получено 
    22
    Поблагодарили
    15 сообщений
    Mentioned
    0 Post(s)
    Tagged
    0 Thread(s)

    По умолчанию

    kisser, а не хотите пойти по пути pin-2-pin замены процессора ВМ1 на ПЛИС, взяв за основу труды по конвеерезированному процессору для БК12 ?
    Сразу куча проблем бы отпала. И быстродействие многократно больше было бы, чем даже у 1836ВМ3.
    Последний раз редактировалось Woland; 04.03.2013 в 17:40.
    Возрождение БК0011М: pk-fpga.ru, forum.pk-fpga.ru
    Продажа электронных компонентов >>тут<<

  11. #10

    Регистрация
    11.09.2009
    Адрес
    Москва
    Сообщений
    4,806
    Спасибо Благодарностей отдано 
    9
    Спасибо Благодарностей получено 
    148
    Поблагодарили
    79 сообщений
    Mentioned
    16 Post(s)
    Tagged
    0 Thread(s)

    По умолчанию

    Цитата Сообщение от Woland Посмотреть сообщение
    пойти по пути pin-2-pin замены процессора ВМ1 на ПЛИС
    Смысл оригинальной БК именно в оригинальном процессоре, работающем на оригинальной частоте с оригинальной аппаратурой.

    Дополнение оригинального процессора возможностью запускать любые другие процессоры - это круто и концептуально.

    Отказ же от возможности использовать оригинальный процессор непонятен по своей концепции - кому и зачем это надо..

    Запуск оригинальной обвязки процессора 1801ВМ1 с его pin-2-pin эмулятором - экстремальное развлечение, понятное лишь избранным. Какая радость гонять оригинальную обвязку с эмулятором, когда можно сэмулировать вообще всю БК в одном "чёрном ящике" с интерфейсами FDD и МПИ.

Страница 1 из 3 123 ПоследняяПоследняя

Информация о теме

Пользователи, просматривающие эту тему

Эту тему просматривают: 1 (пользователей: 0 , гостей: 1)

Ваши права

  • Вы не можете создавать новые темы
  • Вы не можете отвечать в темах
  • Вы не можете прикреплять вложения
  • Вы не можете редактировать свои сообщения
  •