Здравствуйте!
У меня есть такой вопросик - Пентева у меня сейчас питается от АТ блока питания, подключена разъёмом для нестандартному блока питания (+5, +12).
Так вот, пентева платка маленькая, а блок по сравнению с неё ну слишком большой, и я хочу запитать её от другого источника.
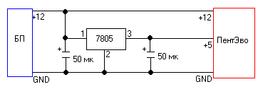
У меня есть блок питания на 12 вольт (12В 90ма 10,8ВА(макс)). Можно ли запитать через него, 12 вольт ужен есть, а 5 получить, пропустив 12 через стабилизатор (кренку).
Если да, то поделитесь, пожалуйста, схемку.
P.S.
А зачем ещё, кроме ВГ95, пентеве нужно 12 вольт? Просто, дисковод у меня не подключён, то есть, ВГ95 не используется. Может, 12 вольт в моём случае и не надо?
---------- Post added at 20:22 ---------- Previous post was at 20:21 ----------
Извиняюсь, не ВГ95, а ВГ93.


Ответить с цитированием
Размещение рекламы на форуме способствует его дальнейшему развитию 

A1200 Rev.1D1; Bliz060@50+SCSI Kit+128Mb; CF-IDE 16Gb; AOS3.9 | A1200 Rev.1D4; Micronic Infinitiv 1200 + Zorro II board ; BPPC060@60/603e@240+256Mb ; Cybervision 64-3D ; Indi AGA Mk2 ; Spitfire SCSI ; PCD-60B SCSI Card Reader ; IDE Buddha Flash ; Toccata ; AOS4.1
Yamaha MSX2 YIS503IIIR КУВТ2
Mac Mini G4; 1,5Ghz; RAM 1Gb; HDD 80Gb; AirPort
