User Tag List

Страница 8 из 8 ПерваяПервая ... 45678
Показано с 71 по 73 из 73

Тема: Изучаем микроконтроллер КР1878ВЕ1.

  1. #71

    Регистрация
    18.11.2017
    Адрес
    д. Повадино, Московская обл.
    Сообщений
    169
    Спасибо Благодарностей отдано 
    63
    Спасибо Благодарностей получено 
    29
    Поблагодарили
    11 сообщений
    Mentioned
    1 Post(s)
    Tagged
    0 Thread(s)

    По умолчанию

    Нагуглил страничку автора альтернативного компилятора, там у него лежат исходники на С под linux.
    http://vak.ru/doku.php/proj/tesei/tesei-asm
    Последний раз редактировалось stepmotor; 27.12.2021 в 14:42.


    ZX Evolution rev C4

  2. #72

    Регистрация
    18.11.2017
    Адрес
    д. Повадино, Московская обл.
    Сообщений
    169
    Спасибо Благодарностей отдано 
    63
    Спасибо Благодарностей получено 
    29
    Поблагодарили
    11 сообщений
    Mentioned
    1 Post(s)
    Tagged
    0 Thread(s)

    По умолчанию

    -------
    да, страничка была в топе даже не заметил.
    Автор красава, код интересный. Поставил VC++6.0 и перенес все за вечер под винду.

    Скрестил с редактором который делал ранее. Выложу попозже.

    Забрал МК, упаковка супер. Качество на высоте, буду пробовать.
    Нажмите на изображение для увеличения. 

Название:	1.jpg 
Просмотров:	161 
Размер:	40.4 Кб 
ID:	76760Нажмите на изображение для увеличения. 

Название:	2.jpg 
Просмотров:	114 
Размер:	21.5 Кб 
ID:	76761Нажмите на изображение для увеличения. 

Название:	3.jpg 
Просмотров:	132 
Размер:	21.2 Кб 
ID:	76762Нажмите на изображение для увеличения. 

Название:	4.jpg 
Просмотров:	124 
Размер:	23.8 Кб 
ID:	76763Нажмите на изображение для увеличения. 

Название:	5.jpg 
Просмотров:	158 
Размер:	24.4 Кб 
ID:	76764Нажмите на изображение для увеличения. 

Название:	6.jpg 
Просмотров:	131 
Размер:	28.5 Кб 
ID:	76765


    ZX Evolution rev C4

  3. #73

    Регистрация
    03.12.2005
    Адрес
    Серов
    Сообщений
    546
    Спасибо Благодарностей отдано 
    37
    Спасибо Благодарностей получено 
    51
    Поблагодарили
    23 сообщений
    Mentioned
    0 Post(s)
    Tagged
    0 Thread(s)

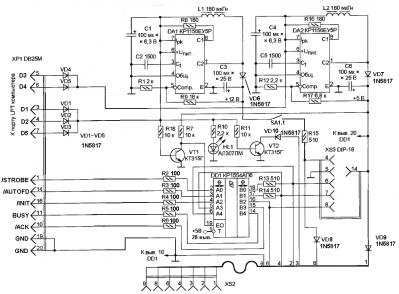
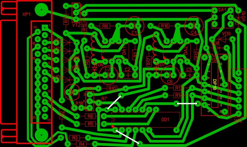
    По умолчанию Программатор

    Может кому пригодится, мой вариант платы под ЛУТ программатора LPT. Из Windows новее 98-й не работает, только DOS.
    Также собирал частотомер по схеме Богомолова, и, что интересно, тоже были ошибки в подключении индикаторов. Главная беда этого частотомера - это входной усилитель с низким сопротивлением и чувствительностью. Лучше его заменить на какой-либо другой с полевиком на входе.

    Программатор 1878 плата.zip
    Нажмите на изображение для увеличения. 

Название:	Плата - Copy.jpg 
Просмотров:	133 
Размер:	94.5 Кб 
ID:	77047Нажмите на изображение для увеличения. 

Название:	CLEAR.jpg 
Просмотров:	175 
Размер:	26.9 Кб 
ID:	77048
    Оригинальные ZX-Spectrum 48, 48 PLUS+BDI, ZX-INTERFACE 1 bis, KAY-1024, Кворум-192, Кворум-128 CP/M, Кворум-64, ZS-Scorpion 256 Turbo+&Caro ZX_MC, Мастер48К

Страница 8 из 8 ПерваяПервая ... 45678

Информация о теме

Пользователи, просматривающие эту тему

Эту тему просматривают: 1 (пользователей: 0 , гостей: 1)

Похожие темы

  1. Куплю КР1878ВЕ1
    от Protom в разделе Барахолка (архив)
    Ответов: 4
    Последнее: 01.02.2012, 23:28
  2. микроконтроллер К1816 ВЕ51/31
    от zorel в разделе Для начинающих
    Ответов: 3
    Последнее: 07.05.2011, 16:10
  3. Профи 4.02 изучаем спрос .Украина.
    от Mad Killer/PG в разделе Барахолка (архив)
    Ответов: 25
    Последнее: 13.05.2010, 21:56
  4. Изучаем Ассемблер с ААА!
    от Addison в разделе Для начинающих
    Ответов: 33
    Последнее: 08.07.2009, 00:52
  5. Микроконтроллер в качестве памяти
    от Stealth в разделе ZX Концепции
    Ответов: 14
    Последнее: 16.10.2007, 13:30

Ваши права

  • Вы не можете создавать новые темы
  • Вы не можете отвечать в темах
  • Вы не можете прикреплять вложения
  • Вы не можете редактировать свои сообщения
  •