User Tag List

Страница 3 из 3 ПерваяПервая 123
Показано с 21 по 28 из 28

Тема: Помогите реализовать/разработать двунаправленный порт ввода/вывода.

  1. #21

    Регистрация
    24.01.2008
    Адрес
    Уфа
    Сообщений
    3,927
    Спасибо Благодарностей отдано 
    106
    Спасибо Благодарностей получено 
    291
    Поблагодарили
    217 сообщений
    Mentioned
    10 Post(s)
    Tagged
    0 Thread(s)

    По умолчанию

    Цитата Сообщение от Viktor2312 Посмотреть сообщение
    Не могу понять сигналы при этом автоматически формируются на выходах порта С или их всё таки нужно программно задавать.
    Формируются автоматически, на то он и стробируемый режим.

  2. #22

    Регистрация
    28.03.2006
    Адрес
    Санкт-Петербург
    Сообщений
    2,778
    Спасибо Благодарностей отдано 
    560
    Спасибо Благодарностей получено 
    201
    Поблагодарили
    139 сообщений
    Mentioned
    2 Post(s)
    Tagged
    0 Thread(s)

    По умолчанию

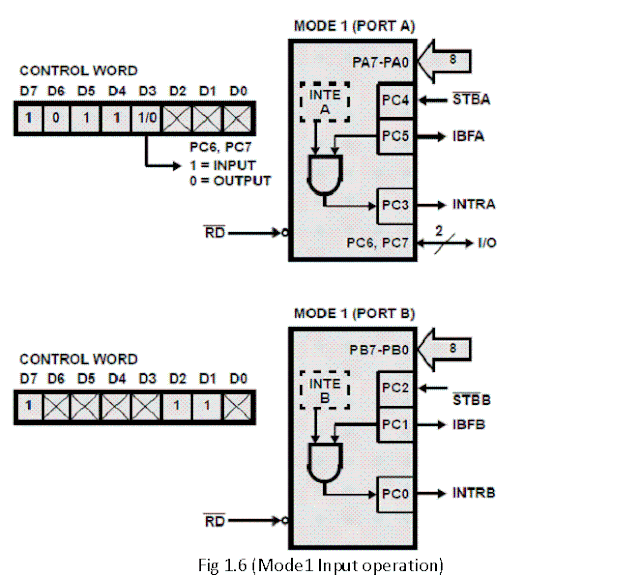
    См. картинки по режиму 1 тут:

    http://www.npeducations.com/2011/01/...interface.html




  3. #23

    Регистрация
    28.03.2006
    Адрес
    Санкт-Петербург
    Сообщений
    2,778
    Спасибо Благодарностей отдано 
    560
    Спасибо Благодарностей получено 
    201
    Поблагодарили
    139 сообщений
    Mentioned
    2 Post(s)
    Tagged
    0 Thread(s)

    По умолчанию

    CONTROL WORD - слово, которое нужно записать в CONTROL WORD REGISTER для настройки портов в нужные режимы. CONTROL в переводе с английского означает "управление", WORD - "слово", REGISTER - "регистр" (не уверен, что есть хороший русский эквивалент слову "регистр", разве что "ячейка", но интуитивно это, по-моему, не совсем то).

    Соответственно, для настройки в режиме 1 порта А на вывод, а порта B на ввод управляющее слово получается 10101111. Используемые для квитирования линии порта C настраиваются автоматически, а неиспользуемые настраиваем на ввод.

  4. #24

    Регистрация
    28.03.2006
    Адрес
    Санкт-Петербург
    Сообщений
    2,778
    Спасибо Благодарностей отдано 
    560
    Спасибо Благодарностей получено 
    201
    Поблагодарили
    139 сообщений
    Mentioned
    2 Post(s)
    Tagged
    0 Thread(s)

    По умолчанию

    Цитата Сообщение от Viktor2312 Посмотреть сообщение

    Таким образом получается, что каналы С0-С3 и С4-С7 нужно настроить на ввод, вот он ответ на мой вопрос. Получается, что мы можем считывать их содержимое, чтобы менять ход выполнения программы. Так как неиспользуемые нам не нужны, точнее мне, мы на них не будем обращать внимания.
    Нет, это неправильное толкование. Посмотрите еще раз на картинки. Линии PC5..PC3 и PC2..PC0 используются АВТОМАТИЧЕСКИ для квитирования. Считывать их состояние вроде бы можно (см. документацию), было бы зачем.

    Речь шла про неиспользуемые линии PC7..PC6. Их можно настраивать и использовать как угодно под свои нужды.

    ---------- Post added at 17:46 ---------- Previous post was at 17:40 ----------

    Цитата Сообщение от Viktor2312 Посмотреть сообщение
    И ещё небольшой вопросик, правильно ли я понял, если у меня в устройстве А и устройстве Б идентичные порты, идентично запрограммированные, то соответственно я порт А работающий на вывод, должен буду соединить с портом В, работающим на ввод, устройства Б. И также, порт В работающий на ввод, устройства А соединить с портом А, работающий на вывод, устройства Б, сигналы управления как вроде понятно, какой куда подсоединять, примерно так же как и с портами?
    Насколько я понимаю, да. Меня только смущает описание сигналов квитирования, нужно почитать про них внимательнее.

  5. #25

    Регистрация
    28.03.2006
    Адрес
    Санкт-Петербург
    Сообщений
    2,778
    Спасибо Благодарностей отдано 
    560
    Спасибо Благодарностей получено 
    201
    Поблагодарили
    139 сообщений
    Mentioned
    2 Post(s)
    Tagged
    0 Thread(s)

    По умолчанию

    С неиспользуемыми выводами все хитрее. В зависимости от того, на вывод или на ввод настраиваются порты А/B, неиспользуемыми становятся разные линии порта C.

    Смотрим даташит на 8255 (http://www.csee.umbc.edu/~cpatel2/li...heets/8255.pdf)

    Страница 3-112, иллюстрация 12, правая часть. Неиспользуемые линии в этом случае PC5..PC4.

  6. #26

    Регистрация
    28.03.2006
    Адрес
    Санкт-Петербург
    Сообщений
    2,778
    Спасибо Благодарностей отдано 
    560
    Спасибо Благодарностей получено 
    201
    Поблагодарили
    139 сообщений
    Mentioned
    2 Post(s)
    Tagged
    0 Thread(s)

    По умолчанию

    А вот что пишет Intel:

    8255A Interfacing

    The problem

    Two (or more) 8255As may not be directly connected together in either Mode 1 or Mode 2. Additional logic is needed.


    What does it take?

    Many users attempt to form a high-speed 8-bit parallel bus using two 8255As in Mode 1 or Mode 2. At first glance, it appears that this can be done with the addition of one inverter for unidirectional transfer, and two inverters for bidirectional transfer, as shown in Figure 1 and Figure 2. In figure 1, only Port A control and data lines are shown; connections for Port B are similar.

    The current 8255A AC specifications indicate that these connections will not work properly! The "handshaking" signals generated by the 8255A do not provide adequate STB pulse width and data set-up times for the input port.

    http://www.intel.com/design/archives.../docs/7012.htm
    Последний раз редактировалось tnt23; 02.10.2013 в 20:21.

  7. #27

    Регистрация
    28.03.2006
    Адрес
    Санкт-Петербург
    Сообщений
    2,778
    Спасибо Благодарностей отдано 
    560
    Спасибо Благодарностей получено 
    201
    Поблагодарили
    139 сообщений
    Mentioned
    2 Post(s)
    Tagged
    0 Thread(s)

    По умолчанию

    Там в аппноте есть еще и поясняющие картинки.

    Ну ладно, допустим, действительно это можно решить добавлением инвертора (инверторов). Получится канал "точка-точка". А как предполагается связывать более двух точек между собой?

  8. #28

    Регистрация
    28.03.2006
    Адрес
    Санкт-Петербург
    Сообщений
    2,778
    Спасибо Благодарностей отдано 
    560
    Спасибо Благодарностей получено 
    201
    Поблагодарили
    139 сообщений
    Mentioned
    2 Post(s)
    Tagged
    0 Thread(s)

    По умолчанию

    Интуитивно чувствую, что здесь будут те же проблемы, что и с аксонами: ограниченность маршрутов и жуткие задержки с передачей.

Страница 3 из 3 ПерваяПервая 123

Информация о теме

Пользователи, просматривающие эту тему

Эту тему просматривают: 1 (пользователей: 0 , гостей: 1)

Похожие темы

  1. Ответов: 19
    Последнее: 19.06.2017, 22:35
  2. Базовая система ввода и вывода для Spectrum.
    от ZXFanat в разделе ZX Концепции
    Ответов: 35
    Последнее: 16.01.2011, 18:35
  3. Ответов: 8
    Последнее: 01.05.2006, 01:38

Ваши права

  • Вы не можете создавать новые темы
  • Вы не можете отвечать в темах
  • Вы не можете прикреплять вложения
  • Вы не можете редактировать свои сообщения
  •