Пришли новые микросхемы, всё обновлено. Но всёравно застрял на тестах. При выключенном блоке питания, на выходе видео отрицательный потенциал -0.8В. Откуда он там -- понять не могу. С3 заряжается во время тестов и напряжение выхода смещается. Транзистор исправен, все номиналы как на схеме. Генерация работает, вся мелкая логика работает. Генератор для видео выдаёт 16МГц и на 14 выводе 7492, на 1 выводе следовательно 8МГц.
Смутили частоты HSYNC VSINC. Обнаружил проблему в разъёме, центральный выход коротил на массу при движении. С тестовой прошивкой на выходе видео только прямоугольные HSYNC 15.5КГц VSINC 50.0Гц.
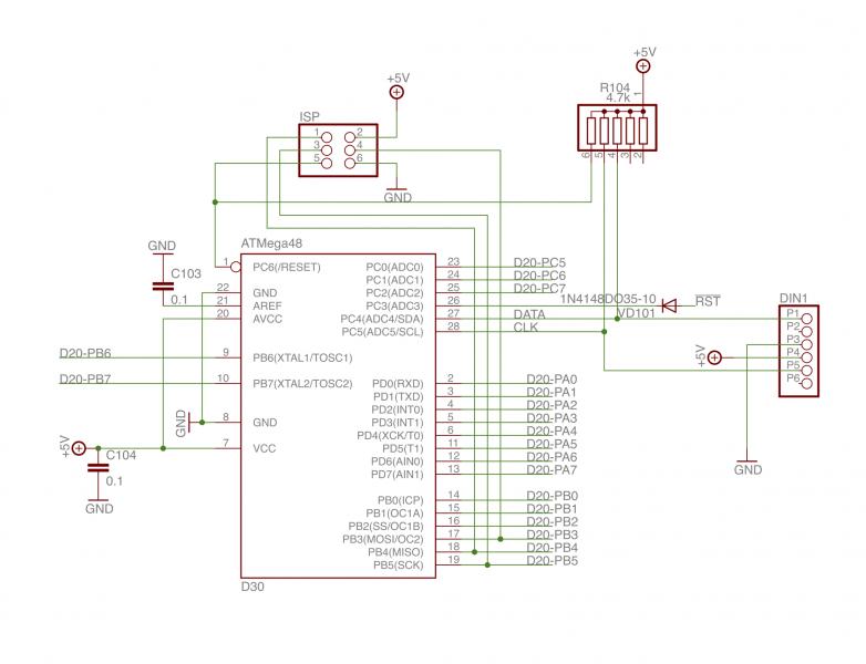
С контроллером клавиатуры разобраться не могу. Вижу только включение клавиатуры (зажигаются три светодиода, потом гаснут caps scroll, через 2 секунды гаснет num lock). При нажатии на кнопки клавиатуры на PAn всегда низкие, на PBn всегда высокие, движений никаких нет.
Вероятно, придётся свою клавиатуру собирать. Ну и работу только с подключенным осциллографом не смог побороть, несколько блоков питания перепробовал, поведение одинаковое, сбрасывается и зависает.
Вероятно, проблема в длинном проводе до разъёма, земля которого работает как антенна.
![]()


Ответить с цитированием

Размещение рекламы на форуме способствует его дальнейшему развитию 
