Буду благодарен за любую помощь!
Я из орла в трейс не смог перевести, орел ругается на какие-то ошибки, а после трейс виснет наглухо. Если можете, скинте что есть (трейс, кад).
В последствии файлами поделюсь, пусть будут у всех, кому нужно.
Орел точно не моя программа, два часа опять убил, и ничего!!!
Не прет Орел и все! Хотя уроков и мануальчиков уже наюзал...кучу!
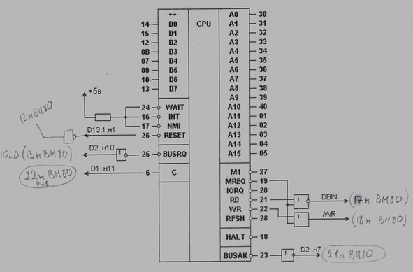
Если есть у кого интерес к этому КАДУ, могу выложить.





Ответить с цитированием
Размещение рекламы на форуме способствует его дальнейшему развитию 
.
, а вот фдд у меня так и не заработал
, и проблема не в обращении к портам т.к. все сигналы теста в норме, а вот отображение на экране в этой же проге страдает! и в игре Alliaz страдает - тормоз жуткий, даже в турбо на 20мгц, а вот Булдер Дасш в цвете на основе Реал Виндовс 32кб работает на Ура!? 