User Tag List

Страница 49 из 126 ПерваяПервая ... 454647484950515253 ... ПоследняяПоследняя
Показано с 481 по 490 из 1254

Тема: Сборка Radio-86RК-SRAM

  1. #481

    Регистрация
    12.12.2011
    Адрес
    г. Иркутск
    Сообщений
    2,509
    Спасибо Благодарностей отдано 
    10
    Спасибо Благодарностей получено 
    22
    Поблагодарили
    20 сообщений
    Mentioned
    0 Post(s)
    Tagged
    0 Thread(s)

    По умолчанию

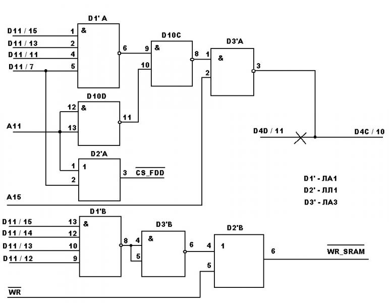
    Вот по такой схеме #8800-#9FFF и #A800-#BFFF это ОЗУ, а остальное ПЗУ.
    Миниатюры Миниатюры Нажмите на изображение для увеличения. 

Название:	M32K.jpg 
Просмотров:	313 
Размер:	40.2 Кб 
ID:	45807  
    Последний раз редактировалось Vladimir_S; 15.02.2014 в 20:37.

  2. #481
    С любовью к вам, Yandex.Direct
    Размещение рекламы на форуме способствует его дальнейшему развитию

  3. #482

    Регистрация
    28.05.2010
    Адрес
    г. Москва
    Сообщений
    510
    Спасибо Благодарностей отдано 
    5
    Спасибо Благодарностей получено 
    17
    Поблагодарили
    16 сообщений
    Mentioned
    0 Post(s)
    Tagged
    0 Thread(s)

    По умолчанию

    Цитата Сообщение от Vladimir_S Посмотреть сообщение
    Вот по такой схеме #8800-#9FFF и #A800-#BFFF это ОЗУ, а остальное ПЗУ.
    А ничего, что выбор микросхем памяти будет проходить по такой длинной цепочке? Каждый лог. элемент дает задержку на время его переключения. Не получится ли так, что сигнал выборки ОЗУ придет позже сигнала чтение/запись?

  4. #483

    Регистрация
    12.12.2011
    Адрес
    г. Иркутск
    Сообщений
    2,509
    Спасибо Благодарностей отдано 
    10
    Спасибо Благодарностей получено 
    22
    Поблагодарили
    20 сообщений
    Mentioned
    0 Post(s)
    Tagged
    0 Thread(s)

    По умолчанию

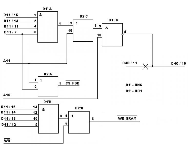
    Rokl, Все путем. А если ЛА1 заменить на ЛИ6, цепочку можно укоротить.
    Миниатюры Миниатюры Нажмите на изображение для увеличения. 

Название:	M32K.jpg 
Просмотров:	314 
Размер:	35.7 Кб 
ID:	45815  
    Последний раз редактировалось Vladimir_S; 16.02.2014 в 07:04.

  5. #484

    Регистрация
    28.05.2010
    Адрес
    г. Москва
    Сообщений
    510
    Спасибо Благодарностей отдано 
    5
    Спасибо Благодарностей получено 
    17
    Поблагодарили
    16 сообщений
    Mentioned
    0 Post(s)
    Tagged
    0 Thread(s)

    По умолчанию

    Цитата Сообщение от Vladimir_S Посмотреть сообщение
    Rokl, Все путем. А если ЛА1 заменить на ЛИ6, цепочку можно укоротить.
    У вас схема не верна ни в первом случае ни во втором.
    В первом случае в цепочке D1b(ЛА1),D3b(ЛН1),D2,b(ЛЛ1) у вас лишний инвертор (D3), т.к. ЛА1 уже имеет инвертор. А во второй схеме, наоборот, ЛИ6 без инвертора и потому не хватает ЛН1. Так что цепочку, как не крути укоротить не получается...4И-НЕ-2ИЛИ.
    А с верхней частью схемы ещё длиннее цепочка выборки получается.
    В любом случае, "практика критерий истины", может я перестраховываюсь и всё будет работать.
    Последний раз редактировалось Rokl; 16.02.2014 в 11:11.

  6. #485

    Регистрация
    12.12.2011
    Адрес
    г. Иркутск
    Сообщений
    2,509
    Спасибо Благодарностей отдано 
    10
    Спасибо Благодарностей получено 
    22
    Поблагодарили
    20 сообщений
    Mentioned
    0 Post(s)
    Tagged
    0 Thread(s)

    По умолчанию

    Rokl, Посмотри еще раз и проанализируй.

    ---------- Post added at 10:14 ---------- Previous post was at 10:11 ----------

    WR_SRAM = 0 только если WR и любой из входов ЛИ6 = 0.

    ---------- Post added at 10:16 ---------- Previous post was at 10:14 ----------

    Цитата Сообщение от Rokl Посмотреть сообщение
    может я перестраховываюсь и всё будет работать.
    Я еще и не такие длинные схемы на РК прикручивал, все работало.

  7. #486

    Регистрация
    28.05.2010
    Адрес
    г. Москва
    Сообщений
    510
    Спасибо Благодарностей отдано 
    5
    Спасибо Благодарностей получено 
    17
    Поблагодарили
    16 сообщений
    Mentioned
    0 Post(s)
    Tagged
    0 Thread(s)

    По умолчанию

    Цитата Сообщение от Vladimir_S Посмотреть сообщение
    Rokl, Посмотри еще раз и проанализируй.
    Давай проанализирукм вторую укороченную схему...
    Первый элемент стоит 4И и чтобы прошел сигнал выборки, должно собраться все 4 лог 1, и тогда лог 1 приходит на элемент 2ИЛИ, и на выходе остаётся лог1, что соответствует не выборке, т.к. /WR не пройдет. Зато, когда на 4И есть хоть один лог.0, она сработает своим 0, как выборка и /WR проскочит на запись, занеся в ОЗУ мусор.

    Всё, дошло, у тебя активный сигнал лог0 на ЛИ6 и запрет именно, когла все единицы. Тогда , пардон, был не прав.
    Последний раз редактировалось Rokl; 16.02.2014 в 11:21.

  8. #487

    Регистрация
    12.12.2011
    Адрес
    г. Иркутск
    Сообщений
    2,509
    Спасибо Благодарностей отдано 
    10
    Спасибо Благодарностей получено 
    22
    Поблагодарили
    20 сообщений
    Mentioned
    0 Post(s)
    Tagged
    0 Thread(s)

    По умолчанию

    Цитата Сообщение от Rokl Посмотреть сообщение
    Первый элемент стоит 4И и чтобы прошел сигнал выборки
    Первый элемент 4И стоит для запрета выборки если любой из входов 4И и А11 равны 0.
    Т.е. если #8000-#87FF или #A000-#A7FF или #C000-#C7FF или #F000-#F7FF, а А15 равен 1 - выборка запрещена. При А15 = 0 выборка запрещена в любом случае.

    ---------- Post added at 10:49 ---------- Previous post was at 10:22 ----------

    Завтра с утра заскочу в магазин и куплю К555ЛИ6, прикручу дешифраторы и цвет.
    Что получится напишу.
    Последний раз редактировалось Vladimir_S; 16.02.2014 в 11:27.

  9. #488

    Регистрация
    16.01.2005
    Адрес
    California, USA
    Сообщений
    828
    Спасибо Благодарностей отдано 
    108
    Спасибо Благодарностей получено 
    115
    Поблагодарили
    73 сообщений
    Mentioned
    1 Post(s)
    Tagged
    0 Thread(s)

    По умолчанию

    Цитата Сообщение от gdv2002 Посмотреть сообщение
    Это я читал, но вот и недогоняю, почему этими "старшими" атрибутами нельзя сказать ВГ75, чтобы он взял символ из следующего набора?
    Наверное тут дело в адресах расположения этих символов?
    Ну вроде в RK86-SRAM-32K так и сделано (правда а ПЗУ знакогенератора две одинаковые половинки) - только это с цветом не совместимо ну и пробелы будут в точке переключения (может быть даже переключение будет со сдвигом на один символ назад)...
    Администратор сетевого сообщества nedoPC.org
    Урал 8/64К, Sp2000, ZX48K+, ZX16K (спалил), TS1000 (американский ZX81), TS2068, Дельта-С, 20 лет собираю ATM Turbo 2+
    Неспектрумы: Электроника МК-85 и МК-85М, ПК-01 Львов, БК-0011, Вектор-06Ц, Лик (спец), Апогеи, Radio-86RK SRAM 32K & 128K (всё ещё собираю)

  10. #489

    Регистрация
    17.07.2013
    Адрес
    г. Курган
    Сообщений
    2,036
    Записей в дневнике
    2
    Спасибо Благодарностей отдано 
    124
    Спасибо Благодарностей получено 
    172
    Поблагодарили
    122 сообщений
    Mentioned
    1 Post(s)
    Tagged
    0 Thread(s)

    По умолчанию

    Цитата Сообщение от Vladimir_S Посмотреть сообщение
    Завтра с утра заскочу в магазин и куплю К555ЛИ6, прикручу дешифраторы и цвет.
    Цвет по схеме из Радиолюбителя будешь прикручивать?
    Хочу "накидать" и эту платку тоже. Пока у меня скопилось уже немного готовых платок для апгрейда РК, может как финансами разживусь закажу в производство по отдельности.
    Возможность переключения ЗГ так понимаю убираешь из схемы?
    Последний раз редактировалось gdv2002; 17.02.2014 в 07:19.
    С уважением, Дмитрий.
    Karabas-Go
    Pentagon-128 вер.2023+Turbo Sound+ZXM-GeneralSound
    ZXM-Phoenix 2048+Turbo Sound+ZXM-GeneralSound+ZXM-SoundCard Lite
    ZXM-Phoenix в Телеграмм

  11. #490

    Регистрация
    12.12.2011
    Адрес
    г. Иркутск
    Сообщений
    2,509
    Спасибо Благодарностей отдано 
    10
    Спасибо Благодарностей получено 
    22
    Поблагодарили
    20 сообщений
    Mentioned
    0 Post(s)
    Tagged
    0 Thread(s)

    По умолчанию

    Цитата Сообщение от gdv2002 Посмотреть сообщение
    Цвет по схеме из Радиолюбителя будешь прикручивать?
    "САМОЦВЕТ"

Страница 49 из 126 ПерваяПервая ... 454647484950515253 ... ПоследняяПоследняя

Информация о теме

Пользователи, просматривающие эту тему

Эту тему просматривают: 1 (пользователей: 0 , гостей: 1)

Похожие темы

  1. PAC (SRAM) что за зверь?
    от Atari в разделе MSX
    Ответов: 2
    Последнее: 21.03.2012, 21:11
  2. ZX Radio -- альтернатива.
    от fk0 в разделе Музыка
    Ответов: 11
    Последнее: 28.10.2006, 08:24
  3. ZX Radio
    от Vega в разделе Музыка
    Ответов: 11
    Последнее: 25.10.2006, 10:10

Ваши права

  • Вы не можете создавать новые темы
  • Вы не можете отвечать в темах
  • Вы не можете прикреплять вложения
  • Вы не можете редактировать свои сообщения
  •