User Tag List

Страница 53 из 126 ПерваяПервая ... 495051525354555657 ... ПоследняяПоследняя
Показано с 521 по 530 из 1254

Тема: Сборка Radio-86RК-SRAM

  1. #521

    Регистрация
    18.07.2010
    Адрес
    Ульяновск
    Сообщений
    852
    Спасибо Благодарностей отдано 
    5
    Спасибо Благодарностей получено 
    12
    Поблагодарили
    10 сообщений
    Mentioned
    0 Post(s)
    Tagged
    0 Thread(s)

    По умолчанию

    Цитата Сообщение от Shaos Посмотреть сообщение
    там инициализируется ВГ75 с неотображаемыми атрибутами
    Наверное, так называемый прозрачный режим, из-за которого строка бывает переменной длинны?
    В справочнике пишут, что он используется редко, т.к. сложно обрабатывать такие строки...
    Последний раз редактировалось alx32; 18.02.2014 в 05:26.

  2. #522

    Регистрация
    17.07.2013
    Адрес
    г. Курган
    Сообщений
    2,035
    Записей в дневнике
    2
    Спасибо Благодарностей отдано 
    124
    Спасибо Благодарностей получено 
    172
    Поблагодарили
    122 сообщений
    Mentioned
    1 Post(s)
    Tagged
    0 Thread(s)

    По умолчанию

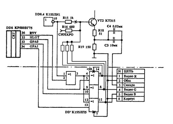
    Если я правильно понял из статей, то перепрограммирует ВГ75 драйвер, который есть в статьях и по Самоцвету и по схеме Толкалина.
    Выше мы выяснили, что Самоцвет обеспечит работу и с монохромным монитором, т.е. будет инверсия и мерцание. Схема Толкалина такого не обеспечит. конечно можно ч/б монитор прицепить к RGB выходам, как в свое время Спектрумы цепляли, но наверное лучше и удобнее обойтись без подобных подключений?
    С уважением, Дмитрий.
    Karabas-Go
    Pentagon-128 вер.2023+Turbo Sound+ZXM-GeneralSound
    ZXM-Phoenix 2048+Turbo Sound+ZXM-GeneralSound+ZXM-SoundCard Lite
    ZXM-Phoenix в Телеграмм

  3. #523

    Регистрация
    16.01.2005
    Адрес
    California, USA
    Сообщений
    828
    Спасибо Благодарностей отдано 
    108
    Спасибо Благодарностей получено 
    114
    Поблагодарили
    73 сообщений
    Mentioned
    1 Post(s)
    Tagged
    0 Thread(s)

    По умолчанию

    Да, наверное можно не трогать монитор, а просто в программе иметь драйвер, перепрограммирующий ВГ75...
    Администратор сетевого сообщества nedoPC.org
    Урал 8/64К, Sp2000, ZX48K+, ZX16K (спалил), TS1000 (американский ZX81), TS2068, Дельта-С, 20 лет собираю ATM Turbo 2+
    Неспектрумы: Электроника МК-85 и МК-85М, ПК-01 Львов, БК-0011, Вектор-06Ц, Лик (спец), Апогеи, Radio-86RK SRAM 32K & 128K (всё ещё собираю)

  4. #524

    Регистрация
    17.07.2013
    Адрес
    г. Курган
    Сообщений
    2,035
    Записей в дневнике
    2
    Спасибо Благодарностей отдано 
    124
    Спасибо Благодарностей получено 
    172
    Поблагодарили
    122 сообщений
    Mentioned
    1 Post(s)
    Tagged
    0 Thread(s)

    По умолчанию

    Возвращаясь к Толкалину, мне этот вариант импонирует хоть и минимальной, но поддержкой и подробным описанием.
    Чтобы "уравнять" его функционал с возможностями Самоцвета, нужно добавить всего три резистора!
    Т.е. сделать вот так:
    Миниатюры Миниатюры Нажмите на изображение для увеличения. 

Название:	Доработка.jpg 
Просмотров:	325 
Размер:	41.1 Кб 
ID:	45844  
    С уважением, Дмитрий.
    Karabas-Go
    Pentagon-128 вер.2023+Turbo Sound+ZXM-GeneralSound
    ZXM-Phoenix 2048+Turbo Sound+ZXM-GeneralSound+ZXM-SoundCard Lite
    ZXM-Phoenix в Телеграмм

  5. #525

    Регистрация
    16.01.2005
    Адрес
    California, USA
    Сообщений
    828
    Спасибо Благодарностей отдано 
    108
    Спасибо Благодарностей получено 
    114
    Поблагодарили
    73 сообщений
    Mentioned
    1 Post(s)
    Tagged
    0 Thread(s)

    По умолчанию

    А какое сопротивление у этих трёх резисторов?
    Администратор сетевого сообщества nedoPC.org
    Урал 8/64К, Sp2000, ZX48K+, ZX16K (спалил), TS1000 (американский ZX81), TS2068, Дельта-С, 20 лет собираю ATM Turbo 2+
    Неспектрумы: Электроника МК-85 и МК-85М, ПК-01 Львов, БК-0011, Вектор-06Ц, Лик (спец), Апогеи, Radio-86RK SRAM 32K & 128K (всё ещё собираю)

  6. #526

    Регистрация
    17.07.2013
    Адрес
    г. Курган
    Сообщений
    2,035
    Записей в дневнике
    2
    Спасибо Благодарностей отдано 
    124
    Спасибо Благодарностей получено 
    172
    Поблагодарили
    122 сообщений
    Mentioned
    1 Post(s)
    Tagged
    0 Thread(s)

    По умолчанию

    По аналогии с Самоцветом:
    R - 4.7k
    G - 6.8k
    B - 12k
    Но на деле нужно будет их подобрать для правильного отображения (баланса цветов) на экране. Помню спек так и подключали к МС6105 или ч/б телеку, правда я ставил переменники из серии "что было".
    С уважением, Дмитрий.
    Karabas-Go
    Pentagon-128 вер.2023+Turbo Sound+ZXM-GeneralSound
    ZXM-Phoenix 2048+Turbo Sound+ZXM-GeneralSound+ZXM-SoundCard Lite
    ZXM-Phoenix в Телеграмм

  7. #526
    С любовью к вам, Yandex.Direct
    Размещение рекламы на форуме способствует его дальнейшему развитию

  8. #527

    Регистрация
    12.12.2011
    Адрес
    г. Иркутск
    Сообщений
    2,509
    Спасибо Благодарностей отдано 
    10
    Спасибо Благодарностей получено 
    22
    Поблагодарили
    20 сообщений
    Mentioned
    0 Post(s)
    Tagged
    0 Thread(s)

    По умолчанию

    Ну и как у меня теперь часики?
    Миниатюры Миниатюры Нажмите на изображение для увеличения. 

Название:	color.jpg 
Просмотров:	340 
Размер:	29.5 Кб 
ID:	45845  

  9. #528

    Регистрация
    17.07.2013
    Адрес
    г. Курган
    Сообщений
    2,035
    Записей в дневнике
    2
    Спасибо Благодарностей отдано 
    124
    Спасибо Благодарностей получено 
    172
    Поблагодарили
    122 сообщений
    Mentioned
    1 Post(s)
    Tagged
    0 Thread(s)

    По умолчанию

    Цитата Сообщение от Vladimir_S Посмотреть сообщение
    Ну и как у меня теперь часики?
    Вытираю слюни
    Самоцвет делал?
    Давай подробности.
    С уважением, Дмитрий.
    Karabas-Go
    Pentagon-128 вер.2023+Turbo Sound+ZXM-GeneralSound
    ZXM-Phoenix 2048+Turbo Sound+ZXM-GeneralSound+ZXM-SoundCard Lite
    ZXM-Phoenix в Телеграмм

  10. #529

    Регистрация
    12.12.2011
    Адрес
    г. Иркутск
    Сообщений
    2,509
    Спасибо Благодарностей отдано 
    10
    Спасибо Благодарностей получено 
    22
    Поблагодарили
    20 сообщений
    Mentioned
    0 Post(s)
    Tagged
    0 Thread(s)

    По умолчанию

    Цитата Сообщение от gdv2002 Посмотреть сообщение
    Давай подробности.
    А какие подробности, все по схеме.

  11. #530

    Регистрация
    12.12.2011
    Адрес
    г. Иркутск
    Сообщений
    2,509
    Спасибо Благодарностей отдано 
    10
    Спасибо Благодарностей получено 
    22
    Поблагодарили
    20 сообщений
    Mentioned
    0 Post(s)
    Tagged
    0 Thread(s)

    По умолчанию

    Насчет схемы, убрал все резисторы и свет стал красивее.
    Миниатюры Миниатюры Нажмите на изображение для увеличения. 

Название:	color.jpg 
Просмотров:	358 
Размер:	36.2 Кб 
ID:	45846  

Страница 53 из 126 ПерваяПервая ... 495051525354555657 ... ПоследняяПоследняя

Информация о теме

Пользователи, просматривающие эту тему

Эту тему просматривают: 1 (пользователей: 0 , гостей: 1)

Похожие темы

  1. PAC (SRAM) что за зверь?
    от Atari в разделе MSX
    Ответов: 2
    Последнее: 21.03.2012, 21:11
  2. ZX Radio -- альтернатива.
    от fk0 в разделе Музыка
    Ответов: 11
    Последнее: 28.10.2006, 08:24
  3. ZX Radio
    от Vega в разделе Музыка
    Ответов: 11
    Последнее: 25.10.2006, 10:10

Ваши права

  • Вы не можете создавать новые темы
  • Вы не можете отвечать в темах
  • Вы не можете прикреплять вложения
  • Вы не можете редактировать свои сообщения
  •