User Tag List

Страница 74 из 125 ПерваяПервая ... 707172737475767778 ... ПоследняяПоследняя
Показано с 731 по 740 из 1248

Тема: Сборка Radio-86RК-SRAM

  1. #731

    Регистрация
    25.11.2011
    Адрес
    г. Красногорск
    Сообщений
    1,389
    Спасибо Благодарностей отдано 
    16
    Спасибо Благодарностей получено 
    7
    Поблагодарили
    7 сообщений
    Mentioned
    0 Post(s)
    Tagged
    0 Thread(s)

    По умолчанию

    Большинство софта и на Z80 предполагаю будет работать.
    Но думаю в РК должен оставаться КР580ВМ80А, а остальное можно поменять, улучшить и расширить.

    Ретрокладовая продажи

    продажи
    [свернуть]

  2. #732

    Регистрация
    14.05.2013
    Адрес
    г. Москва
    Сообщений
    264
    Спасибо Благодарностей отдано 
    3
    Спасибо Благодарностей получено 
    14
    Поблагодарили
    5 сообщений
    Mentioned
    0 Post(s)
    Tagged
    0 Thread(s)

    По умолчанию

    perestoronin, ну у 8085 лучше совместимость, чем у Z80. Гипотетически может что-то не заработать, но думаю проблем не будет. Другое дело, если делается такой отход от оригинальной РК86, то почему тогда не расширить память и увеличить тактовую?

  3. #733

    Регистрация
    25.11.2011
    Адрес
    г. Красногорск
    Сообщений
    1,389
    Спасибо Благодарностей отдано 
    16
    Спасибо Благодарностей получено 
    7
    Поблагодарили
    7 сообщений
    Mentioned
    0 Post(s)
    Tagged
    0 Thread(s)

    По умолчанию

    а заодно и Z80, только куда мне девать КР580ВМ80А ?

    думаю все можно обновить, кроме процессора, кому нужна скрость тем на u16 или на Z80 20МГц.
    Последний раз редактировалось perestoronin; 13.01.2016 в 19:38.

    Ретрокладовая продажи

    продажи
    [свернуть]

  4. #734

    Регистрация
    14.05.2013
    Адрес
    г. Москва
    Сообщений
    264
    Спасибо Благодарностей отдано 
    3
    Спасибо Благодарностей получено 
    14
    Поблагодарили
    5 сообщений
    Mentioned
    0 Post(s)
    Tagged
    0 Thread(s)

    По умолчанию

    perestoronin, мне больше симпатичен вариант с ВМ80А на 2МГц, как на Партнер 01.01.

  5. #735

    Регистрация
    12.12.2011
    Адрес
    г. Иркутск
    Сообщений
    2,509
    Спасибо Благодарностей отдано 
    10
    Спасибо Благодарностей получено 
    22
    Поблагодарили
    20 сообщений
    Mentioned
    0 Post(s)
    Tagged
    0 Thread(s)

    По умолчанию

    Меня например больше привлекает в 8085 то, что у него на борту системный контроллер.

    - - - Добавлено - - -

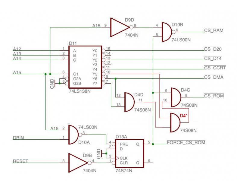
    gdv2002, Предлагаю для новой темы небольшую модификацию. В Radio-86RК-SRAM изначально авторы предложили с адреса Е000 сделать переход на "монитор", но когда прикрутили DOS 2.9, то эти адреса оказались заняты под DOS. Пришлось добавлять в схему два элемента 2ИЛИ. Если в схему дешифратора добавить один элемент 2И, то получим сразу два плюса - во первых ПЗУ увеличится до 12Кб с D000 по FFFF. И тогда адрес перехода на "монитор" будет с D000, что никому не помешает.
    Миниатюры Миниатюры Нажмите на изображение для увеличения. 

Название:	Desh.jpg 
Просмотров:	182 
Размер:	43.6 Кб 
ID:	55561  

  6. #736

    Регистрация
    18.07.2010
    Адрес
    Ульяновск
    Сообщений
    852
    Спасибо Благодарностей отдано 
    5
    Спасибо Благодарностей получено 
    12
    Поблагодарили
    10 сообщений
    Mentioned
    0 Post(s)
    Tagged
    0 Thread(s)

    По умолчанию

    Цитата Сообщение от Vladimir_S Посмотреть сообщение
    Меня например больше привлекает в 8085 то, что у него на борту системный контроллер.
    У него регистр-защёлка адреса легко помещается под пузом (если это ИР33), правда панельку придётся покоцать - выкусить перемычку...

  7. #736
    С любовью к вам, Yandex.Direct
    Размещение рекламы на форуме способствует его дальнейшему развитию

  8. #737

    Регистрация
    12.12.2011
    Адрес
    г. Иркутск
    Сообщений
    2,509
    Спасибо Благодарностей отдано 
    10
    Спасибо Благодарностей получено 
    22
    Поблагодарили
    20 сообщений
    Mentioned
    0 Post(s)
    Tagged
    0 Thread(s)

    По умолчанию

    Цитата Сообщение от alx32 Посмотреть сообщение
    У него регистр-защёлка адреса легко помещается под пузом
    Именно так я и сделал.
    http://zx-pk.ru/showthread.php?t=650...l=1#post789816

  9. #738

    Регистрация
    18.07.2010
    Адрес
    Ульяновск
    Сообщений
    852
    Спасибо Благодарностей отдано 
    5
    Спасибо Благодарностей получено 
    12
    Поблагодарили
    10 сообщений
    Mentioned
    0 Post(s)
    Tagged
    0 Thread(s)

    По умолчанию




    Я тоже...
    Последний раз редактировалось alx32; 14.01.2016 в 10:03.

  10. #739

    Регистрация
    12.12.2011
    Адрес
    г. Иркутск
    Сообщений
    2,509
    Спасибо Благодарностей отдано 
    10
    Спасибо Благодарностей получено 
    22
    Поблагодарили
    20 сообщений
    Mentioned
    0 Post(s)
    Tagged
    0 Thread(s)

    По умолчанию

    Цитата Сообщение от gdv2002 Посмотреть сообщение
    и даже библиотеку для Трейса на него оказывается делал
    Посмотрел, библиотека на 8085 входит в состав Трейса.

  11. #740

    Регистрация
    18.07.2010
    Адрес
    Ульяновск
    Сообщений
    852
    Спасибо Благодарностей отдано 
    5
    Спасибо Благодарностей получено 
    12
    Поблагодарили
    10 сообщений
    Mentioned
    0 Post(s)
    Tagged
    0 Thread(s)

    По умолчанию

    А в Трейсе ограничения на количество пинов или размер платы?

Страница 74 из 125 ПерваяПервая ... 707172737475767778 ... ПоследняяПоследняя

Информация о теме

Пользователи, просматривающие эту тему

Эту тему просматривают: 1 (пользователей: 0 , гостей: 1)

Похожие темы

  1. PAC (SRAM) что за зверь?
    от Atari в разделе MSX
    Ответов: 2
    Последнее: 21.03.2012, 21:11
  2. ZX Radio -- альтернатива.
    от fk0 в разделе Музыка
    Ответов: 11
    Последнее: 28.10.2006, 08:24
  3. ZX Radio
    от Vega в разделе Музыка
    Ответов: 11
    Последнее: 25.10.2006, 10:10

Ваши права

  • Вы не можете создавать новые темы
  • Вы не можете отвечать в темах
  • Вы не можете прикреплять вложения
  • Вы не можете редактировать свои сообщения
  •