Важная информация

User Tag List

Страница 5 из 7 ПерваяПервая 1234567 ПоследняяПоследняя
Показано с 41 по 50 из 65

Тема: Вопросы о ПЗУ с турбо загрузкой от магнитофона

  1. #41

    Регистрация
    10.02.2015
    Адрес
    г. Екатеринбург
    Сообщений
    801
    Спасибо Благодарностей отдано 
    56
    Спасибо Благодарностей получено 
    34
    Поблагодарили
    29 сообщений
    Mentioned
    0 Post(s)
    Tagged
    0 Thread(s)

    По умолчанию

    Вот прошло уже больше года, а так и остался не ясным вопрос, есть ли 128 прошивка с турбо загрузкой?

    Моё железо

    ZX Spectrum 48K issue 2/3/4A/4B/4S/6A
    ZX Spectrum +2
    ZX Spectrum +3
    Harlequin 48K
    Harlequin 128K
    Karabas-128
    [свернуть]

  2. #42

    Регистрация
    02.07.2006
    Адрес
    Новосибирск
    Сообщений
    2,257
    Спасибо Благодарностей отдано 
    542
    Спасибо Благодарностей получено 
    262
    Поблагодарили
    156 сообщений
    Mentioned
    8 Post(s)
    Tagged
    0 Thread(s)

    По умолчанию

    NiKa, она существует. Люди пихали прошивку 90 года в 128 прошивку. Даже в Ревю были советы как добраться до фич прошивки 90 года из 128 бейсика, т.к. 128 бейсик естественно игнорирует команды прошивки 90 года, типа - + * , ( ).
    В правильно заданном вопросе содержится половина ответа

  3. #43

    Регистрация
    10.02.2015
    Адрес
    г. Екатеринбург
    Сообщений
    801
    Спасибо Благодарностей отдано 
    56
    Спасибо Благодарностей получено 
    34
    Поблагодарили
    29 сообщений
    Mentioned
    0 Post(s)
    Tagged
    0 Thread(s)

    По умолчанию

    Короче без танцев с бубном не обойтись, тогда лучше не заморачиваться.

    Моё железо

    ZX Spectrum 48K issue 2/3/4A/4B/4S/6A
    ZX Spectrum +2
    ZX Spectrum +3
    Harlequin 48K
    Harlequin 128K
    Karabas-128
    [свернуть]

  4. #44

    Регистрация
    29.01.2017
    Адрес
    г. Кривой Рог, Украина
    Сообщений
    334
    Спасибо Благодарностей отдано 
    27
    Спасибо Благодарностей получено 
    32
    Поблагодарили
    20 сообщений
    Mentioned
    1 Post(s)
    Tagged
    0 Thread(s)

    По умолчанию



    Прошика от ATOSSOFT
    https://yadi.sk/d/HAB63Ans3Jo65X

    Программа загрузки прошивки в модифицированный Робик
    https://yadi.sk/d/mQ8Y6CGs3Jo4jB

    Думал, что прошивка уже утрачена.
    Но потом чудом нашел на музыкальной кассете.

  5. #45

    Регистрация
    30.04.2015
    Адрес
    г. Горно-Алтайск
    Сообщений
    14
    Спасибо Благодарностей отдано 
    0
    Спасибо Благодарностей получено 
    0
    Поблагодарили
    0 сообщений
    Mentioned
    0 Post(s)
    Tagged
    0 Thread(s)

    По умолчанию

    Подниму тему. Какое управление скоростью загрузки и выгрузки в этой прошивке? + и - не работают...

  6. #46
    SaintTurnip
    Гость

    По умолчанию

    Цитата Сообщение от creator Посмотреть сообщение
    То же самое что сброс нажать, соответственно будет тот же "неполный сброс". Для полной очистки надо Caps Shift удерживать.

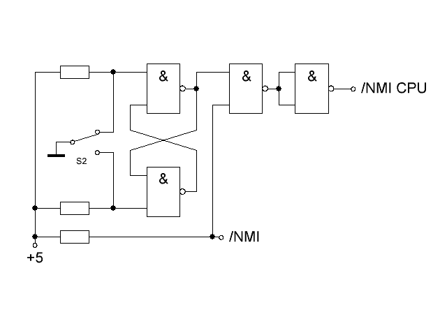
    * или randomize usr 102, а ещё лучше кнопарь NMI сделать, типа так:


    Я туплю конечно, но как работает эта схема? В чем сакральный смысл?

  7. #46
    С любовью к вам, Yandex.Direct
    Размещение рекламы на форуме способствует его дальнейшему развитию

  8. #47

    Регистрация
    20.02.2005
    Адрес
    Новосибирск
    Сообщений
    941
    Спасибо Благодарностей отдано 
    811
    Спасибо Благодарностей получено 
    53
    Поблагодарили
    34 сообщений
    Mentioned
    1 Post(s)
    Tagged
    0 Thread(s)

    По умолчанию

    Цитата Сообщение от eugeniusz Посмотреть сообщение
    Я туплю конечно, но как работает эта схема? В чем сакральный смысл?
    Немаскируемые прерывания:

    Немаскируемое прерывание производится по отрицательному перепаду на линии NMI. Его нельзя программно запретить. В момент прихода сигнала процессор сбрасывает бит разрешения прерываний, сохраняет содержимое программного счётчика на стеке и передаёт исполнение на фиксированный адрес 0066h.

    Возврат из немаскируемого прерывания производится инструкцией RETN, которая восстанавливает бит разрешения прерываний из его копии и производит передачу управления на адрес, сохранённый в стеке.

    Скрытый текст

    Profi v5.03/1024k/палитра/FDD3,5""/FDD5,25"/HDD/XT-Keyb/Covox
    Pentagon-1024 sl v 1.4 upgrade #EFF7 Gluk RTC
    ZXM-Phoenix 1024k
    ATM Turbo 2+ v7.10 512k
    HIMAC HR42.04 48K
    HIMAC 128
    Ленинград 1
    [свернуть]

  9. #48
    SaintTurnip
    Гость

    По умолчанию

    Цитата Сообщение от Djoni Посмотреть сообщение
    Немаскируемые прерывания:

    Немаскируемое прерывание производится по отрицательному перепаду на линии NMI. Его нельзя программно запретить. В момент прихода сигнала процессор сбрасывает бит разрешения прерываний, сохраняет содержимое программного счётчика на стеке и передаёт исполнение на фиксированный адрес 0066h.

    Возврат из немаскируемого прерывания производится инструкцией RETN, которая восстанавливает бит разрешения прерываний из его копии и производит передачу управления на адрес, сохранённый в стеке.


    Спасибо! А как схема работает? Зачем переключатель, зачем выходы и входы переплетены?

  10. #49

    Регистрация
    26.12.2017
    Адрес
    ст. Каневская, Краснодарский край
    Сообщений
    69
    Спасибо Благодарностей отдано 
    2
    Спасибо Благодарностей получено 
    1
    Поблагодарили
    1 сообщение
    Mentioned
    0 Post(s)
    Tagged
    0 Thread(s)

    По умолчанию

    Цитата Сообщение от eugeniusz Посмотреть сообщение
    Спасибо! А как схема работает? Зачем переключатель, зачем выходы и входы переплетены?
    Ну так Триггер! Защита от Дребезга! Евгениус логику учил?!
    Без ПравильныхИмпульсов будут Висяки

  11. #50
    SaintTurnip
    Гость

    По умолчанию

    Были подозрения про дребезг, но мы как-то сильно проще это решали: кнопкой, одним "И" и резюками/кондюками.

    (причем "И" была нужна только для корректного выходного уровня, емнип)
    Последний раз редактировалось SaintTurnip; 11.05.2018 в 17:55.

Страница 5 из 7 ПерваяПервая 1234567 ПоследняяПоследняя

Информация о теме

Пользователи, просматривающие эту тему

Эту тему просматривают: 1 (пользователей: 0 , гостей: 1)

Похожие темы

  1. Игры с TURBO-загрузкой для "LENINGRAD-2012"
    от zx-kit в разделе Игры
    Ответов: 354
    Последнее: 25.10.2025, 22:02
  2. Ответов: 17
    Последнее: 05.10.2012, 20:11
  3. Ответов: 2
    Последнее: 15.12.2010, 17:04
  4. Проблема с загрузкой с магнитофона
    от Oldboroda в разделе Для начинающих
    Ответов: 41
    Последнее: 19.01.2010, 14:57
  5. Вопросы по Турбо-ВГ
    от Jukov в разделе Внешние накопители
    Ответов: 11
    Последнее: 13.01.2006, 12:18

Ваши права

  • Вы не можете создавать новые темы
  • Вы не можете отвечать в темах
  • Вы не можете прикреплять вложения
  • Вы не можете редактировать свои сообщения
  •