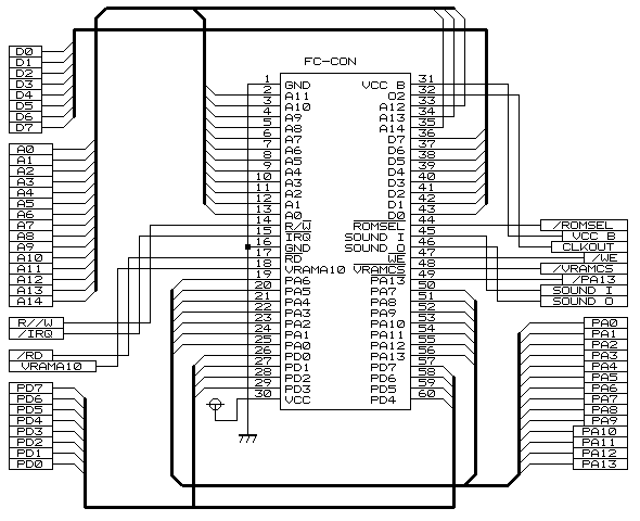
она может появится, когда будет выпущена хотя бы одна плата-конструктор для проверки и отладки схем мапперов, чем собственно я в этой теме и занимаюсь.
Насколько я понимаю, это всего лишь потянет за собой счетчик IRQ. Возможно еще мелкую логику. И потом никто ATF16V8 не отменял, мелкосхема в DIP20 простейшая и могущая много.The MMC3 added a scanline based IRQ counter
Еще раз повторюсь, вся проблема не в том, что нельзя сделать, а в том, что нет нормальной информации по мапперам, все приходится выковыривать через эмуляторы и прочее.
Прежде чем заявлять, что это сделать невозможно, нужно описать работу маппера mcc3 и на основе этого описания показать, что его реализация возможна минимум на 40-ка счетчиках и 50 дополнительных мелкосхемах логики. А так, это у Вас получилось голословное заявление, которому народ не поверил.



Ответить с цитированием
или всё же там были детали где всё в одном..

Размещение рекламы на форуме способствует его дальнейшему развитию 
