User Tag List

Страница 19 из 21 ПерваяПервая ... 15161718192021 ПоследняяПоследняя
Показано с 181 по 190 из 203

Тема: Агат-7 требуется помощь в ремонте

  1. #181

    Регистрация
    27.08.2019
    Адрес
    г. Ростов-на-Дону
    Сообщений
    1,034
    Спасибо Благодарностей отдано 
    468
    Спасибо Благодарностей получено 
    194
    Поблагодарили
    125 сообщений
    Mentioned
    1 Post(s)
    Tagged
    0 Thread(s)

    По умолчанию

    И еще вопрос, как определить, какие треки на диске полезные, а на какие ничего не записано, и их можно не сливать на диск ?
    Сейчас в коллекции:
    Вектор 06Ц.01(Минск, Волжский, Астрахань, Киров) x4, Вектор 06Ц.02(Кишенев), Электроника 0511 УКНЦ (СЭМЗ) X2, Электроника 0511 УКНЦ (КВАНТ), Агат 7, Агат 9, Поиск-1.03 (VGA), Поиск-1.03 (CGA сток), Электроника БК-0011(10,11M) [3IN1], Электроника БК-0010-01, Львов ПЛ-01, Корвет ПК8010, Партнер 01.01, Спектр-001, БАЙТ(БПО_СВТ), Волна 48, Ленинград 48, Веста ИК-30, Веста ИК-31, БПК Дельта-Микро, Компакт 256(новодел),
    и ... AMD K6-300, Pentium 200 mmx, 386SX-16 ...

  2. #181
    С любовью к вам, Yandex.Direct
    Размещение рекламы на форуме способствует его дальнейшему развитию

  3. #182

    Регистрация
    30.08.2005
    Адрес
    Питер
    Сообщений
    1,222
    Спасибо Благодарностей отдано 
    89
    Спасибо Благодарностей получено 
    63
    Поблагодарили
    44 сообщений
    Mentioned
    2 Post(s)
    Tagged
    0 Thread(s)

    По умолчанию

    Сложно сказать. Можно моим рековером посмотреть, где заканчиваются файлы на диске. Но по опыту обычно они все забиты.
    Собираю в коллекцию советские калькуляторы и компьютеры.
    Мой сайт: http://www.leningrad.su/museum/

    Этот пользователь поблагодарил Sergei Frolov за это полезное сообщение:

    electroscat(10.07.2021)

  4. #183

    Регистрация
    27.08.2019
    Адрес
    г. Ростов-на-Дону
    Сообщений
    1,034
    Спасибо Благодарностей отдано 
    468
    Спасибо Благодарностей получено 
    194
    Поблагодарили
    125 сообщений
    Mentioned
    1 Post(s)
    Tagged
    0 Thread(s)

    По умолчанию

    Да, родной привод к сожалению с одной головой не дружит, получается, нижние дорожки читает и пишет, а верхние только читает, а пишел очень плохо. Жаль, что нет опыта юстировки, а с другой стороны, думаю влряд ли там юстировка, походу башка запиленная. В общем, нет сейчас времени его ковырять, пусть полежит... Печально еще, что NEC с белым пластиком, точнее пока с желтым, завтра отбелю... И вот эта железка под ним, черная, она ну вообще не на своем месте оказывается....Черный квадрат на полностью белом системнике ....
    Сейчас в коллекции:
    Вектор 06Ц.01(Минск, Волжский, Астрахань, Киров) x4, Вектор 06Ц.02(Кишенев), Электроника 0511 УКНЦ (СЭМЗ) X2, Электроника 0511 УКНЦ (КВАНТ), Агат 7, Агат 9, Поиск-1.03 (VGA), Поиск-1.03 (CGA сток), Электроника БК-0011(10,11M) [3IN1], Электроника БК-0010-01, Львов ПЛ-01, Корвет ПК8010, Партнер 01.01, Спектр-001, БАЙТ(БПО_СВТ), Волна 48, Ленинград 48, Веста ИК-30, Веста ИК-31, БПК Дельта-Микро, Компакт 256(новодел),
    и ... AMD K6-300, Pentium 200 mmx, 386SX-16 ...

  5. #184

    Регистрация
    12.02.2008
    Адрес
    S-Posad
    Сообщений
    472
    Спасибо Благодарностей отдано 
    28
    Спасибо Благодарностей получено 
    49
    Поблагодарили
    35 сообщений
    Mentioned
    0 Post(s)
    Tagged
    0 Thread(s)

    По умолчанию

    Цитата Сообщение от electroscat Посмотреть сообщение
    образы для дисков 140к, либо образы для Агата 9.
    Да, там для девятки есть, причем даже режимы отображения пользуют именно девяточные. Только для 140 тоже немного есть. Пока разбираюсь. Начало тут:
    https://zx-pk.ru/threads/33507-seper...53#post1123553

    Этот пользователь поблагодарил GARNIZON за это полезное сообщение:

    electroscat(13.07.2021)

  6. #185

    Регистрация
    27.08.2019
    Адрес
    г. Ростов-на-Дону
    Сообщений
    1,034
    Спасибо Благодарностей отдано 
    468
    Спасибо Благодарностей получено 
    194
    Поблагодарили
    125 сообщений
    Mentioned
    1 Post(s)
    Tagged
    0 Thread(s)

    По умолчанию

    Доброго времени!
    Попробовал в Агат-автор загрузить текст с диска, и не получилось... В эмуляторе c ДЗУ2 - все работает, читает, все что нужно, а на реальном Агате - перепробовал все ДЗУ, 1...4, поигрался джамперами на дисководе (хотя это излишняя мера была, дисковод везде работает), и ни как.. выбрал ДЗУ, нажимаю на поисковой запрос, например как в примере из руководства "?рук?" - нажимаю ВК - короткий щелчек в динамике и все, ни на какие клавиши, включая сбр+упр не реагирует. реагирует только на тумблер сзади корпуса Агата... Что может быть ?
    Думал что где то в диске перепутал сектора при сборке, проверил, сравнил с образом - все четко...

    Дисковод при этом даже не пытается запуститься. Ну и по всему похоже, что программа куда то обращается, но не получает ответа, и по этому комп ни на что не реагирует...

    С этого же диска копировщик работает на ура, все что нужно копирует, проверяет и т.д.

    Но в эмуляторе работает все,..

    когда в эмуляторе выбирается неправильный диск, он пишет "ошибка обмена"...

    Ну и с родным приводом пробовал, он читает отлично, так вот, с ним такая же ерунда... То есть, дело не в приводе.

    Ну и еще, в эмуляторе ДЗУ2 по умолчанию стоит, когда диалог сохранения открывается, а в реале ДЗУ1...

    Кстати, прикрепляю архивчег, может кому пригодится, нарезанные по 4 дорожки в WAV несколько образов, которые можно записать на дискеты, при помощи утилитки от Сергея Фролова.

    - - - Добавлено - - -

    А.... Нашел... Если из эмулятора убрать контроллер 140к (изначально в конфигурации оба контроллера), то Агат-автор ведет себя точно так же... Получается, софтина не работает если нет контроллера 140к ?!?
    Сейчас в коллекции:
    Вектор 06Ц.01(Минск, Волжский, Астрахань, Киров) x4, Вектор 06Ц.02(Кишенев), Электроника 0511 УКНЦ (СЭМЗ) X2, Электроника 0511 УКНЦ (КВАНТ), Агат 7, Агат 9, Поиск-1.03 (VGA), Поиск-1.03 (CGA сток), Электроника БК-0011(10,11M) [3IN1], Электроника БК-0010-01, Львов ПЛ-01, Корвет ПК8010, Партнер 01.01, Спектр-001, БАЙТ(БПО_СВТ), Волна 48, Ленинград 48, Веста ИК-30, Веста ИК-31, БПК Дельта-Микро, Компакт 256(новодел),
    и ... AMD K6-300, Pentium 200 mmx, 386SX-16 ...

  7. #186

    Регистрация
    27.08.2019
    Адрес
    г. Ростов-на-Дону
    Сообщений
    1,034
    Спасибо Благодарностей отдано 
    468
    Спасибо Благодарностей получено 
    194
    Поблагодарили
    125 сообщений
    Mentioned
    1 Post(s)
    Tagged
    0 Thread(s)

    По умолчанию

    Доброго времени друзья !

    Есть вопрос по "существу" ...

    В документах по Агату нарисована вот такая красивая таблица КОИ-8:



    А на деле все очень упрощено:

    00h-0Fh -> 20h-2Fh;
    10h-1Fh -> 30h-3Fh;
    20h-2Fh (OK);
    30h-3Fh (OK);
    40h-4Fh (OK);
    50h-5Fh (OK);
    60h-6Fh -> E0h-EFh;
    70h-7Fh -> F0h-FFh;
    80h-8Fh -> 20h-2Fh;
    90h-9Fh -> 30h-3Fh;
    A0h-AFh -> 20h-2Fh;
    B0h-BFh -> 30h-3Fh;
    C0h-CFh -> 40h-4Fh;
    D0h-DFh -> 50h-5Fh;
    E0h-EFh (OK);
    F0h-FFh (OK);

    То есть, только 6 строк (20h-5Fh и E0h-FFh) совпадают с размещенным в документах знакогенератором, все остальное повторение этих строк.

    В связи с этим возникает вопрос, это в ПЗУ моего Агата зашит урезанный знакогенератор, или аппаратно таким образом сделана адресация ПЗУ, и лечится ли это заменой ПЗУ с полной прошивкой КОИ-8, или с этим ничего не поделаешь ? А то ведь машина очень серьезная, а текстовые возможности как у РК86....
    Сейчас в коллекции:
    Вектор 06Ц.01(Минск, Волжский, Астрахань, Киров) x4, Вектор 06Ц.02(Кишенев), Электроника 0511 УКНЦ (СЭМЗ) X2, Электроника 0511 УКНЦ (КВАНТ), Агат 7, Агат 9, Поиск-1.03 (VGA), Поиск-1.03 (CGA сток), Электроника БК-0011(10,11M) [3IN1], Электроника БК-0010-01, Львов ПЛ-01, Корвет ПК8010, Партнер 01.01, Спектр-001, БАЙТ(БПО_СВТ), Волна 48, Ленинград 48, Веста ИК-30, Веста ИК-31, БПК Дельта-Микро, Компакт 256(новодел),
    и ... AMD K6-300, Pentium 200 mmx, 386SX-16 ...

  8. #187

    Регистрация
    12.02.2008
    Адрес
    S-Posad
    Сообщений
    472
    Спасибо Благодарностей отдано 
    28
    Спасибо Благодарностей получено 
    49
    Поблагодарили
    35 сообщений
    Mentioned
    0 Post(s)
    Tagged
    0 Thread(s)

    Этот пользователь поблагодарил GARNIZON за это полезное сообщение:

    electroscat(16.07.2021)

  9. #188

    Регистрация
    27.08.2019
    Адрес
    г. Ростов-на-Дону
    Сообщений
    1,034
    Спасибо Благодарностей отдано 
    468
    Спасибо Благодарностей получено 
    194
    Поблагодарили
    125 сообщений
    Mentioned
    1 Post(s)
    Tagged
    0 Thread(s)

    По умолчанию

    Спасибо огромное ! Попробую заменить бутерброд на 2716, есть несколько свободных в наличии... Есть так же и РТ18, но увы, софт программатора оказался нетрудоспособным для этих микросхем, пишет все нули вместо кода. С софтом разбираться дольше, чем с заменой РТ18 на 2716, по этому поставлю последнюю в разьем.

    - - - Добавлено - - -

    Вот тут, прошу прощения за оффтоп, небольшое эссе по подключению к Агату 7 - скандаблера GBS82XX и D-SUB (SVGA) монитора, и модернизированная прошивка для GBS - с надписью АГАТ при старте вместо иероглифов. Прошивка изменена только косметически и русифицированна, никаких специальных доработок кода не сделано.
    Сейчас в коллекции:
    Вектор 06Ц.01(Минск, Волжский, Астрахань, Киров) x4, Вектор 06Ц.02(Кишенев), Электроника 0511 УКНЦ (СЭМЗ) X2, Электроника 0511 УКНЦ (КВАНТ), Агат 7, Агат 9, Поиск-1.03 (VGA), Поиск-1.03 (CGA сток), Электроника БК-0011(10,11M) [3IN1], Электроника БК-0010-01, Львов ПЛ-01, Корвет ПК8010, Партнер 01.01, Спектр-001, БАЙТ(БПО_СВТ), Волна 48, Ленинград 48, Веста ИК-30, Веста ИК-31, БПК Дельта-Микро, Компакт 256(новодел),
    и ... AMD K6-300, Pentium 200 mmx, 386SX-16 ...

  10. #189

    Регистрация
    27.08.2019
    Адрес
    г. Ростов-на-Дону
    Сообщений
    1,034
    Спасибо Благодарностей отдано 
    468
    Спасибо Благодарностей получено 
    194
    Поблагодарили
    125 сообщений
    Mentioned
    1 Post(s)
    Tagged
    0 Thread(s)

    По умолчанию

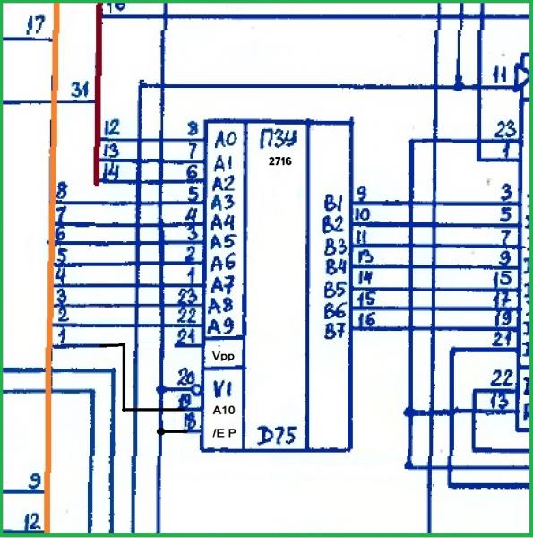
    Поменял ПЗУ знакогенератора, теперь все гораздо понятнее и приятнее, 256 символов все же по приятнее выглядят, особенно в текстовом редакторе..

    Переделка схемы с 556РТ18 на 2716 выглядит так:

    Нажмите на изображение для увеличения. 

Название:	2716 вместо РТ18.jpg 
Просмотров:	83 
Размер:	69.2 Кб 
ID:	75832

    Все работает, спасибо за помощь и прошивку !!!

    Сейчас в коллекции:
    Вектор 06Ц.01(Минск, Волжский, Астрахань, Киров) x4, Вектор 06Ц.02(Кишенев), Электроника 0511 УКНЦ (СЭМЗ) X2, Электроника 0511 УКНЦ (КВАНТ), Агат 7, Агат 9, Поиск-1.03 (VGA), Поиск-1.03 (CGA сток), Электроника БК-0011(10,11M) [3IN1], Электроника БК-0010-01, Львов ПЛ-01, Корвет ПК8010, Партнер 01.01, Спектр-001, БАЙТ(БПО_СВТ), Волна 48, Ленинград 48, Веста ИК-30, Веста ИК-31, БПК Дельта-Микро, Компакт 256(новодел),
    и ... AMD K6-300, Pentium 200 mmx, 386SX-16 ...

  11. #190

    Регистрация
    30.08.2005
    Адрес
    Питер
    Сообщений
    1,222
    Спасибо Благодарностей отдано 
    89
    Спасибо Благодарностей получено 
    63
    Поблагодарили
    44 сообщений
    Mentioned
    2 Post(s)
    Tagged
    0 Thread(s)

    По умолчанию

    Совершенно вылетело из головы, что я хотел сказать фразой "Interstation muting"...
    Собираю в коллекцию советские калькуляторы и компьютеры.
    Мой сайт: http://www.leningrad.su/museum/

Страница 19 из 21 ПерваяПервая ... 15161718192021 ПоследняяПоследняя

Информация о теме

Пользователи, просматривающие эту тему

Эту тему просматривают: 1 (пользователей: 0 , гостей: 1)

Похожие темы

  1. Помощь в ремонте клона - МАСТЕР 128
    от eugene.karnygin в разделе Клоны на ПЛИС, МК и БМК
    Ответов: 5
    Последнее: 12.08.2020, 17:32
  2. Опознание платы + помощь в ремонте
    от Alexei_an в разделе Для начинающих
    Ответов: 3
    Последнее: 16.07.2014, 11:53
  3. Помощь в ремонте KAY-128
    от Zidane в разделе Разный софт
    Ответов: 6
    Последнее: 22.03.2014, 18:36
  4. неизвестный ZX-Spectrum, нужна помощь в ремонте
    от djvini в разделе Несортированное железо
    Ответов: 17
    Последнее: 15.07.2010, 02:10

Ваши права

  • Вы не можете создавать новые темы
  • Вы не можете отвечать в темах
  • Вы не можете прикреплять вложения
  • Вы не можете редактировать свои сообщения
  •