User Tag List

Страница 1 из 2 12 ПоследняяПоследняя
Показано с 1 по 10 из 15

Тема: Проблема с изображением на фамиклоне

  1. #1

    Регистрация
    01.02.2007
    Адрес
    Орёл
    Сообщений
    680
    Спасибо Благодарностей отдано 
    0
    Спасибо Благодарностей получено 
    2
    Поблагодарили
    1 сообщение
    Mentioned
    0 Post(s)
    Tagged
    0 Thread(s)

    По умолчанию Проблема с изображением на фамиклоне

    Есть трехплатный клон денди на капле. Суть проблемы - изображение по композиту плавно плывет снизу вверх, со скоростью примерно 5-7 секунд на один полный экран. Пробовал 2 платы видеовыходов чуть разных ревизий, эффект одинаков.
    На одном из моих нормальных дендиков есть доработка от прежнего хозяина, электролитический конденсатор 47мкф между контактом видео на тюльпане и контактом видео на "материнской плате". Без него изображение так же плывет, проверено случайно.
    Пытался повторить эту доработку, при 47мкф изображение иногда на доли секунд схватывает, но потом опять срывается и уползает. Поэксперементировал с номиналами, при 33мкф картинка может держаться нормально целую секунду, но потом опять срывается. Подобрать номинал для устойчивой работы не смог. Да и суть доработки не понимаю. Как починить?

  2. #1
    С любовью к вам, Yandex.Direct
    Размещение рекламы на форуме способствует его дальнейшему развитию

  3. #2

    Регистрация
    11.01.2006
    Адрес
    Брест/Минск
    Сообщений
    8,398
    Записей в дневнике
    4
    Спасибо Благодарностей отдано 
    188
    Спасибо Благодарностей получено 
    122
    Поблагодарили
    60 сообщений
    Mentioned
    7 Post(s)
    Tagged
    0 Thread(s)

    По умолчанию

    глянуть осликом сперва, что имеем по видеовыходу, отчего телик не хавает синхру... а там уже решать как лечить...
    С уважением, Александр.
    Scorpion ZS-256 Turbo+ GMX-2048
    SID-Blaster/ZX
    Музей ретрокомпьютеров в Минске!
    Здесь ничего нет => http://byteman.by
    И здесь тоже --->>> http://bytespace.by

  4. #3

    Регистрация
    01.02.2007
    Адрес
    Орёл
    Сообщений
    680
    Спасибо Благодарностей отдано 
    0
    Спасибо Благодарностей получено 
    2
    Поблагодарили
    1 сообщение
    Mentioned
    0 Post(s)
    Tagged
    0 Thread(s)

    По умолчанию

    Осцилл есть на 10мгц, ткнусь сегодня - завтра, фотку выложу. Просто думал, что проблема типовая, т.к. и у меня 2 аппарата этому подвержено и в гугле такие случаи встречаются, причем по вч все оказывается нормально.

  5. #4

    Регистрация
    01.02.2007
    Адрес
    Орёл
    Сообщений
    680
    Спасибо Благодарностей отдано 
    0
    Спасибо Благодарностей получено 
    2
    Поблагодарили
    1 сообщение
    Mentioned
    0 Post(s)
    Tagged
    0 Thread(s)

    По умолчанию

    немного обманул, с этими видеовыходами и по вч картинка плывет.
    пытался поймать что-то осмысленное на осцилл, сигналы наслаиваются, а я не знаю, в каких диапазонах искать нужное, вот это самое вменяемое, что выцепил
    http://smotri.com/video/view/?id=v2821588a16b
    записал на видео.
    Проблему временно победил, заюзав еще одну плату видео. На ней и картинка статична и цвета просто потрясные, на двух проблемных цвета бледны и невнятны.
    Почему написал, что победил временно, один из проблемных видео придется использовать в другой денди. набрался комплект: корпус+мать+плата джоев+2 видеовыхода. все от разных клонов, буду сопрягать....

  6. #5

    Регистрация
    01.02.2007
    Адрес
    Орёл
    Сообщений
    680
    Спасибо Благодарностей отдано 
    0
    Спасибо Благодарностей получено 
    2
    Поблагодарили
    1 сообщение
    Mentioned
    0 Post(s)
    Tagged
    0 Thread(s)

    По умолчанию

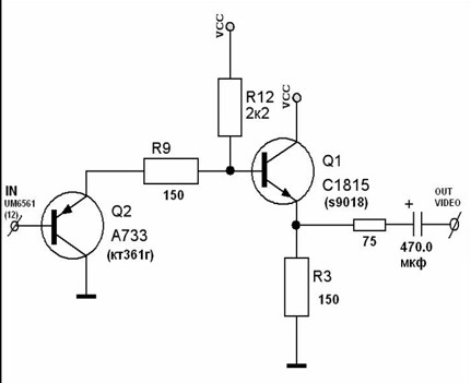
    Кажется я на верном пути, посмотрел тестером и глазом схему видеовыхода, она очень примитивна, сигнал видео проходит почти напрямую с материнки на тюльпан + отсутствие транзисторов для усиления видео на материнке и похабные бледные цвета навели на мысль, что нужно собрать усилитель. Собрал по схеме, что приаттачил ниже, воткнул между материнкой и платой модулятора. Цвета стали неплохими, да и картинка больше никуда не ползет. Но иногда синхронизация все же срывается, когда на дисплей выводится яркая однотонная картинка. Надо поэксперементировать с номиналами наверно, никто не подскажет?
    Миниатюры Миниатюры Нажмите на изображение для увеличения. 

Название:	2014-02-08_231807.jpg 
Просмотров:	282 
Размер:	18.9 Кб 
ID:	49434  

  7. #6

    Регистрация
    01.02.2007
    Адрес
    Орёл
    Сообщений
    680
    Спасибо Благодарностей отдано 
    0
    Спасибо Благодарностей получено 
    2
    Поблагодарили
    1 сообщение
    Mentioned
    0 Post(s)
    Tagged
    0 Thread(s)

    По умолчанию

    Немного поофтоплю в своей теме. Есть материнка с маркировкой выводов. Надо подпаять плату джойстиков, а назначение контактов мне непонятно
    Питание и земля это ясно, клоки тоже, дата вероятнее всего p1d0 и p2d0. Какой из контактов может оказаться latch? и зачем еще куча аутов и дат?
    Никто с похожей не встречался?
    Миниатюры Миниатюры Нажмите на изображение для увеличения. 

Название:	IMAG0624.jpg 
Просмотров:	282 
Размер:	38.7 Кб 
ID:	49435  

  8. #7
    HardWareMan
    Гость

    По умолчанию

    OUT0, скорее всего. Там их 3 и так же 3 выходят с чипа 6527 (3 бита порта 4017 вроде). P2D3 и P2D4 это курок и фотоприемник пистоля. P1D1 и P2D1 это для четверителя (3 и 4 джойстики). Все это безобразие выводится на второй порт (или порт пистоля, если джои на малых портах либо впаяны).

    Последний раз редактировалось HardWareMan; 24.09.2014 в 15:51.

  9. #8

    Регистрация
    01.02.2007
    Адрес
    Орёл
    Сообщений
    680
    Спасибо Благодарностей отдано 
    0
    Спасибо Благодарностей получено 
    2
    Поблагодарили
    1 сообщение
    Mentioned
    0 Post(s)
    Tagged
    0 Thread(s)

    По умолчанию

    HardWareMan, спасибо, все так и оказалось, джойстики заработали, пистолет проверить не могу, провод у штекера обломился. Видеовыходы победил, подключил схему на двух транзисторах непосредственно к гнезду-тюльпану, картинка отличная, по вч тоже полный порядок. Итого + 2 фамиклона в полной боевого готовности за эти дни.
    Тему можно закрывать

  10. #9
    HardWareMan
    Гость

    По умолчанию

    Да, есть игры, которые работают с магнитофоном. Much Rider, например, позволяет свою трассу сохранять и загружать. Магнитофонный выход это OUT1 или OUT2, а вход - P2D2 вроде, не помню точно. Ну и сюборовские поделки, вроде GBASICа.

  11. #10

    Регистрация
    26.07.2011
    Адрес
    Вологда
    Сообщений
    82
    Спасибо Благодарностей отдано 
    0
    Спасибо Благодарностей получено 
    0
    Поблагодарили
    0 сообщений
    Mentioned
    0 Post(s)
    Tagged
    0 Thread(s)

    По умолчанию

    Чтобы не плодить темы спрошу тут. Клон на рассыпухе. Проблеммы с изображением. Может кто подсказать в чем причина?



    И звук странноватый. с попердыванием каким-то но на перегруз вроде не похоже.
    Последний раз редактировалось AnderP; 04.12.2015 в 17:52.

Страница 1 из 2 12 ПоследняяПоследняя

Информация о теме

Пользователи, просматривающие эту тему

Эту тему просматривают: 1 (пользователей: 0 , гостей: 1)

Похожие темы

  1. Проблема с изображением Дельты-С
    от LUNT в разделе Дельта-С
    Ответов: 12
    Последнее: 29.10.2014, 13:59
  2. Проблема с изображением
    от Asd1995sse в разделе Изображение
    Ответов: 52
    Последнее: 01.10.2013, 00:52
  3. Проблема с изображением ZX Spectrum48
    от Vitali27 в разделе Изображение
    Ответов: 39
    Последнее: 22.09.2013, 16:52
  4. Проблема с изображением на Синтез-2
    от Peps в разделе Изображение
    Ответов: 10
    Последнее: 02.03.2010, 14:32
  5. Проблема с изображением
    от Den в разделе Изображение
    Ответов: 7
    Последнее: 23.06.2005, 08:59

Ваши права

  • Вы не можете создавать новые темы
  • Вы не можете отвечать в темах
  • Вы не можете прикреплять вложения
  • Вы не можете редактировать свои сообщения
  •