Важная информация

User Tag List

Страница 6 из 35 ПерваяПервая ... 2345678910 ... ПоследняяПоследняя
Показано с 51 по 60 из 344

Тема: Восстановление ДВК-2

  1. #51

    Регистрация
    01.01.2009
    Адрес
    Leningrad, USSR
    Сообщений
    1,954
    Записей в дневнике
    33
    Спасибо Благодарностей отдано 
    0
    Спасибо Благодарностей получено 
    18
    Поблагодарили
    16 сообщений
    Mentioned
    4 Post(s)
    Tagged
    0 Thread(s)

    По умолчанию

    Цитата Сообщение от RST 0 Посмотреть сообщение
    Подключено именно так, но вот при попытке,как я уже писал, что то ввести получаем не то что вводили. Вот я ввел 1234567890-=\qwerty и что я получил в итоге в окне терминала. Кстати,при изменении скорости передачи COM порта символы меняются, иногда вместо одного символа выводится в ответ целый набор, при других настройках - только один, но все же далекий от того что вводили.
    Инверсия.

  2. #52

    Регистрация
    11.09.2009
    Адрес
    Москва
    Сообщений
    4,810
    Спасибо Благодарностей отдано 
    9
    Спасибо Благодарностей получено 
    150
    Поблагодарили
    81 сообщений
    Mentioned
    16 Post(s)
    Tagged
    0 Thread(s)

    По умолчанию

    Цитата Сообщение от RST 0 Посмотреть сообщение
    Подключено именно так
    Вчера у Вас было подключено "с землей на Пд+ и Прд+" - при этом идёт инверсная передача и инверсный приём.

    Значит, Вы изменили подключение с инверсного ( когда ключ передатчика включён параллельно светодиоду приёмника и гасит его при при передаче "1" ) на прямое ( когда ключ включён последовательно со светодиодом и зажигает его при передаче "1" ), но ничего не изменилось ?


    Цитата Сообщение от RST 0 Посмотреть сообщение
    получаем не то что вводили
    Цепи приёма и передачи лучше настраивать по-отдельности.

    Сначала есть смысл настроить цепь приёма.

    Когда ДВК ничего не передаёт - напряжение между ПД- и ПД+ ДВК должно быть значительно меньше 5 вольт ( где-то 1 вольт ), напряжение между TX- и TX+ PC должно быть 1.3 _ 1.6 вольта, напряжение между RX и GND PC должно быть -12 вольт, а напряжение между RX и DTR PC должно быть около 22 вольт.

    Это так ?

    Какие там напряжения в состоянии IDLE ?
    Последний раз редактировалось Patron; 31.01.2014 в 15:50.

  3. #53

    Регистрация
    03.05.2007
    Адрес
    Череповец,Вологодская обл.
    Сообщений
    714
    Спасибо Благодарностей отдано 
    0
    Спасибо Благодарностей получено 
    0
    Поблагодарили
    0 сообщений
    Mentioned
    0 Post(s)
    Tagged
    0 Thread(s)

    По умолчанию

    Patron, так я уже сам стал путаться,короче говоря,сейчас подключено как в сообщении №49. Напряжения мерил,но днем ,щас уже не помню что там было. Подскажите лучше какие по полярности сигналы должны быть с ком порта и с портов ДВК? Я мерил осциллом и обнаружил что с ДВК сигналы Пд и Прд меняются в разных полярностях. По идее моя схема должна быть повторителем,а не инвертором.
    Как вообще то должны выглядеть правильные сигналы?

    Скрытый текст

    AMIGA 500 +512к memory card with RTC
    Ленинград-1 48к украшает стену в комнате.
    Compact 256 Turbo fdd 3.5' +Turbo ВГ +PAL кодер (NedoPC).
    Profi 3.2 почти воcстал из Ада. Ждет новые платы.
    Dendy Junior (Famicom клон).
    Видеоспорт5 (на К145ИК17) пылится в шкафу
    [свернуть]

  4. #54

    Регистрация
    11.09.2009
    Адрес
    Москва
    Сообщений
    4,810
    Спасибо Благодарностей отдано 
    9
    Спасибо Благодарностей получено 
    150
    Поблагодарили
    81 сообщений
    Mentioned
    16 Post(s)
    Tagged
    0 Thread(s)

    По умолчанию

    Цитата Сообщение от RST 0 Посмотреть сообщение
    какие по полярности сигналы должны быть с ком порта и с портов ДВК?
    С COM-портом всё понятно - в состоянии IDLE ( когда ничего не передаётся и не принимается ) на линии TX COM-порта стоит -12в ( относительно SG PC ). Поэтому именно такое напряжение относительно SG должно быть в состоянии IDLE и на линии RX COM-порта, чтобы он был готов к приёму.

    Как ни странно - до сих пор никто не может с абсолютной уверенностью сказать, какие сигналы должны быть в порту ДВК.

    Наиболее адекватная теория такая:

    1. В состоянии IDLE на ноге 27 ( TX ) ВП1-035 должно быть
    2. Светодиод V2 должен гореть и открывать ключ V2, замыкающий ПД- и ПД+ ДВК.
    3. При замкнутой перемычке S11 - напряжение +5в ДВК создаёт ток через R13 ( 130 Ом ), открытый ключ V2 и светодиод DA1 на землю ДВК.
    4. Светодиод DA1 горит и открывает ключ DA1, который открывает транзистор VT2.
    5. Через открытый транзистор VT2 напряжение -12в с линии RTS ДВК попадает на линию RX COM-порта, как и должно быть.


    Цитата Сообщение от RST 0 Посмотреть сообщение
    Я мерил осциллом и обнаружил что с ДВК сигналы Пд и Прд меняются в разных полярностях.
    Для начала разберёмся с состоянием IDLE в цепи приёма, а потом займёмся и передачей.

  5. #55

    Регистрация
    20.04.2013
    Адрес
    г. Павловский Посад
    Сообщений
    4,246
    Спасибо Благодарностей отдано 
    498
    Спасибо Благодарностей получено 
    557
    Поблагодарили
    436 сообщений
    Mentioned
    42 Post(s)
    Tagged
    0 Thread(s)

    По умолчанию

    Какие диаграммы в отсуствие сигнала должны быть в ВП1-065 - см. КЦГД - где 2 шт. ВП1-065 типа соединены. Хитрость вся в том, что МАХ232 содержит не все инверторы - а только 2 шт. из 4 конверторов напряжения в составе ИС.

  6. #56

    Регистрация
    13.12.2013
    Адрес
    г. Санкт-Петербург
    Сообщений
    3,072
    Спасибо Благодарностей отдано 
    37
    Спасибо Благодарностей получено 
    81
    Поблагодарили
    65 сообщений
    Mentioned
    4 Post(s)
    Tagged
    0 Thread(s)

    По умолчанию

    Цитата Сообщение от SKcorp. Посмотреть сообщение
    Инверсия.
    Именно.

    Цитата Сообщение от Patron Посмотреть сообщение
    Как ни странно - до сих пор никто не может с абсолютной уверенностью сказать, какие сигналы должны быть в порту ДВК.
    А мои осциллограммы не устраивают? По схеме D43 (мс1201.3) ноги 27,28,29,31 обведены кружочком, значит инверсия и на вход и на выход.
    Последний раз редактировалось MiX; 01.02.2014 в 12:08.

  7. #57

    Регистрация
    13.12.2013
    Адрес
    г. Санкт-Петербург
    Сообщений
    3,072
    Спасибо Благодарностей отдано 
    37
    Спасибо Благодарностей получено 
    81
    Поблагодарили
    65 сообщений
    Mentioned
    4 Post(s)
    Tagged
    0 Thread(s)

    По умолчанию

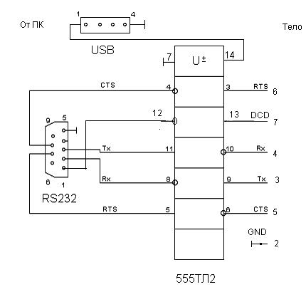
    Пока искал даташит на к155тл2 наткнулся на такую схему:

    Если добавить 78L05 то микросхему можно запитать от RS232.
    Миниатюры Миниатюры Нажмите на изображение для увеличения. 

Название:	______587.jpg 
Просмотров:	291 
Размер:	17.3 Кб 
ID:	45536  

  8. #58

    Регистрация
    03.05.2007
    Адрес
    Череповец,Вологодская обл.
    Сообщений
    714
    Спасибо Благодарностей отдано 
    0
    Спасибо Благодарностей получено 
    0
    Поблагодарили
    0 сообщений
    Mentioned
    0 Post(s)
    Tagged
    0 Thread(s)

    По умолчанию

    Приветствую! Вот решил записать сигналы со своего сом порта и ДВК.
    Напряжение между SG и ТХ на СОМ-порте в режиме простоя -3 В. При нажатии клавиш, уровень поднимается до +3 В, т.е. амплитуда импульсов около 6 В.
    В режиме простоя на RX относительно SG +5 В, при передаче -7 В, амплитуда 12 В.

    Скрытый текст

    AMIGA 500 +512к memory card with RTC
    Ленинград-1 48к украшает стену в комнате.
    Compact 256 Turbo fdd 3.5' +Turbo ВГ +PAL кодер (NedoPC).
    Profi 3.2 почти воcстал из Ада. Ждет новые платы.
    Dendy Junior (Famicom клон).
    Видеоспорт5 (на К145ИК17) пылится в шкафу
    [свернуть]

  9. #59

    Регистрация
    13.12.2013
    Адрес
    г. Санкт-Петербург
    Сообщений
    3,072
    Спасибо Благодарностей отдано 
    37
    Спасибо Благодарностей получено 
    81
    Поблагодарили
    65 сообщений
    Mentioned
    4 Post(s)
    Tagged
    0 Thread(s)

    По умолчанию

    Вообще-то маловато для RS232 -3в, это как-бы минимальный уровень для работы порта. Когда уровни в пограничном состоянии то возможны ошибки в приеме/передаче.

    Отсоедините от RS232 переходник и померьте без него. Далее замкните RX+TX и введите в эмуляторе VT52 что-нибудь, должно быть эхо.
    Последний раз редактировалось MiX; 05.02.2014 в 16:40.

  10. #60

    Регистрация
    11.09.2009
    Адрес
    Москва
    Сообщений
    4,810
    Спасибо Благодарностей отдано 
    9
    Спасибо Благодарностей получено 
    150
    Поблагодарили
    81 сообщений
    Mentioned
    16 Post(s)
    Tagged
    0 Thread(s)

    По умолчанию

    Цитата Сообщение от RST 0 Посмотреть сообщение
    Вот решил записать сигналы со своего сом порта и ДВК. Напряжение между SG и ТХ на СОМ-порте в режиме простоя -3 В.
    Начать лучше с измерения уровней "голого" COM-порта, когда к нему вообще ничего не подключено.

    Измерить надо уровни TX, RTS и DTR относительно SG.

Страница 6 из 35 ПерваяПервая ... 2345678910 ... ПоследняяПоследняя

Информация о теме

Пользователи, просматривающие эту тему

Эту тему просматривают: 1 (пользователей: 0 , гостей: 1)

Похожие темы

  1. Восстановление Scorpion ZS-256
    от AlexMik в разделе Scorpion
    Ответов: 127
    Последнее: 15.08.2013, 19:30
  2. Пентагон-48. Восстановление.
    от ROMка в разделе Pentagon
    Ответов: 16
    Последнее: 13.06.2012, 13:47
  3. восстановление Орион-128
    от sergey2b в разделе Орион
    Ответов: 1
    Последнее: 05.02.2011, 15:32

Ваши права

  • Вы не можете создавать новые темы
  • Вы не можете отвечать в темах
  • Вы не можете прикреплять вложения
  • Вы не можете редактировать свои сообщения
  •