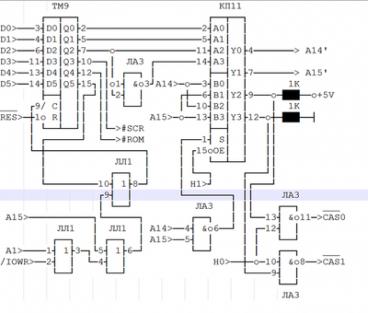
Подскажите пожалуйста, пытаюсь расширить Ленинград до 128К. По голубой схеме, указано, что сигнал #ROM подается на 27-ю ногу, если стоит 27512. Это мой случай, у меня стоит 27512, в разводке платы 27-я нога соединена c 28-й и с +5В. Как поступить, резать надо что нибудь?


Ответить с цитированием
Размещение рекламы на форуме способствует его дальнейшему развитию 

