User Tag List

Показано с 1 по 10 из 39

Тема: ЮТ и AY

Древовидный режим

Предыдущее сообщение Предыдущее сообщение   Следующее сообщение Следующее сообщение
  1. #20

    Регистрация
    08.04.2013
    Адрес
    г. Ульяновск
    Сообщений
    293
    Спасибо Благодарностей отдано 
    0
    Спасибо Благодарностей получено 
    2
    Поблагодарили
    2 сообщений
    Mentioned
    0 Post(s)
    Tagged
    0 Thread(s)

    По умолчанию

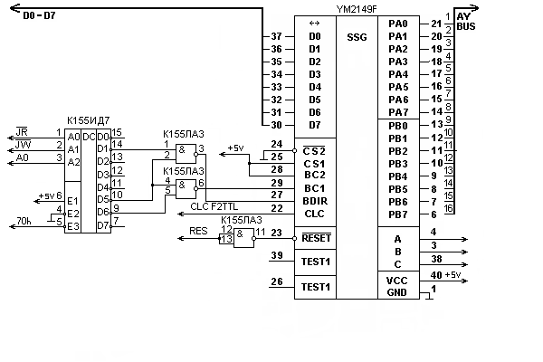
    Нарисовал схемку включения AY, может дешифратор можно проще сделать?
    Рисовал второй раз всего!, могут быть ошибки.
    Миниатюры Миниатюры Нажмите на изображение для увеличения. 

Название:	ЮТAY.png 
Просмотров:	339 
Размер:	14.0 Кб 
ID:	47513  
    РК86 ещё жив!!! а теперь и ЮТ-88!!!

Информация о теме

Пользователи, просматривающие эту тему

Эту тему просматривают: 1 (пользователей: 0 , гостей: 1)

Ваши права

  • Вы не можете создавать новые темы
  • Вы не можете отвечать в темах
  • Вы не можете прикреплять вложения
  • Вы не можете редактировать свои сообщения
  •