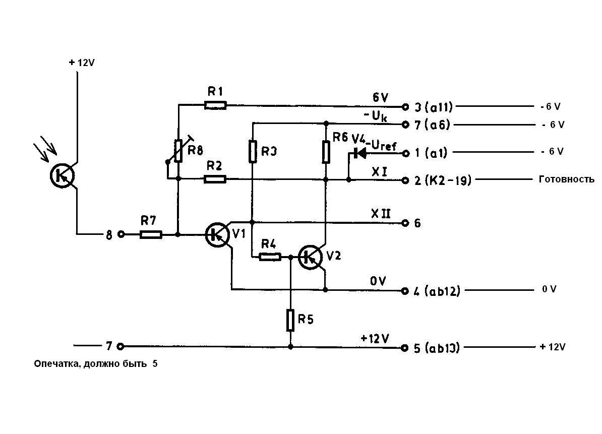
Итак:
ФСУ №1 (Нет сигнала готовности)
ФСУ №2 (Тот на котором раньше визжал двигатель,
который вроде работает, но глючит прогон ленты)
1) Ставлю на ФСУ №2 все платы от ФСУ №1
- напряжения 12.8В и 6.3В
- лента стоит, сигнал готовности = 4.5В
- ленты нет, сигнал готовности = 0В
- комп ФСУ видит, 177500=0 177502=0
- при подаче команды прогнать ленту на одно слово,
может прогнать на 0.5, 1.5, и на 2 слова вперед,
зависит от погоды на марсе
2) Ставлю на ФСУ №2 все платы от ФСУ №2
- напряжения 13.4В и 6.7В
- лента стоит, сигнал готовности = 3.6В
- ленты нет, сигнал готовности = 0В
- комп ФСУ видит, 177500=0 177502=0
- при подаче команды прогнать ленту на одно слово,
может прогнать на 0.5, 1.5, и на 2 слова вперед,
зависит от погоды на марсе
3) Ставлю на ФСУ №1 все платы от ФСУ №1
- напряжения 8.3В и 3.7В
- лента стоит, сигнал готовности = 0.17В
- ленты нет, сигнал готовности = 1В
- комп ФСУ не видит, 177500=10000 177502=0
4) Ставлю на ФСУ №1 все платы от ФСУ №2
- напряжения 13.5В и 8.2В
- ленту при включении сразу выплевывает
- ленты нет, сигнал готовности = 1.5В
- комп ФСУ не видит, 177500=10000 177502=0


Ответить с цитированием
Размещение рекламы на форуме способствует его дальнейшему развитию 




