User Tag List

Страница 2 из 5 ПерваяПервая 12345 ПоследняяПоследняя
Показано с 11 по 20 из 44

Тема: General Sound. Создание ревизии 2014г.

Комбинированный просмотр

Предыдущее сообщение Предыдущее сообщение   Следующее сообщение Следующее сообщение
  1. #1

    Регистрация
    15.07.2009
    Адрес
    Череповец
    Сообщений
    1,800
    Спасибо Благодарностей отдано 
    177
    Спасибо Благодарностей получено 
    64
    Поблагодарили
    49 сообщений
    Mentioned
    0 Post(s)
    Tagged
    0 Thread(s)

    По умолчанию

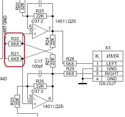
    Или в два раза увеличить сопротивление в ООС выходных операционников?

  2. #1
    С любовью к вам, Yandex.Direct
    Размещение рекламы на форуме способствует его дальнейшему развитию

  3. #2

    Регистрация
    17.07.2013
    Адрес
    г. Курган
    Сообщений
    2,035
    Записей в дневнике
    2
    Спасибо Благодарностей отдано 
    123
    Спасибо Благодарностей получено 
    171
    Поблагодарили
    121 сообщений
    Mentioned
    1 Post(s)
    Tagged
    0 Thread(s)

    По умолчанию

    Цитата Сообщение от Gutten Посмотреть сообщение
    Или в два раза увеличить сопротивление в ООС выходных операционников?
    Скорее для увеличения Ку операционников, нужно подобрать резисторы R21 и R22.
    Миниатюры Миниатюры Нажмите на изображение для увеличения. 

Название:	Ku.jpg 
Просмотров:	268 
Размер:	45.8 Кб 
ID:	48743  
    С уважением, Дмитрий.
    Karabas-Go
    Pentagon-128 вер.2023+Turbo Sound+ZXM-GeneralSound
    ZXM-Phoenix 2048+Turbo Sound+ZXM-GeneralSound+ZXM-SoundCard Lite
    ZXM-Phoenix в Телеграмм

  4. #3

    Регистрация
    06.04.2005
    Адрес
    Земля, Москва, Марьино
    Сообщений
    21,509
    Спасибо Благодарностей отдано 
    0
    Спасибо Благодарностей получено 
    17
    Поблагодарили
    17 сообщений
    Mentioned
    1 Post(s)
    Tagged
    0 Thread(s)

    По умолчанию

    Иногда самое простое оказывается самым трудым. Не спроста же железнячники за почти 20 лет эксплуатации ГС карты не смогли подобрать резисторы. И даже Мик...

  5. #4

    Регистрация
    14.06.2005
    Адрес
    г. Калуга
    Сообщений
    10,141
    Спасибо Благодарностей отдано 
    216
    Спасибо Благодарностей получено 
    769
    Поблагодарили
    417 сообщений
    Mentioned
    23 Post(s)
    Tagged
    0 Thread(s)

    По умолчанию

    Вчера я погорячился, написал что можно типа заменить на TLC7226. Увы нельзя, у него один вход опроного напряжения на все 4 канала, а надо на каждый канал свой.
    Есть другой 4 канальный TLC7225, у него уже на каждый канал свой вход опоррного напряжения.

    И следует учесть что TLC7225 и TLC7226 чистые R-2R переобразователи, а 572ПА1 и TLC7528 перемножающие.
    Сайт поддержки моих изделий - http://micklab.ru/
    Группа ВКонтакте - https://vk.com/micklab

  6. #5

    Регистрация
    17.07.2013
    Адрес
    г. Курган
    Сообщений
    2,035
    Записей в дневнике
    2
    Спасибо Благодарностей отдано 
    123
    Спасибо Благодарностей получено 
    171
    Поблагодарили
    121 сообщений
    Mentioned
    1 Post(s)
    Tagged
    0 Thread(s)

    По умолчанию

    AAA а я вот сомневаюсь что кто-то даже пытался это сделать - добавил ручку громкости и нормально! Может кто и делал, но на форумах не сидит!
    Посмотрите тему по сборке ревизии 2011г., заказано было плат более 30-ти, а в обсуждении не более десятка принимали участие. Активных "копателей" и десятка не наберется, остальные набегом.
    По идее нужно усиления добавить на выходных операционниках, в предусилителях (а тут по сути он и есть) именно резюками по ОС выставляется коэффициент усиления.
    С уважением, Дмитрий.
    Karabas-Go
    Pentagon-128 вер.2023+Turbo Sound+ZXM-GeneralSound
    ZXM-Phoenix 2048+Turbo Sound+ZXM-GeneralSound+ZXM-SoundCard Lite
    ZXM-Phoenix в Телеграмм

  7. #6

    Регистрация
    24.05.2009
    Адрес
    Москва
    Сообщений
    1,100
    Записей в дневнике
    2
    Спасибо Благодарностей отдано 
    5
    Спасибо Благодарностей получено 
    3
    Поблагодарили
    2 сообщений
    Mentioned
    0 Post(s)
    Tagged
    0 Thread(s)

    По умолчанию

    Эх... Я вот буду делать микшер на 4-х стерео предусилителях TDA8199 с электронной регулировкой громкости для каждого канала и усё. Отдельная громкость для каждого источника (saa, beeper, ngs, чёто-ещё)
    С уважением, Дмитрий.

  8. #7

    Регистрация
    06.04.2005
    Адрес
    Земля, Москва, Марьино
    Сообщений
    21,509
    Спасибо Благодарностей отдано 
    0
    Спасибо Благодарностей получено 
    17
    Поблагодарили
    17 сообщений
    Mentioned
    1 Post(s)
    Tagged
    0 Thread(s)

    По умолчанию

    Цитата Сообщение от gdv2002 Посмотреть сообщение
    добавил ручку громкости и нормально! Может кто и делал, но на форумах не сидит!
    Я когда дему смотрю, не хочу ручку трогать.

    Дема KiloDemo имеет смешанный звук ГС и YA, проблема есть в просмотре ее полноценно. Сначало тихо а потом яручку кручу громко стало. Не хорошо все это

  9. #8

    Регистрация
    14.06.2005
    Адрес
    г. Калуга
    Сообщений
    10,141
    Спасибо Благодарностей отдано 
    216
    Спасибо Благодарностей получено 
    769
    Поблагодарили
    417 сообщений
    Mentioned
    23 Post(s)
    Tagged
    0 Thread(s)

    По умолчанию

    Цитата Сообщение от AAA Посмотреть сообщение
    Я когда дему смотрю, не хочу ручку трогать.
    ААА, проблема эта не решится ни ручкой, ни даже подстройкой резисторов. По простой причине. Допустим изначально может быть мелодия GS с низкой громкостью, а AY с полной. Тогда ты по любому не сможешь насладится одинаковым звучанием. И также наоборот.

    В идеале как бы надо подбирать микшер по максимальному уровню громкости от всех источников, чтобы они звучали одинаково.
    Но потом вступает в силу тот факт, что одну мелодию записали тихо, другую громко и опять наш инопланетный AAA крутит колесо громкости то в одну сторону, то в другую.
    Для вас батенька надо нечто похожее на АРУ делать.
    Сайт поддержки моих изделий - http://micklab.ru/
    Группа ВКонтакте - https://vk.com/micklab

  10. #9

    Регистрация
    17.07.2013
    Адрес
    г. Курган
    Сообщений
    2,035
    Записей в дневнике
    2
    Спасибо Благодарностей отдано 
    123
    Спасибо Благодарностей получено 
    171
    Поблагодарили
    121 сообщений
    Mentioned
    1 Post(s)
    Tagged
    0 Thread(s)

    По умолчанию

    Скоро сказка сказывается, да не скоро дело делается!
    Пока готовил библы под ПиКад-2006, появилась полная, предпоследняя версия ДипТрейс в сети, ссылок не даю и рассылать тоже не буду - делов найти в сети минуты на две!
    Пришлось подготовить библы под Трейс (нравится эта прога мне), заодно скорректировал УГО согласно ГОСТа.
    Сажусь схему отрисовывать. Доработки и исправления выкладывал выше.
    Надеюсь с помощью форумчан допилим схему "до ума".
    Напомню, что карточка будет полностью на ДИП-элементах. Единственное - это установка резисторов и диодов вертикально. При монтаже можно будет вместо них запаять SMD резисторы и диоды 0805 размера. Как это многие (и я тоже) сделали на Фениксе, смотрится очень даже здорово!
    К сожалению времени в день всего по часу-два на хобби есть, а ведь еще и попаять-понастраивать нужно!
    Для "звуковых дел" с Ретро-ПК сейчас разрабатываю небольшой усилок, в идеале ламповый, с микшером на 3-4 входа.

    Немного подправил схему GS, в плане перепутанных номеров выводов и учетом некоторых доработок.
    Скажем так, что это пока рабочий вариант, чтобы отрисовывать проще было. В варианте карты 2014 года думаю применить схему расширения от Northwood.
    Последний раз редактировалось gdv2002; 06.09.2014 в 20:47.
    С уважением, Дмитрий.
    Karabas-Go
    Pentagon-128 вер.2023+Turbo Sound+ZXM-GeneralSound
    ZXM-Phoenix 2048+Turbo Sound+ZXM-GeneralSound+ZXM-SoundCard Lite
    ZXM-Phoenix в Телеграмм

  11. #10

    Регистрация
    17.07.2013
    Адрес
    г. Курган
    Сообщений
    2,035
    Записей в дневнике
    2
    Спасибо Благодарностей отдано 
    123
    Спасибо Благодарностей получено 
    171
    Поблагодарили
    121 сообщений
    Mentioned
    1 Post(s)
    Tagged
    0 Thread(s)

    По умолчанию

    Предварительная версия схемы GS варианта 2014г., пока только цифровая часть.

    Может кто испытывал/проверял на практике (применительно к КАЙ-1024 в основном) доработку от Черного Кота "корректный формирователь регистра на чтение" и совместимости с divIDE?
    Есть смысл вносить их в схему?
    Подновил чуть-чуть схемку.
    Миниатюры Миниатюры Нажмите на изображение для увеличения. 

Название:	Совместимость с divIDE.jpg 
Просмотров:	306 
Размер:	26.5 Кб 
ID:	49270   Нажмите на изображение для увеличения. 

Название:	Открытие регистра чтения.png 
Просмотров:	295 
Размер:	13.4 Кб 
ID:	49271  
    Последний раз редактировалось gdv2002; 07.09.2014 в 17:18.
    С уважением, Дмитрий.
    Karabas-Go
    Pentagon-128 вер.2023+Turbo Sound+ZXM-GeneralSound
    ZXM-Phoenix 2048+Turbo Sound+ZXM-GeneralSound+ZXM-SoundCard Lite
    ZXM-Phoenix в Телеграмм

Страница 2 из 5 ПерваяПервая 12345 ПоследняяПоследняя

Информация о теме

Пользователи, просматривающие эту тему

Эту тему просматривают: 1 (пользователей: 0 , гостей: 1)

Похожие темы

  1. General Sound
    от GM BIT в разделе Программирование
    Ответов: 13
    Последнее: 31.05.2011, 01:34
  2. Ответов: 245
    Последнее: 28.05.2011, 21:48
  3. General Sound на ютубе.
    от moroz1999 в разделе Разный софт
    Ответов: 2
    Последнее: 16.05.2010, 17:04
  4. General Sound
    от newart в разделе Звук
    Ответов: 133
    Последнее: 11.10.2006, 22:58
  5. Куплю General Sound
    от dhau в разделе Барахолка (архив)
    Ответов: 13
    Последнее: 02.03.2006, 10:32

Ваши права

  • Вы не можете создавать новые темы
  • Вы не можете отвечать в темах
  • Вы не можете прикреплять вложения
  • Вы не можете редактировать свои сообщения
  •