User Tag List

Страница 3 из 5 ПерваяПервая 12345 ПоследняяПоследняя
Показано с 21 по 30 из 42

Тема: Буреев. Простейшая микроЭВМ

  1. #21

    Регистрация
    03.07.2005
    Адрес
    Санкт-Петербург
    Сообщений
    10,168
    Спасибо Благодарностей отдано 
    147
    Спасибо Благодарностей получено 
    84
    Поблагодарили
    55 сообщений
    Mentioned
    1 Post(s)
    Tagged
    0 Thread(s)

    По умолчанию

    Ну, по крайней мере, схема с ЮТ грузит. Шнур в колонки ПЦ, громкость 75% и всё залетает исправно.
    ScorpEvo ZS 1024 turbo+ CF-HDD/FDD/Mouse/SMUC 3.1/ProfROMse/NeoGS/ZC
    Speccy-2007 128/AY/TR-DOS

    Сайт с документацией к "Scorpion ZS 256"

  2. #22

    Регистрация
    10.07.2005
    Адрес
    Ставрополь
    Сообщений
    1,158
    Спасибо Благодарностей отдано 
    37
    Спасибо Благодарностей получено 
    61
    Поблагодарили
    34 сообщений
    Mentioned
    0 Post(s)
    Tagged
    0 Thread(s)

    По умолчанию

    По загрузке с ленты - просто надо определиться, что выбрать: программная, как на всех советских компах, или аппаратная, как на первых зарубежных (или на моём "Аюше"). Программная съест и без того маленький объём памяти, а аппаратная потребует хоть простейшего, но последовательного порта.
    Вместо ОУ лучше на 1006ВИ1 (но НЕ на 555, хоть аналог, но не замена) или на 561 серии. Ещё один хороший вариант - по схеме из "Ореля-БК08". Но это личное имхо
    Последний раз редактировалось rw6hrm; 21.08.2014 в 22:45.

  3. #23

    Регистрация
    11.10.2011
    Адрес
    Великий Новгород
    Сообщений
    313
    Спасибо Благодарностей отдано 
    13
    Спасибо Благодарностей получено 
    11
    Поблагодарили
    6 сообщений
    Mentioned
    0 Post(s)
    Tagged
    0 Thread(s)

    По умолчанию

    вообще лучше пока что программная, чтоб оставить основную схему как есть в виде авторского варианта.

    схему Орель-БК08 нашел только в крайне убогом виде, и как всегда это был двгу.

    получается самая примитивная схема формирователя в ЮТ-88. тогда ее надо использовать.

    насчет ВИ1 Обнаружил у себя М1006ВИ1 в керамическом 14 ногом корпусе. Первый раз такие вижу. интересно где у них какие ноги? и если есть схемка формирователя на ВИ1 то ткните носом. У меня сегодня и гугл что то забанен. Ни в одном браузере не показыватется
    ... ушел в мир разрушеных зданий...

  4. #24

    Регистрация
    10.07.2005
    Адрес
    Ставрополь
    Сообщений
    1,158
    Спасибо Благодарностей отдано 
    37
    Спасибо Благодарностей получено 
    61
    Поблагодарили
    34 сообщений
    Mentioned
    0 Post(s)
    Tagged
    0 Thread(s)

    По умолчанию

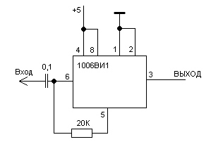
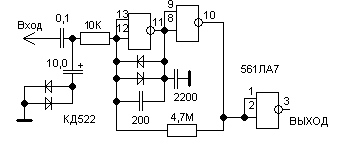
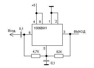
    http://www.alfarzpp.lv/rus/sc/1106vi1.pdf даташит на 14 ножек.

    http://zx-pk.ru/showpost.php?p=672139&postcount=14 схема из Ореля.

    Далее по прицепам. Схема на 561ЛА7 из "Аюши", навеяно "Пентагоном".
    Схемы на ВИ1 (ни в коем случае не 555, на крайняк белорусский IL555): с одним резистором чаще всего встречается, в том числе и на этом сайте, а с тремя деталями - это из глубоких 80-х, использовалась мною на первоспеке.
    Миниатюры Миниатюры Нажмите на изображение для увеличения. 

Название:	561la7.jpg 
Просмотров:	309 
Размер:	14.6 Кб 
ID:	49112   Нажмите на изображение для увеличения. 

Название:	1006vi1_1.jpg 
Просмотров:	302 
Размер:	10.5 Кб 
ID:	49113   Нажмите на изображение для увеличения. 

Название:	1006vi1_2.jpg 
Просмотров:	280 
Размер:	8.2 Кб 
ID:	49114  
    Последний раз редактировалось rw6hrm; 22.08.2014 в 10:09.

  5. #25

    Регистрация
    11.10.2011
    Адрес
    Великий Новгород
    Сообщений
    313
    Спасибо Благодарностей отдано 
    13
    Спасибо Благодарностей получено 
    11
    Поблагодарили
    6 сообщений
    Mentioned
    0 Post(s)
    Tagged
    0 Thread(s)

    По умолчанию

    в чем причина того что нежелательно использовать 555?
    Из жизненного опыта почему то импорт оказывался лучше в работе чем отечественные ИС. Хотя я и являюсь приверженцем отечественной элементной базы.

    хотя схемы на 1006ВИ1 проще, хочется всеже схему на 561ЛА7, из за того что прекрасно меняется на 564ЛА7

    забаненость гугла оказалась в то что яндекс добавлял два дополнительных слеша после http
    ... ушел в мир разрушеных зданий...

  6. #26

    Регистрация
    10.07.2005
    Адрес
    Ставрополь
    Сообщений
    1,158
    Спасибо Благодарностей отдано 
    37
    Спасибо Благодарностей получено 
    61
    Поблагодарили
    34 сообщений
    Mentioned
    0 Post(s)
    Tagged
    0 Thread(s)

    По умолчанию

    Проблема в том, что 555 и ВИ1 хоть и выполняют одну и ту же функцию и совместимы по ногам, внутренняя структура кардинально различается, что и позволяет использовать ВИ1 как усилитель-компаратор, чего 555 сделать не в силах. Где-то на этом форуме это обсуждалось.

    ЛА7 можно запросто заменить на ЛН2 или ЛЕ5

  7. #27

    Регистрация
    11.10.2011
    Адрес
    Великий Новгород
    Сообщений
    313
    Спасибо Благодарностей отдано 
    13
    Спасибо Благодарностей получено 
    11
    Поблагодарили
    6 сообщений
    Mentioned
    0 Post(s)
    Tagged
    0 Thread(s)

    По умолчанию

    самое главное чтоб с ногами у ИК80 в 48 ногом корпусе все было правильно
    ... ушел в мир разрушеных зданий...

  8. #28

    Регистрация
    02.01.2006
    Адрес
    Ufa
    Сообщений
    466
    Спасибо Благодарностей отдано 
    6
    Спасибо Благодарностей получено 
    8
    Поблагодарили
    8 сообщений
    Mentioned
    0 Post(s)
    Tagged
    0 Thread(s)

    По умолчанию

    Я как раз для таких целей плату АОН на 580ВМ80 и собрал (смотри топик чуть пониже), чтобы просто немного повозиться. На плате собрал только цифровую часть.
    Детали ГФ24, ВМ80, две ИД4 (дешифратор адреса и управление разрядами интикатора), одна ВВ55 (порт клавиатуры и управление сегментами индикатора, один порт ещё остаётся свободным), одна РФ2 и две 541РУ2. И всё. Никаких РТ4 или РЕ3. По мне так как раз минимальный компьютер на ВМ80 ... Намного проще чем здесь предлагаемая.

  9. #29

    Регистрация
    10.07.2005
    Адрес
    Ставрополь
    Сообщений
    1,158
    Спасибо Благодарностей отдано 
    37
    Спасибо Благодарностей получено 
    61
    Поблагодарили
    34 сообщений
    Mentioned
    0 Post(s)
    Tagged
    0 Thread(s)

    По умолчанию

    Необходимо только соблюсти карту памяти, тогда без переборки кода железка будет совместима программно с книжным софтом.

  10. #30

    Регистрация
    11.10.2011
    Адрес
    Великий Новгород
    Сообщений
    313
    Спасибо Благодарностей отдано 
    13
    Спасибо Благодарностей получено 
    11
    Поблагодарили
    6 сообщений
    Mentioned
    0 Post(s)
    Tagged
    0 Thread(s)

    По умолчанию

    смысл критиковать железку? как автор назвал, так и написано.

    вообще ее можно упростить, Но смысл? это уже будет что то другое, реплика чтоли, или как оно сейчас называется.
    ... ушел в мир разрушеных зданий...

Страница 3 из 5 ПерваяПервая 12345 ПоследняяПоследняя

Информация о теме

Пользователи, просматривающие эту тему

Эту тему просматривают: 1 (пользователей: 0 , гостей: 1)

Похожие темы

  1. Собираю микроЭВМ
    от костя в разделе Разное
    Ответов: 18
    Последнее: 07.04.2015, 20:58
  2. Проекты одноплатных микроЭВМ
    от Astrolux в разделе Зарубежные компьютеры
    Ответов: 45
    Последнее: 10.02.2015, 23:45
  3. Ответов: 3
    Последнее: 28.04.2012, 05:57
  4. [Аукцион] Портативная МикроЭВМ: Электроника МК-90
    от Ivanhoe в разделе Барахолка (архив)
    Ответов: 20
    Последнее: 12.04.2012, 19:11
  5. Простейшая схема своими руками
    от carsman в разделе Для начинающих
    Ответов: 32
    Последнее: 08.04.2012, 21:07

Ваши права

  • Вы не можете создавать новые темы
  • Вы не можете отвечать в темах
  • Вы не можете прикреплять вложения
  • Вы не можете редактировать свои сообщения
  •