Важная информация

User Tag List

Страница 6 из 9 ПерваяПервая ... 23456789 ПоследняяПоследняя
Показано с 51 по 60 из 87

Тема: Какой геймпад требует минимум переделок под Спектрум?

  1. #51

    Регистрация
    14.09.2014
    Адрес
    г. Гусь-Хрустальный
    Сообщений
    603
    Спасибо Благодарностей отдано 
    84
    Спасибо Благодарностей получено 
    1
    Поблагодарили
    1 сообщение
    Mentioned
    0 Post(s)
    Tagged
    0 Thread(s)

    По умолчанию

    Цитата Сообщение от dosikus Посмотреть сообщение
    Если это чистА для процесса а не результата .
    Ну это есть немного. Будет желание и до плис доберусь, просто не знаю с чего начинать.

    Скрытый текст

    ZX Spectrum +2 +divIDE + BDI
    Profi 1024k plus
    Scorpion ZS-256 Turbo+
    ZX Evolution rev.C2+NeoGS+SDCard HxC Floppy Emulator
    ZX Evolution rev.C2+ZXM-SoundCard Extreme+ZXM-MoonSound
    AVR ZX Spectrum V2.0
    Орион 128
    [свернуть]

  2. #52

    Регистрация
    12.11.2009
    Адрес
    Москва
    Сообщений
    403
    Спасибо Благодарностей отдано 
    50
    Спасибо Благодарностей получено 
    90
    Поблагодарили
    66 сообщений
    Mentioned
    2 Post(s)
    Tagged
    0 Thread(s)

    По умолчанию

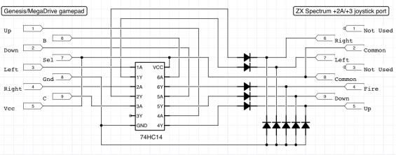
    Подключил сеговский геймпад к +2А через самодельный переходник.
    Геймпад не требуется разбирать и перепаивать. Возможность работать с Сегой он не теряет.

    Нажмите на изображение для увеличения. 

Название:	image (2).jpg 
Просмотров:	615 
Размер:	23.5 Кб 
ID:	56398 Нажмите на изображение для увеличения. 

Название:	image (1).jpg 
Просмотров:	602 
Размер:	23.2 Кб 
ID:	56343 Нажмите на изображение для увеличения. 

Название:	image (2).jpg 
Просмотров:	593 
Размер:	22.8 Кб 
ID:	56344 Нажмите на изображение для увеличения. 

Название:	image(3).jpg 
Просмотров:	560 
Размер:	21.3 Кб 
ID:	56345

    Схема

    Буду рад выслушать замечания по приведённой схеме.
    Переходник совместим только с моделями +2A/B и +3. На сером +2 работать не будет.
    Последний раз редактировалось SegaBoy; 01.04.2016 в 23:35.

  3. #53

    Регистрация
    12.11.2009
    Адрес
    Москва
    Сообщений
    403
    Спасибо Благодарностей отдано 
    50
    Спасибо Благодарностей получено 
    90
    Поблагодарили
    66 сообщений
    Mentioned
    2 Post(s)
    Tagged
    0 Thread(s)

    По умолчанию

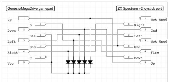
    Вариант подключения сеговского геймпада к серому +2.

    Нажмите на изображение для увеличения. 

Название:	image (3).jpg 
Просмотров:	541 
Размер:	24.2 Кб 
ID:	56399

    Схема

    Проверить работоспособность не могу, так как у меня +2А. Кто будет пробовать, отпишитесь о результатах.
    Последний раз редактировалось SegaBoy; 01.04.2016 в 23:34.

  4. #54

    Регистрация
    02.12.2014
    Адрес
    г. Одесса, Украина
    Сообщений
    94
    Спасибо Благодарностей отдано 
    0
    Спасибо Благодарностей получено 
    1
    Поблагодарили
    1 сообщение
    Mentioned
    0 Post(s)
    Tagged
    0 Thread(s)

    По умолчанию

    Смотрел инструкции от серого и черного - вроде там одинаковая распайка джойстиков и рекомендуют одну и ту же модель Sinclair SJS

  5. #55

    Регистрация
    12.11.2009
    Адрес
    Москва
    Сообщений
    403
    Спасибо Благодарностей отдано 
    50
    Спасибо Благодарностей получено 
    90
    Поблагодарили
    66 сообщений
    Mentioned
    2 Post(s)
    Tagged
    0 Thread(s)

    По умолчанию

    Так и есть - у них совершенно одинаковая распайка. Старинные джойстики Sinclair SJS будут работать на всех моделях.

  6. #56

    Регистрация
    12.11.2009
    Адрес
    Москва
    Сообщений
    403
    Спасибо Благодарностей отдано 
    50
    Спасибо Благодарностей получено 
    90
    Поблагодарили
    66 сообщений
    Mentioned
    2 Post(s)
    Tagged
    0 Thread(s)

    По умолчанию

    Нажмите на изображение для увеличения. 

Название:	IMG_4266.jpg 
Просмотров:	313 
Размер:	54.6 Кб 
ID:	68041Нажмите на изображение для увеличения. 

Название:	IMG_4267.jpg 
Просмотров:	329 
Размер:	51.7 Кб 
ID:	68042

  7. #57

    Регистрация
    17.08.2013
    Адрес
    г. Москва
    Сообщений
    965
    Спасибо Благодарностей отдано 
    64
    Спасибо Благодарностей получено 
    67
    Поблагодарили
    42 сообщений
    Mentioned
    0 Post(s)
    Tagged
    0 Thread(s)

    По умолчанию

    А вот такой вопрос: если я беру какой-нить стандартнй ATARI ST джой. Вот такой. Далее соединяю землю джойстика с землёй компа, а сигналы направлений и огонь с соответствующими кнопками мех. клавиатуры (как синклер-жойстик, например). Будет ли такая схема работать? Без никаких инверторов и прочего.

  8. #58

    Регистрация
    27.02.2005
    Адрес
    москва
    Сообщений
    14,318
    Записей в дневнике
    1
    Спасибо Благодарностей отдано 
    203
    Спасибо Благодарностей получено 
    1,482
    Поблагодарили
    967 сообщений
    Mentioned
    18 Post(s)
    Tagged
    0 Thread(s)

    По умолчанию

    у синклер джойстиков общий провод идёт вовсе не на `землю`,
    а так конечно работать будет без всяких микросхем

  9. #59

    Регистрация
    17.08.2013
    Адрес
    г. Москва
    Сообщений
    965
    Спасибо Благодарностей отдано 
    64
    Спасибо Благодарностей получено 
    67
    Поблагодарили
    42 сообщений
    Mentioned
    0 Post(s)
    Tagged
    0 Thread(s)

    По умолчанию

    Цитата Сообщение от goodboy Посмотреть сообщение
    у синклер джойстиков общий провод идёт вовсе не на `землю`
    Ну т.е., это будет никакой не синклер, а какая-то непонятная самоделка, которая будет имитировать нажатия соответствующих кнопок, верно?

    - - - Добавлено - - -

    А, кажется понял. Не на землю, а на один из пяти сигналов восьми полурядов мех. клавы. Ну да, логично.
    Последний раз редактировалось norduk; 17.02.2019 в 18:05.

  10. #60

    Регистрация
    27.02.2005
    Адрес
    москва
    Сообщений
    14,318
    Записей в дневнике
    1
    Спасибо Благодарностей отдано 
    203
    Спасибо Благодарностей получено 
    1,482
    Поблагодарили
    967 сообщений
    Mentioned
    18 Post(s)
    Tagged
    0 Thread(s)

    По умолчанию

    ага, правильно понял. вообще эти полуряды на самом деле сигналы с шины адреса.
    и сигналы для джоя лучше снимать с разъёма на плате (параллельно клавишным)
    у меня на скорпе с длинными проводами несколько раз выбивало мультиплексоры
    Последний раз редактировалось goodboy; 17.02.2019 в 18:57.

Страница 6 из 9 ПерваяПервая ... 23456789 ПоследняяПоследняя

Информация о теме

Пользователи, просматривающие эту тему

Эту тему просматривают: 1 (пользователей: 0 , гостей: 1)

Похожие темы

  1. Какой Спектрум лучше собрать
    от doleynikov в разделе Для начинающих
    Ответов: 21
    Последнее: 30.11.2021, 11:34
  2. Какой спектрум нужен?
    от s-g-t в разделе Разный софт
    Ответов: 47
    Последнее: 19.07.2014, 10:19
  3. Какой спектрум лучше собрать?
    от Viktor2312 в разделе Несортированное железо
    Ответов: 12
    Последнее: 07.04.2011, 23:14
  4. Какой самый USER friendly спектрум?
    от REMR в разделе Для начинающих
    Ответов: 22
    Последнее: 13.09.2010, 00:44

Ваши права

  • Вы не можете создавать новые темы
  • Вы не можете отвечать в темах
  • Вы не можете прикреплять вложения
  • Вы не можете редактировать свои сообщения
  •