Важная информация

User Tag List

Страница 50 из 67 ПерваяПервая ... 464748495051525354 ... ПоследняяПоследняя
Показано с 491 по 500 из 668

Тема: ЮТ-88 Дисплейный модуль

  1. #491

    Регистрация
    10.02.2014
    Адрес
    г. Тула
    Сообщений
    539
    Спасибо Благодарностей отдано 
    50
    Спасибо Благодарностей получено 
    44
    Поблагодарили
    30 сообщений
    Mentioned
    1 Post(s)
    Tagged
    0 Thread(s)

    По умолчанию

    Цитата Сообщение от palsw Посмотреть сообщение
    нужно писать или дописывать монитор,что бы он знал что есть цвет
    печально, похоже мы в цвете ЮТ-88 увидим не скоро

  2. #492

    Регистрация
    08.02.2015
    Адрес
    г. Санкт-Петербург
    Сообщений
    242
    Спасибо Благодарностей отдано 
    16
    Спасибо Благодарностей получено 
    15
    Поблагодарили
    7 сообщений
    Mentioned
    0 Post(s)
    Tagged
    0 Thread(s)

    По умолчанию

    Дмитрий2012,
    Появилась ещё одна идея.
    Я сравнил схемы автора и твою.
    В неактуальной схеме из поста 1 знакогенератор через резистор R6 и диод VD2 подмешан на видео-2. Туда же подмешаны и цвета. На чб-мониторе при применении цветов картинка будет видна градациями цветности. При подключении скартом изображение будет цветное.

    Теперь предлагаю провести эксперимент.
    Добавить в твою схему резистор и диод.
    Если есть возможность вытащить мультиплексор цвета, то его вытащить и замыкать его RGB-выходы на лог.1 и 0. Какие-то два на 0, а один из них на 1. Или наоборот, в зависимости от положения переключателей.
    В результате на экране символы должны выводиться одним из основных цветов.

    Ну и сигнал Sync в телевизор подключать никуда не нужно.
    Последний раз редактировалось Stampmaker; 19.04.2015 в 08:08.

  3. #493

    Регистрация
    03.07.2005
    Адрес
    Санкт-Петербург
    Сообщений
    10,168
    Спасибо Благодарностей отдано 
    147
    Спасибо Благодарностей получено 
    84
    Поблагодарили
    55 сообщений
    Mentioned
    1 Post(s)
    Tagged
    0 Thread(s)

    По умолчанию

    Цветной режим вообще не используется на ЮТе, и отведенная под него память не инитится. Едва ли оно вообще нужно. ПЗУ можно перепахать под цвет, но что это даст?
    ScorpEvo ZS 1024 turbo+ CF-HDD/FDD/Mouse/SMUC 3.1/ProfROMse/NeoGS/ZC
    Speccy-2007 128/AY/TR-DOS

    Сайт с документацией к "Scorpion ZS 256"

  4. #494

    Регистрация
    08.02.2015
    Адрес
    г. Санкт-Петербург
    Сообщений
    242
    Спасибо Благодарностей отдано 
    16
    Спасибо Благодарностей получено 
    15
    Поблагодарили
    7 сообщений
    Mentioned
    0 Post(s)
    Tagged
    0 Thread(s)

    По умолчанию

    А откуда вообще взялась схема с цветом?

  5. #495

    Регистрация
    10.02.2014
    Адрес
    г. Тула
    Сообщений
    539
    Спасибо Благодарностей отдано 
    50
    Спасибо Благодарностей получено 
    44
    Поблагодарили
    30 сообщений
    Mentioned
    1 Post(s)
    Tagged
    0 Thread(s)

    По умолчанию

    Цитата Сообщение от Ewgeny7 Посмотреть сообщение
    Цветной режим вообще не используется на ЮТе, и отведенная под него память не инитится. Едва ли оно вообще нужно. ПЗУ можно перепахать под цвет, но что это даст?
    Наверно никому это и не нужно кроме меня, может еще и автора схемы. Раз уж возможность работать с цветом предполагалась изначально, хотелось воспользоваться этим, немного покодить, «поиграться» с цветом на ЮТ-88.
    Цитата Сообщение от Stampmaker Посмотреть сообщение
    А откуда вообще взялась схема с цветом?
    Схему разработал KeKc , сейчас он вроде служит в армии и здесь появляется редко.
    Почитать о разработке дисплейного модуля можно начиная наверно отсюда http://zx-pk.ru/showthread.php?p=688875#post688875
    Цитата Сообщение от Stampmaker Посмотреть сообщение
    Теперь предлагаю провести эксперимент.
    Добавить в твою схему резистор и диод.
    Добавлял на ЖК телеке ничего не изменилось, на старом телеке с трубкой кадровая бегает. Кстати на схеме нет одного диода, который присутствует на плате. На картинке нарисовал как он подключен.
    Случайно пальцами прикоснулся к выводам мультиплексора D22, и начали появляться очертания символов. https://youtu.be/POzsN-Jsf60
    Миниатюры Миниатюры Нажмите на изображение для увеличения. 

Название:	диод VD4.jpg 
Просмотров:	341 
Размер:	24.0 Кб 
ID:	51910  

  6. #496

    Регистрация
    08.02.2015
    Адрес
    г. Санкт-Петербург
    Сообщений
    242
    Спасибо Благодарностей отдано 
    16
    Спасибо Благодарностей получено 
    15
    Поблагодарили
    7 сообщений
    Mentioned
    0 Post(s)
    Tagged
    0 Thread(s)

    По умолчанию

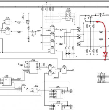
    Вот на этой схеме есть резистор и диод, через которые информация из пзу идет на телевизор
    https://img-fotki.yandex.ru/get/9509..._e06a3338_orig

  7. #496
    С любовью к вам, Yandex.Direct
    Размещение рекламы на форуме способствует его дальнейшему развитию

  8. #497

    Регистрация
    10.02.2014
    Адрес
    г. Тула
    Сообщений
    539
    Спасибо Благодарностей отдано 
    50
    Спасибо Благодарностей получено 
    44
    Поблагодарили
    30 сообщений
    Mentioned
    1 Post(s)
    Tagged
    0 Thread(s)

    По умолчанию

    Заменил резисторы R5-R8 номиналом 10К на резисторы номиналом 5,1К и картинка стала идеальной подключал по SCART RGB+SYN, на выходе video2 теперь выводится картинка тоже без искажений.
    Осталось разобраться как программировать порт управления видеоконтроллером (судя по схеме Е0H) для работы с цветом...
    Миниатюры Миниатюры Нажмите на изображение для увеличения. 

Название:	2015-04-19 15.26.58.jpg 
Просмотров:	398 
Размер:	83.9 Кб 
ID:	51911   Нажмите на изображение для увеличения. 

Название:	2015-04-19 15.46.36.jpg 
Просмотров:	476 
Размер:	93.7 Кб 
ID:	51913  
    Последний раз редактировалось Дмитрий2012; 07.06.2015 в 10:41.

  9. #498

    Регистрация
    18.07.2010
    Адрес
    Ульяновск
    Сообщений
    852
    Спасибо Благодарностей отдано 
    5
    Спасибо Благодарностей получено 
    12
    Поблагодарили
    10 сообщений
    Mentioned
    0 Post(s)
    Tagged
    0 Thread(s)

    По умолчанию

    Ну вообще-то первоначальную идею и схему предложил я, а КеКс её подхватил и продолжил (добавил порт управления цветом и ПЗУ), за что ему большая благодарность. И я рад, что она заработала
    Последний раз редактировалось alx32; 19.04.2015 в 17:16.

  10. #499

    Регистрация
    08.02.2015
    Адрес
    г. Санкт-Петербург
    Сообщений
    242
    Спасибо Благодарностей отдано 
    16
    Спасибо Благодарностей получено 
    15
    Поблагодарили
    7 сообщений
    Mentioned
    0 Post(s)
    Tagged
    0 Thread(s)

    По умолчанию

    alx32, хорошо. А программная поддержка как продумывалась?
    Порт портом, а как цвет реализовывать на программном уровне?

    Просто я тоже озаботился этим вопросом и если смогу понять что и куда программить, то возможно и свой компьЮТер доделаю до цветного варианта.

  11. #500

    Регистрация
    10.02.2014
    Адрес
    г. Тула
    Сообщений
    539
    Спасибо Благодарностей отдано 
    50
    Спасибо Благодарностей получено 
    44
    Поблагодарили
    30 сообщений
    Mentioned
    1 Post(s)
    Tagged
    0 Thread(s)

    По умолчанию

    Цитата Сообщение от alx32 Посмотреть сообщение
    Ну вообще-то первоначальную идею и схему предложил я, а КеКс её подхватил и продолжил (добавил порт управления цветом и ПЗУ), за что ему большая благодарность. И я рад, что она заработала
    Сорри, не внимательно прочитал тему о процессорном модуле, где шло обсуждение варианта схемы дисплейного модуля. Конечно же выражаю огромную благодарность Вам и всем кто принимал участие в обсуждении и разработке схемы дисплейного модуля, в том числе и за идею оживить ЮТ-88, наделить его цветом.
    Цитата Сообщение от Stampmaker Посмотреть сообщение
    и если смогу понять что и куда программить, то возможно и свой компьЮТер доделаю до цветного варианта
    На схеме все расписано, порт E0h бит 1 включение/выключение цвета
    Здесь все просто: ячейки в области памяти Е000h-E7FFh отвечают за код символов, в области памяти Е800h-EFFFh цвет.
    Если работаем без цвета, коды символов, которые пишутся в адреса памяти Е000h-E7FFh, Е800h-EFFFh выводятся на экран.

    Похоже схема работает немного не корректно посмотрите на картинку, цвет каждого крайнего правого столбца последующего символа передается в правый крайний столбец предыдущего символа... Во написал )))) надеюсь по картинке поймете о чем я …
    Миниатюры Миниатюры Нажмите на изображение для увеличения. 

Название:	2015-04-19 18.49.31.jpg 
Просмотров:	500 
Размер:	53.8 Кб 
ID:	51918  
    Последний раз редактировалось Дмитрий2012; 19.04.2015 в 19:33.

Страница 50 из 67 ПерваяПервая ... 464748495051525354 ... ПоследняяПоследняя

Информация о теме

Пользователи, просматривающие эту тему

Эту тему просматривают: 1 (пользователей: 0 , гостей: 1)

Похожие темы

  1. Микроша: Модуль ПЗУ
    от Mifody в разделе Радио-86РК
    Ответов: 21
    Последнее: 26.09.2021, 17:25
  2. Модуль процессора (МП)
    от Viktor2312 в разделе Ириша
    Ответов: 57
    Последнее: 28.12.2016, 10:02
  3. Помогите вспомнить модуль stc
    от albion в разделе Музыка
    Ответов: 22
    Последнее: 07.02.2014, 07:19
  4. Продам ПК-Учебный Дисплейный Класс.
    от Mad Killer/PG в разделе Барахолка (архив)
    Ответов: 24
    Последнее: 23.05.2012, 23:41
  5. Что за модуль для УКНЦ
    от dk_spb в разделе ДВК, УКНЦ
    Ответов: 10
    Последнее: 17.05.2011, 21:30

Ваши права

  • Вы не можете создавать новые темы
  • Вы не можете отвечать в темах
  • Вы не можете прикреплять вложения
  • Вы не можете редактировать свои сообщения
  •