Важная информация

User Tag List

Страница 8 из 67 ПерваяПервая ... 456789101112 ... ПоследняяПоследняя
Показано с 71 по 80 из 668

Тема: ЮТ-88 Дисплейный модуль

  1. #71
    HardWareMan
    Гость

    По умолчанию

    Сейчас изучим суть(тм) вопроса...

  2. #72

    Регистрация
    18.07.2010
    Адрес
    Ульяновск
    Сообщений
    852
    Спасибо Благодарностей отдано 
    5
    Спасибо Благодарностей получено 
    12
    Поблагодарили
    10 сообщений
    Mentioned
    0 Post(s)
    Tagged
    0 Thread(s)

    По умолчанию

    Попробуйте так:
    Нажмите на изображение для увеличения. 

Название:	disp.jpg 
Просмотров:	792 
Размер:	22.9 Кб 
ID:	50535

  3. #73

    Регистрация
    18.07.2010
    Адрес
    Ульяновск
    Сообщений
    852
    Спасибо Благодарностей отдано 
    5
    Спасибо Благодарностей получено 
    12
    Поблагодарили
    10 сообщений
    Mentioned
    0 Post(s)
    Tagged
    0 Thread(s)

    По умолчанию

    При этом видеоОЗУ дублируется в основной памяти на чтение и запись, сами РУ10 работают только на запись.

  4. #74

    Регистрация
    02.02.2010
    Адрес
    Степное
    Сообщений
    601
    Спасибо Благодарностей отдано 
    76
    Спасибо Благодарностей получено 
    18
    Поблагодарили
    14 сообщений
    Mentioned
    0 Post(s)
    Tagged
    0 Thread(s)

    По умолчанию

    Так можно пока ни чего не резать а просто отогнуть выводы у микрух и пробовать или я не прав?....

  5. #75

    Регистрация
    18.07.2010
    Адрес
    Ульяновск
    Сообщений
    852
    Спасибо Благодарностей отдано 
    5
    Спасибо Благодарностей получено 
    12
    Поблагодарили
    10 сообщений
    Mentioned
    0 Post(s)
    Tagged
    0 Thread(s)

    По умолчанию

    Можно и не резать, а отогнуть и проводами подпаять на указанные места.

  6. #76

    Регистрация
    02.02.2010
    Адрес
    Степное
    Сообщений
    601
    Спасибо Благодарностей отдано 
    76
    Спасибо Благодарностей получено 
    18
    Поблагодарили
    14 сообщений
    Mentioned
    0 Post(s)
    Tagged
    0 Thread(s)

    По умолчанию

    Ну я так понимаю четыре ножки отогнуть и соединить в "воздухе", а одну подтянуть к +5 вольтам, ну и немного отвлекусь от темы я думаю вы меня простите.как то в 1993 или 94 году мне в руки попался Spektrum ZX кажется заводской сборки попросили посмотреть что то пропадает картина на телевизоре, ну я открыл корпус он кстати был довольно аккуратный можно сказать красивый, но что я увидел внутри "О боже!!!!" те кто его собирали или не умели паять или не хотели ну вообщем вы наверно меня поняли, плюс куча МГТФа припаяно куда только можно,это был кошмар хотя слово кошмар звучит довольно мягко. плата отвратного качества. если сравнить то ,что у нас сейчас на столе с тем компьютером я просто не знаю слов для сравнения, так что ругать автора просто не допустимо вообще.Хотя такие "компьютеры" как я сам в последствии убедился продавали в отделе в магазине "Электроника" парни в галстуках делая умный вид и все остальное....

    ---------- Post added at 20:42 ---------- Previous post was at 18:56 ----------

    Попробовал.... РУ10 не греются но и толку нет. Тоже самое практически только не греются

  7. #76
    С любовью к вам, Yandex.Direct
    Размещение рекламы на форуме способствует его дальнейшему развитию

  8. #77

    Регистрация
    18.07.2010
    Адрес
    Ульяновск
    Сообщений
    852
    Спасибо Благодарностей отдано 
    5
    Спасибо Благодарностей получено 
    12
    Поблагодарили
    10 сообщений
    Mentioned
    0 Post(s)
    Tagged
    0 Thread(s)

    По умолчанию

    А в видеоОЗУ писать не пробовал?

    ---------- Post added at 22:43 ---------- Previous post was at 22:39 ----------

    Блин, хреново что в мониторах нет директивы чтения/записи портов...

    ---------- Post added at 22:46 ---------- Previous post was at 22:43 ----------

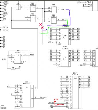
    Да, и ещё, я думаю вы выводы 8 и 11 DD4 не отключали от схемы?

  9. #78

    Регистрация
    02.02.2010
    Адрес
    Степное
    Сообщений
    601
    Спасибо Благодарностей отдано 
    76
    Спасибо Благодарностей получено 
    18
    Поблагодарили
    14 сообщений
    Mentioned
    0 Post(s)
    Tagged
    0 Thread(s)

    По умолчанию

    выводы 8 и 11 DD4 от схемы отключил то есть "поднял в воздух" и соединил с АП6 соответственно

    ---------- Post added at 22:52 ---------- Previous post was at 22:49 ----------

    Просмотрел всю плату , схему весь день крутил вроде должно работать, с выборкой разбираться надо по ОЗУ у меня опыта нет такого как таково ... полная беда, а запустить очень охота готов еще две платы купить только бы запустить....

    ---------- Post added at 22:59 ---------- Previous post was at 22:52 ----------

    Или их от схемы не надо было отключать.....

    ---------- Post added at 23:14 ---------- Previous post was at 22:59 ----------

    Вы наверно имели ввиду DD9

    ---------- Post added at 23:38 ---------- Previous post was at 23:14 ----------

    Вообщем пробовал и по другому то есть не отключая от схемы 8 и 11 выводы, РУ10 греются, вообще странно почему при установленной DD14 сразу начинает "кашмарить" дисплейный модуль он становится как бы неуправляемым

  10. #79

    Регистрация
    18.07.2010
    Адрес
    Ульяновск
    Сообщений
    852
    Спасибо Благодарностей отдано 
    5
    Спасибо Благодарностей получено 
    12
    Поблагодарили
    10 сообщений
    Mentioned
    0 Post(s)
    Tagged
    0 Thread(s)

    По умолчанию

    А дд14 хоть живая?
    может что с сигналами управления накосячено?

    ---------- Post added at 00:12 ---------- Previous post was at 00:06 ----------

    У меня, к стати, на процессорном модуле ни одна РУ10 не завелась, поставил импорт, хотя на другом ЮТ-88 на 8085-м процессоре они все работают...

  11. #80

    Регистрация
    02.02.2010
    Адрес
    Степное
    Сообщений
    601
    Спасибо Благодарностей отдано 
    76
    Спасибо Благодарностей получено 
    18
    Поблагодарили
    14 сообщений
    Mentioned
    0 Post(s)
    Tagged
    0 Thread(s)

    По умолчанию

    DD14 у меня две обои новые и с обеими одно и тоже, как вариант можно поставить HM6516 вместо РУ10 только где их взять

Страница 8 из 67 ПерваяПервая ... 456789101112 ... ПоследняяПоследняя

Информация о теме

Пользователи, просматривающие эту тему

Эту тему просматривают: 1 (пользователей: 0 , гостей: 1)

Похожие темы

  1. Микроша: Модуль ПЗУ
    от Mifody в разделе Радио-86РК
    Ответов: 21
    Последнее: 26.09.2021, 17:25
  2. Модуль процессора (МП)
    от Viktor2312 в разделе Ириша
    Ответов: 57
    Последнее: 28.12.2016, 10:02
  3. Помогите вспомнить модуль stc
    от albion в разделе Музыка
    Ответов: 22
    Последнее: 07.02.2014, 07:19
  4. Продам ПК-Учебный Дисплейный Класс.
    от Mad Killer/PG в разделе Барахолка (архив)
    Ответов: 24
    Последнее: 23.05.2012, 23:41
  5. Что за модуль для УКНЦ
    от dk_spb в разделе ДВК, УКНЦ
    Ответов: 10
    Последнее: 17.05.2011, 21:30

Ваши права

  • Вы не можете создавать новые темы
  • Вы не можете отвечать в темах
  • Вы не можете прикреплять вложения
  • Вы не можете редактировать свои сообщения
  •