Важная информация

User Tag List

Страница 3 из 3 ПерваяПервая 123
Показано с 21 по 29 из 29

Тема: Вопрос по Schneider Monitor GT 64

  1. #21

    Регистрация
    31.12.2014
    Адрес
    г. Киев, Украина
    Сообщений
    49
    Спасибо Благодарностей отдано 
    0
    Спасибо Благодарностей получено 
    0
    Поблагодарили
    0 сообщений
    Mentioned
    0 Post(s)
    Tagged
    0 Thread(s)

    По умолчанию

    Про точку я понял, просто решил, что диод еще никогда не мешал
    После праздников поеду на радиорынок за детальками .
    Большое спасибо!!

  2. #22

    Регистрация
    11.01.2008
    Адрес
    Ладошкино
    Сообщений
    1,811
    Записей в дневнике
    4
    Спасибо Благодарностей отдано 
    387
    Спасибо Благодарностей получено 
    339
    Поблагодарили
    244 сообщений
    Mentioned
    14 Post(s)
    Tagged
    0 Thread(s)

    По умолчанию

    не-не, диод тут как раз нельзя. Можно по выходу конденсатор поставить 5-10 мкФ.
    вот минимальная версия

    вход\выход конечно надо рисовать в обратную сторону, слева - входы - справа - выход) но и так понятно
    Profi v3.2 -=- Speccy2010,r2

  3. #23

    Регистрация
    31.12.2014
    Адрес
    г. Киев, Украина
    Сообщений
    49
    Спасибо Благодарностей отдано 
    0
    Спасибо Благодарностей получено 
    0
    Поблагодарили
    0 сообщений
    Mentioned
    0 Post(s)
    Tagged
    0 Thread(s)

    По умолчанию

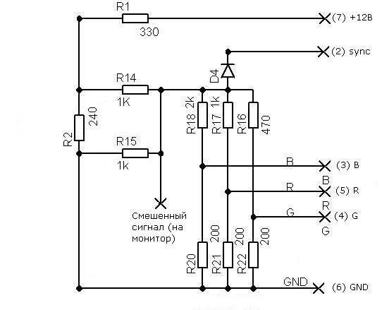
    Что бы подытожить, нарисовал конечный вариант схемы.

    1. в скобках - номера контактов на разъеме Орели.
    2. на всякий случай добавил синхру.
    3. т.к. у орели на выходе 12В, нарисовал делитель (R1, R2)- 330 и 240 Ом. (Орель у меня с пломбами и внутрь лезть не охота)
    Миниатюры Миниатюры Нажмите на изображение для увеличения. 

Название:	схемка.JPG 
Просмотров:	367 
Размер:	27.7 Кб 
ID:	50522  

  4. #24

    Регистрация
    16.12.2009
    Адрес
    Харьков
    Сообщений
    4,735
    Спасибо Благодарностей отдано 
    365
    Спасибо Благодарностей получено 
    379
    Поблагодарили
    242 сообщений
    Mentioned
    11 Post(s)
    Tagged
    1 Thread(s)

    По умолчанию

    Цитата Сообщение от RABBIT-1 Посмотреть сообщение
    нарисовал конечный вариант схемы.
    как-то сильно много деталей для чб. попробуйте соединить все сигналы: синхру и три цвета в один сигнал через резисторы 1кОм и подать на монитор.. во всяком случае такое спокойно работает на пентагоне и на куче других клонах, за Орельку не скажу, не пробовал.

  5. #25

    Регистрация
    31.12.2014
    Адрес
    г. Киев, Украина
    Сообщений
    49
    Спасибо Благодарностей отдано 
    0
    Спасибо Благодарностей получено 
    0
    Поблагодарили
    0 сообщений
    Mentioned
    0 Post(s)
    Tagged
    0 Thread(s)

    По умолчанию

    Спаял как рекомендовал solegstar,

    Скрытый текст

    [свернуть]


    запустил тест, который в комплекте (на кассете) к Орели идет:

    Скрытый текст

    [свернуть]


    получил такую картинку:

    Скрытый текст

    [свернуть]


    Попробовал спаять по схеме которую рекомендовал zebest,

    Скрытый текст

    [свернуть]


    тот же тест дал такую картинку (прошу прощение за качеств фотографий, снимал на телефон при плохом освещении):

    Скрытый текст

    [свернуть]


    то есть при просто резисторах в 1КОм - картинка четче, но синий =красному=зеленому, а фиолетовый=голубому=желтом у.

    если подключать через кучу резисторов, то цвета вроде отличаются, но картинка при этом как-то уж совсем не контрастная (как бы "замыленая"). Может как-то можно доработать схему, что бы это исправить?
    zebest писал, что можно поставить емкость 5-10 мкФ, подскажите куда "+" ее нужно подключать к схеме или монитору? и в какую цепь synh или video, или по одному в каждую?

    П.С.ы: попробовал подключить Орель по SCART к телевизору:
    первая фотка - цвета заведены на прямую, вторая-каждый цвет подключен через 330 Ом.

    Скрытый текст


    [свернуть]

  6. #26

    Регистрация
    11.01.2008
    Адрес
    Ладошкино
    Сообщений
    1,811
    Записей в дневнике
    4
    Спасибо Благодарностей отдано 
    387
    Спасибо Благодарностей получено 
    339
    Поблагодарили
    244 сообщений
    Mentioned
    14 Post(s)
    Tagged
    0 Thread(s)

    По умолчанию

    это правильно, что попробовал оба варианта и сам увидел разницу, когда все резисторы одинаковы, или когда более-менее правильная пропорция при смешении RGB.
    Тогда уж пробуй чисто на трех резисторах - 470, 1к, 2к , ну или строй полную схему с транзисторами. У тебя размах видеосигнала маленький получился, можно конечно делителями изменять пропорцию.
    Profi v3.2 -=- Speccy2010,r2

  7. #27

    Регистрация
    31.12.2014
    Адрес
    г. Киев, Украина
    Сообщений
    49
    Спасибо Благодарностей отдано 
    0
    Спасибо Благодарностей получено 
    0
    Поблагодарили
    0 сообщений
    Mentioned
    0 Post(s)
    Tagged
    0 Thread(s)

    По умолчанию

    У тебя размах видеосигнала маленький получился, можно конечно делителями изменять пропорцию
    то есть, увеличить с 5В до, например, 7? монитору ничего не сделаю?

    а что даст конденсатор? и как его впаять?

  8. #28

    Регистрация
    11.01.2008
    Адрес
    Ладошкино
    Сообщений
    1,811
    Записей в дневнике
    4
    Спасибо Благодарностей отдано 
    387
    Спасибо Благодарностей получено 
    339
    Поблагодарили
    244 сообщений
    Mentioned
    14 Post(s)
    Tagged
    0 Thread(s)

    По умолчанию

    не-не-не)) Напряжение Vcc не трогай.
    смотри схему из 22 сообщения. R16-R17-R18 - не трогай, это смешение цветов.
    R14-R15 - это как раз обычный делитель напряжения. Или со-всем его выкини, или меняй пропорции резисторов - или R14 уменьшай , без фанатизма, или увеличивай R15, или оба сразу. но для начала попробуй все же чисто 3 резистора

    ---------- Post added at 14:46 ---------- Previous post was at 14:45 ----------

    конденсатор отсечет постоянную составляющую, через него пройдет только переменная составляющая видеосигнала.. Но это более на четкости сказывается, чем на контрастности.. Это уже в порядке пробы
    Profi v3.2 -=- Speccy2010,r2

  9. #29

    Регистрация
    31.12.2014
    Адрес
    г. Киев, Украина
    Сообщений
    49
    Спасибо Благодарностей отдано 
    0
    Спасибо Благодарностей получено 
    0
    Поблагодарили
    0 сообщений
    Mentioned
    0 Post(s)
    Tagged
    0 Thread(s)

    По умолчанию

    Огромное спасибо!!!

    Скрытый текст

    [свернуть]


    это только резисторы (без делителя). правда я оставил 1 КОм в канале синхро. буду пробовать с конденсатором, но и так, по-моему, шикарно ну и как-то поаккуратнее сделаю, а то сейчас все на соплях висит.

Страница 3 из 3 ПерваяПервая 123

Информация о теме

Пользователи, просматривающие эту тему

Эту тему просматривают: 1 (пользователей: 0 , гостей: 1)

Похожие темы

  1. продам Schneider EURO PC
    от lazer725 в разделе Барахолка (архив)
    Ответов: 20
    Последнее: 27.05.2009, 16:30
  2. Schneider EURO PC
    от lazer725 в разделе Зарубежные компьютеры
    Ответов: 2
    Последнее: 10.12.2008, 17:04
  3. Spec+LCD Monitor
    от aniSKY в разделе Изображение
    Ответов: 22
    Последнее: 09.04.2008, 07:03
  4. TRDOS rom with monitor
    от VELESOFT в разделе Оси
    Ответов: 1
    Последнее: 12.08.2007, 17:53
  5. Schneider CPC6128 - кто знает?
    от Roger Wilco в разделе Зарубежные компьютеры
    Ответов: 9
    Последнее: 21.07.2007, 00:50

Ваши права

  • Вы не можете создавать новые темы
  • Вы не можете отвечать в темах
  • Вы не можете прикреплять вложения
  • Вы не можете редактировать свои сообщения
  •