User Tag List

Страница 6 из 10 ПерваяПервая ... 2345678910 ПоследняяПоследняя
Показано с 51 по 60 из 96

Тема: ЮТ-88 Внешние накопители

Комбинированный просмотр

Предыдущее сообщение Предыдущее сообщение   Следующее сообщение Следующее сообщение
  1. #1

    Регистрация
    10.02.2014
    Адрес
    г. Тула
    Сообщений
    539
    Спасибо Благодарностей отдано 
    50
    Спасибо Благодарностей получено 
    44
    Поблагодарили
    30 сообщений
    Mentioned
    1 Post(s)
    Tagged
    0 Thread(s)

    По умолчанию

    Цитата Сообщение от Ewgeny7 Посмотреть сообщение
    Сообщение от Дмитрий2012
    компьютер зависает
    Цитата:
    Сообщение от sergey_sitnik
    тоже зависают
    Проблема похоже системная...
    Ложная тревога Я из ROM диска грузил файлы, предназначенные для загрузки с магнитофона Версия демки, запускаемая с $1000 заработала, думаю и остальные программы заработают, пока не пробовал что-нибудь еще запускать.

  2. #1
    С любовью к вам, Yandex.Direct
    Размещение рекламы на форуме способствует его дальнейшему развитию

  3. #2

    Регистрация
    02.02.2010
    Адрес
    Степное
    Сообщений
    601
    Спасибо Благодарностей отдано 
    75
    Спасибо Благодарностей получено 
    18
    Поблагодарили
    14 сообщений
    Mentioned
    0 Post(s)
    Tagged
    0 Thread(s)

    По умолчанию ROM_disk

    Добрый день! Дмитрий как я понял вы собирали ROM-disk по этой схеме? без изменений?... В качестве элемента U1 какую микросхему использовали?
    Миниатюры Миниатюры Нажмите на изображение для увеличения. 

Название:	ROM-DISK.jpg 
Просмотров:	426 
Размер:	47.4 Кб 
ID:	50816  

  4. #3

    Регистрация
    10.02.2014
    Адрес
    г. Тула
    Сообщений
    539
    Спасибо Благодарностей отдано 
    50
    Спасибо Благодарностей получено 
    44
    Поблагодарили
    30 сообщений
    Mentioned
    1 Post(s)
    Tagged
    0 Thread(s)

    По умолчанию

    Цитата Сообщение от sergey_sitnik Посмотреть сообщение
    В качестве элемента U1 какую микросхему использовали?
    К155ЛЕ1, на схеме по зарубежным стандартам показано обозначение логических элементов 2ИЛИ-НЕ. Если будете собирать ROM диск, не забудьте перепрошить ПЗУ обновленным монитором-F от Ewgeny7, иначе не сможете работать с ROM-диском, так как в оригинальной прошивке были ошибки при работе с директивой R.
    Последний раз редактировалось Дмитрий2012; 24.01.2015 в 20:54.

  5. #4

    Регистрация
    02.02.2010
    Адрес
    Степное
    Сообщений
    601
    Спасибо Благодарностей отдано 
    75
    Спасибо Благодарностей получено 
    18
    Поблагодарили
    14 сообщений
    Mentioned
    0 Post(s)
    Tagged
    0 Thread(s)

    По умолчанию

    Все остальное без изменений?..... хотел платку в Lyt изобразить.....

  6. #5

    Регистрация
    10.02.2014
    Адрес
    г. Тула
    Сообщений
    539
    Спасибо Благодарностей отдано 
    50
    Спасибо Благодарностей получено 
    44
    Поблагодарили
    30 сообщений
    Mentioned
    1 Post(s)
    Tagged
    0 Thread(s)

    По умолчанию

    Цитата Сообщение от sergey_sitnik Посмотреть сообщение
    хотел платку в Lyt изобразить.....
    разводите тогда уже сразу на плате и таймер КР580ВИ53

  7. #6

    Регистрация
    02.02.2010
    Адрес
    Степное
    Сообщений
    601
    Спасибо Благодарностей отдано 
    75
    Спасибо Благодарностей получено 
    18
    Поблагодарили
    14 сообщений
    Mentioned
    0 Post(s)
    Tagged
    0 Thread(s)

    По умолчанию

    схему нада, и я так понял ещо одна ВВ55

  8. #7

    Регистрация
    10.02.2014
    Адрес
    г. Тула
    Сообщений
    539
    Спасибо Благодарностей отдано 
    50
    Спасибо Благодарностей получено 
    44
    Поблагодарили
    30 сообщений
    Mentioned
    1 Post(s)
    Tagged
    0 Thread(s)

    По умолчанию

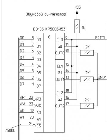
    Для таймера никакой ВВ55 не нужно. Я подсмотрел вариант подключения ВИ53 у Prusak, у него на сайте можете ознакомится с его вариантом ЮТ-88. На всякий случай и здесь оставлю схемку.
    Миниатюры Миниатюры Нажмите на изображение для увеличения. 

Название:	ВИ53.jpg 
Просмотров:	375 
Размер:	23.0 Кб 
ID:	50817  
    Последний раз редактировалось Дмитрий2012; 25.01.2015 в 01:32.

  9. #8

    Регистрация
    03.07.2005
    Адрес
    Санкт-Петербург
    Сообщений
    10,168
    Спасибо Благодарностей отдано 
    147
    Спасибо Благодарностей получено 
    84
    Поблагодарили
    55 сообщений
    Mentioned
    1 Post(s)
    Tagged
    0 Thread(s)

    По умолчанию

    Да, там ЛЕ1. Эта схема уже собрана в двух экземплярах. Я использовал 555-ю серию, но там пофигу какая будет.

    Вышел на связь Vinxru, мне самому пока никак не складывается ему ответить, на работе запахали совсем...
    ScorpEvo ZS 1024 turbo+ CF-HDD/FDD/Mouse/SMUC 3.1/ProfROMse/NeoGS/ZC
    Speccy-2007 128/AY/TR-DOS

    Сайт с документацией к "Scorpion ZS 256"

  10. #9

    Регистрация
    02.02.2010
    Адрес
    Степное
    Сообщений
    601
    Спасибо Благодарностей отдано 
    75
    Спасибо Благодарностей получено 
    18
    Поблагодарили
    14 сообщений
    Mentioned
    0 Post(s)
    Tagged
    0 Thread(s)

    По умолчанию

    На макетке собирал?

  11. #10

    Регистрация
    03.07.2005
    Адрес
    Санкт-Петербург
    Сообщений
    10,168
    Спасибо Благодарностей отдано 
    147
    Спасибо Благодарностей получено 
    84
    Поблагодарили
    55 сообщений
    Mentioned
    1 Post(s)
    Tagged
    0 Thread(s)

    По умолчанию



    Ковыряю файлы для работы устройства на ЮТе.
    Чтение с карты работает, файлики гоняются в память.

    ---------- Post added at 13:16 ---------- Previous post was at 13:13 ----------

    Только до сих пор мучаюсь вопросом, какой вариант выбрать, от b2m - более простой, но на ПЛИСке, не требует порта ВВ55, но - только чтение.
    Или вариант от Vinxru, навороченней, на микроконтроллере, поддерживает запись, имеет шелл "нортоноподобный". Требует порт ВВ55, и некоторые манипуляции для запуска на ЮТе (отключение прерывания).
    ScorpEvo ZS 1024 turbo+ CF-HDD/FDD/Mouse/SMUC 3.1/ProfROMse/NeoGS/ZC
    Speccy-2007 128/AY/TR-DOS

    Сайт с документацией к "Scorpion ZS 256"

Страница 6 из 10 ПерваяПервая ... 2345678910 ПоследняяПоследняя

Информация о теме

Пользователи, просматривающие эту тему

Эту тему просматривают: 1 (пользователей: 0 , гостей: 1)

Похожие темы

  1. Flash накопители
    от drbars в разделе Внешние накопители
    Ответов: 5
    Последнее: 16.12.2009, 00:44
  2. Байт и внешние устройства
    от BYTEMAN в разделе Несортированное железо
    Ответов: 30
    Последнее: 05.04.2006, 20:52

Ваши права

  • Вы не можете создавать новые темы
  • Вы не можете отвечать в темах
  • Вы не можете прикреплять вложения
  • Вы не можете редактировать свои сообщения
  •