User Tag List

Страница 3 из 5 ПерваяПервая 12345 ПоследняяПоследняя
Показано с 21 по 30 из 43

Тема: Картридж с играми для ДЕЛЬТА-С

  1. #21

    Регистрация
    13.03.2009
    Адрес
    Великие Луки, Псковская обл.
    Сообщений
    33
    Спасибо Благодарностей отдано 
    26
    Спасибо Благодарностей получено 
    16
    Поблагодарили
    8 сообщений
    Mentioned
    0 Post(s)
    Tagged
    0 Thread(s)

    По умолчанию

    Цитата Сообщение от wiktors75 Посмотреть сообщение
    тут вся разводка Вложение 56498
    Я тут посмотрел - вродеб ошибочку нашёл - 8 вывод(А2) 2-ой и 3-ей ПЗУ на фотках исходного картриджа соединяются перемычкой(исправили ошибку на заводе в печатке дорожки нет), и на разводке у тебя как раз отсутствует эта дорожка как в оригинале. Не подумай что я критикую - может просто ты не заметил - огромный респект тебе за проделанную работу.
    Последний раз редактировалось zxsacura; 19.03.2016 в 01:14.

  2. #22

    Регистрация
    18.05.2013
    Адрес
    г. Ставрополь
    Сообщений
    86
    Спасибо Благодарностей отдано 
    84
    Спасибо Благодарностей получено 
    5
    Поблагодарили
    4 сообщений
    Mentioned
    0 Post(s)
    Tagged
    0 Thread(s)

    По умолчанию

    ошибка не исправлена я знал об этом , но на плате забыл исправить на завод ушли в таком виде, получилась копия с оригинала + если отдавать в производство нужно на маске открыть контактные площадки для разъема

  3. #23

    Регистрация
    01.03.2005
    Адрес
    Samara
    Сообщений
    4,921
    Спасибо Благодарностей отдано 
    363
    Спасибо Благодарностей получено 
    327
    Поблагодарили
    250 сообщений
    Mentioned
    13 Post(s)
    Tagged
    0 Thread(s)

    По умолчанию

    как работает картридж?

    вот тут не очень понятно
    Код:
    RAM:0000 loc_0:                                  ; DATA XREF: sub_38+515Fr
    RAM:0000                                         ; sub_38+58A9w ...
    RAM:0000                 di
    RAM:0001                 ld      sp, 0FF56h 
    RAM:0004                 jr      loc_78
    RAM:0006 ; ---------------------------------------------------------------------------
    RAM:0006
    RAM:0006 loc_6:                                  ; CODE XREF: RAM:0082j
    RAM:0006                 out     (0FEh), a
    RAM:0008
    RAM:0008 loc_8:                                  ; DATA XREF: sub_38+5EC7w
    RAM:0008                 ld      a, 3Fh ; '?'
    RAM:000A                 ld      i, a
    RAM:000C                 ld      hl, 0FFFFh
    RAM:000F                 ld      d, h
    RAM:0010                 ld      e, l
    RAM:0011                 dec     de
    RAM:0012                 ld      (hl), 0
    RAM:0014                 ld      bc, 0C000h
    RAM:0017                 lddr                    ; CODE XREF: sub_38+6675p
    RAM:0017                                         ; sub_38+6676p ...
    RAM:0019                 ld      hl, 4808h
    RAM:001C                 ld      de, menu_text   ; "0 DEFLEKT "
    RAM:001F
    RAM:001F loc_1F:                                 ; DATA XREF: sub_38+5Fr
    RAM:001F                                         ; sub_38+66r
    RAM:001F                 ld      b, 4
    RAM:0021 ; START OF FUNCTION CHUNK FOR sub_38
    RAM:0021
    RAM:0021 loc_21:                                 ; CODE XREF: sub_38+Aj
    RAM:0021                                         ; sub_38+17j
    RAM:0021                 ld      a, (de)
    RAM:0022                 inc     a
    RAM:0023                 inc     de
    RAM:0024                 jr      z, loc_44
    RAM:0026                 dec     a
    RAM:0027                 push    de
    RAM:0027 ; END OF FUNCTION CHUNK FOR sub_38
    RAM:0028
    RAM:0028 ; =============== S U B R O U T I N E =======================================
    RAM:0028
    RAM:0028
    RAM:0028 sub_28:                                 ; CODE XREF: sub_38+669Cp
    RAM:0028                 push    bc
    RAM:0029                 push    hl
    RAM:002A                 ld      bc, rom_font
    RAM:002D                 ld      h, c
    RAM:002E                 ld      l, a
    RAM:002F                 add     hl, hl
    RAM:002F ; End of function sub_28
    RAM:002F
    RAM:0030
    RAM:0030 ; =============== S U B R O U T I N E =======================================
    RAM:0030
    RAM:0030
    RAM:0030 sub_30:                                 ; CODE XREF: sub_38+4FEBp
    RAM:0030                                         ; sub_38+4FFAp ...
    RAM:0030                 add     hl, hl
    RAM:0031                 add     hl, hl
    RAM:0032                 add     hl, bc
    RAM:0033                 ex      de, hl
    RAM:0034
    RAM:0034 loc_34:                                 ; DATA XREF: sub_38+585Ar
    RAM:0034                 pop     hl
    RAM:0035                 push    hl
    RAM:0036                 ld      b, 8
    RAM:0036 ; End of function sub_30
    RAM:0036
    RAM:0038
    RAM:0038 ; =============== S U B R O U T I N E =======================================
    RAM:0038
    RAM:0038
    RAM:0038 sub_38:                                 ; CODE XREF: sub_38+4j
    RAM:0038                                         ; sub_38+666Dp ...
    RAM:0038
    RAM:0038 ; FUNCTION CHUNK AT RAM:0021 SIZE 00000007 BYTES
    RAM:0038 ; FUNCTION CHUNK AT RAM:0094 SIZE 00000049 BYTES
    RAM:0038 ; FUNCTION CHUNK AT RAM:00E4 SIZE 0000000F BYTES
    RAM:0038 ; FUNCTION CHUNK AT RAM:5000 SIZE 0000136C BYTES
    RAM:0038 ; FUNCTION CHUNK AT RAM:6384 SIZE 000001AF BYTES
    RAM:0038 ; FUNCTION CHUNK AT RAM:654B SIZE 000000BE BYTES
    RAM:0038 ; FUNCTION CHUNK AT RAM:6621 SIZE 00000040 BYTES
    RAM:0038 ; FUNCTION CHUNK AT RAM:6679 SIZE 00000012 BYTES
    RAM:0038 ; FUNCTION CHUNK AT RAM:66A3 SIZE 00000046 BYTES
    RAM:0038
    RAM:0038                 ld      a, (de)
    RAM:0039                 inc     de
    RAM:003A                 ld      (hl), a
    RAM:003B                 inc     h
    RAM:003C                 djnz    sub_38
    RAM:003E                 pop     hl
    RAM:003F                 pop     bc
    RAM:0040
    RAM:0040 loc_40:                                 ; DATA XREF: sub_38+618Dr
    RAM:0040                 pop     de
    RAM:0041                 inc     l
    RAM:0042                 jr      loc_21
    RAM:0044 ; ---------------------------------------------------------------------------
    RAM:0044
    RAM:0044 loc_44:                                 ; CODE XREF: sub_38-14j
    RAM:0044                 ld      a, l
    RAM:0045                 or      1Fh
    RAM:0047                 inc     a
    RAM:0048                 jr      nz, loc_4C
    RAM:004A                 ld      h, 50h ; 'P'
    RAM:004C
    RAM:004C loc_4C:                                 ; CODE XREF: sub_38+10j
    RAM:004C                 or      8
    RAM:004E                 ld      l, a
    RAM:004F                 djnz    loc_21
    RAM:0051                 ld      c, 1
    RAM:0053
    RAM:0053 loc_53:                                 ; CODE XREF: sub_38+80j
    RAM:0053                                         ; DATA XREF: sub_38+583Fr
    RAM:0053                 push    bc
    RAM:0054                 ld      a, c
    RAM:0055                 ld      hl, 5800h
    RAM:0058                 ld      bc, 300h
    RAM:005B                 ld      (hl), 0Bh
    RAM:005D                 ld      de, 5801h
    RAM:0060                 ldir
    RAM:0062                 ld      hl, 5907h
    RAM:0065
    RAM:0065 loc_65:                                 ; CODE XREF: sub_38+34j
    RAM:0065                 dec     a
    RAM:0066                 jr      z, loc_6E
    RAM:0068                 ld      bc, 20h ; ' '
    RAM:006B                 add     hl, bc
    RAM:006C                 jr      loc_65
    RAM:006E ; ---------------------------------------------------------------------------
    RAM:006E
    RAM:006E loc_6E:                                 ; CODE XREF: sub_38+2Ej
    RAM:006E                 ld      b, 0Ch
    RAM:0070
    RAM:0070 loc_70:                                 ; CODE XREF: sub_38+3Bj
    RAM:0070                 ld      (hl), 7
    RAM:0072                 inc     l
    RAM:0073                 djnz    loc_70
    RAM:0075                 pop     bc
    RAM:0076
    RAM:0076 loc_76:                                 ; CODE XREF: sub_38+8Aj
    RAM:0076                                         ; sub_38+96j ...
    RAM:0076                 jr      loc_BA
    RAM:0076 ; End of function sub_38
    RAM:0076
    RAM:0078 ; ---------------------------------------------------------------------------
    RAM:0078
    RAM:0078 loc_78:                                 ; CODE XREF: RAM:0004j
    RAM:0078                 ld      a, 30h ; '0'
    RAM:007A                 ld      b, 7Fh ; ''
    RAM:007C                 ld      c, 0FDh ; '¤'
    RAM:007E                 out     (c), a
    RAM:0080                 ld      a, 1
    RAM:0082                 jr      loc_6
    RAM:0082 ; ---------------------------------------------------------------------------
    RAM:0084                 db  10h
    RAM:0085                 db 0FEh ; ¦
    RAM:0086                 db  17h
    RAM:0087                 db  17h
    RAM:0088                 db  17h
    RAM:0089                 db  17h
    RAM:008A                 db  38h ; 8
    RAM:008B                 db  58h ; X
    RAM:008C                 db  17h
    RAM:008D                 db  38h ; 8
    RAM:008E                 db    5
    RAM:008F                 db  17h
    RAM:0090                 db  38h ; 8
    RAM:0091                 db  0Bh
    RAM:0092                 db  18h
    RAM:0093                 db 0E2h ; т
    RAM:0094 ; ---------------------------------------------------------------------------
    RAM:0094 ; START OF FUNCTION CHUNK FOR sub_38
    RAM:0094
    RAM:0094 loc_94:                                 ; CODE XREF: sub_38+9Ej
    RAM:0094                 dec     c
    RAM:0095                 jr      nz, loc_A6
    RAM:0097                 ld      a, (loc_1F+1)
    RAM:009A                 ld      c, a
    RAM:009B                 jr      loc_A6
    RAM:009D ; ---------------------------------------------------------------------------
    RAM:009D
    RAM:009D loc_9D:                                 ; CODE XREF: sub_38+A1j
    RAM:009D                 inc     c
    RAM:009E                 ld      a, (loc_1F+1)
    RAM:00A1                 cp      c
    RAM:00A2                 jr      nc, loc_A6
    RAM:00A4                 ld      c, 1
    RAM:00A6
    RAM:00A6 loc_A6:                                 ; CODE XREF: sub_38+5Dj
    RAM:00A6                                         ; sub_38+63j ...
    RAM:00A6                 ld      b, 0
    RAM:00A8
    RAM:00A8 loc_A8:                                 ; CODE XREF: sub_38+7Ej
    RAM:00A8                 xor     a
    RAM:00A9                 in      a, (0FEh)
    RAM:00AB                 or      0E0h ; 'р'
    RAM:00AD                 inc     a
    RAM:00AE                 jr      nz, loc_A6
    RAM:00B0                 in      a, (0F7h)
    RAM:00B2                 and     0
    RAM:00B4                 jr      nz, loc_A6
    RAM:00B6                 djnz    loc_A8
    RAM:00B8                 jr      loc_53
    RAM:00BA ; ---------------------------------------------------------------------------
    RAM:00BA
    RAM:00BA loc_BA:                                 ; CODE XREF: sub_38:loc_76j
    RAM:00BA                 ld      a, 0EFh ; 'я'
    RAM:00BC                 in      a, (0FEh)
    RAM:00BE                 and     7
    RAM:00C0                 xor     7
    RAM:00C2                 jr      z, loc_76
    RAM:00C4                 ld      b, 0
    RAM:00C6
    RAM:00C6 loc_C6:                                 ; CODE XREF: sub_38+98j
    RAM:00C6                 ld      a, 0EFh ; 'я'
    RAM:00C8                 in      a, (0FEh)
    RAM:00CA                 and     7
    RAM:00CC                 xor     7
    RAM:00CE                 jr      z, loc_76
    RAM:00D0                 djnz    loc_C6
    RAM:00D2                 rra
    RAM:00D3                 jr      c, loc_E4
    RAM:00D5                 rra
    RAM:00D6                 jr      c, loc_94
    RAM:00D8                 rra
    RAM:00D9                 jr      c, loc_9D
    RAM:00DB                 jr      loc_76
    RAM:00DB ; END OF FUNCTION CHUNK FOR sub_38
    RAM:00DB ; ---------------------------------------------------------------------------
    RAM:00DD                 db    0
    RAM:00DE                 db    0
    RAM:00DF                 db  3Ah ; :
    RAM:00E0                 db  20h
    RAM:00E1                 db    0
    RAM:00E2                 db  3Ch ; <
    RAM:00E3                 db  4Fh ; O
    RAM:00E4 ; ---------------------------------------------------------------------------
    RAM:00E4 ; START OF FUNCTION CHUNK FOR sub_38
    RAM:00E4
    RAM:00E4 loc_E4:                                 ; CODE XREF: sub_38+9Bj
    RAM:00E4                 ld      a, c
    RAM:00E5                 ld      bc, 64h ; 'd'
    RAM:00E8                 ld      hl, loc_F3
    RAM:00EB                 ld      de, 5000h
    RAM:00EE                 ldir
    RAM:00F0                 jp      loc_5000
    RAM:00F0 ; END OF FUNCTION CHUNK FOR sub_38
    RAM:00F3 ; ---------------------------------------------------------------------------
    RAM:00F3
    RAM:00F3 loc_F3:                                 ; DATA XREF: sub_38+B0o
    RAM:00F3                 ld      hl, word_182
    RAM:00F6                 ld      c, a
    RAM:00F7
    RAM:00F7 loc_F7:                                 ; CODE XREF: RAM:0104j
    RAM:00F7                                         ; DATA XREF: sub_38+5FFCw
    RAM:00F7                 dec     c
    RAM:00F8                 jr      z, loc_10F
    RAM:00FA                 ld      e, (hl)
    RAM:00FB                 inc     hl
    RAM:00FC                 ld      d, (hl)
    RAM:00FD                 inc     hl
    RAM:00FE                 inc     hl
    RAM:00FF                 inc     hl
    RAM:0100                 add     hl, de
    RAM:0101
    RAM:0101 loc_101:                                ; CODE XREF: RAM:010Dj
    RAM:0101                 ld      a, h
    RAM:0102                 cp      20h ; ' '
    RAM:0104                 jr      c, loc_F7
    RAM:0106                 sub     20h ; ' '
    RAM:0108                 ld      h, a
    RAM:0109                 ld      a, 0FFh
    RAM:010B                 out     (7Fh), a
    RAM:010D                 jr      loc_101
    RAM:010F ; ---------------------------------------------------------------------------
    RAM:010F
    RAM:010F loc_10F:                                ; CODE XREF: RAM:00F8j
    RAM:010F                 ld      c, (hl)
    RAM:0110                 inc     hl
    RAM:0111                 ld      b, (hl)
    RAM:0112                 inc     hl
    RAM:0113                 ld      e, (hl)
    RAM:0114                 inc     hl
    RAM:0115                 ld      d, (hl)
    RAM:0116                 ld      (word_4FFE), de
    RAM:011A                 inc     hl
    RAM:011B
    RAM:011B loc_11B:                                ; CODE XREF: RAM:0124j
    RAM:011B                                         ; RAM:012Cj
    RAM:011B                 ldi
    RAM:011D                 ld      a, c
    RAM:011E                 or      b
    RAM:011F                 jr      z, loc_12E
    RAM:0121                 ld      a, h
    RAM:0122                 cp      20h ; ' '
    RAM:0124                 jr      nz, loc_11B
    RAM:0126                 ld      a, 0FFh
    RAM:0128                 out     (7Fh), a
    RAM:012A                 ld      h, 0
    RAM:012C                 jr      loc_11B
    RAM:012E ; ---------------------------------------------------------------------------
    RAM:012E
    RAM:012E loc_12E:                                ; CODE XREF: RAM:011Fj
    RAM:012E                 ld      b, 7Fh ; ''
    RAM:0130
    RAM:0130 loc_130:                                ; CODE XREF: RAM:0134j
    RAM:0130                 ld      a, 0FFh
    RAM:0132                 out     (7Fh), a
    RAM:0134                 djnz    loc_130
    RAM:0136                 ld      bc, 85h ; 'Е'
    RAM:0139                 ld      hl, 1200h
    RAM:013C                 ld      de, 4F70h
    RAM:013F                 push    de
    RAM:0140                 ldir
    RAM:0142                 ld      bc, 505Dh
    RAM:0145                 ex      de, hl
    RAM:0146                 ld      (hl), 0C3h ; '+'
    RAM:0148                 inc     hl
    RAM:0149                 ld      (hl), c
    RAM:014A                 inc     hl
    RAM:014B                 ld      (hl), b
    RAM:014C                 ld      hl, 0FFFFh
    RAM:014F                 ret
    RAM:014F ; ---------------------------------------------------------------------------
    RAM:0150                 db  2Ah ; *
    RAM:0151                 db 0FEh ; ¦
    RAM:0152                 db  4Fh ; O
    RAM:0153                 db  44h ; D
    RAM:0154                 db  4Dh ; M
    RAM:0155                 db 0E9h ; щ
    RAM:0156 menu_text:      .ascii '0 DEFLEKT '     ; DATA XREF: RAM:001Co
    RAM:0160                 db 0FFh
    RAM:0161 a1Bignose:      .ascii '1 BIGNOSE '
    RAM:016B                 db 0FFh
    RAM:016C a2Rthund:       .ascii '2 RTHUND  '
    RAM:0176                 db 0FFh
    RAM:0177 a3Nebulus:      .ascii '3 NEBULUS '
    RAM:0181                 db 0FFh
    RAM:0182 word_182:       dw 7135h               Длина первого блока с игрой
    RAM:0184                 dw 6000h                    Адрес куда 
    RAM:0186                 db 0F3h ; є                 сам блок с игрой 
    RAM:0187                 db  31h ; 1
    RAM:0188                 db 0FFh
    RAM:0189                 db  5Fh ; _
    RAM:018A                 db  21h ; !
    RAM:018B                 db  82h ; В
    RAM:018C                 db  83h ; Г
    RAM:018D                 db 0E5h ; х
    RAM:018E                 db  21h ; !
    RAM:018F                 db  15h
    RAM:0190                 db  60h ; `
    С уважением,
    Jerri / Red Triangle.

  4. #24

    Регистрация
    13.03.2009
    Адрес
    Великие Луки, Псковская обл.
    Сообщений
    33
    Спасибо Благодарностей отдано 
    26
    Спасибо Благодарностей получено 
    16
    Поблагодарили
    8 сообщений
    Mentioned
    0 Post(s)
    Tagged
    0 Thread(s)

    По умолчанию

    а посмотри на платах что ты сделал - 7 ноги ла3 и ид4 к земле соединяются ? - на разводке нет ( я просто на досуге схемку накидываю его чтоб адаптировать к ленину48). Идеи бурлят - надо было при разводке новых плат отсоединить 1 ногу(программирование) РФ8 от +5в и собрать их в кучу для обеспечения программирования не снимая их с платы.В принципе даже с Дельты можно было б реализовать программирование картриджа (например, загружая с ленты содержимое). Я б от такой системы в 90-х (когда у меня не было ещё пентагона-128 с дисководом) не отказался. Только засада - по даташиту РФ8 не рекомендуют более чем 100 раз перепрограммировать.
    Последний раз редактировалось zxsacura; 19.03.2016 в 12:58.

  5. #25

    Регистрация
    13.03.2009
    Адрес
    Великие Луки, Псковская обл.
    Сообщений
    33
    Спасибо Благодарностей отдано 
    26
    Спасибо Благодарностей получено 
    16
    Поблагодарили
    8 сообщений
    Mentioned
    0 Post(s)
    Tagged
    0 Thread(s)

    По умолчанию

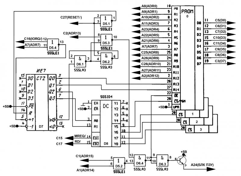
    Вот нарисовал схему его. Так как забыл нарисовать - +5в это нога А3 системного разъёма.
    Миниатюры Миниатюры Нажмите на изображение для увеличения. 

Название:	cart.jpg 
Просмотров:	340 
Размер:	80.6 Кб 
ID:	56516  
    Последний раз редактировалось zxsacura; 21.03.2016 в 14:22.

  6. #26

    Регистрация
    05.04.2011
    Адрес
    Прокопьевск
    Сообщений
    112
    Спасибо Благодарностей отдано 
    8
    Спасибо Благодарностей получено 
    2
    Поблагодарили
    1 сообщение
    Mentioned
    0 Post(s)
    Tagged
    0 Thread(s)

    По умолчанию

    Цитата Сообщение от zxsacura Посмотреть сообщение
    а посмотри на платах что ты сделал - 7 ноги ла3 и ид4 к земле соединяются ? - на разводке нет ( я просто на досуге схемку накидываю его чтоб адаптировать к ленину48). Идеи бурлят - надо было при разводке новых плат отсоединить 1 ногу(программирование) РФ8 от +5в и собрать их в кучу для обеспечения программирования не снимая их с платы.В принципе даже с Дельты можно было б реализовать программирование картриджа (например, загружая с ленты содержимое). Я б от такой системы в 90-х (когда у меня не было ещё пентагона-128 с дисководом) не отказался. Только засада - по даташиту РФ8 не рекомендуют более чем 100 раз перепрограммировать.
    http://www.fruitcake.plus.com/Sincla...g_Software.gif

    тогда лучше по этой схеме карик собрать, там и прога удобная для подготовки прошивки есть. пробовал паять на макетке МГТФом, намучалсо с соплями и бросил. вот бы платку нормальную под это дело развести/заказать с Дельтовским разъемом.

  7. #27

    Регистрация
    13.03.2009
    Адрес
    Великие Луки, Псковская обл.
    Сообщений
    33
    Спасибо Благодарностей отдано 
    26
    Спасибо Благодарностей получено 
    16
    Поблагодарили
    8 сообщений
    Mentioned
    0 Post(s)
    Tagged
    0 Thread(s)

    По умолчанию

    Цитата Сообщение от Arkanoid Посмотреть сообщение
    http://www.fruitcake.plus.com/Sincla...g_Software.gif

    тогда лучше по этой схеме карик собрать, там и прога удобная для подготовки прошивки есть. пробовал паять на макетке МГТФом, намучалсо с соплями и бросил. вот бы платку нормальную под это дело развести/заказать с Дельтовским разъемом.
    Я тот ресурс тоже достаточно хорошо изучил и вот когда увидел Дельтовский картридж, мне стало интересно, как же наши реализовали. Так вот реализации очень похожи, только у наших на дельте грубо адресация сделана(тока IORQ и A7 отслеживается), а у буржуев более точно ловится ну и порт походу разный надо посмотреть какой.

    А по поводу сделать разводку под дельту - к чему ? у него (www.fruitcake.plus.com) используется интерфейс стандартный ну и только переходник с дельты на этот стандартный интерфейс исполнить ну по типу как вот здесь : http://trastero.speccy.org/cosas/dro...terface2_s.htm только вместо распиновки стандартного Спековского разъёма Дельтовский использовать.Вот такой переходничок Нажмите на изображение для увеличения. 

Название:	pinout.jpg 
Просмотров:	268 
Размер:	66.3 Кб 
ID:	56529
    Последний раз редактировалось zxsacura; 20.03.2016 в 23:48.

  8. #28

    Регистрация
    18.05.2013
    Адрес
    г. Ставрополь
    Сообщений
    86
    Спасибо Благодарностей отдано 
    84
    Спасибо Благодарностей получено 
    5
    Поблагодарили
    4 сообщений
    Mentioned
    0 Post(s)
    Tagged
    0 Thread(s)

    По умолчанию

    Цитата Сообщение от zxsacura Посмотреть сообщение
    а посмотри на платах что ты сделал - 7 ноги ла3 и ид4 к земле соединяются ? - на разводке нет ( я просто на досуге схемку накидываю его чтоб адаптировать к ленину48).
    да земли этих микросхем на платах нет следущий раз исправим
    Последний раз редактировалось wiktors75; 26.03.2016 в 19:59.

  9. #29

    Регистрация
    30.04.2018
    Адрес
    г. Смоленск
    Сообщений
    559
    Спасибо Благодарностей отдано 
    15
    Спасибо Благодарностей получено 
    111
    Поблагодарили
    76 сообщений
    Mentioned
    0 Post(s)
    Tagged
    0 Thread(s)

    По умолчанию

    Что то тема так и заглохла..Собрал я данный карик..
    [IMG][/IMG]
    Решил разобраться, как же что туда запихнули..Открыл в ИДЕ и понял, что все чему меня учили по асму, осталось в универе давным давно))..
    Разбирался кто с РОМамами сабжа? Может есть у кого другие дампы подобных кариков?
    Дельта СА Дельта С-128+BDI+AY Дельта С-02+FDD+AY Дельта-Микро LENINGRAD 48K Orig(88)+AY
    ////////////////////////////////////////////////////////////////////////////////////////////////////////

  10. #30

    Регистрация
    21.12.2015
    Адрес
    г. Канаш
    Сообщений
    245
    Спасибо Благодарностей отдано 
    37
    Спасибо Благодарностей получено 
    5
    Поблагодарили
    5 сообщений
    Mentioned
    0 Post(s)
    Tagged
    0 Thread(s)

    По умолчанию

    crackown, перепиcывался сегодня в Авито с земляком который продал такой картридж. вот объявление https://www.avito.ru/cheboksary/nast...128_1773116039
    Куда ушел контакты сказал остались. я его попросил передать ссылку на сайт сюда в эту тему. Если человек купил за хорошие денежки то у него по любому будет интерес к этому картриджу. Может и поделиться дампами. Ждемс... Тем более у нас есть свой дампик

    - - - Добавлено - - -

    crackown, есть вопрос по этому картриджу. Он сразу после включения подменяет штатное ПЗУ и появляется МЕНЮ?
    Работает на 48К или на 128К ?
    Pentagon 128K+AY+FDD, Дельта С-128К+AY+FDD, КОРВЕТ ПК8020+FDD, УКНЦ МС0511, БК 0010-01.

Страница 3 из 5 ПерваяПервая 12345 ПоследняяПоследняя

Информация о теме

Пользователи, просматривающие эту тему

Эту тему просматривают: 1 (пользователей: 0 , гостей: 1)

Похожие темы

  1. Куплю Дельта-Секам-Диск, Дельта-Микро, любую.
    от Xitron в разделе Барахолка (архив)
    Ответов: 2
    Последнее: 29.05.2012, 22:49
  2. Дельта-С-02, Дельта-СА продам/обменяю.
    от falanger в разделе Барахолка (архив)
    Ответов: 6
    Последнее: 03.05.2011, 19:03
  3. Нашел дискету с играми
    от dk_spb в разделе Игры
    Ответов: 0
    Последнее: 16.12.2010, 15:03
  4. помощь с играми
    от sevol в разделе Для начинающих
    Ответов: 11
    Последнее: 31.07.2010, 18:01
  5. Подскажите сайт с играми в MP3
    от REMR в разделе Игры
    Ответов: 1
    Последнее: 08.09.2008, 20:37

Ваши права

  • Вы не можете создавать новые темы
  • Вы не можете отвечать в темах
  • Вы не можете прикреплять вложения
  • Вы не можете редактировать свои сообщения
  •