Важная информация

User Tag List

Страница 19 из 59 ПерваяПервая ... 151617181920212223 ... ПоследняяПоследняя
Показано с 181 по 190 из 587

Тема: Периферия "ОрионПро"

  1. #181

    Регистрация
    14.01.2010
    Адрес
    г. Шумерля, Чувашия
    Сообщений
    1,358
    Спасибо Благодарностей отдано 
    27
    Спасибо Благодарностей получено 
    42
    Поблагодарили
    37 сообщений
    Mentioned
    0 Post(s)
    Tagged
    0 Thread(s)

    По умолчанию

    Цитата Сообщение от LeoN65816 Посмотреть сообщение
    или по "русской", где на этот же выв.11 подается RD1?
    Да исправлено там...

  2. #181
    С любовью к вам, Yandex.Direct
    Размещение рекламы на форуме способствует его дальнейшему развитию

  3. #182

    Регистрация
    14.08.2006
    Адрес
    Владимир
    Сообщений
    4,581
    Спасибо Благодарностей отдано 
    64
    Спасибо Благодарностей получено 
    112
    Поблагодарили
    97 сообщений
    Mentioned
    0 Post(s)
    Tagged
    0 Thread(s)

    По умолчанию

    Цитата Сообщение от LeoN65816 Посмотреть сообщение
    Про задвоение - хз, нонсенс.
    Еще хочу уточнить: задвоение только на CF, только на HDD, или и там и там, и как этот же девайс фурычит на PC?
    А попробуйте в Мониторе прямое чтение/запись портов: не только регистр данных IDE, но и другие регистры. Есть задвоение?
    У меня CF. HDD под эксперименты пока нет. Разные носители быстро не попробуешь: далеко не каждая CF согласна работать в таких упрощенных контроллерах. С Монитором быстро не попробую - ухожу в отпуск вотпрямзавтра (уезжаю от стоянки орионов), и надо дела доделать не относящиеся к хобби, но требующие кучу времени.


    Цитата Сообщение от LeoN65816 Посмотреть сообщение
    Не видел такой схемы... Где она?
    В третьем посте от начала треда. Александр уже поправил.


    Цитата Сообщение от LeoN65816 Посмотреть сообщение
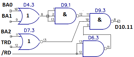
    Потому что с системного разъема приходит не комбинированный RD/nWR (1 - чтение, 0 - запись), а раздельные nRD, nWR, nIORQ. Проц "сглатывает" младший байт с IDE по снятию (т.е. положительный фронт) nRD (и IDE отпускает шину) до снятия nIORQ, а nWR - в единице. И только по снятию nIORQ еще и с задержкой через D1, D2.1, D5.2 в D10 хз что пишется (IDE уже отпустил шину)...
    Но! Это про чтение старшего байта данных.
    Понимаю. Дело во времянках (в моем варианте получится работа по срезу сигнала IORQ, т.е. как оно и есть сейчас, как я понимаю). Схема 5ИЛИ на имеющихся свободных элементах (потому что не охота ставить дополнительные, и не охота на диодах) получится такой (см. ниже)?

    - - - Добавлено - - -

    Также, то, что /RES на IDE приходит непосредственно от системного /RES - это недостаточно. Он по ИЛИ должен приходить еще и от какого-нибудь порта. Наиболее просто (чтобы не выделять для этого новый порт и использовать готовые выборки со схемы) - использовать какой-нить из существующих портов в текущем виде работающих на только чтение. Записью в этот порт активировать сигнал /RES для IDE через взведение дополнительного триггера, а чтение этого порта (и системный RESET) пускай этот триггер (и сигнал /RES для IDE) всегда сбрасывают. Таким образом со старым ПО будет совместимо, а новое ПО сможет сбросом IDE управлять.
    Миниатюры Миниатюры Нажмите на изображение для увеличения. 

Название:	IDE-fix.gif 
Просмотров:	143 
Размер:	7.4 Кб 
ID:	57893  
    Последний раз редактировалось Error404; 17.08.2016 в 18:41.
    Лучше сделать и жалеть, чем не сделать и жалеть.

    Некоторые из моих поделок тут: https://github.com/serge-404

  4. #183

    Регистрация
    10.02.2014
    Адрес
    г. Тула
    Сообщений
    539
    Спасибо Благодарностей отдано 
    50
    Спасибо Благодарностей получено 
    44
    Поблагодарили
    30 сообщений
    Mentioned
    1 Post(s)
    Tagged
    0 Thread(s)

    По умолчанию

    Цитата Сообщение от ksanf(138) Посмотреть сообщение
    ps. Кстати,по часам. Часы в Альтаире работают отлично, в Паверкоммандере-нет! И ордосовскими утилитами читается и устанавливается другое время (альтаировское портится).
    Это объяснимо. В Альтаир-ДОС 512ВИ1 программируется для ведения счета в двоичном формате, в Поверкоммандере в двоично-десятичном. Чтобы везде было одинаково надо патчить коммандер и переписывать утилитку для настройки часов.

    Цитата Сообщение от LeoN65816 Посмотреть сообщение
    Еще хочу уточнить: задвоение только на CF, только на HDD, или и там и там, и как этот же девайс фурычит на PC?
    Я пробовал только с СF картами. Проверил имеющиеся в наличии карты. Из 5 CF карт 2-е ведут себя странно. На карте 256Мб при чтении идет задвоение, на карте 8Гб вообще всегда читаются только первые два байта из MBR. С 512Мб и 2Гб картами все ОК. И что интересно, все эти карты отлично работают с IDE интерфейсом на ВВ55 и на РС. Никаких глюков не наблюдается.
    Миниатюры Миниатюры Нажмите на изображение для увеличения. 

Название:	8Gb.jpg 
Просмотров:	155 
Размер:	86.7 Кб 
ID:	57894  
    Последний раз редактировалось Дмитрий2012; 24.09.2016 в 12:34.

  5. #184

    Регистрация
    14.08.2006
    Адрес
    Владимир
    Сообщений
    4,581
    Спасибо Благодарностей отдано 
    64
    Спасибо Благодарностей получено 
    112
    Поблагодарили
    97 сообщений
    Mentioned
    0 Post(s)
    Tagged
    0 Thread(s)

    По умолчанию

    В-общем, фирменный CF Kingston 1Gb работает только в схеме IDE на ВВ55 (т.е. читается без дублирования).
    А вот некий CF Digitex 64MB, купленный 8 лет назад по случаю в Ашане за 49 рублей, работает в обоих контроллерах (читается без дублирования).

    Интересно с чем это может быть связано.
    Лучше сделать и жалеть, чем не сделать и жалеть.

    Некоторые из моих поделок тут: https://github.com/serge-404

  6. #185

    Регистрация
    16.12.2008
    Адрес
    Kharkov, Ukraina
    Сообщений
    2,221
    Спасибо Благодарностей отдано 
    4
    Спасибо Благодарностей получено 
    21
    Поблагодарили
    18 сообщений
    Mentioned
    1 Post(s)
    Tagged
    0 Thread(s)

    По умолчанию

    Тут вообще все странно. Поддержу Error404, схема курильщика. Как такое на свет показывать (публиковать, офицально).
    Все купленные СF работают в BeerIDE (MSX).

    - - - Добавлено - - -

    И вообще тут кто-то опубликует снятую диаграмму ходьбы 8-битным анализатор уровня. Хватит заниматься мазохизмом – время.

    - - - Добавлено - - -

    Может это прокатывало в 90-х. У СF - очень упрощенный интерфейс IDE, аппаратный (согласование уровней обмена. аля ТТЛ-КМОС или чего там, я там свечку не держал). Врубал СФ на прямую на шлейф 33/66 или 66/33. СФ заявила, я UDMA 66 номер 4. Не тянет. А должна. Забил. Но это не отменяет IDE-курильщика
    Последний раз редактировалось OrionExt; 18.08.2016 в 01:32.
    Электроника КР-02, MSX YIS-503IIR, Орион-128, Ленинград-2, Pentagon-128k, MSX2 YIS-503IIIR, MSX-EXT, ...

  7. #186

    Регистрация
    20.06.2014
    Адрес
    г. Орск, Оренбургская обл.
    Сообщений
    813
    Спасибо Благодарностей отдано 
    33
    Спасибо Благодарностей получено 
    80
    Поблагодарили
    60 сообщений
    Mentioned
    0 Post(s)
    Tagged
    0 Thread(s)

    По умолчанию

    Цитата Сообщение от Error404 Посмотреть сообщение
    Схема 5ИЛИ на имеющихся свободных элементах (потому что не охота ставить дополнительные, и не охота на диодах) получится такой (см. ниже)?
    По логике работы твоя схема подходит, nWriteHighByte=(nRD or nTRD or A0 or A1 or A2). Но! Тут по критичному сигналу nRD будет задержка в 2 вентиля!
    В случае, если вешаем вторым этажом ЛЛ1, nWriteHighByte=(nRD or (nTRD or (A2 or (A1 or A0)))), задержка будет в 1 вентиль!

    Цитата Сообщение от Error404 Посмотреть сообщение
    Также, то, что /RES на IDE приходит непосредственно от системного /RES - это недостаточно. Он по ИЛИ должен приходить еще и от какого-нибудь порта. Наиболее просто (чтобы не выделять для этого новый порт и использовать готовые выборки со схемы) - использовать какой-нить из существующих портов в текущем виде работающих на только чтение. Записью в этот порт активировать сигнал /RES для IDE через взведение дополнительного триггера, а чтение этого порта (и системный RESET) пускай этот триггер (и сигнал /RES для IDE) всегда сбрасывают. Таким образом со старым ПО будет совместимо, а новое ПО сможет сбросом IDE управлять.
    С nRES, думаю, заморачиваться не стоит. На PC же все нормально. Ну а если все-таки так уж нужно в начале обязательно резетить, то программный резет в IDE есть.

    Судя по откликам работы различных CF/HDD на этом контроллере, на ВВ55, на PC, то выходит, что с этим контроллером получаются слишком короткие циклы обращения и поэтому задвоение...
    Просьба к тем, кто пробовал разные девайсы, что на них нарисовано (на многих CF рисуют типа 90x, 133x).
    А также повторю просьбу к тем, у кого реальные железки: в Мониторе двойное, тройное, последовательное по одному и тому же адресу прямое чтение/запись портов покажите и по регистру данных и по всем регистрам IDE.
    Последний раз редактировалось LeoN65816; 18.08.2016 в 07:31.

  8. #187

    Регистрация
    14.08.2006
    Адрес
    Владимир
    Сообщений
    4,581
    Спасибо Благодарностей отдано 
    64
    Спасибо Благодарностей получено 
    112
    Поблагодарили
    97 сообщений
    Mentioned
    0 Post(s)
    Tagged
    0 Thread(s)

    По умолчанию

    В моем случае скорость не обозначена ни на одном CF. Две СF что запустились (1Gb 2008 года выпуска только в ВВ55, 64М выпуска возможно еще ранее - норм. в обоих вариантах IDE), третью CF (китайский нонейм) 4Gb выпуска 2016 пробовал - на Орионе нигде не пошла, но на РС нормально.
    Лучше сделать и жалеть, чем не сделать и жалеть.

    Некоторые из моих поделок тут: https://github.com/serge-404

  9. #188

    Регистрация
    10.02.2014
    Адрес
    г. Тула
    Сообщений
    539
    Спасибо Благодарностей отдано 
    50
    Спасибо Благодарностей получено 
    44
    Поблагодарили
    30 сообщений
    Mentioned
    1 Post(s)
    Tagged
    0 Thread(s)

    По умолчанию

    Цитата Сообщение от LeoN65816 Посмотреть сообщение
    А также повторю просьбу к тем, у кого реальные железки: в Мониторе двойное, тройное, последовательное по одному и тому же адресу прямое чтение/запись портов покажите и по регистру данных и по всем регистрам IDE.
    Если поможете пошагово показать в какой порт и какие данные записывать/считывать сделаю такой тест. Сам что-то никак не соображу в какой последовательности, в какие порты писать/читать данные.

    На пару дней обещали одолжить вот такой логический анализатор. http://ru.aliexpress.com/item/Free-s...e-334f4349e93e

    Какие сигналы смотреть? С таким девайсом никогда не работал, попробую разобраться как им пользоваться.

    Цитата Сообщение от LeoN65816 Посмотреть сообщение
    Просьба к тем, кто пробовал разные девайсы, что на них нарисовано (на многих CF рисуют типа 90x, 133x).
    У меня такие CF карты.

    Вот, что удалось записать логическим анализатором. Может это как то прояснит ситуацию ... Смотреть можно в программе Saleae Logic версии 1.2.10, в более ранних версиях файлы не откроются.
    В тесте поверхности HDD вываливается ошибка на 64 секторе.
    Миниатюры Миниатюры Нажмите на изображение для увеличения. 

Название:	IMG_20160818_181420.jpg 
Просмотров:	148 
Размер:	78.9 Кб 
ID:	57919  
    Последний раз редактировалось Дмитрий2012; 20.08.2016 в 13:28. Причина: удалил файлы

  10. #189

    Регистрация
    13.03.2016
    Адрес
    г. Владивосток
    Сообщений
    89
    Спасибо Благодарностей отдано 
    0
    Спасибо Благодарностей получено 
    0
    Поблагодарили
    0 сообщений
    Mentioned
    0 Post(s)
    Tagged
    0 Thread(s)

    По умолчанию

    В общем разобрался с чтением старшего байта. Дело было не в бобине...
    /Cs1 оказался не при чём, /BRD- вот где была загвоздка!
    Напаял на него (прям к ногам ир22 12-10 ) кондей 2,2нф и всё стало читать.
    Прежние доработки убрал, т.е. всё восстановил как было, ну, резистивную сборочку оставил...
    Всё равно Альтаир не работает! И FDISK всё анализирует бесконечно и с другими HDD.
    Последний раз редактировалось ksanf(138); 20.08.2016 в 03:41.

  11. #190

    Регистрация
    20.06.2014
    Адрес
    г. Орск, Оренбургская обл.
    Сообщений
    813
    Спасибо Благодарностей отдано 
    33
    Спасибо Благодарностей получено 
    80
    Поблагодарили
    60 сообщений
    Mentioned
    0 Post(s)
    Tagged
    0 Thread(s)

    По умолчанию

    Цитата Сообщение от Дмитрий2012 Посмотреть сообщение
    Вот, что удалось записать логическим анализатором. Может это как то прояснит ситуацию ... Смотреть можно в программе Saleae Logic версии 1.2.10, в более ранних версиях файлы не откроются.
    И что мы тут можем разглядеть при 500 КГц? На максимуме, на 24 МГц делай! И первыми тремя сигналами в любых наборах должны быть nIORQ, nRD, nWR!
    Последний раз редактировалось LeoN65816; 20.08.2016 в 12:42.

Страница 19 из 59 ПерваяПервая ... 151617181920212223 ... ПоследняяПоследняя

Информация о теме

Пользователи, просматривающие эту тему

Эту тему просматривают: 1 (пользователей: 0 , гостей: 1)

Похожие темы

  1. Ответов: 17
    Последнее: 26.12.2015, 23:22
  2. Ответов: 51
    Последнее: 11.08.2014, 10:40
  3. Ответов: 0
    Последнее: 15.08.2010, 14:38
  4. Ответов: 6
    Последнее: 20.11.2007, 11:29
  5. Ответов: 0
    Последнее: 26.06.2005, 11:52

Ваши права

  • Вы не можете создавать новые темы
  • Вы не можете отвечать в темах
  • Вы не можете прикреплять вложения
  • Вы не можете редактировать свои сообщения
  •