Важная информация

User Tag List

Страница 46 из 59 ПерваяПервая ... 424344454647484950 ... ПоследняяПоследняя
Показано с 451 по 460 из 587

Тема: Периферия "ОрионПро"

  1. #451

    Регистрация
    30.05.2017
    Адрес
    г. Алматы, Казахстан
    Сообщений
    908
    Спасибо Благодарностей отдано 
    63
    Спасибо Благодарностей получено 
    275
    Поблагодарили
    148 сообщений
    Mentioned
    0 Post(s)
    Tagged
    0 Thread(s)

    По умолчанию

    Цитата Сообщение от Дмитрий2012 Посмотреть сообщение
    Да, так работаетТолько наоборот))) По нашей схеме из поста https://zx-pk.ru/threads/25327-perif...=1#post1036891
    Да, я просто схему из шапки первого поста смотрел в PDF, там контакты 4 и 5 наоборот обозначены

    Цитата Сообщение от Дмитрий2012 Посмотреть сообщение
    Теперь бы сделать малой кровью, чтобы это все автоматом работало?
    Понял, сейчас в Алматы уже скоро 12 ночи. До отбоя покумекаю, если что выложу )) Завтра в командировку ...
    Последний раз редактировалось Sancho45; 03.12.2019 в 19:16.

  2. #451
    С любовью к вам, Yandex.Direct
    Размещение рекламы на форуме способствует его дальнейшему развитию

  3. #452

    Регистрация
    14.01.2010
    Адрес
    г. Шумерля, Чувашия
    Сообщений
    1,358
    Спасибо Благодарностей отдано 
    27
    Спасибо Благодарностей получено 
    42
    Поблагодарили
    37 сообщений
    Mentioned
    0 Post(s)
    Tagged
    0 Thread(s)

    По умолчанию

    Может лучше править схему в одном, привычном виде, без западных обозначений?


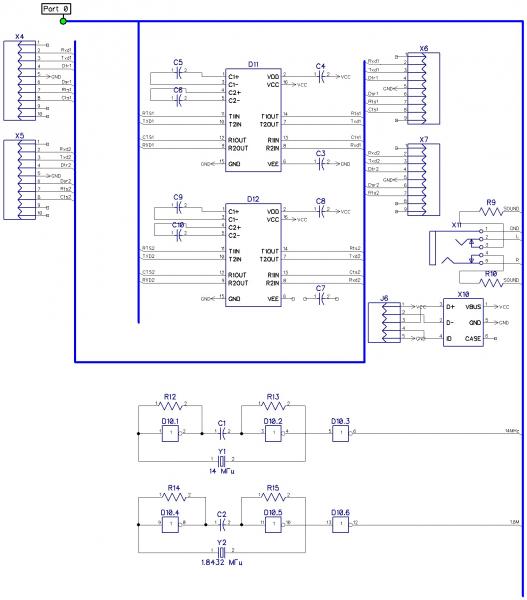
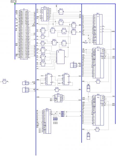
    Вложил последнюю, верную схему дешифрации AY. Лист 1 схемы.
    Миниатюры Миниатюры Нажмите на изображение для увеличения. 

Название:	Лист 1.jpg 
Просмотров:	89 
Размер:	41.6 Кб 
ID:	70863   Нажмите на изображение для увеличения. 

Название:	Лист 2.jpg 
Просмотров:	99 
Размер:	39.4 Кб 
ID:	70812  
    Вложения Вложения
    Последний раз редактировалось АлександрПП; 05.12.2019 в 16:23.

    Этот пользователь поблагодарил АлександрПП за это полезное сообщение:

    Sancho45(03.12.2019)

  4. #453

    Регистрация
    30.05.2017
    Адрес
    г. Алматы, Казахстан
    Сообщений
    908
    Спасибо Благодарностей отдано 
    63
    Спасибо Благодарностей получено 
    275
    Поблагодарили
    148 сообщений
    Mentioned
    0 Post(s)
    Tagged
    0 Thread(s)

    По умолчанию

    Цитата Сообщение от АлександрПП Посмотреть сообщение
    Может лучше править схему в одном, привычном виде, без западных обозначений?
    В архиве не правильно ! D18 должны быть инверсные выходы. А на схеме в архиве прямые! А то у меня логика не сходится ))))

    - - - Добавлено - - -

    как и выходы d1

    - - - Добавлено - - -

    и вход 3 d18 не подкл к WR

    - - - Добавлено - - -

    Цитата Сообщение от Дмитрий2012 Посмотреть сообщение
    Попробовал сейчас и этот вариант. Про-шный софт работает прекрасно, чип AY определяется, музыка играет без проблем. А вот спектрумовский софт молчит....
    этот вариант должен работать, может ошибочка где была?

    Этот пользователь поблагодарил Sancho45 за это полезное сообщение:

    Дмитрий2012(04.12.2019)

  5. #454

    Регистрация
    14.01.2010
    Адрес
    г. Шумерля, Чувашия
    Сообщений
    1,358
    Спасибо Благодарностей отдано 
    27
    Спасибо Благодарностей получено 
    42
    Поблагодарили
    37 сообщений
    Mentioned
    0 Post(s)
    Tagged
    0 Thread(s)

    По умолчанию

    Цитата Сообщение от Sancho45 Посмотреть сообщение
    В архиве не правильно
    Исправил. Схему ведь только отрисовываю.
    ЛЛ1 и ИД7 в библиотеке были не правильны, исправил.

  6. #455

    Регистрация
    10.02.2014
    Адрес
    г. Тула
    Сообщений
    539
    Спасибо Благодарностей отдано 
    50
    Спасибо Благодарностей получено 
    44
    Поблагодарили
    30 сообщений
    Mentioned
    1 Post(s)
    Tagged
    0 Thread(s)

    По умолчанию

    Цитата Сообщение от Sancho45 Посмотреть сообщение
    этот вариант должен работать, может ошибочка где была?
    Спасибо! Действительно, мой косяк. Где-то при пайке ошибся Собрал по новой на свежую голову. Все работает
    Последний раз редактировалось Дмитрий2012; 04.12.2019 в 19:33.

    Этот пользователь поблагодарил Дмитрий2012 за это полезное сообщение:

    Sancho45(04.12.2019)

  7. #456

    Регистрация
    14.01.2010
    Адрес
    г. Шумерля, Чувашия
    Сообщений
    1,358
    Спасибо Благодарностей отдано 
    27
    Спасибо Благодарностей получено 
    42
    Поблагодарили
    37 сообщений
    Mentioned
    0 Post(s)
    Tagged
    0 Thread(s)

    По умолчанию

    Цитата Сообщение от Дмитрий2012 Посмотреть сообщение
    Все работает
    И Про и спектрум?

  8. #457

    Регистрация
    10.02.2014
    Адрес
    г. Тула
    Сообщений
    539
    Спасибо Благодарностей отдано 
    50
    Спасибо Благодарностей получено 
    44
    Поблагодарили
    30 сообщений
    Mentioned
    1 Post(s)
    Tagged
    0 Thread(s)

    По умолчанию

    Цитата Сообщение от АлександрПП Посмотреть сообщение
    И Про и спектрум?
    Да.

  9. #458

    Регистрация
    14.01.2010
    Адрес
    г. Шумерля, Чувашия
    Сообщений
    1,358
    Спасибо Благодарностей отдано 
    27
    Спасибо Благодарностей получено 
    42
    Поблагодарили
    37 сообщений
    Mentioned
    0 Post(s)
    Tagged
    0 Thread(s)

    По умолчанию

    Что изменено в схеме?

  10. #459

    Регистрация
    30.05.2017
    Адрес
    г. Алматы, Казахстан
    Сообщений
    908
    Спасибо Благодарностей отдано 
    63
    Спасибо Благодарностей получено 
    275
    Поблагодарили
    148 сообщений
    Mentioned
    0 Post(s)
    Tagged
    0 Thread(s)

    По умолчанию

    Цитата Сообщение от АлександрПП Посмотреть сообщение
    Что изменено в схеме?
    не понятен вопрос, выше есть прямая ссылка на изменения в схеме
    на всякий еще раз https://zx-pk.ru/threads/25327-perif...l=1#post879426

    Но это корректировка к уже имеющимся платам. Я думаю, если будет еще заказ, то можно проще схему нарисовать, в этой слишком много лишней логики ИМХО. Но таки новый вариант схемы надо будет кому-то проверить, до отправки заказа. А эту корректировку уже проверили.
    Может, если в других платах ошибок нет, то и я созрею на комплект плат). Мгтфить надоело...
    Последний раз редактировалось Sancho45; 05.12.2019 в 00:17.

  11. #460

    Регистрация
    14.08.2006
    Адрес
    Владимир
    Сообщений
    4,581
    Спасибо Благодарностей отдано 
    64
    Спасибо Благодарностей получено 
    112
    Поблагодарили
    97 сообщений
    Mentioned
    0 Post(s)
    Tagged
    0 Thread(s)

    По умолчанию

    Прошу прощения у сообщества что не участвую в обсуждении доработок в которых отчасти повинен, но поменял место работы, количество свободного времени, как и права на доступ в Инет с работы и возможность что-то делать по хобби вне дома, резко сократились. Еще и комп дома переставил на Винду10 с переустановкой всего и пока не всё восстановил.

    АлександрПП, Ваше сообщение о загрузке Альтаир-ДОС на ПРО в личке тоже видел, никак не выберу время ответить (но помню). Если вкратце - IDEBDOS.COM есть на GIT (ссылка в подписи), но возможно надо подобрать нужный для ПРО вариант (или даже скомпилировать с выставленными под ПРО defines, но это вряд ли: должны быть готовые бинари). Думаю быстрее получилось бы спросить тут в тредах по ПРО или АльтаирДОС у участников.

    ПС. Счастлив, что в итоге угадал с доработкой AY ПРО-ZX. В тот момент перепахивать всю схему не хотелось (т.к. авторы пересадили AY не просто на другой порт, но еще и спутали принцип адресации регистров AY в ПРО относительно Спека и в горячке "скорее добавить правку чтобы успеть в производство" показалось проще тупо скрестить жабу с гадюкой, а не вычислять всю булеву логику чтобы корректно расплести все эти многочисленные авторские ИД7, ну и конечно не сразу угадал ).

    - - - Добавлено - - -

    И кстати, не факт что "авторы и Ко" сами не пользуются "неполной адресацией" AY в своем коде, и после того как сделать в общей схеме "всё по уму", не замолчит какая-нибудь из немногочисленных музыкалок ПРО.

    - - - Добавлено - - -

    Ссылку на дополнительную корректировку совместной дешифрации AY-ПРО добавил в первый(по факту, второй) пост
    Лучше сделать и жалеть, чем не сделать и жалеть.

    Некоторые из моих поделок тут: https://github.com/serge-404

Страница 46 из 59 ПерваяПервая ... 424344454647484950 ... ПоследняяПоследняя

Информация о теме

Пользователи, просматривающие эту тему

Эту тему просматривают: 1 (пользователей: 0 , гостей: 1)

Похожие темы

  1. Ответов: 17
    Последнее: 26.12.2015, 23:22
  2. Ответов: 51
    Последнее: 11.08.2014, 10:40
  3. Ответов: 0
    Последнее: 15.08.2010, 14:38
  4. Ответов: 6
    Последнее: 20.11.2007, 11:29
  5. Ответов: 0
    Последнее: 26.06.2005, 11:52

Ваши права

  • Вы не можете создавать новые темы
  • Вы не можете отвечать в темах
  • Вы не можете прикреплять вложения
  • Вы не можете редактировать свои сообщения
  •