Читая топики в железном форуме, решил-таки поднять вопрос про обработку прерываний. Тема витает в воздухе давно, но видимо никто ничего отличного от I8259 так предложить и не смог.
В общих чертах идея такова, как я ее попытался изобразить на схеме. Достаточно грубо, и 100% неработоспособно. Но не в этом дело. Может быть, совместными усилиями доведем сие начинание до работоспособного варианта.
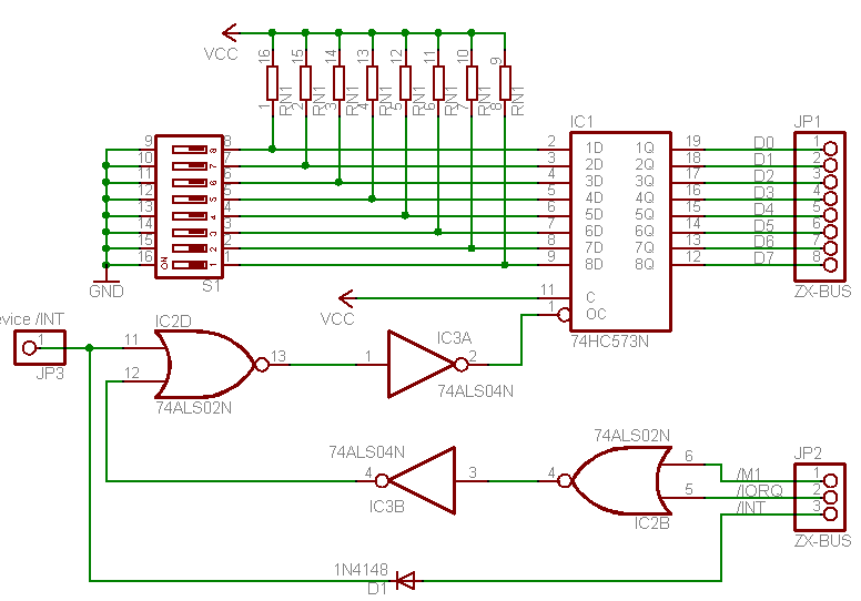
Преимущества предложенного варианта в том, что его можно использовать практически не переделывая, ни сам имеющийся Спектрум, ни известные на сегодняшний момент дополнительные устройства. Т.е. этот вариант предназначен в первую очередь для новых устройств, как составная их часть.
Небольшие пояснения к схеме:
1) JP1 и JP2 являются составной частью ZX-BUS. Все сигналы стандартны. Кроме, разве что, сигнала /INT.
2) JP3 условная точка формирования устройством сигнала /INT.
3) S1 - DIP-переключатель, на котором требуется выставить нужный вектор прерывания.
Глюки схемы, которые я вижу:
1) Конфликт на шине данных при одновременном INT'e от 2-х и более устройств.
2) Принципиальная невозможность выставления приоритетов.
PS: Понимая, что последует критика, возможно жесткая, все же попрошу быть предельно конструктивными![]()


Ответить с цитированием
Размещение рекламы на форуме способствует его дальнейшему развитию 
